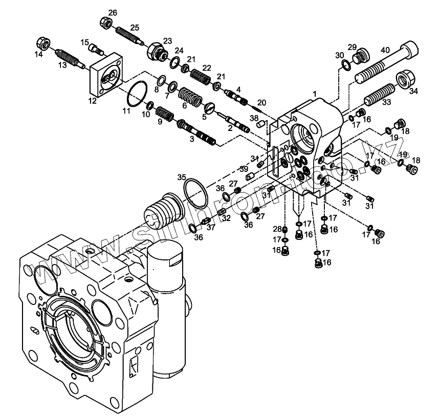
Каталог запасных частей к технике: Hidromek HMK 200W. REGULATING MOTOR
1
2
3
4
5
6
7
8
9
10
11
12
13
14
15
16
16
16
16
16
16
16
17
17
17
17
17
17
17
18
18
19
19
20
21
21
22
23
24
25
26
27
27
28
29
30
31
31
31
31
31
32
33
34
35
36
36
36
37
38
39
40
| Позиция на иллюстрации | Заводской номер детали | Название детали | |
|---|---|---|---|
| H239028598 | H239028598 | Housing Assy | |
| H239028644 | H239028644 | Set of Seal Assy | |
| H239028597 | H239028597 | Pres. Regulator Assy | |
| 1 | Housing | Housing | |
| 2 | Piston | Piston | |
| 3 | Pilot | Pilot | |
| 4 | Pilot | Pilot | |
| 5 | H239028604 | Spring Plate | |
| 6 | H239028605 | Compr. Spring | |
| 7 | H239028606 | Shim | |
| 8 | H239028607 | Shim | |
| 9 | H239028608 | Compr. Spring | |
| 10 | H239028609 | Washer | |
| 11 | H239028610 | O-Ring | |
| 12 | H239028611 | Cover | |
| 13 | H239028612 | Screw | |
| 14 | H239028588 | Seal Collar Nut | |
| 15 | H239028614 | Screw | |
| 16 | H239028545 | Plug Screw | |
| 17 | H239028546 | O-Ring | |
| 18 | H239028617 | Plug Screw | |
| 19 | H239028618 | O-Ring | |
| 20 | H239028619 | Piston | |
| 21 | H239028620 | Spring Plate | |
| 22 | H239028621 | Spring Compr. | |
| 23 | H239028622 | Plug Screw | |
| 24 | H239028623 | O-Ring | |
| 25 | H239028624 | Pin Threaded | |
| 26 | H239028625 | Seal Collar Nut | |
| 27 | H239028626 | Nozzle | |
| 28 | H239028627 | Nozzle | |
| 29 | H239028579 | Plug Screw | |
| 30 | H239028580 | O-Ring | |
| 31 | H239028630 | Sealing Plug | |
| 32 | H239028631 | Check Valve | |
| 33 | H239028632 | Pin Threaded | |
| 34 | H239028633 | Seal Collar Nut | |
| 35 | H239028634 | O-Ring | |
| 36 | H239028635 | O-Ring | |
| 37 | H239028636 | Bolt | |
| 38 | H239028637 | Cyl. Pin | |
| 39 | H239028638 | Cyl. Pin | |
| 40 | H239028639 | Socket Hd. Screw |
Содержащиеся в справочниках-каталогах запасные части и детали не предлагаются к продаже, а носят исключительно информационный характер