Каталог запасных частей к технике: Hidromek HMK 200W. ELECTRIC
1
2
3
4
5
6
7
8
9
10
11
12
13
14
15
16
17
18
19
20
21
22
22-1
22-2
22-3
22-4
22-5
22-6
22-7
22-8
22-9
22-10
22-11
22-12
22-13
22-14
23
24
25
26
27
27
27-1
27-1
27-2
27-3
27-3
27-4
27-5
28
28
29
30
30
31
31
32
32
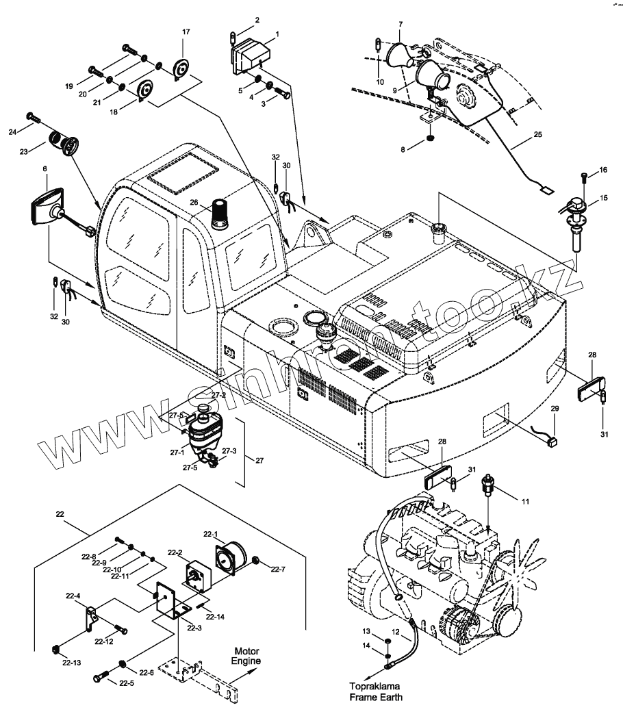
| Позиция на иллюстрации | Заводской номер детали | Название детали | |
|---|---|---|---|
| 1 | H348004001 | Head Lamp | |
| 2 | H348004100 | Bulb | |
| 3 | N01/0222822 | Bolt, Hex. | |
| 4 | N03/1310012 | Washer, Spr. | |
| 5 | N03/0100023 | Washer, Pln. | |
| 6 | H348004001 | Head Lamp | |
| 7 | H348004300 | Work Lamp | |
| 8 | N03/0100017 | Washer, Pln. | |
| 9 | H348004400 | Rubber Housing | |
| 10 | H348004500 | Bulb | |
| 11 | 515/22145 | Sensor, Temperature | |
| 12 | H348001100 | Cable, Engine Earth | |
| 13 | N02/3570206 | Nut, Hex. | |
| 14 | N03/2500014 | Washer,Pln. | |
| 15 | H348003301 | Sensor, Fuel | |
| 16 | N01/5870026 | Bolt, Cylinder Head | |
| 17 | H348002900 | Horn, High | |
| 18 | H348002800 | Horn, Low | |
| 19 | N01/0221478 | Bolt, Hex. | |
| 20 | N03/1310008 | Washer, Spr. | |
| 21 | N03/0100013 | Washer, Pln. | |
| 22 | H348003801 | Step Motor Assy | |
| 22-1 | H348005700 | Step Motor | |
| 22-2 | H348005800 | Ge Box | |
| 22-3 | H348006000 | Bracket | |
| 22-4 | H348005900 | Bracket | |
| 22-5 | N04/4061404 | Bolt | |
| 22-6 | N03/1310007 | Washer, Spr. | |
| 22-7 | N02/3570146 | Nut | |
| 22-8 | N04/4061718 | Bolt, Hex. | |
| 22-9 | N02/3570182 | Nut, Hex. | |
| 22-10 | N03/1310010 | Washer, Spr. | |
| 22-11 | N03/0100017 | Washer, Pln. | |
| 22-12 | N04/4061070 | Bolt | |
| 22-13 | F99/60100 | Knurling Tool | |
| 22-14 | N50/0003025 | Key, Sque | |
| 23 | H348004900 | Socket | |
| 24 | N04/1520950 | Bolt, Countersunk Hd. | |
| 25 | H348000500 | Hness, Work Lamp | |
| 26 | H348005301 | Beacon | |
| 27 | H348009000 | Washer Tank Assy | |
| 27 | H348009001 | Washer Tank Ass'y | |
| 27-1 | F32/21010 | Washer Tank | |
| 27-1 | H348009100 | Washer Tank | |
| 27-2 | H348009200 | Cover | |
| 27-3 | H348009300 | Washer Motor | |
| 27-3 | H348009301 | Washer Motor | |
| 27-4 | H348009400 | Gasket | |
| 27-5 | H348009500 | Sponge | |
| 28 | H238004000 | Stop Lamp | |
| 29 | H238004100 | Plate Lamp | |
| 30 | H238004200 | Signal Lamp | |
| 31 | H238004600 | Bulb | |
| 32 | H238004500 | Bulb, Signal |
Содержащиеся в справочниках-каталогах запасные части и детали не предлагаются к продаже, а носят исключительно информационный характер