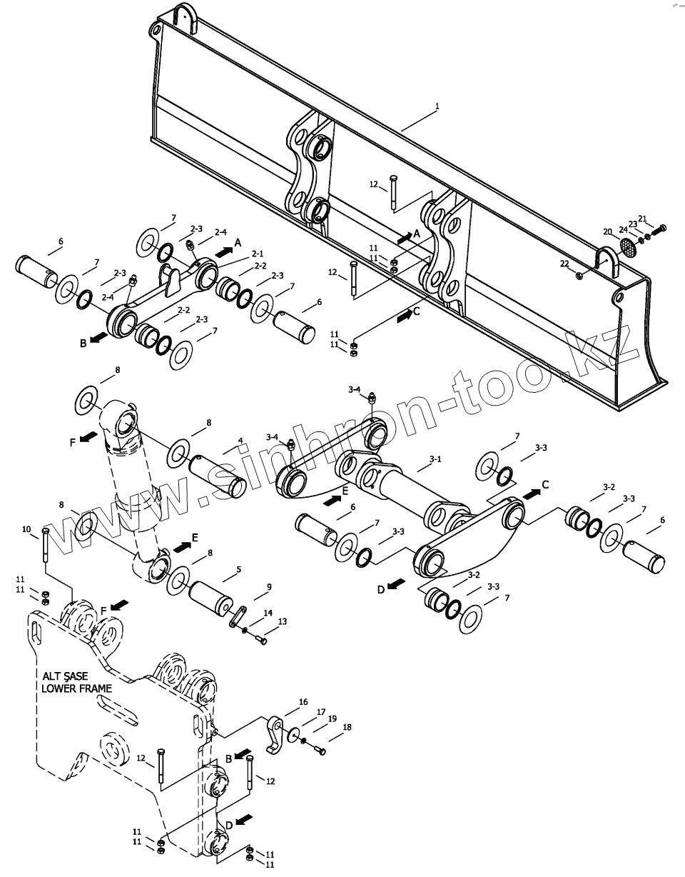
Каталог запасных частей к технике: Hidromek HMK 200W. DOZER BLADE MOUNTING
1
1
2
2
2
2-1
2-1
2-1
2-2
2-2
2-3
2-3
2-3
2-3
2-4
2-4
3
3
3-1
3-1
3-2
3-2
3-3
3-3
3-3
3-3
3-4
3-4
4
5
6
6
6
6
7
7
7
7
7
7
7
7
8
8
8
8
9
10
11
11
11
11
11
11
11
11
11
11
12
12
12
12
13
14
16
17
18
19
20
21
22
23
24
| Позиция на иллюстрации | Заводской номер детали | Название детали | |
|---|---|---|---|
| 1 | H234300100 | Dozer Blade W.A. | |
| 1 | H234300101 | Dozer Blade W.A. | |
| 2 | H234301300 | Upper Link Assy | |
| 2 | H234301301 | Upper Link Assy | |
| 2 | H234301302 | Upper Link Assy | |
| 2-1 | H234301500 | Upper Link W.A. | |
| 2-1 | H234301501 | Upper Link W.A. | |
| 2-1 | H234301502 | Upper Link W.A. | |
| 2-2 | H234302800 | Bushing | |
| 2-3 | N10/5708505 | Seal Dust | |
| 2-4 | N08/1110000 | Grease, Nipple | |
| 3 | H234301400 | Lower Link Assy | |
| 3 | H234301401 | Lower Link Assy | |
| 3-1 | H234301800 | Lower Link W.A. | |
| 3-1 | H234301801 | Lower Link W.A. | |
| 3-2 | H234302800 | Bushing | |
| 3-3 | N10/5708505 | Seal Dust | |
| 3-4 | N08/1110000 | Grease, Nipple | |
| 4 | H234302400 | Pin | |
| 5 | H234302500 | Pin | |
| 6 | H234302600 | Pin | |
| 7 | H345001601 | Shim | |
| 8 | H345002300 | Shim | |
| 9 | H234302700 | Plate, Lock | |
| 10 | N01/0381418 | Bolt, Hex. | |
| 11 | N02/3570314 | Nut, Hex. | |
| 12 | N01/0381406 | Bolt, Hex. | |
| 13 | N01/0232822 | Bolt, Hex. | |
| 14 | N03/1310012 | Washer, Spr. | |
| 16 | H234303201 | Plate, Hook | |
| 17 | H234303300 | Washer, Lock | |
| 18 | N01/0232486 | Bolt, Hex. | |
| 19 | N03/1310011 | Washer, Spr. | |
| 20 | H234106200 | Reflector | |
| 21 | N01/5870314 | Bolt | |
| 22 | N02/3570158 | Nut, Hex. | |
| 23 | N03/1310008 | Washer, Spr. | |
| 24 | N03/0100013 | Washer, Pln. |
Содержащиеся в справочниках-каталогах запасные части и детали не предлагаются к продаже, а носят исключительно информационный характер