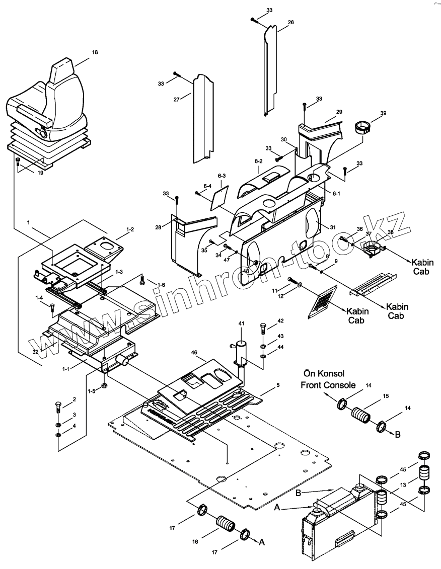
Каталог запасных частей к технике: Hidromek HMK 200W. CAB INTERIOR MOUNTING
1
1
1-1
1-1
1-2
1-3
1-4
1-5
1-6
2
3
4
5
5
6
6
6-1
6-1
6-2
6-3
6-4
8
9
11
12
13
14
14
14
15
15
15
16
16
17
17
18
19
26
27
28
29
30
31
32
32
33
33
33
33
33
33
34
35
36
37
38
39
41
41
42
43
44
45
45
46
47
48
| Позиция на иллюстрации | Заводской номер детали | Название детали | |
|---|---|---|---|
| 1 | H346100604 | Seat Support Assy | |
| 1 | H346100605 | Seat Support Ass'y | |
| 1-1 | H346100703 | Seat Sup. W.A., Bot. | |
| 1-1 | H346100704 | Seat Sup. W.A., Bot. | |
| 1-2 | H346100802 | Seat Sup. W.A., Up | |
| 1-3 | H346100901 | Slide Ass'y | |
| 1-4 | N01/0222162 | Bolt, Hex. | |
| 1-5 | N01/0222186 | Bolt, Hex. | |
| 1-6 | N02/3570182 | Nut, Hex. | |
| 1-7 | N01/0222462 | Bolt, Hex. | |
| 2 | N01/0232858 | Bolt, Hex. | |
| 3 | N03/0100023 | Washer, Pln. | |
| 4 | N03/1310012 | Washer, Spr. | |
| 5 | H236100600 | Floormat | |
| 5 | H236100601 | Floormat | |
| 6 | H346104102 | Heater Cov. Assy, Up | |
| 6 | H346104103 | Heater Cov. Assy, Up | |
| 6-1 | H346104302 | Heater Cover | |
| 6-1 | H346104303 | Heater Cover | |
| 6-2 | H346104802 | Cover | |
| 6-3 | H346104502 | Cover, Fuse Plate | |
| 6-4 | N04/1520914 | Bolt | |
| 8 | N04/1671866 | Screw | |
| 9 | N03/0100011 | Washer, Pln. | |
| 11 | N01/5870170 | Bolt, Cylinder Head | |
| 12 | N03/0100011 | Washer, Pln. | |
| 13 | H346118301 | Hose, Air | |
| 14 | N07/4050070 | Clamp | |
| 14 | N07/4060080 | Clamp | |
| 15 | H346118600 | Hose, Air | |
| 15 | H346118601 | Hose, Air | |
| 15 | H346118602 | Hose, Air | |
| 16 | H346118100 | Hose, Air | |
| 16 | H346118101 | Hose, Air | |
| 17 | N07/4050070 | Clamp | |
| 18 | H346101902 | Seat Ass'y | |
| 19 | N01/5890470 | Bolt, Cylinder Head | |
| 26 | H346120800 | Cover, Air, R/H | |
| 27 | H346120900 | Cover, Air, L/H | |
| 28 | H346120200 | Cover, L/H | |
| 29 | H346120000 | Cover, R/H | |
| 30 | H346120100 | Pocket, Cep | |
| 31 | H346120300 | Heater Cover, Lower | |
| 32 | H346120400 | Cover, Seat Support | |
| 32 | H346120401 | Cover, Seat Support | |
| 33 | N04/9530350 | Bolt | |
| 34 | N01/0221514 | Bolt, Hex. | |
| 35 | N04/3721144 | Screw | |
| 36 | N01/0221478 | Bolt, Hex. | |
| 37 | N03/0100013 | Washer, Pln. | |
| 38 | H346721600 | Ventilation Duct | |
| 39 | H346121400 | Diffuser, Air | |
| 41 | H236120100 | Swing Lock Pin | |
| 41 | H236120101 | Swing Lock Pin | |
| 42 | N01/0222114 | Bolt, Hex. | |
| 43 | N03/0108017 | Washer Pln. | |
| 44 | N03/1310104 | Washer, Spr. | |
| 45 | N07/4000000 | Clamp | |
| 46 | H236100700 | Floormat, Foot | |
| 47 | N03/0020004 | Washer, Pln. | |
| 48 | N02/3560158 | Nut, Hex. |
Содержащиеся в справочниках-каталогах запасные части и детали не предлагаются к продаже, а носят исключительно информационный характер