Вернуться на главную
Поиск
Каталоги запчастей к технике
Спецтехника
Hidromek
HMK 200W
BREAKER MOUNTING
Каталог запасных частей к технике: Hidromek HMK 200W. BREAKER MOUNTING
zoom-in
zoom-out
enlarge
shrink
circle-right
circle-left
file-text2
info
cart
Тип техники
Не выбрано
Легковые автомобили
Грузовые автомобили и прицепы
Автобусы
Сельхозтехника
Спецтехника
Двигатели
Мототехника
Марка
Не выбрано
Ammann
BOMAG
CARMIX
CASE IH
Changlin
ChengGong
Dimex
Doosan
DYNAPAC
Foton
HAMM
Hidromek
Hitachi
Hyundai
JCB
JLG
John Deere
Komatsu
LIEBHERR
LiuGong
Lonking (LongGong)
Luneng
MANITOU
Mitsuber
New Holland
PENGPU
RM-Terex
SANY
SDLG
SEM
Shantui
Shehwa HBXG
Soosan
TIGARBO
VOGELE
Volvo
WAY
WIRTGEN
XCMG
XGMA
Xiamen
YTO
Yuchai
Zoomlion
Автокран
АЗСМ
Алтайлесмаш
Амкодор
АОМЗ
Атек
АТЗ
Балканкар Рекорд
БелАЗ
Беловеж
Борекс
Брянский Арсенал
Булат
ВЭКС
ГАЗ
Геомаш
Гидромаш
Донекс
Дормаш
Дормашина
Дорэлектромаш
ДЭЗ
ЕлАЗ
ЗЗГТ
Ижнефтемаш
Канаш-электрокар
КЗКТ
ККЗ
Клевер
Клинцовский автокрановый завод
КМЗ
КМЗ 1 Мая
Ковровец
Коммаш
Кранэкс
КЭЗ
КЭМЗ
ЛЗА
МАЗ
МЗИК
МЗКМ
МЗКТ
Михневский РМЗ
МоАЗ
Мозырский МЗ
МТЗ
ОЗП
Онежец
ПАО "ТЗА"
ППС Детва
Промтрактор
ПТЗ
Раскат
СпецАгрегат
ТВЭКС
ТТМ
УВЗ
Угличмаш
УЗТМ
ХТЗ
ЧЗКМ
ЧСДМ
ЧТЗ
ЭКСКО
ЭКСМАШ
ЮрМаш
Модель
Не выбрано
102B Maestro-ZF (2012)
102S MAESTRO (2012)
HMK 102B (2005)
HMK 102B ALPHA (2017)
HMK 102S (2005)
HMK 102S ALPHA (2017)
HMK 200W (2005)
HMK 220LC-2 (2006)
HMK 230LC3 (2019)
HMK 300LC (2019)
HMK 62SS
Схема
>
Не выбрано
BREAKER PIPING MOUNTING
BREAKER PIPING MOUNTING
QUICK COUPLING ASSEMBLY
QUICK COUPLING MOUNTING
QUICK COUPLING CYLINDER
BREAKER MOUNTING
DITCH CLEANING BUCKET MOUNTING
TRAPEZOIDAL BUCKET MOUNTING
COWLING MOUNTING
COWLING MOUNTING
COWLING MOUNTING
COWLING MOUNTING
COWLING MOUNTING
COWLING MOUNTING
UPPER FRAME MOUNTING
ACCUMULATOR BOX MOUNTING
ANTI-SLIP WALKWAY
ENGINE MOUNTING
DATA PLATE
CYLINDER BLOCK
CYLINDER HEAD
CYLINDER BLOCK COVER
ROCKER LEVERS
CRANKSHAFT AND MAIN BEARING
CAMSHAFT
FRONT GEAR COVER AND VALVE TAPPET
FRONT GEAR TRAIN ACCESSORY
CAM FOLLOWER COVER
CONNECTING ROD AND PISTON
VIBRATION DAMPER AND FAN DRIVE MOUNTING
ACCESSORY AND FAN DRIVE PULLEYS
FAN PILOT SPACER
ALTERNATOR
BOSCH INJECTION PUMP
INJECTOR
FUEL PLUMBING
FUEL SYSTEM ACCESSORIES
FUEL FILTER AND PLUMBING
FUEL SHUTOFF VALVE
FUEL PUMP COUPLING
THERMOSTAT-OIL PRESSURE SWITCH - SPEED SENSOR
THERMOSTAT HOUSING
TURBOCHARGER
TURBOCHARGER MOUNTING AND PLUMBING
TURBOCHARGER LOCATION
EXHAUST CONNECTION
EXHAUST MANIFOLD
ENGINE VENT PLUMBING
STARTING MOTOR MOUNTING
LUBE OIL PUMP
OIL PAN
OIL LEVEL GAUGE
LUBE OIL COOLER
LIFTING BRACKET
AIR FUEL CONTROL PLUMBING
AIR HEATER AND FUEL DRAIN LOCATION
AFTERCOOLER PLUMBING
MECHANICAL TACHOMETER DRIVE
FLYWHEEL
FLYWHEEL HOUSING
VALVE COVER
WATER PUMP
WATER INLET CONNECTION
COUPLING ASSEMBLY
AIR INTAKE MOUNTING
EXHAUST MOUNTING
COOLING SYSTEM
FUEL TANK MOUNTING AND FUEL LINE
ENGINE CONTROL MOUNTING
AIRCONDITION MOUNTING
AIRCONDITION MOUNTING
HEATER MOUNTING
HEATER MOUNTING
MAIN PIPING MOUNTING L/H
MAIN PIPING MOUNTING R/H
HYDRAULIC PUMP
GEAR PUMP
PROPORTIONAL REDUCING VALVE
PUMP-REGULATOR
MCV
MCV
MCV
MCV
HYDRAULIC OIL MOTOR-SWING UNIT
REDUCTION GEAR-SWING UNIT
LOWER FRAME HYDRAULIC MOUNTING
LOWER FRAME HYDRAULIC MOUNTING
LOWER FRAME HYDRAULIC MOUNTING
LOWER FRAME HYDRAULIC MOUNTING
LOWER FRAME HYDRAULIC MOUNTING
TURNING JOINT
INPUT HOUSING -TRANSMISSION
INPUT -TRANSMISSION
HOUSING -TRANSMISSION
OIL PIPE -TRANSMISSION
COUPLING -TRANSMISSION
M-DISC BRAKE -TRANSMISSION
PLANETARY DRIVE -TRANSMISSION
DISCONNECTION -TRANSMISSION
SPUR GEAR DRIVE -TRANSMISSION
GEAR SHIFT SENSOR -TRANSMISSION
OUTPUT -TRANSMISSION
REGULATING MOTOR
REGULATING MOTOR
REGULATING MOTOR
OUTRIGGER CYLINDER
OUTRIGGER CYLINDER
DOZER BLADE CYLINDER
DOZER BLADE CYLINDER
PILOT PIPING MOUNTING
PILOT PIPING MOUNTING
REMOTE CONTROL VALVE (RH/LH)
DOZER-OUTRIGGER JOISTIC
ATTACHMENT PIPING
BOOM CYLINDER (R/L)
BUCKET CYLINDER
ARM CYLINDER
HYDRAULIC TANK MOUNTING
POWER TRAIN HYDRAULIC MOUNTING
POWER TRAIN HYDRAULIC MOUNTING
POWER TRAIN HYDRAULIC MOUNTING
POWER TRAIN HYDRAULIC MOUNTING
POWER TRAIN HYDRAULIC MOUNTING
POWER TRAIN HYDRAULIC MOUNTING
POWER TRAIN HYDRAULIC MOUNTING
POWER TRAIN HYDRAULIC MOUNTING
FOOT BRAKE VALVE
PILOT VALVE ASSEMBLY
UPPER DRAIN PIPING MOUNTING
LOWER FRAME MOUNTING
DOZER BLADE MOUNTING
DOZER BLADE MOUNTING
OUTRIGGER MOUNTING
POWER TRAINING MOUNTING
DIFFERENTIAL-FRONT AXLE
AXLE CASING-FRONT AXLE
KNUCKLE - FRONT AXLE
KNUCKLE - FRONT AXLE
DRIVE ASSEMBLY - FRONT AXLE
BRAKE PISTON - FRONT AXLE
DIFFERENTIAL - REAR AXLE
AXLE CASING - REAR AXLE
DRIVE ASSEMBLY - REAR AXLE
BRAKE PISTON - REAR AXLE
BOOM MOUNTING
ARM MOUNTING
WORKING ATTACHMENT CONTROL
GENERAL PURPOSE BUCKET
HEAVY DUTY BUCKET
LUBRICATION PIPING MOUNTING
CAB MOUNTING
CAB
CAB
CAB
CAB
CONSOLE BOX (R/H)
CONSOLE BOX (L/H)
CAB INTERIOR MOUNTING
CAB INTERIOR MOUNTING
CAB INTERIOR MOUNTING
DECAL MOUNTING (ENGLISH)
ELECTRIC
ELECTRIC
ELECTRIC
MAIN HARNESS
ENGINE HARNESS
CAB HARNESS
H340120100
H340125000
1
1
2
2
3
4
5
8
9
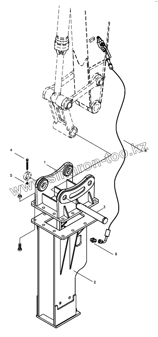
Позиция на иллюстрации
Заводской номер детали
Название детали
H340120100
H340120100
Breaker Mount.
H340125000
H340125000
Breaker Mount.
1
H340120200
Bulk Cap
1
H340125100
Bulk Cap
2
F45/04180
Breaker
2
F45/04220
Breaker
3
H345303301
Pin
4
N01/0381418
Bolt, Hex.
5
N02/3570314
Nut, Hex.
8
99P175644
Hose
9
N16/K130129
Connector
10
H340122000
Connector
Содержащиеся в справочниках-каталогах запасные части и детали не предлагаются к продаже, а носят исключительно информационный характер
Дополнительная информация
×
Название:
Номер:
Примечание: