Вернуться на главную
Поиск
Каталоги запчастей к технике
Спецтехника
Hidromek
HMK 102S ALPHA
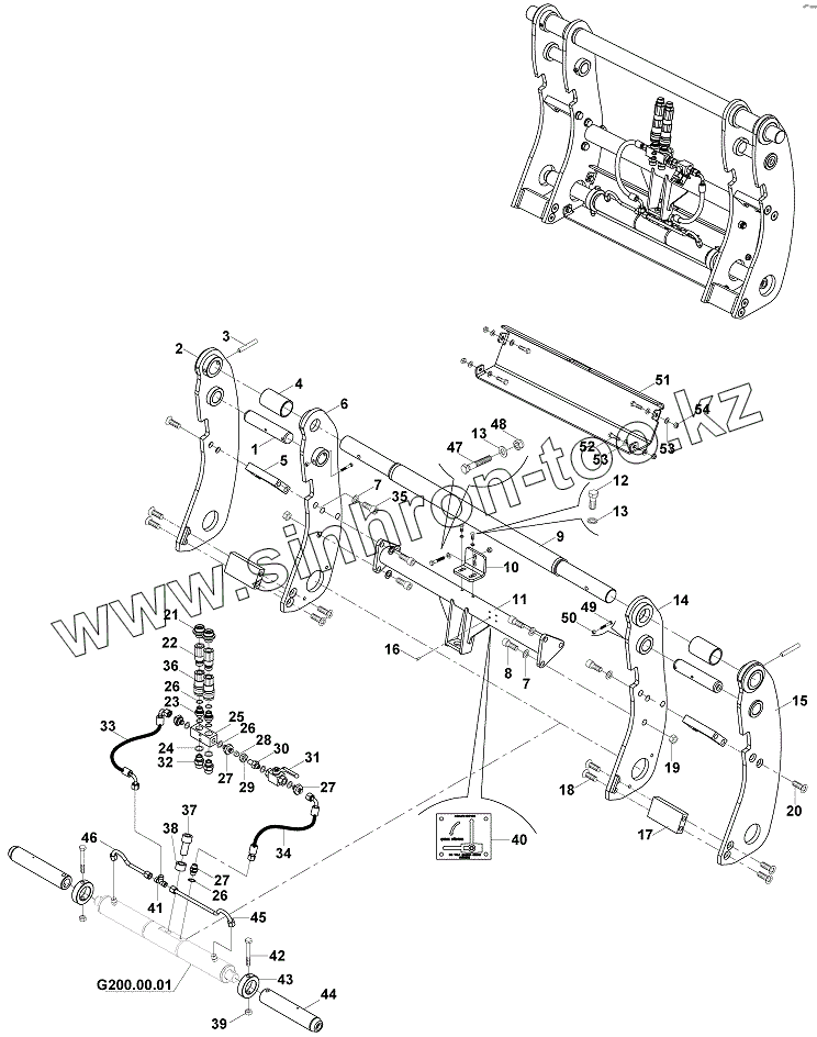
QUICK COUPLER (LOADER) (OP)
Каталог запасных частей к технике: Hidromek HMK 102S ALPHA. QUICK COUPLER (LOADER) (OP)
zoom-in
zoom-out
enlarge
shrink
circle-right
circle-left
file-text2
info
cart
Тип техники
Не выбрано
Легковые автомобили
Грузовые автомобили и прицепы
Автобусы
Сельхозтехника
Спецтехника
Двигатели
Мототехника
Марка
Не выбрано
Ammann
BOMAG
CARMIX
CASE IH
Changlin
ChengGong
Dimex
Doosan
DYNAPAC
Foton
HAMM
Hidromek
Hitachi
Hyundai
JCB
JLG
John Deere
Komatsu
LIEBHERR
LiuGong
Lonking (LongGong)
Luneng
MANITOU
Mitsuber
New Holland
PENGPU
RM-Terex
SANY
SDLG
SEM
Shantui
Shehwa HBXG
Soosan
TIGARBO
VOGELE
Volvo
WAY
WIRTGEN
XCMG
XGMA
Xiamen
YTO
Yuchai
Zoomlion
Автокран
АЗСМ
Алтайлесмаш
Амкодор
АОМЗ
Атек
АТЗ
Балканкар Рекорд
БелАЗ
Беловеж
Борекс
Брянский Арсенал
Булат
ВЭКС
ГАЗ
Геомаш
Гидромаш
Донекс
Дормаш
Дормашина
Дорэлектромаш
ДЭЗ
ЕлАЗ
ЗЗГТ
Ижнефтемаш
Канаш-электрокар
КЗКТ
ККЗ
Клевер
Клинцовский автокрановый завод
КМЗ
КМЗ 1 Мая
Ковровец
Коммаш
Кранэкс
КЭЗ
КЭМЗ
ЛЗА
МАЗ
МЗИК
МЗКМ
МЗКТ
Михневский РМЗ
МоАЗ
Мозырский МЗ
МТЗ
ОЗП
Онежец
ПАО "ТЗА"
ППС Детва
Промтрактор
ПТЗ
Раскат
СпецАгрегат
ТВЭКС
ТТМ
УВЗ
Угличмаш
УЗТМ
ХТЗ
ЧЗКМ
ЧСДМ
ЧТЗ
ЭКСКО
ЭКСМАШ
ЮрМаш
Модель
Не выбрано
102B Maestro-ZF (2012)
102S MAESTRO (2012)
HMK 102B (2005)
HMK 102B ALPHA (2017)
HMK 102S (2005)
HMK 102S ALPHA (2017)
HMK 200W (2005)
HMK 220LC-2 (2006)
HMK 230LC3 (2019)
HMK 300LC (2019)
HMK 62SS
Схема
>
Не выбрано
ENGINE & TRANSMISSION MOUNTING (STANDARD)
ENGINE & TRANSMISSION MOUNTING (LUCK-UP)
ENGINE CONTROL SYSTEM
AIR INTAKE SYSTEM
AIR INTAKE SYSTEM (OP)
EXHAUST MOUNTING
ENGINE COOLING MOUNTING
ENGINE COOLING MOUNTING
RADIATOR ASSEMBLY
FUEL SYSTEM
HEATING VENTING SYSTEM
HEATER UNIT
HEATING VENTING AIR CONDITIONING SYSTEM
AIR CONDITIONER UNIT
A/C UNIT ASS'Y
CHASSIS
STABILIZER, SIDESHIFT
POWER SLIDER (OP)
STABILIZER PADS
KINGPOST CARRIAGE
KINGPOST CARRIAGE (WITH POWER SLIDER)
KINGPOST
BOOM LOCK AND MECHANISM
BONNET-PANEL-FRONT GRILL-SIDE COVER MOUNTING
FENDERS, FRONT
FENDER, REAR
CAB & CAB MOUNTING
DOOR AND WINDOW, RH
DOOR AND WINDOW, RH
DOOR AND WINDOW, LH
DOOR AND WINDOW, LH
WINDOWS, FRONT - REAR
CAB ACCESSORIES
CAB (LEVERS MECHANISM)
CAB (JOYSTICK MECHANISM) (OP)
CONSOLE, FRONT
CONSOLE, LH
CONSOLE, LH
CONSOLE, RH
CONSOLE, RH
JOYSTICK MECHANISM, RH
JOYSTICK MECHANISM, RH
JOYSTICK MECHANISM, LH
JOYSTICK MECHANISM, LH
STEERING COLUMN ASSEMBLY
OPERATOR SEAT ASSEMBLY
OPERATOR SEAT ASSEMBLY (WITH AIR SUSPENSION)
OPERATOR SEAT MOUNTING
OPERATOR SEAT MOUNTING (WITH AIR SUSPENSION)
LOADER ARM MOUNTING (1)
LOADER ARM MOUNTING (2)
LOADER ARM MOUNTING (3)
MULTIPORPUSE BUCKET, LOADER (1.1 m3)
MULTIPORPUSE BUCKET, LOADER (1.1 m3)
CUTTING EDGE, MULTIPORPUSE BUCKET (OP)
MULTIPURPOSE BUCKET, LOADER (1.3 m3) (OP)
MULTIPURPOSE BUCKET, LOADER (1.3 m3) (OP)
MULTIPURPOSE BUCKET, LOADER(WITH QUICK COUPLER)(OP)
MULTIPORPUSE BUCKET, LOADER (1 m3) (OP)
MULTIPORPUSE BUCKET, LOADER (1 m3) (OP)
MULTIPORPUSE BUCKET, LOADER (1,2 m3) (OP)
MULTIPORPUSE BUCKET, LOADER (1,2 m3) (OP)
GRAPPLE BUCKET (OP)
MULTIPORPUSE BUCKET (OP)
SHOVEL (1.2 m3) (OP)
CUTTING EDGE, SHOVEL (OP)
SHOVEL (1.5 m3) (OP)
CONNECTION MOUNTING, LOADER (NO BUCKET) (OP)
SHOVEL (OP)
SHOVEL (1.2 m3) (WITH QUICK COUPLER) (OP)
SHOVEL (1.5 m3) (WITH QUICK COUPLER) (OP)
LEVELLING BLADE (716x2800) (OP)
LEVELLING BLADE (900x2800) (OP)
LEVELLING BLADE WITH QUICK COUPLER (716x2800)(OP)
ADAPTER, QUICK COUPLER (LEVELLING BLADE) (OP)
LEVELLING BLADE WITH QUICK COUPLER(900x 2800)(OP)
LEVELLING BLADE (DOUBLE AXIS) (OP)
LOG GRAPPLE (2+1 CLAMP) (OP)
ADAPTER, QUICK COUPLER (LOG GRAPPLE) (OP)
LOG GRAPPLE, (WITH VERTICAL MOVEMENT O200mm) (OP)
LOG GRAPPLE (WITH VERTICAL MOVEMENT O500mm) (OP)
LOG GRAPPLE (3+2 CLAMP) (OP)
LOG GRAPPLE (WITH VERTICAL MOVEMENT, 3+2 CLAMP) (OP)
BALE GRAPPLE (WITH VERTICAL MOVEMENT, 4+3 CLAMP) (OP)
FORKLIFT (MULTIPURPOSE BUCKET) (OP)
FORKLIFT (MULTIPURPOSE BUCKET) (OP)
FORKLIFT (SHOVEL 1.2 m3) (OP)
FORKLIFT (SHOVEL 1.5 m3) (OP)
FORKLIFT (WITH QUICK COUPLER) (OP)
QUICK COUPLER (LOADER) (OP)
BOOM MOUNTING
ARM MOUNTING
TELESCOPIC ARM MOUNTING (OP)
TELESCOPIC ARM MOUNTING (AUGER/TILTING BUCKET)(OP)
BUCKET LINKAGE
BUCKET, BACKHOE (300 mm) (OP)
BUCKET, BACKHOE (350 mm) (OP)
BUCKET, BACKHOE (400 mm) (OP)
BUCKET, BACKHOE (500 mm) (OP)
BUCKET, BACKHOE (600 mm) (OP)
BUCKET, BACKHOE (700 mm) (OP)
BUCKET, BACKHOE (800 mm) (OP)
BUCKET, BACKHOE (900 mm) (OP)
CONNECTION MOUNTING, BACKHOE (NO BUCKET) (OP)
BUCKET, BACKHOE (1500 mm)
SKELETON BUCKET (OP)
TILTING BUCKET (OP)
BUCKET, BACKHOE (TRAPEZE) (OP)
QUICK COUPLER, BACKHOE (OP)
BREAKER MOUNTING (MONTABERT- SC 36) (OP)
BREAKER ASSEMBLY (MONTABERT- SC 36) (OP)
BREAKER MOUNTING (MONTABERT- SC 28) (OP)
BREAKER ASSEMBLY (MONTABERT- SC 28) (OP)
BREAKER MOUNTING (DEMO DMB50) (OP)
BREAKER ASSEMBLY (DEMO DMB50) (OP)
BREAKER MOUNTING (DEMO DMB70) (OP)
BREAKER ASSEMBLY (DEMO DMB70) (OP)
BREAKER MOUNTING (LIFTON LH 360) (OP)
BREAKER ASSEMBLY (LIFTON LH 360) (OP)
BREAKER MOUNTING (TOKU) (OP)
BREAKER ASSEMBLY (TOKU) (OP)
BREAKER MOUNTING (MONTABERT-HKR 140) (OP)
BREAKER ASSEMBLY (MONTABERT- HKR 140) (OP)
BREAKER MOUNTING (MONTABERT- 95) (OP)
BREAKER ASSEMBLY (MONTABERT- 95) (OP)
BREAKER MOUNTING (DEMO S700V) (OP)
BREAKER ASSEMBLY (DEMO S700V) (OP)
AUGER (O350x1000) (OP)
AUGER (O500x1300) (OP)
AUGER (O610x1600) (OP)
RIPPER (OP)
ADAPTER, QUICK COUPLER (GRAPPLE) (OP)
GRAPPLE (OP)
TOW HOOK (MECHANICAL) (OP)
POWER TRAIN MOUNTING
POWER TRAIN MOUNTING
WHELL & TIRE GROUP, FRONT
WHELL & TIRE GROUP
FRONT AXLE
FRONT AXLE, BEVEL GEAR SET - CR (TURNER)
FRONT AXLE, INPUT FLANGE - CR (TURNER)
FRONT AXLE, DIFFERENTIAL - CR (TURNER)
FRONT AXLE, AXLE CASING PARTS - CR (TURNER)
FRONT AXLE, HUB
FRONT AXLE, FINAL REDUCTION
FRONT AXLE, STEERING CYLINDER- CR (TURNER)
REAR AKS - CR (TURNER)
REAR AXLE, BEVEL GEAR SET - CR (TURNER)
REAR AXLE, INPUT FLANGE - CR (TURNER)
REAR AXLE, DIFFERENTIAL - CR (TURNER)
REAR AXLE, HALF-SHAFTS AND BRAKES - CR (TURNER)
REAR AXLE, AXLE HOUSING - CR (TURNER)
REAR AXLE, WHEEL HUB - CR (TURNER)
REAR AXLE, BRAKE CALIPER - CR (TURNER)
REAR AXLE, FINAL REDUCTION - CR (TURNER)
REAR AXLE, SWIVEL HOUSING AND STEERING CYLINDER - CR (TURNER)
REAR AXLE, DIFFERENTIAL LOCKING - CR (TURNER)
TRANSMISSION (STANDARD)
TRANSMISSION, TORGUE CONVERTER ARRANGMENT (STANDARD)
TRANSMISSION, PUMP GROUP
TRANSMISSION, FRONT CASING AND ANCILLIARIES (STANDARD)
TRANSMISSION, VALVE GROUP
TRANSMISSION, REAR CASING AND ANCILLIARIES (STANDARD)
TRANSMISSION, CLUTCH GROUP
TRANSMISSION, SHAFT GROUP - MAIN (STANDARD)
TRANSMISSION, SHAFT GROUP IDLER
TRANSMISSION, SHAFT GROUP INPUT (STANDARD)
TRANSMISSION, SHAFT GROUP PTO (STANDARD)
TRANSMISSION, SHAFT GROUP COUNTER (STANDARD)
TRANSMISSION (LUCK-UP)
TRANSMISSION, TORGUE CONVERTER ARRANGMENT (LUCK-UP)
TRANSMISSION, PUMP GROUP (LUCK- UP)
TRANSMISSION, FRONT CASING AND ANCILLIARIES (LUCK-UP)
TRANSMISSION, VALVE GROUP (LUCK- UP)
TRANSMISSION, REAR CASING AND ANCILLIARIES (LUCK-UP)
TRANSMISSION, CLUTCH GROUP (LUCK- UP)
TRANSMISSION, SHAFT GROUP - MAIN (LUCK-UP)
TRANSMISSION, SHAFT GROUP IDLER
TRANSMISSION, SHAFT GROUP INPUT (LUCK-UP)
TRANSMISSION, SHAFT GROUP PTO (LUCK-UP)
TRANSMISSION, SHAFT GROUP COUNTER (LUCK-UP)
PARKING BRAKE
HYDRAULIC TANK MOUNTING (VERSION 2)
LOADER CONTROL MECHANISM (MULTIPURPOSE BUCKET & LEVERS) (TYPE A)
LOADER CONTROL MECHANISM (MULTIPURPOSE BUCKET & LEVERS) (TYPE A)
LOADER CONTROL&MECHANISM(SHOVEL & LEVERS) (TYPE A)
LOADER CONTROL MECHANISM (MULTIPURPOSE BUCKET & JOYSTICK) (TYPE A)
LOADER CONTROL MECHANISM (SHOVEL & JOYSTICK) (TYPE A)
LOADER CONTROL MECHANISM (SHOVEL & JOYSTICK) (TYPE A)
BACKHOE CONTROL & MECHANISM (TYPE A)
BACKHOE CONTROL & MECHANISM (TYPE A)
BACKHOE CONTROL & MECHANISM (X- DIAGONAL) (TYPE A)
BACKHOE CONTROL & MECHANISM (X- DIAGONAL) (TYPE A)
ADDITONAL ATTACHMENT PEDAL MOUNTING (TYPE A)
ADDITONAL ATTACHMENT PEDAL MOUNTING (TYPE A)
HYDRAULIC PIPING, MAIN (STD. ARM & MULRIPURPOSE BUCKET & GEAR PUMP) (TYPE A)
HYDRAULIC PIPING, MAIN (STD. ARM & MULRIPURPOSE BUCKET & GEAR PUMP) (TYPE A)
HYDRAULIC PIPING, MAIN (STD. ARM & MULRIPURPOSE BUCKET & GEAR PUMP) (TYPE A)
HYDRAULIC PIPING, MAIN (STD. ARM & MULRIPURPOSE BUCKET & GEAR PUMP) (TYPE A)
HYDRAULIC PIPING, MAIN (STD. ARM & SHOVEL & GEAR PUMP) (TYPE A)
HYDRAULIC PIPING, MAIN (STD. ARM & SHOVEL & GEAR PUMP) (TYPE A)
HYDRAULIC PIPING, MAIN (STD. ARM & SHOVEL & GEAR PUMP) (TYPE A)
HYDRAULIC PIPING, MAIN (STD. ARM & SHOVEL & GEAR PUMP) (TYPE A)
HYD. PIPING MAIN (TELESCOPIC & MULRIPURPOSE BUCKET & GEAR PUMP) (TYPE A)
HYD. PIPING MAIN (TELESCOPIC & MULRIPURPOSE BUCKET & GEAR PUMP) (TYPE A)
HYD. PIPING MAIN (TELESCOPIC & MULRIPURPOSE BUCKET & GEAR PUMP) (TYPE A)
HYD. PIPING MAIN (TELESCOPIC & MULRIPURPOSE BUCKET & GEAR PUMP) (TYPE A)
HYD. PIPING MAIN (TELESCOPIC & SHOVEL & GEAR PUMP) (TYPE A)
HYD. PIPING MAIN (TELESCOPIC & SHOVEL & GEAR PUMP) (TYPE A)
HYD. PIPING MAIN (TELESCOPIC & SHOVEL & GEAR PUMP) (TYPE A)
HYD. PIPING MAIN (TELESCOPIC & SHOVEL & GEAR PUMP) (TYPE A)
HYDRAULIC PIPING, PILOT (TYPE A)
HYDRAULIC PIPING, PILOT (TYPE A)
HYDRAULIC PIPING, PILOT (LEFT HAND) (TYPE A)
PATTERN SHIFTER (TYPE A)
LOADER HYDRAULIC PIPING (SHOVEL) (TYPE A) (OP)
LOADER HYDRAULIC PIPING (MULTIPURPOSE BUCKET) (TYPE A)
LOADER HYDRAULIC PIPING, LIFT CYLINDER, WITH PROTECTION VALVE
LOADER HYD. PIPING, BUCKET CYLINDER
LOADER HYDRAULIC PIPING, MSS
HOSE HOLDER SET (STD. ARM)
HOSE HOLDER SET (STD. ARM)
HOSE HOLDER SET (TELESCOPIC ARM)
HOSE HOLDER SET (TELESCOPIC ARM)
HYDRAULIC PIPING, STABILIZER CYLINDER (TYPE A)
HYD. PIPING, STABILIZER CYLINDER (WITH SAFETY LOCKING VALVE) (OP)
HYDRAULIC PIPING, HYDROCLAMP (TYPE A)
HYDRAULIC PIPING, SWING CYLINDER (TYPE A)
BACKHOE HYDRAULIC PIPING, BOOM CYLINDER (TYPE A)
BACKHOE HYD. PIPING, BOOM CYLINDER (WITH SAFETY LOCK VALVE) (OP)
BACKHOE HYDRAULIC PIPING, ARM CYLINDER (TYPE A)
BACKHOE HYD. PIPING, ARM CYLINDER (WITH SAFETY LOCK VALVE) (OP)
BACKHOE HYDRAULIC PIPING, BUCKET CYLINDER (TYPE A)
BACKHOE HYDRAULIC PIPING, BUCKET CYLINDER (TYPE A)
BACKHOE HYD. PIPING, BUCKET CYLINDER (TELESCOPIC) (TYPE A) (OP)
BACKHOE HYD. PIPING, BUCKET CYLINDER (TELESCOPIC) (TYPE A) (OP)
SINGLE ACTING HYDRAULIC PIPING (BREAKER & STD. ARM) (TYPE A)
SINGLE ACTING HYDRAULIC PIPING (BREAKER & STD. ARM) (TYPE A)
SINGLE ACTING HYDRAULIC PIPING (BREAKER & TELESCOPIC)(TYPE A)
SINGLE ACTING HYDRAULIC PIPING (BREAKER & TELESCOPIC)(TYPE A)
DOUBLE ACTING HYD.PIPING,STD ARM(AUGER/TILTING BUCKET,BREAKER)(TYPE A)(OP)
DOUBLE ACTING HYD.PIPING,STD ARM(AUGER/TILTING BUCKET,BREAKER)(TYPE A)(OP)
DOUBLE ACTING HYD.PIPING,TELESCOPIC,LV(AUGER/TILTING BUCKET,BREAKER)(TYPE A)(OP)
DOUBLE ACTING HYD.PIPING,TELESCOPIC,LV(AUGER/TILTING BUCKET,BREAKER)(TYPE A)(OP)
DOUBLE ACTING HYD.PIPING,TELESCOPIC,JY(AUGER/TILTING BUCKET,BREAKER)(TYPE A)(OP)
DOUBLE ACTING HYD.PIPING,TELESCOPIC,JY(AUGER/TILTING BUCKET,BREAKER)(TYPE A)(OP)
HYDRAULIC, HAND BREAKER (TYPE A) (OP)
HYDRAULIC PIPING, DIFFERENTIAL LOCK
POWER SLIDER HYDRAULIC (OP)
GEAR PUMP
GEAR PUMP
GEAR PUMP
LOADER CONTROL VALVE, MULTIPURPOSE BUCKET (PROPORTIONAL) (TYPE A)
LOADER CONTROL VALVE, GP BUCKET (TYPE A)
BACKHOE CONTROL VALVE, MECHANIC (TYPE A)
BACKHOE CONTROL VALVE, MECHANIC (TYPE A)
BACKHOE CONTROL VALVE (LEVER & X- DIAGONAL) (TYPE A)
BACKHOE CONTROL VALVE, JOYSTICK (TYPE A)
BACKHOE CONTROL VALVE, JOYSTICK (TYPE A)
ADDITIONAL ATTACHMENT CONTROL VALVE (TYPE A)
ADDITIONAL ATTACHMENT CONTROL VALVE (TYPE A)
REMOTE CONTROL VALVE, RH
REMOTE CONTROL VALVE, LEFT
LIFT CYLINDER, LOADER
BUCKET CYLINDER, LOADER, RH
BUCKET CYLINDER, LOADER, LH
MULTIPURPOSE BUCKET CYLINDER
MULTIPURPOSE BUCKET CYLINDER
STABILIZER CYLINDER, RH
STABILIZER CYLINDER, LH
SWING CYLINDER
BOOM CYLINDER, BACKHOE
BOOM CYLINDER, BACKHOE
ARM CYLINDER, BACKHOE
ARM CYLINDER, BACKHOE
BUCKET CYLINDER, BACKHOE
BUCKET CYLINDER, BACKHOE, TELESCOPIC
TELESCOPIC CYLINDER, BACKHOE
QUICK COUPLER CYLINDER, LOADER
LEVELLING BLADE CYLINDER
LEVELLING BLADE CYLINDER (DOUBLE AXIS) RH
LEVELLING BLADE CYLINDER (DOUBLE AXIS) LH
LEVELLING BLADE CYLINDER (DOUBLE AXIS) CENTER
LOG GRAPPLE CYLINDER
LOG GRAPPLE CYLINDER (WITH VERTICAL MOVEMENT)
TILTING BUCKET CYLINDER
BOOM LOCKING CYLINDER (OP)
ARM CYLINDER, BACKHOE (WITH SAFETY LOCK VALVE) (OP)
ARM CYLINDER, BACKHOE (WITH SAFETY LOCK VALVE) (OP)
POWER SLIDER CYLINDER, OUTER (OP)
POWER SLIDER CYLINDER, INNER (OP)
PILOT SUPPLY BLOCK (WITH PROPORTIONAL VALVE)
MSS, VALVE
VALVE, PATTERN SHIFTER
RAM, GRAPPLE BUCKET
RAM, GRAPPLE
MULTIPURPOSE BUCKET CYLINDER
HYDRAULIC PIPING, STEERING (GEAR PUMP)
HYDRAULIC PIPING, STEERING (GEAR PUMP)
COMBINATION VALVE
COMBINATION VALVE
HYDRAULIC PIPING, BRAKE (GEAR PUMP)
CAB ELECTRIC (1)
CAB ELECTRIC (2)
CAB ELECTRIC (2)
CAB ELECTRIC (3)
CAB ELECTRIC (4)
CAB ELECTRIC (5)
CAB ELECTRIC (6)
CAB ELECTRIC (7)
CAB ELECTRIC (8)
ELECTRIC (1)
ELECTRIC (1)
LEVELLING BLADE,(WITH TWO AXIS TURN) HARNESS (OP)
COMPRESSOR & HARNESS
SMARTLINK (GEAR PUMP)
DECALS, WARNING
DECAL AND PLATES (1)
DECAL AND PLATES, TR (2)
DECAL AND PLATES, EN (2)
DECAL AND PLATES, FR (2)
DECAL AND PLATES ES (2)
DECAL AND PLATES, RUS (2)
DECAL AND PLATES, POR (2)
DECAL AND PLATES, BUL (2)
DECAL AND PLATES (RUMANIAN) (2)
DECAL AND PLATES, BREAKER
TOOL KIT
ENGINE, PERKINS 1104D-44TA
CYLINDER HEAD COVER
CAM SHAFT
ROCKER ASSEMBLY
PISTONS & RINGS
FLYWHEEL
FLYWHEEL HOUSING
CRANKSHAFT MAIN & BIG END BEARINGS
CYLINDER HEAD ASSY
CYLINDER BLOCK &LINERS
CONNECTING RODS
REAR END OIL SEAL
BLANKING PLATES
FRONT END DRIVE INPUT
TIMING CASE (1)
TIMING CASE (2)
TIMING COVER (3)
DRIVE ADAPTOR
BLANKING PLUGS
INDUCTION MANIFOLD
ENGINE LIFTING EYES
MISCALLANEOUS & AUXILIARIES
BLANKING PLATES
SUMP
DIPSTICK & FILLER TUBE
OIL STRAINER
FILLER
OIL COOLER
OIL FILTER
REMOTE LUBRICATING OIL FILTER
LUBRICATING OIL PUMP & DELIVERY HOUSING
FEED PIPES
LEAK-OFF PIPES
BREATHER
FAN DRIVE
WATER PUMP
PIPES
WATER OUTLET HOUSING
FUEL INJECTION PUMP
HIGH PRESSURE FUEL PIPES
ATOMISERS
FUEL LEAK-OFF PIPE
LIFT PUMP
LIFT PUMP
INJECTION PUMP TO FILTER PIPE
BOOST CONTROL PIPE
FUEL FILTER
PICK-UP SENSOR
PICK-UP SENSOR
STARTER MOTOR
ALTERNATOR
ALTERNATOR BRACKET & FIXINGS
PULLEYS
HEATER PLUGS
LUBRICATION OIL PRESSURE SWITCHGAUGE
TEMPERATURE GAUGE & SENDER
TURBOCHARGER
PIPEWORK & CONNECTIONS
EXHAUST MANIFOLD
PIPEWORK & CONNECTION
INDUCTION MANIFOLD
1
2
3
4
5
6
7
7
8
9
10
11
12
13
13
14
15
16
17
18
19
20
21
22
23
24
25
26
26
26
27
27
27
28
29
30
31
32
33
34
35
36
37
38
39
40
41
42
43
44
45
46
47
48
49
50
51
52
53
53
54
Позиция на иллюстрации
Заводской номер детали
Название детали
1
80104097
PIN
2
06890202
SUPPORT W.A., RH-OUTER
3
N156452538
PIN
4
02021012
PIPE
5
02021003
PLATE
6
06890212
SUPPORT W.A., RH-INNER
7
N030020029
Washer
8
N010233590
BOLT
9
81014452
ROD
10
02002227
BRACKET
11
06890221
SUPPORT W.A
12
N010232138
BOLT
13
N030810014
Washer
14
06890217
SUPPORT W.A., LH-INNER
15
06890207
SUPPORT W.A., LH-OUTER
16
N130020295
RIVET
17
02021301
PLATE
18
N044321262
SCREW
19
N025910194
NUT
20
N044321238
BOLT
21
80624324
ADAPTER
22
N169900071
QUICK COUPLING, MALE
23
80603312
ADAPTER
24
N030000015
Washer
25
02021304
VALVE BLOCK
26
N030000005
O-RING
27
80624316
ADAPTER
28
N183570164
RING
29
N173570164
NUT
30
80602117
ADAPTER
31
N140010650
BALL VALVE
32
N163430940
Adapter
33
6020024035
HOSE ASS'Y
34
6020021045
HOSE ASS'Y
35
N010233578
Bolt
36
N169900072
QUICK COUPLING, FEMALE
37
N015892018
BOLT
38
02021009
PIPE
39
N025910122
Nut
40
Y0611252
DECAL, FUNCTION
41
N163570157
TEE
42
N010380986
Bolt
43
02021007
STOPPER, PIN
44
80104115
PIN
45
45290651
PIPE ASS'Y
46
45290652
PIPE ASS'Y
47
N010380446
Bolt
48
N025910062
Nut
49
N010380470
BOLT
50
N023580182
BOLT
51
02015100
PLATE
52
N010232510
BOLT
53
N030810015
Washer
54
N025910086
Nut
Содержащиеся в справочниках-каталогах запасные части и детали не предлагаются к продаже, а носят исключительно информационный характер
Дополнительная информация
×
Название:
Номер:
Примечание: