Вернуться на главную
Поиск
Каталоги запчастей к технике
Спецтехника
Hidromek
HMK 102S
KINGPOST- CARRIAGE- SLEW / SWING RAM MOUNTINGS
Каталог запасных частей к технике: Hidromek HMK 102S. KINGPOST- CARRIAGE- SLEW / SWING RAM MOUNTINGS
zoom-in
zoom-out
enlarge
shrink
circle-right
circle-left
file-text2
info
cart
Тип техники
Не выбрано
Легковые автомобили
Грузовые автомобили и прицепы
Автобусы
Сельхозтехника
Спецтехника
Двигатели
Мототехника
Марка
Не выбрано
Ammann
BOMAG
CARMIX
CASE IH
Changlin
ChengGong
Dimex
Doosan
DYNAPAC
Foton
HAMM
Hidromek
Hitachi
Hyundai
JCB
JLG
John Deere
Komatsu
LIEBHERR
LiuGong
Lonking (LongGong)
Luneng
MANITOU
Mitsuber
New Holland
PENGPU
RM-Terex
SANY
SDLG
SEM
Shantui
Shehwa HBXG
Soosan
TIGARBO
VOGELE
Volvo
WAY
WIRTGEN
XCMG
XGMA
Xiamen
YTO
Yuchai
Zoomlion
Автокран
АЗСМ
Алтайлесмаш
Амкодор
АОМЗ
Атек
АТЗ
Балканкар Рекорд
БелАЗ
Беловеж
Борекс
Брянский Арсенал
Булат
ВЭКС
ГАЗ
Геомаш
Гидромаш
Донекс
Дормаш
Дормашина
Дорэлектромаш
ДЭЗ
ЕлАЗ
ЗЗГТ
Ижнефтемаш
Канаш-электрокар
КЗКТ
ККЗ
Клевер
Клинцовский автокрановый завод
КМЗ
КМЗ 1 Мая
Ковровец
Коммаш
Кранэкс
КЭЗ
КЭМЗ
ЛЗА
МАЗ
МЗИК
МЗКМ
МЗКТ
Михневский РМЗ
МоАЗ
Мозырский МЗ
МТЗ
ОЗП
Онежец
ПАО "ТЗА"
ППС Детва
Промтрактор
ПТЗ
Раскат
СпецАгрегат
ТВЭКС
ТТМ
УВЗ
Угличмаш
УЗТМ
ХТЗ
ЧЗКМ
ЧСДМ
ЧТЗ
ЭКСКО
ЭКСМАШ
ЮрМаш
Модель
Не выбрано
102B Maestro-ZF (2012)
102S MAESTRO (2012)
HMK 102B (2005)
HMK 102B ALPHA (2017)
HMK 102S (2005)
HMK 102S ALPHA (2017)
HMK 200W (2005)
HMK 220LC-2 (2006)
HMK 230LC3 (2019)
HMK 300LC (2019)
HMK 62SS
Схема
>
Не выбрано
SHOVEL, CLAM, 4 IN 1 MULTIPURPOSE
SHOVEL
SHOVEL, FORKLIFT MOUNTED
SHOVEL, CLAM, FORKLIFT MOUNTED
SHOVEL, CLAM, FORKLIFT MOUNTED
BUCKET, BACKHOE
CHASSIS
BONNET- ENGINE PANEL- NOSE GUARD- BUMPER- FRONT GRILLE CHASSIS MOUN
BONNET- ENGINE PANEL- NOSE GUARD- BUMPER- FRONT GRILLE CHASSIS MOUN
PANEL, ENGINE, RIGHT SIDE
PANEL, ENGINE, LEFT SIDE
BONNET
CHASSIS AND HYDRAULIC COMPONENTS MOUNTINGS
CHASSIS - CAB - ENGINE MOUNTINGS
TANK, HYDRAULIC
TANK, FUEL
AXLE - CHASSIS MOUNTINGS
FENDERS
OPERATOR CAB
DOOR AND WINDOW, SIDE, RIGHT
DOOR AND WINDOW, SIDE, LEFT
WINDOWS, FRONT - REAR
WIPER SYSTEM
CAB INTERIOR TRIMMING AND ROOF
COVER, FRONT, CONTROL
INSTRUMENT PANEL, FRONT, CONTROL COVER
CONTROL LEVERS
COVER, SIDE, RIGHT
INSTRUMENT PANEL, SIDE, RIGHT
COVER, SIDE, LEFT AND CAB CONSOLES
PROTECTION COVER, BACKHOE CONTROL MECHANISM
ACCESSORIES, OPERATOR CAB
OPERATOR SEAT
RADIO-CASETTE PLAYER SYSTEM
LIGHTS
REAR LIGHTING UNIT, BACKHOE LOADER
LOADER ATTACHMENT MOUNTING
LOADER MOUNTING-1, LOADER ARM WITH BOX SECTION
LOADER MOUNTING-2, LOADER ARM WITH BOX SECTION
SHOVEL LEVELLING MECHANISM
MOUNTINGS, BACKHOE COMPONENTS
STABILISER, SIDESHIFT
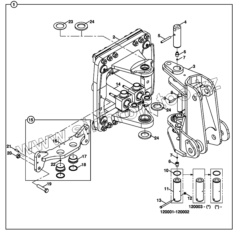
KINGPOST- CARRIAGE- SLEW / SWING RAM MOUNTINGS
KINGPOST- CARRIAGE- SLEW / SWING RAM MOUNTINGS
KINGPOST CARRIAGE
KINGPOST CARRIAGE
KINGPOST CARRIAGE
KINGPOST CARRIAGE
KINGPOST, STEEL
KINGPOST, CASTING
KINGPOST, CASTING
MAIN BOOM
DIPPER - TIPPING LINK - TIPPING LEVER AND RAM MOUNTINGS
DIPPER-TIPPING LINK/LEVER-RAM MOUNT., COMMON CENTERED RAMAND TIPPING LINK
DIPPER
DIPPER, COMMON CENTERED RAM AND TIPPING LINK
DIPPER, TELESCOPIC
TELESCOPIC DIPPER, COMMON CENTERED RAM AND TIPPING LINK
FUSE BOX AND RELAYS AND LAYOUT
HARNESS, CAB, SINGLE BRAKE PEDAL
HARNESS, CAB, DOUBLE BRAKE PEDAL
HARNESS, ENGINE, SINGLE BRAKE PEDAL
HARNESS, ENGINE, DOUBLE BRAKE PEDAL
HARNESS, HEADLIGHTS AND TURN INDICATOR
HARNESS, REAR LIGHTING UNIT AND STABILISER SWITCH
STABILISER SWITCH ASSEMBLY AND WARNING HORN AND RELAY
HARNESS, 4 WHEEL STEERING
ACCUMULATOR AND ELECTRIC CONNECTIONS
FAN CABLE, AIR CONDITIONER
CONTROL MECHANISM, LOADER- WITH LEVER CONTROL
CONTROL MECHANISM, LOADER- WITH JOYSTICK CONTROL
CONTROL LEVERS, LOADER
CONTROL LEVERS, LOADER, JOYSTICK
CONTROL MECHANISM, BACKHOE
CONTROL LEVERS, BACKHOE
PEDAL MOUNTING, NB+KT, TB, TB+KT
BOOM LOCKING AND MECHANISM
BOOM LOCKING AND MECHANISM
BOOM LOCKING AND MECHANISM
BOOM LOCKING AND MECHANISM
HAND THROTTLE AND ACCELERATOR PEDAL
HAND THROTTLE AND ACCELERATOR PEDAL
PARKING BRAKE
PEDAL, BRAKE, SUSPENDED, SINGLE
PEDAL, BRAKE, SUSPENDED, DOUBLE
STEERING COLUMN
STEERING COLUMN, ADJUSTABLE
CIRCIUT, HYDRAULIC
CIRCIUT, HYDRAULIC, PUMP, COMMON
CIRCUIT, HYDR., ADDITIONAL, NB, WITH E2-1-1-OP1
CIRCUIT, HYDR., ADDITIONAL, NB, WITH E2-1-1-OP2
CIRCUIT, HYDR., ADDITIONAL, NB+KT, A.K.V., WITH E2-1-1-OP1
CIRCUIT, HYDR., ADDITIONAL, NB+KT, A.K.V, WITH E2-1-1-OP2
CIRCUIT, HYDR., ADDITIONAL, NB+KT+E.K.K.V, WITH E2-1-1-OP1AND OP2
CIRCUIT, HYDR., ADDITIONAL, TB, WITH E2-1-1-OP1
CIRCUIT, HYDR., ADDITIONAL, TB, WITH E2-1-1-OP2
CIRCIUT, HYDR., ADDITIONAL, TB+KT/TB+DK, WITH E2-1-1-OP2
CIRCUIT, HYDR., ADD., TB+KT, BUCHER HDS30/2, WITH E2-1-1-OP1
CIRCUIT, HYDR., ADD., TB+KT, BUCHER HDS30/2, WITH E2-1-1-OP2
CIRCIUT, HYDRAULIC STEERING
CIRCUIT, HYDRAULIC BRAKE, WITH SINGLE BRAKE PEDAL
CIRCUIT, HYDRAULIC BRAKE, WITH DOUBLE BRAKE PEDAL
CIRCUIT, RAM, LIFT, LOADER
CIRCUIT, RAM, SHOVEL, LOADER
HYDRAULIC, CLAMSHOVEL INSTALLATION, LOADER
HYDRAULIC, SHOVEL INSTALLATION, LOADER
HYDRAULIC, SOFT DRIVE SYSTEM, LOADER
HOSE HOLDER SET, HYDRAULIC, NB, BACKHOE
HOSE HOLDER SET, HYDRAULIC, NB+KT, BACKHOE
HOSE HOLDER SET, HYDRAULIC, TB, BACKHOE
HOSE HOLDER SET, HYDRAULIC, TB+KT, BACKHOE
HYDRAULIC, RAM, STABILISER (DIS10968, FWD STABILISER F., WITH VALVE)
HYDRAULIC, RAM, STABILISER (DIS10968, FWD STABILISER F.,)
HYDRAULIC, HYDROCLAMP
HYDRAULIC, RAM, SLEW/SWING, (DIS 10968)
HYDRAULIC, RAM, MAIN BOOM, (DIS10968), BACKHOE
HYDR., RAM, MAIN BOOM, (DIS 10968, WITH PROTECTION VALVE), BACKHOE
HYDRAULIC, RAM, DIPPER, (DIS 10968), BACKHOE
HYDR., RAM, DIPPER, (DIS 10968, WITH PROTECTION VALVE), BACKHOE
HYDRAULIC, RAM, BUCKET, NB, (DIS10968)
HYDRAULIC, RAM, BUCKET, TB, (DIS10968)
HYDRAULIC, RAM, EXTENSION, TELESCOPIC
HYDRAULIC, RAM, EXTENSION, TELESCOPIC, BUCHER HDS30/2
HYDRAULIC, BREAKER INSTALLATION, NK, WITH ATTACHMENT CONTROL VALVE
HYDRAULIC, BREAKER INSTALLATION, NK, WITH ELECTRIC BREAKER CONTR. VALVE
HYDRAULIC, BREAKER INSTALLATION, TELESCOPIC BOOM, SALAMI VALVE
HYDRAULIC, BREAKER INSTALLATION, TELESCOPIC BOOM, BUCHER-HDS30/2 VALVE
LOADER CONTROL VALVE BLOCK AND ADAPTERS- WIHT LEVER CONTROL
LOADER CONTROL VALVE BLOCK AND ADAPTERS- WITH JOYSTICK CONTROL
FLOW CONTROL VALVES, LOADER CONTROL BLOCK
BOOT ASSEMBLY AND SEAL KIT, LOADER CONTROL BLOCK
BACKHOE CONTROL VALVE BLOCK AND ADAPTERS, DIS10968
FLOW CONTROL VALVES, BACKHOE CONTROL BLOCK
BOOT ASSEMBLY AND SEAL KIT, BACKHOE CONTROL BLOCK
ATTACHMENT CONTROL VALVE AND ADAPTERS, COMMERCIAL
ATTACHMENT CONTROL VALVE AND ADAPTERS, SALAMI
ATTACHMENT CONTROL VALVE AND ADAPTERS, BUCHER - HDS30/1
ATTACHMENT CONTROL VALVE AND ADAPTERS, BUCHER - HDS30/2
PRIORITY VALVE AND ADAPTERS
PUMP, HYDRAULIC, HEMA, ( 37/29 cc/rev )
PUMP, HYDRAULIC, HEMA, ( 46/23 cc/rev )
TUBE, COLLECTOR
STEERING CONTROL
ACCUMULATOR
VALVE, BRAKE PEDAL, WITH SINGLE BRAKE PEDAL
VALVE, BRAKE PEDAL, WITH DOUBLE BRAKE PEDAL
PUMP, BRAKE
STEERING MODE SELENOID VALVE AND ADAPTERS
ELECTRIC BREAKER CONTROL VALVE AND ADAPTERS
OVER CENTRE VALVE, STABILISER RAM
ACCUMULATOR-VALVE, SOFT DRIVE SYSTEM
ADAPTER ASSY., CLAMSHOVEL
PROTECTION VALVE, MAIN BOOM RAM
PROTECTION VALVE, DIPPER RAM
RAM, LIFT, RIGHT, LOADER
RAM, LIFT, LEFT, LOADER
RAM, SHOVEL, RIGHT, LOADER
RAM, SHOVEL, LEFT, LOADER
RAM, CLAMSHOVEL, RIGHT - LEFT, LOADER
RAM,STABILISER, RIGHT
RAM,STABILISER, RIGHT
RAM, SLEW SWING (RIGHT - LEFT)
RAM, SLEW SWING (RIGHT - LEFT)
RAM, MAIN BOOM, BACKHOE
RAM, MAIN BOOM, BACKHOE, WITH PROTECTION VALVE
RAM, DIPPER, BACKHOE
RAM, DIPPER, BACKHOE, WITH PROTECTION VALVE
RAM, BUCKET, BACKHOE
RAM, BUCKET, BACKHOE, COMMON CENTERED RAM AND TIPPING LINK
RAM, EXTENSION, TELESCOPIC DIPPER, BACKHOE
RAM, BUCKET, TELESCOPIC DIPPER, BACKHOE
RAM, BUCKET,TELESCOPIC DIPPER,BACKHOE,COMMON CENTERED RAMAND TIPPING LINK
AXLE ASSEMBLY, FRONT, SD 80
AXLE ASSEMBLY, FRONT, SD 80
KNUCKLE, FRONT AXLE, SD 80
HUB AND COMPONENTS, FRONT AXLE, SD 80
DIFFERENTIAL, FRONT AXLE, SD 80
RAM, STEERING, FRONT AXLE SD 80
POWER TRACKROD, FRONT AXLE, SD 80
AXLE ASSEMBLY, REAR (SD 80)
AXLE ASSEMBLY, REAR, SD 80
KNUCKLE, REAR AXLE, SD 80
HUB AND COMPONENTS, REAR AXLE, SD 80
DIFFERENTIAL, ASSEMBLY, REAR AXLE, SD 80
CROWN WHEEL AND PINION, REAR AXLE, SD 80
BRAKES, REAR AXLE, SD 80
BRAKE, PARKING, REAR AXLE, SD 80
RAM, STEERING, REAR AXLE SD 80
POWER TRACKROD, REAR AXLE, SD 80
TRANSMISSION ASSY, PS760, 102S
TRANSMISSION, EXTERNAL COMPONENTS, PS760
CLUTCH, TRANSMISSION, PS760
CLUTCH - INPUT, TRANSMISSION, PS760
CLUTCH - REVERSE, TRANSMISSION, PS760
CLUTCH - MAINSHAFT AND , COMPONENTS, TRANSMISSION, PS760
CLUTCH - LAYSHAFT AND , COMPONENTS, TRANSMISSION, PS760
SOLENOID SWITCHES, + PIPEWORK, TRANSMISSION, PS760
PUMP, TRANSMISSION, PS760
TORK KONVERTOR, PS760
WHEEL AND TYRE ASSEMBLY, FRONT, REAR
PROPSHAFT, TRANSMISSION TO FRONT AXLE
PROPSHAFT, TRANSMISSION TO REAR AXLE
ENGINE, GREEN 2, 1104C-44T, RG38101
CYLINDER BLOCK AND LINERS, ENGINE 1104C-44T, RG38101
CRANKSHAFT MAIN AND BIG END BEARINGS , ENGINE 1104C-44T, RG38101
PISTONS AND RINGS, ENGINE 1104C-44T, RG38101
CONNECTING RODS, ENGINE 1104C-44T, RG38101
REAR END OIL SEAL, ENGINE 1104C-44T, RG38101
CYLINDER HEAD ASSY, ENGINE 1104C-44T, RG38101
ROCKER ASSEMBLY, ENGINE 1104C-44T, RG38101
TIMING GEAR AND CAM SHAFT, ENGINE 1104C-44T, RG38101
FUEL INJECTION PUMP, ENGINE 1104C-44T, RG38101
HIGH PRESSURE FUEL PIPES, ENGINE 1104C-44T, RG38101
ATOMISERS,ENGINE 1104C-44T, RG38101
PICK-UP SENSOR, ENGINE 1104C-44T, RG38101
BOOST CONTROL PIPE, ENGINE 1104C-44T, RG38101
FUEL LEAK-OFF PIPE, ENGINE 1104C-44T, RG38101
PICK-UP SENSOR, ENGINE 1104C-44T, RG38101
FLYWHEEL AND STARTER RING, ENGINE 1104C-44T, RG38101
STARTER MOTOR, ENGINE 1104C-44T, RG38101
FAN DRIVE, ENGINE 1104C-44T, RG38101
PULLEYS, ENGINE 1104C-44T, RG38101
SUMP, ENGINE 1104C-44T, RG38101
OIL STRAINER, ENGINE 1104C-44T, RG38101
CYLINDER HEAD COVER, ENGINE 1104C-44T, RG38101
CYLINDER HEAD COVER, ENGINE 1104C-44T, RG38101
FILLER, ENGINE 1104C-44T, RG38101
BREATHER, ENGINE 1104C-44T, RG38101
OIL COOLER, ENGINE 1104C-44T, RG38101
OIL FILTER, ENGINE 1104C-44T, RG38101
BLANKING PLATES, ENGINE 1104C-44T, RG38101
REMOTE LUBRICATING OIL FILTER, ENGINE 1104C-44T, RG38101
FRONT END DRIVE INPUT, ENGINE 1104C-44T, RG38101
WATER PUMP, ENGINE 1104C-44T, RG38101
WATER PUMP, ENGINE 1104C-44T, RG38101
PIPES, ENGINE 1104C-44T, RG38101
WATER OUTLET HOUSING, ENGINE 1104C-44T, RG38101
FAN, ENGINE 1104C-44T, RG38101
ALTERNATOR, ENGINE 1104C-44T, RG38101
ALTERNATOR BRACKET AND FIXINGS, ENGINE 1104C-44T, RG38101
PULLEYS, ENGINE 1104C-44T, RG38101
AUXILIARY DRIVE, ENGINE 1104C-44T, RG38101
TIMING CASE, ENGINE 1104C-44T, RG38101
TIMING CASE, ENGINE 1104C-44T, RG38101
TIMING COVER, ENGINE 1104C-44T, RG38101
DRIVE ADAPTOR, ENGINE 1104C-44T, RG38101
BLANKING PLUGS, ENGINE 1104C-44T, RG38101
LUBRICATIG OIL PUMP AND DELIVERY HOUSING, ENGINE 1104C-44T, RG38101
TURBOCHARGER, ENGINE 1104C-44T, RG38101
FEED PIPES, ENGINE 1104C-44T, RG38101
LEAK-OFF PIPES, ENGINE 1104C-44T, RG38101
PIPEWORK AND CONNECTIONS, ENGINE 1104C-44T, RG38101
EXHAUST MANIFOLD, ENGINE 1104C-44T, RG38101
PIPEWORK AND CONNECTIONS, ENGINE 1104C-44T, RG38101
PIPEWORK AND CONNECTION, ENGINE 1104C-44T, RG38101
LIFT PUMP, ENGINE 1104C-44T, RG38101
FILTER TO INJECTION PUMP PIPE, ENGINE 1104C-44T, RG38101
INJECTION PUMP TO FILTER PIPE, ENGINE 1104C-44T, RG38101
HEATER PLUGS, ENGINE 1104C-44T, RG38101
ENGINE LIFTING EYES, ENGINE 1104C-44T, RG38101
LUBRICATION OIL PRESSURE SWITCH/GAUGE, ENGINE 1104C-44T, RG38101
LUBRICATION OIL PRESSURE SWITCH/GAUGE, ENGINE 1104C-44T, RG38101
TEMPERATURE GAUGE AND SENDER, ENGINE 1104C-44T, RG38101
MISCALLANEOUS AND AUXILIARIES, ENGINE 1104C-44T, RG38101
MISCELLANEOUS AND AUXILIARIES, ENGINE 1104C-44T, RG38101
TOP SERVICE KIT, ENGINE 1104C-44T, RG38101
BOTTOM SERVICE KIT, ENGINE 1104C-44T, RG38101
ENGINE ASSEMBLY, GREEN 2
ENGINE AND TRANSMISSION ASSEMBLY
AIR FILTER AND MOUNTINGS
AIR FILTER AND PRE-CLEANER, WITH OIL
FUEL SUCTION AND RETURN LINE
EXHAUST ASSEMBLY - GREEN 2 ENGINE
COMPRESSOR ASSEMBLY, WITH AIR CONDITIONER, GREEN ENGINE
RADIATOR - OIL COOLER AND FITTINGS
COOLING SYSTEM, ENGINE WATER
COOLING SYSTEM, HYDRAULIC AND TRANSMISSION OIL
COOLING SYSTEM, HYDRAULIC AND TRANSMISSION OIL
HEATER, HEATING SYSTEM
AIR CONDITIONER, COOLING SYSTEM
AIR CONDITIONER, CAB, COOLING SYSTEM
AIR CONDITIONER, CAB, COOLING SYSTEM
DECAL AND PLATES, OPERATING AND MAINTENANCE
DECALS, WARNING
DECAL AND PLATES, MACHINE MO
1
1
1
1
1
1
1
1
1
1
1
2
2
2
2
2
2
2
2
2
3
3
3
3
3
4
4
4
5
6
6
7
7
8
9
9
9
10
10
10
11
11
11
11
11
12
13
14
14
14
14
14
14
14
15
15
15
16
16
16
17
17
17
18
18
18
19
20
21
22
23
23
23
23
23
24
24
24
Позиция на иллюстрации
Заводской номер детали
Название детали
1
018/33126
KINGPOST AND CARRIAGE
1
018/33127
KINGPOST AND CARRIAGE
1
018/33128
KINGPOST AND CARRIAGE
1
018/33129
KINGPOST AND CARRIAGE
1
018/33132
KINGPOST AND CARRIAGE
1
018/33125
KINGPOST AND CARRIAGE
2
018/33421
KINGPOST CARRIAGE
2
018/33422
KINGPOST CARRIAGE
2
018/33423
KINGPOST CARRIAGE
2
018/33425
KINGPOST CARRIAGE
2
018/33426
KINGPOST CARRIAGE
3
018/33796
KINGPOST, ASSY
3
018/33794
KINGPOST, ASSY
3
018/33795
KINGPOST CARRIAGE
4
801/04730
PIN
4
801/04740
PIN
5
N15/6453498
PIN, EXPANSION
6
813/00110
BOLT
7
N08/1210020
Lubricants
8
801/02195
PIN
9
N15/6452538
PIN, EXPANSION
9
N15/6452578
PIN, EXPANSION
10
N05/0020115
RETAINING RING
10
N05/0020115
RETAINING RING
11
801/19180
PIN
11
801/19178
PIN
11
801/19179
PIN
12
N02/5900122
NUT M12
13
N01/0223062
BOLT M12x140
14
155/20052
RAM, SLEW / SWING
14
155/20053
RAM, SLEW / SWING
14
155/20055
RAM, SLEW / SWING
14
155/20054
RAM, SLEW / SWING
15
018/90133
MOUNTING PLATE, ASSY
15
018/90134
MOUNTING PLATE, ASSY
16
019/92680
MOUNTING PLATE
16
019/92687
MOUNTING PLATE
17
802/03250
BUSHING
17
802/03260
BUSHING
18
N10/5657505
SCRAPER
18
N10/2006550
O-RING
19
N01/0382066
BOLT M24x110
20
N02/3570446
NUT M24
21
N15/6452168
PIN, EXPANSION
22
N08/1210020
Lubricants
23
805/05105
SPACER,
23
805/05106
SPACER,
23
805/05107
SPACER,
24
F99/73140
THRUST WASHER
Содержащиеся в справочниках-каталогах запасные части и детали не предлагаются к продаже, а носят исключительно информационный характер
Дополнительная информация
×
Название:
Номер:
Примечание: