Вернуться на главную
Поиск
Каталоги запчастей к технике
Спецтехника
Hidromek
HMK 102B ALPHA
QUICK COUPLER (LOADER) (OP) B060001 -
Каталог запасных частей к технике: Hidromek HMK 102B ALPHA. QUICK COUPLER (LOADER) (OP) B060001 -
zoom-in
zoom-out
enlarge
shrink
circle-right
circle-left
file-text2
info
cart
Тип техники
Не выбрано
Легковые автомобили
Грузовые автомобили и прицепы
Автобусы
Сельхозтехника
Спецтехника
Двигатели
Мототехника
Марка
Не выбрано
Ammann
BOMAG
CARMIX
CASE IH
Changlin
ChengGong
Dimex
Doosan
DYNAPAC
Foton
HAMM
Hidromek
Hitachi
Hyundai
JCB
JLG
John Deere
Komatsu
LIEBHERR
LiuGong
Lonking (LongGong)
Luneng
MANITOU
Mitsuber
New Holland
PENGPU
RM-Terex
SANY
SDLG
SEM
Shantui
Shehwa HBXG
Soosan
TIGARBO
VOGELE
Volvo
WAY
WIRTGEN
XCMG
XGMA
Xiamen
YTO
Yuchai
Zoomlion
Автокран
АЗСМ
Алтайлесмаш
Амкодор
АОМЗ
Атек
АТЗ
Балканкар Рекорд
БелАЗ
Беловеж
Борекс
Брянский Арсенал
Булат
ВЭКС
ГАЗ
Геомаш
Гидромаш
Донекс
Дормаш
Дормашина
Дорэлектромаш
ДЭЗ
ЕлАЗ
ЗЗГТ
Ижнефтемаш
Канаш-электрокар
КЗКТ
ККЗ
Клевер
Клинцовский автокрановый завод
КМЗ
КМЗ 1 Мая
Ковровец
Коммаш
Кранэкс
КЭЗ
КЭМЗ
ЛЗА
МАЗ
МЗИК
МЗКМ
МЗКТ
Михневский РМЗ
МоАЗ
Мозырский МЗ
МТЗ
ОЗП
Онежец
ПАО "ТЗА"
ППС Детва
Промтрактор
ПТЗ
Раскат
СпецАгрегат
ТВЭКС
ТТМ
УВЗ
Угличмаш
УЗТМ
ХТЗ
ЧЗКМ
ЧСДМ
ЧТЗ
ЭКСКО
ЭКСМАШ
ЮрМаш
Модель
Не выбрано
102B Maestro-ZF (2012)
102S MAESTRO (2012)
HMK 102B (2005)
HMK 102B ALPHA (2017)
HMK 102S (2005)
HMK 102S ALPHA (2017)
HMK 200W (2005)
HMK 220LC-2 (2006)
HMK 230LC3 (2019)
HMK 300LC (2019)
HMK 62SS
Схема
>
Не выбрано
ENGINE & TRANSMISSION MOUNTING (STANDARD) B060001 -
ENGINE & TRANSMISSION MOUNTING (LUCK-UP) B060001 -
ENGINE CONTROL SYSTEM B060001 -
AIR INTAKE SYSTEM B060001 -
AIR INTAKE SYSTEM B060001 -
EXHAUST MOUNTING B060001 -
ENGINE COOLING MOUNTING B060001 - B060871
ENGINE COOLING MOUNTING B060872 -
RADIATOR ASSEMBLY B060001 -
FUEL SYSTEM B060001 -
HEATING VENTING SYSTEM B060001 -
HEATER UNIT B060001 -
HEATING VENTING AIR CONDITIONING SYSTEM B060001 - B062872
HEATING VENTING AIR CONDITIONING SYSTEM B062873 -
AIR CONDITIONER UNIT B060001 - B060360
A/C UNIT ASS'Y B060361 -
CHASSIS B060001 -
STABILIZER, SIDESHIFT B060001 - B062980
POWER SLIDER (OP) B060001 -
STABILIZER PADS B060001 -
KINGPOST CARRIAGE B060001 -
KINGPOST CARRIAGE (WITH POWER SLIDER) B060001 -
KINGPOST B060001 -
BOOM LOCK AND MECHANISM B060001 -
BONNET- PANEL - FRONT GRILL - SIDE COVER MOUNTING B060001 -
FENDERS B060001 - B060004
FENDERS B060005 -
FENDER , FRONT (NARROW PROFILE TIRE) B060001 -
FENDER , FRONT (HMK AXLE) B062099 -
FENDER, REAR B060001 -
CAB & CAB MOUNTING B060001 -
DOOR AND WINDOW, RH B060001 - B061372
DOOR AND WINDOW, RH B061373 -
DOOR AND WINDOW, LH B060001 - B061372
DOOR AND WINDOW, LH B061373 -
WINDOWS, FRONT - REAR B060001 -
CAB ACCESSORIES B060001 - B062797
CAB ACCESSORIES B062798 -
CAB (LEVERS MECHANISM) B060001 -
CAB (JOYSTICK MECHANISM) (OP) B060001 -
CONSOLE, FRONT B060001 -
CONSOLE, LH B060001 - B061692
CONSOLE, LH B061693 -
CONSOLE, RH B060001 - B061692
CONSOLE, RH B061693 -
JOYSTICK MECHANISM, RH B060001 - B060004
JOYSTICK MECHANISM, RH B060005 -
JOYSTICK MECHANISM, LH B060001 - B060004
JOYSTICK MECHANISM, LH B060005 -
STEERING COLUMN ASSEMBLY B060001 -
OPERATOR SEAT ASSEMBLY B060001 -
OPERATOR SEAT ASSEMBLY (WITH AIR SUSPENSION) B060001 -
OPERATOR SEAT MOUNTING
OPERATOR SEAT MOUNTING (WITH AIR SUSPENSION
LOADER ARM MOUNTING (1) B060001 -
LOADER ARM MOUNTING (1) B060998 -
LOADER ARM MOUNTING (2) B060001 -
LOADER ARM MOUNTING (3) B060001 -
MULTIPORPUSE BUCKET, LOADER (1.1 m3) B060001 - B060978
MULTIPORPUSE BUCKET, LOADER (1.1 m3) B060979 -
CUTTING EDGE, MULTIPORPUSE BUCKET (OP)
MULTIPURPOSE BUCKET, LOADER (1.3 m3) (OP) B060001 -
MULTIPURPOSE BUCKET, LOADER (1.3 m3) (OP) B060001 -
MULTIPURPOSE BUCKET, LOADER(WITH QUICK COUPLER)(OP) B060001 -
MULTIPORPUSE BUCKET, LOADER (1 m3) (OP) B060001 -
MULTIPORPUSE BUCKET, LOADER (1 m3) (OP) B060001 -
MULTIPORPUSE BUCKET, LOADER (1,2 m3) (OP) B060001 -
MULTIPORPUSE BUCKET, LOADER (1,2 m3) (OP) B060001 -
GRAPPLE BUCKET (OP) B060001 -
MULTIPORPUSE BUCKET (OP) B060001 -
SHOVEL (1.2 m3) (OP) B060001 -
CUTTING EDGE, SHOVEL (OP) B060001 -
SHOVEL (1.5 m3) (OP) B060001 -
CONNECTION MOUNTING, LOADER (NO BUCKET) (OP) B060001 -
SHOVEL (OP)
SHOVEL (1.2 m3) (WITH QUICK COUPLER) (OP) B060001 -
SHOVEL (1.5 m3) (WITH QUICK COUPLER) (OP) B060001 -
LEVELLING BLADE (716x2800) (OP) B060001 -
LEVELLING BLADE (900x2800) (OP) B060001 -
LEVELLING BLADE WITH QUICK COUPLER (716x2800)(OP) B060001 -
ADAPTER, QUICK COUPLER (LEVELLING BLADE) (OP) B060001 -
LEVELLING BLADE WITH QUICK COUPLER(900x 2800)(OP) B060001 -
LEVELLING BLADE (DOUBLE AXIS) (OP)
LOG GRAPPLE (2+1 CLAMP) (OP)
ADAPTER, QUICK COUPLER (LOG GRAPPLE) (OP) B060001 -
LOG GRAPPLE, (WITH VERTICAL MOVEMENT O200mm) (OP) B060001 -
LOG GRAPPLE (WITH VERTICAL MOVEMENT O500mm) (OP) B060001 -
LOG GRAPPLE (3+2 CLAMP) (OP) B060001 -
LOG GRAPPLE (WITH VERTICAL MOVEMENT, 3+2 CLAMP) (OP)
BALE GRAPPLE (WITH VERTICAL MOVEMENT, 4+3 CLAMP) (OP)
FORKLIFT (MULTIPURPOSE BUCKET) (OP) B060001 - B060978 (NOT: (1) THIS FORKLIFT CAN BE USED WITH MULTIPURPOSE BUCKET NO 06010624-06010647-06010625-06010802-06010646)
FORKLIFT (MULTIPURPOSE BUCKET) (OP) B060979 -
FORKLIFT (SHOVEL 1.2 m3) (OP) B060001 -
FORKLIFT (SHOVEL 1.5 m3) (OP) B060001 -
FORKLIFT (WITH QUICK COUPLER) (OP) B060001 -
QUICK COUPLER (LOADER) (OP) B060001 -
BOOM MOUNTING B060001 -
ARM MOUNTING B060001 -
TELESCOPIC ARM MOUNTING (OP) B060001 - B062892
TELESCOPIC ARM MOUNTING (OP) B062893 -
TELESCOPIC ARM MOUNTING (AUGER/TILTING BUCKET)(OP) B060001 - B062892
BUCKET LINKAGE B060001 -
BUCKET, BACKHOE (300 mm) (OP) B060001 -
BUCKET, BACKHOE (350 mm) (OP) B060001 -
BUCKET, BACKHOE (400 mm) (OP) B060001 -
BUCKET, BACKHOE (500 mm) (OP) B060001 -
BUCKET, BACKHOE (600 mm) (OP) B060001 -
BUCKET, BACKHOE (700 mm) (OP) B060001 -
BUCKET, BACKHOE (800 mm) (OP) B060001 -
BUCKET, BACKHOE (900 mm) (OP) B060001 -
CONNECTION MOUNTING, BACKHOE (NO BUCKET) (OP) B060001 -
BUCKET, BACKHOE (1500 mm) B060001 -
SKELETON BUCKET (OP) B060001 -
TILTING BUCKET (OP) B060001 -
BUCKET, BACKHOE (TRAPEZE) (OP) B060001 -
QUICK COUPLER, BACKHOE (OP) B060001 -
BREAKER MOUNTING (MONTABERT- SC 36) (OP) B060001 -
BREAKER ASSEMBLY (MONTABERT- SC 36) (OP) B060001 -
BREAKER MOUNTING (MONTABERT- SC 28) (OP) B060001 -
BREAKER ASSEMBLY (MONTABERT- SC 28) (OP) B060001 -
BREAKER MOUNTING (DEMO DMB50) (OP) B060001 -
BREAKER ASSEMBLY (DEMO DMB50) (OP) B060001 -
BREAKER MOUNTING (DEMO DMB70) (OP) B060001 -
BREAKER ASSEMBLY (DEMO DMB70) (OP) B060001 -
BREAKER MOUNTING (LIFTON LH 360) (OP) B060001 -
BREAKER ASSEMBLY (LIFTON LH 360) (OP) B060001 -
BREAKER MOUNTING (TOKU) (OP) B060001 -
BREAKER ASSEMBLY (TOKU) (OP) B060001 -
BREAKER MOUNTING (MONTABERT-HKR 140) (OP) B060001 -
BREAKER ASSEMBLY (MONTABERT- HKR 140) (OP) B060001 -
BREAKER MOUNTING (MONTABERT- 95) (OP) B060001 -
BREAKER ASSEMBLY (MONTABERT- 95) (OP) B060001 -
BREAKER MOUNTING (DEMO S700V) (OP) B060001 -
BREAKER ASSEMBLY (DEMO S700V) (OP) B060001 -
AUGER (O350x1000) (OP) B060001 -
AUGER (O500x1300) (OP) B060001 -
AUGER (O610x1600) (OP) B060001 -
RIPPER (OP) B060001 -
ADAPTER, QUICK COUPLER (GRAPPLE) (OP) B060001 -
GRAPPLE (OP) B060001 -
TOW HOOK (MECHANICAL) (OP) B060001 -
TOOTH PROTECTOR (OP) B060001 -
POWER TRAIN MOUNTING B060001 -
POWER TRAIN MOUNTING (HMK AXLE) B062099 -
WHELL & TIRE GROUP, FRONT B060001 -
WHELL & TIRE GROUP, FRONT (NARROW PROFILE TIRE) B060001 -
WHELL & TIRE GROUP, FRONT (HMK AXLE) B060001 -
WHEEL & TIRE GROUP, REAR (NARROW PROFILE TIRE) B060001 -
WHEEL & TIRE GROUP, REAR B060001 -
WHEEL & TIRE GROUP, REAR B060001 -
WHEEL & TIRE GROUP, REAR (NARROW PROFILE TIRE) B060001 -
FRONT AXLE
FRONT AXLE, BEVER GEAR SET B060001 - B060249
FRONT AXLE, INPUT FLANGE B060001 - B060249
FRONT AXLE, DIFFERENTIAL B060001 - B060249
FRONT AXLE, AXLE CASING PARTS B060001 - B060249
FRONT AXLE, HUB B060001 - B060249
FRONT AXLE, PLANETARY DRIVE B060001 - B060249
FRONT AXLE, STEERING CYLINDER B060001 - B060249
FRONT AXLE, AXLE CASING B060001 - B060249
FRONT AXLE, JOINT HOUSING MOUNTING B060001 - B060249
FRONT AXLE B060250 -
FRONT AXLE, BEVER GEAR SET B060250 -
FRONT AXLE, INPUT FLANGE B060250 -
FRONT AXLE, DIFFERENTIAL B060250 -
FRONT AXLE, AXLE CASING PARTS B060250 -
FRONT AXLE, HUB B060250 -
FRONT AXLE, PLANETARY DRIVE B060250 -
FRONT AXLE, STEERING CYLINDER B060250 -
FRONT AXLE, AXLE CASING B060250 -
FRONT AXLE, JOINT HOUSING MOUNTING B060250 -
FRONT AXLE, HMK B062099 -
FRONT AXLE, BALL JOINT- HMK B062099 -
FRONT AXLE, INPUT FLANGE- HMK B062099 -
FRONT AXLE, DIFFERANTIAL- HMK B062099 -
FRONT AXLE, AXLE CASING PARTS- HMK
FRONT AXLE, PLANETARY DRIVE, RIGHT- HMK B062099 -
FRONT AXLE, PLANETARY DRIVE, LEFT- HMK B062099 -
FRONT AXLE, STEERING CYLINDER- HMK B062099 -
REAR AKS B060001 -
REAR AXLE, BEVEL GEAR SET B060001 -
REAR AXLE, INPUT FLANGE B060001 -
REAR AXLE, DIFFERENTIAL B060001 -
REAR AXLE, M- DISC BRAKE B060001 -
REAR AXLE, AXLE CASING PARTS B060001 -
REAR AXLE, HUB AND PLANETARY DRIVE B060001 -
REAR AXLE, PARK BRAKE B060001 -
REAR AXLE, AXLE CASING PARTS B060001 -
TRANSMISSION (STANDARD) B060001 -
TRANSMISSION, TORGUE CONVERTER ARRANGMENT (STANDARD) B060001 -
TRANSMISSION, PUMP GROUP B060001 -
TRANSMISSION, FRONT CASING AND ANCILLIARIES (STANDARD) B060001 -
TRANSMISSION, VALVE GROUP B060001 -
TRANSMISSION, REAR CASING AND ANCILLIARIES (STANDARD) B060001 -
TRANSMISSION, CLUTCH GROUP B060001 -
TRANSMISSION, SHAFT GROUP - MAIN (STANDARD) B060001 -
TRANSMISSION, SHAFT GROUP IDLER B060001 -
TRANSMISSION, SHAFT GROUP INPUT (STANDARD) B060001 -
TRANSMISSION, SHAFT GROUP PTO (STANDARD) B060001 -
TRANSMISSION, SHAFT GROUP COUNTER (STANDARD) B060001 -
TRANSMISSION (LUCK-UP) B060001 -
TRANSMISSION, TORGUE CONVERTER ARRANGMENT (LUCK-UP) B060001 -
TRANSMISSION, PUMP GROUP (LUCK- UP) B060001 -
TRANSMISSION, FRONT CASING AND ANCILLIARIES (LUCK-UP) B060001 -
TRANSMISSION, VALVE GROUP (LUCK- UP) B060001 -
TRANSMISSION, REAR CASING AND ANCILLIARIES (LUCK-UP) B060001 -
TRANSMISSION, CLUTCH GROUP (LUCK- UP) B060001 -
TRANSMISSION, SHAFT GROUP - MAIN (LUCK-UP) B060001 -
TRANSMISSION, SHAFT GROUP IDLER B060001 -
TRANSMISSION, SHAFT GROUP INPUT (LUCK-UP) B060001 -
TRANSMISSION, SHAFT GROUP PTO (LUCK-UP) B060001 -
TRANSMISSION, SHAFT GROUP COUNTER (LUCK-UP) B060001 -
PARKING BRAKE
HYDRAULIC TANK MOUNTING (VERSION 2) B060001 - (NOTE: (1) ALSO APPLIED TO THE MACHINE WITH SERIAL NO B061298-B061300-B061301-B061302-B061303-B061304-B061306)
LOADER CONTROL MECHANISM (MULTIPURPOSE BUCKET & LEVERS) (TYPE A) B060001 - B060499
LOADER CONTROL MECHANISM (MULTIPURPOSE BUCKET & LEVERS) (TYPE A) B060500 -
LOADER CONTROL&MECHANISM(SHOVEL & LEVERS) (TYPE A) B060001 -
LOADER CONTROL MECHANISM (MULTIPURPOSE BUCKET & JOYSTICK) (TYPE A) B060001 -
LOADER CONTROL MECHANISM (SHOVEL & JOYSTICK) (TYPE A) B060001 - B060074
LOADER CONTROL MECHANISM (SHOVEL & JOYSTICK ) (TYPE A) B060075 -
BACKHOE CONTROL & MECHANISM (TYPE A) B060001 - B060074
BACKHOE CONTROL & MECHANISM (TYPE A) B060075 - B060086
BACKHOE CONTROL & MECHANISM (TYPE A) B060087 -
BACKHOE CONTROL & MECHANISM (X- DIAGONAL) (TYPE A) B060001 - B060141
BACKHOE CONTROL & MECHANISM (X- DIAGONAL) (TYPE A) B060142 -
ADDITONAL ATTACHMENT PEDAL MOUNTING (TYPE A) B060252 -
ADDITONAL ATTACHMENT PEDAL MOUNTING (TYPE A) B060001 - B060251
ADDITONAL ATTACHMENT PEDAL MOUNTING (TYPE A) B060252 -
HYDRAULIC PIPING, MAIN (STD. ARM & MULRIPURPOSE BUCKET & TURNER) (TYPE A) B060001 - B060024
HYDRAULIC PIPING, MAIN (STD. ARM & MULRIPURPOSE BUCKET & TURNER) (TYPE A) B060025 - B060074
HYDRAULIC PIPING, MAIN (STD. ARM & MULRIPURPOSE BUCKET & TURNER) (TYPE A) B060075 - B060086
HYDRAULIC PIPING, MAIN (STD. ARM & MULRIPURPOSE BUCKET & TURNER) (TYPE A) B060087 - B060308
HYDRAULIC PIPING, MAIN (STD. ARM & MULRIPURPOSE BUCKET & TURNER) (TYPE A) B060309 - B061398
HYDRAULIC PIPING, MAIN (STD. ARM & MULRIPURPOSE BUCKET & TURNER) (TYPE A) B061399 -
HYDRAULIC PIPING, MAIN (STD. ARM & SHOVEL & TURNER) (TYPE A) B060001 - B060024
HYDRAULIC PIPING, MAIN (STD. ARM & SHOVEL & TURNER) (TYPE A) B060025 - B060074
HYDRAULIC PIPING, MAIN (STD. ARM & SHOVEL & TURNER) (TYPE A) B060075 - B060086
HYDRAULIC PIPING, MAIN (STD. ARM & SHOVEL & TURNER) (TYPE A) B060087 - B060308
HYDRAULIC PIPING, MAIN (STD. ARM & SHOVEL & TURNER) (TYPE A) B060309 - B061398
HYDRAULIC PIPING, MAIN (STD. ARM & SHOVEL & TURNER) (TYPE A) B061399 -
HYD. PIPING MAIN (TELESCOPIC ARM&MULRIPURPOSE BUCKET&TURNER)(TYPE A) B060001 - B060024
HYD. PIPING MAIN (TELESCOPIC ARM&MULRIPURPOSE BUCKET&TURNER)(TYPE A) B060025 - B060074
HYD. PIPING MAIN (TELESCOPIC ARM&MULRIPURPOSE BUCKET&TURNER)(TYPE A) B060075 - B060086
HYD. PIPING MAIN (TELESCOPIC ARM&MULRIPURPOSE BUCKET&TURNER)(TYPE A) B060087 - B060308
HYD. PIPING MAIN (TELESCOPIC ARM&MULRIPURPOSE BUCKET&TURNER)(TYPE A) B060309 - B061398
HYD. PIPING MAIN (TELESCOPIC ARM&MULRIPURPOSE BUCKET&TURNER)(TYPE A) B061399 -
HYD. PIPING MAIN (TELESCOPIC ARM&SHOVEL&TURNER) (TYPE A) B060001 - B060024
HYD. PIPING MAIN (TELESCOPIC ARM&SHOVEL&TURNER) (TYPE A) B060025 - B060074
HYD. PIPING MAIN (TELESCOPIC ARM&SHOVEL&TURNER) (TYPE A) B060075 - B060086
HYD. PIPING MAIN (TELESCOPIC ARM&SHOVEL&TURNER) (TYPE A) B060087 - B060308
HYD. PIPING MAIN (TELESCOPIC ARM&SHOVEL&TURNER) (TYPE A) B060309 - B061398
HYD. PIPING MAIN (TELESCOPIC ARM&SHOVEL&TURNER) (TYPE A) B061399 -
HYDRAULIC PIPING, PILOT (TYPE A) B060001 - B060074
HYDRAULIC PIPING, PILOT (TYPE A) B060075 - B060086
HYDRAULIC PIPING, PILOT (TYPE A) B060087 -
HYDRAULIC PIPING, PILOT (LEFT HAND) (TYPE A) B060001 -
PATTERN SHIFTER (TYPE A) B060001 -
LOADER HYDRAULIC PIPING (SHOVEL) (TYPE A) (OP) B060001 - B060004
LOADER HYDRAULIC PIPING (SHOVEL) (TYPE A) (OP) B060005 -
LOADER HYDRAULIC PIPING (MULTIPURPOSE BUCKET) (TYPE A) B060001 - B060004
LOADER HYDRAULIC PIPING (MULTIPURPOSE BUCKET) (TYPE A) B060005 -
LOADER HYDRAULIC PIPING, LIFT CYLINDER, WITH PROTECTION VALVE B060001 -
LOADER HYD. PIPING, BUCKET CYLINDER B060001 -
LOADER HYDRAULIC PIPING, MSS B060001 -
HOSE HOLDER SET (STD. ARM) B060001 - B060473
HOSE HOLDER SET (STD. ARM) B060474 -
HOSE HOLDER SET (TELESCOPIC ARM) B060001 - B060473
HOSE HOLDER SET (TELESCOPIC ARM) B060474 -
HYDRAULIC PIPING, STABILIZER CYLINDER (TYPE A) B060001 -
HYD. PIPING, STABILIZER CYLINDER (WITH SAFETY LOCKING VALVE) (OP) B060001 -
HYDRAULIC PIPING, HYDROCLAMP (TYPE A) B060001 -
HYDRAULIC PIPING, SWING CYLINDER (TYPE A) B060001 -
BACKHOE HYDRAULIC PIPING, BOOM CYLINDER (TYPE A) B060001 -
BACKHOE HYD. PIPING, BOOM CYLINDER (WITH SAFETY LOCK VALVE) (OP) B060001 -
BACKHOE HYDRAULIC PIPING, ARM CYLINDER (TYPE A) B060001 -
BACKHOE HYD. PIPING, ARM CYLINDER (WITH SAFETY LOCK VALVE) (OP) B060001 -
BACKHOE HYDRAULIC PIPING, BUCKET CYLINDER (TYPE A) B060001 - B060499
BACKHOE HYDRAULIC PIPING, BUCKET CYLINDER (TYPE A) B060500 -
BACKHOE HYD. PIPING, BUCKET CYLINDER (TELESCOPIC) (TYPE A) (OP) B060001 - B060473
BACKHOE HYD. PIPING, BUCKET CYLINDER (TELESCOPIC) (TYPE A) (OP) B060474 -
SINGLE ACTING HYDRAULIC PIPING (BREAKER & STD. ARM) (TYPE A) B060001 - B060499
SINGLE ACTING HYDRAULIC PIPING (BREAKER & STD. ARM) (TYPE A) B060500 -
SINGLE ACTING HYDRAULIC PIPING (BREAKER & TELESCOPIC)(TYPE A) B060001 - B060014
SINGLE ACTING HYDRAULIC PIPING (BREAKER & TELESCOPIC)(TYPE A) B060015 - B060473
SINGLE ACTING HYDRAULIC PIPING (BREAKER & TELESCOPIC)(TYPE A) B060474 -
DOUBLE ACTING HYD.PIPING,STD ARM(AUGER/TILTING BUCKET,BREAKER)(TYPE A)(OP) B060001 - B060473
DOUBLE ACTING HYD.PIPING,STD ARM(AUGER/TILTING BUCKET,BREAKER)(TYPE A)(OP) B060474 -
DOUBLE ACTING HYD.PIPING,TELESCOPIC,LV(AUGER/TILTING BUCKET,BREAKER)(TYPE A)(OP) B060001 - B060473
DOUBLE ACTING HYD.PIPING,TELESCOPIC,LV(AUGER/TILTING BUCKET,BREAKER)(TYPE A)(OP) B060474 -
DOUBLE ACTING HYD.PIPING,TELESCOPIC,JY(AUGER/TILTING BUCKET,BREAKER)(TYPE A)(OP) B060001 - B060473
DOUBLE ACTING HYD.PIPING,TELESCOPIC,JY(AUGER/TILTING BUCKET,BREAKER)(TYPE A)(OP) B060474 -
HYDRAULIC, HAND BREAKER (TYPE A) (OP) B060001 -
HYDRAULIC PIPING, DIFFERENTIAL LOCK B060001 -
POWER SLIDER HYDRAULIC (OP) B060001 -
GEAR PUMP B060001 - B060024
GEAR PUMP B060025 - B061398
GEAR PUMP B061399 -
LOADER CONTROL VALVE, MULTIPURPOSE BUCKET (PROPORTIONAL) (TYPE A) B060001 -
LOADER CONTROL VALVE, GP BUCKET (TYPE A) B060001 -
BACKHOE CONTROL VALVE, MECHANIC (TYPE A) B060001 - B060201
BACKHOE CONTROL VALVE, MECHANIC (TYPE A) B060202 -
BACKHOE CONTROL VALVE (LEVER & X- DIAGONAL) (TYPE A) B060001 -
BACKHOE CONTROL VALVE, JOYSTICK (TYPE A) B060001 - B060503
BACKHOE CONTROL VALVE, JOYSTICK (TYPE A) B060504 -
ADDITIONAL ATTACHMENT CONTROL VALVE (TYPE A) B060001 - B060052
ADDITIONAL ATTACHMENT CONTROL VALVE (TYPE A) B060053 -
REMOTE CONTROL VALVE, RH B060001 -
REMOTE CONTROL VALVE, LEFT B060001 -
LIFT CYLINDER, LOADER, RH B060001 - B060004
LIFT CYLINDER, LOADER B060005 -
LIFT CYLINDER, LOADER, LEFT B060001 - B060004
BUCKET CYLINDER, LOADER, RH B060001 -
BUCKET CYLINDER, LOADER, LH B060001 -
MULTIPURPOSE BUCKET CYLINDER B060001 - B060518
MULTIPURPOSE BUCKET CYLINDER B060519 -
STABILIZER CYLINDER, RH B060001 -
STABILIZER CYLINDER, LH B060001 -
SWING CYLINDER B060001 -
BOOM CYLINDER, BACKHOE B060001 - B060461
BOOM CYLINDER, BACKHOE B060462 -
ARM CYLINDER, BACKHOE B060001 - B060399
ARM CYLINDER, BACKHOE B060400 -
BUCKET CYLINDER, BACKHOE B060001 -
BUCKET CYLINDER, BACKHOE, TELESCOPIC B060001 -
TELESCOPIC CYLINDER, BACKHOE B060001 -
QUICK COUPLER CYLINDER, LOADER B060001 -
LEVELLING BLADE CYLINDER B060001 -
LEVELLING BLADE CYLINDER (DOUBLE AXIS) RH B060001 -
LEVELLING BLADE CYLINDER (DOUBLE AXIS) LH B060001 -
LEVELLING BLADE CYLINDER (DOUBLE AXIS) CENTER B060001 -
LOG GRAPPLE CYLINDER B060001 -
LOG GRAPPLE CYLINDER (WITH VERTICAL MOVEMENT) B060001 -
TILTING BUCKET CYLINDER B060001 -
BOOM LOCKING CYLINDER (OP) B060001 -
ARM CYLINDER, BACKHOE (WITH SAFETY LOCK VALVE) (OP) B060001 - B060399
ARM CYLINDER, BACKHOE (WITH SAFETY LOCK VALVE) (OP) B060400 -
POWER SLIDER CYLINDER, OUTER (OP) B060001 -
POWER SLIDER CYLINDER, INNER (OP) B060001 -
PILOT SUPPLY BLOCK (WITH PROPORTIONAL VALVE) B060001 -
MSS, VALVE B060001 -
VALVE, PATTERN SHIFTER B060001 -
RAM, GRAPPLE BUCKET B060001 -
RAM, GRAPPLE B060001 -
MULTIPURPOSE BUCKET CYLINDER B060001 -
HYDRAULIC PIPING, STEERING (GEAR PUMP) (OP) B060001 -
HYDRAULIC PIPING, STEERING (GEAR PUMP, HMK AXLE) (OP) B062099 -
HYDRAULIC PIPING, BRAKE (GEAR PUMP)
CAB ELECTRIC (1) B060001 -
CAB ELECTRIC (2) B060001 -
CAB ELECTRIC (2) B060001 -
CAB ELECTRIC (3) B060001 -
CAB ELECTRIC (4) B060001 -
CAB ELECTRIC (5) B060001 -
CAB ELECTRIC (6) B060001 -
CAB ELECTRIC (7) B060001 -
CAB ELECTRIC (8) B060001 -
ELECTRIC (1) B060001 - B060379
ELECTRIC (1) B060380 - B062737
ELECTRIC (1) B062738 -
LEVELLING BLADE,(WITH TWO AXIS TURN) HARNESS (OP)
COMPRESSOR & HARNESS B060001 -
SMARTLINK (GEAR PUMP) B060001 -
TOOL KIT
ENGINE, 1104D-44TA B060001 -
CYLINDER HEAD COVER B060001 -
CAM SHAFT B060001 -
ROCKER ASSEMBLY B060001 -
PISTONS & RINGS B060001 -
FLYWHEEL B060001 -
FLYWHEEL HOUSING B060001 -
CRANKSHAFT MAIN & BIG END BEARINGS B060001 -
CYLINDER HEAD ASSY B060001 -
CYLINDER BLOCK &LINERS B060001 -
CONNECTING RODS B060001 -
REAR END OIL SEAL B060001 -
BLANKING PLATES B060001 -
FRONT END DRIVE INPUT B060001 -
TIMING CASE (1) B060001 -
TIMING CASE (2) B060001 -
TIMING COVER (3) B060001 -
DRIVE ADAPTOR B060001 -
BLANKING PLUGS B060001 -
INDUCTION MANIFOLD B060001 -
ENGINE LIFTING EYES B060001 -
MISCALLANEOUS & AUXILIARIES B060001 -
BLANKING PLATES B060001 -
SUMP B060001 -
DIPSTICK & FILLER TUBE B060001 -
OIL STRAINER B060001 -
FILLER B060001 -
OIL COOLER B060001 -
OIL FILTER B060001 -
REMOTE LUBRICATING OIL FILTER B060001 -
LUBRICATING OIL PUMP & DELIVERY HOUSING B060001 -
FEED PIPES B060001 -
LEAK-OFF PIPES B060001 -
BREATHER B060001 -
FAN DRIVE B060001 -
WATER PUMP B060001 -
PIPES B060001 -
WATER OUTLET HOUSING B060001 -
FUEL INJECTION PUMP B060001 -
HIGH PRESSURE FUEL PIPES B060001 -
ATOMISERS B060001 -
FUEL LEAK-OFF PIPE B060001 -
LIFT PUMP B060001 - B060020
LIFT PUMP B060021 -
INJECTION PUMP TO FILTER PIPE B060001 -
BOOST CONTROL PIPE B060001 -
FUEL FILTER B060001 -
PICK-UP SENSOR B060001 -
PICK-UP SENSOR B060001 -
STARTER MOTOR B060001 -
ALTERNATOR B060001 -
ALTERNATOR BRACKET & FIXINGS B060001 -
PULLEYS B060001 -
HEATER PLUGS B060001 -
LUBRICATION OIL PRESSURE SWITCHGAUGE B060001 -
TEMPERATURE GAUGE & SENDER B060001 -
TURBOCHARGER B060001 -
PIPEWORK & CONNECTIONS B060001 -
EXHAUST MANIFOLD B060001 -
PIPEWORK & CONNECTION B060001 -
INDUCTION MANIFOLD B060001 -
1
2
3
4
5
6
7
7
8
9
10
11
12
13
13
14
15
16
17
18
19
20
21
22
23
24
25
26
26
26
27
27
27
28
29
30
31
32
33
34
35
36
37
38
39
40
41
42
43
44
45
46
47
48
49
50
51
52
53
53
54
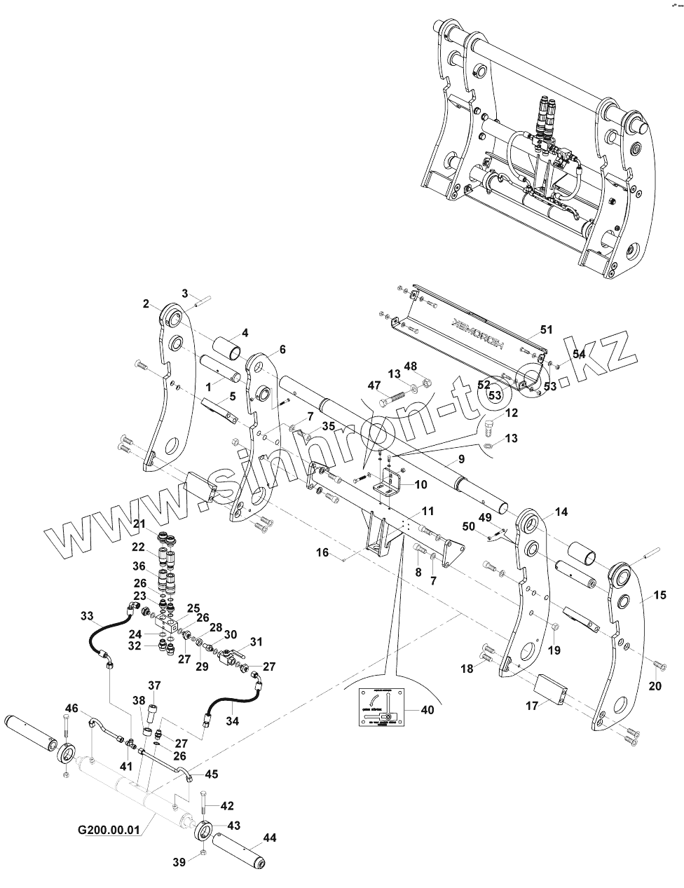
Позиция на иллюстрации
Заводской номер детали
Название детали
1
80104097
PIN
2
06890202
SUPPORT W.A., RH-OUTER
3
N156452538
PIN
4
02021012
PIPE
5
02021003
PLATE
6
06890212
SUPPORT W.A., RH-INNER
7
N030020029
Washer
8
N010233590
BOLT
9
81014452
ROD
10
02002227
BRACKET
11
06890221
SUPPORT W.A
12
N010232138
BOLT
13
N030810014
Washer
14
06890217
SUPPORT W.A., LH-INNER
15
06890207
SUPPORT W.A., LH-OUTER
16
N130020295
RIVET
17
02021301
PLATE
18
N044321262
SCREW
19
N025910194
NUT
20
N044321238
BOLT
21
80624324
ADAPTER
22
N169900071
QUICK COUPLING, MALE
23
80603312
ADAPTER
24
N030000015
Washer
25
02021304
VALVE BLOCK
26
N030000005
O-RING
27
80624316
ADAPTER
28
N183570164
RING
29
N173570164
NUT
30
80602117
ADAPTER
31
N140010650
BALL VALVE
32
N163430940
Adapter
33
6020024035
HOSE ASS'Y
34
6020021045
HOSE ASS'Y
35
N010233578
Bolt
36
N169900072
QUICK COUPLING, FEMALE
37
N015892018
BOLT
38
02021009
PIPE
39
N025910122
Nut
40
Y0611252
DECAL, FUNCTION
41
N163570157
TEE
42
N010380986
Bolt
43
02021007
STOPPER, PIN
44
80104115
PIN
45
45290651
PIPE ASS'Y
46
45290652
PIPE ASS'Y
47
N010380446
Bolt
48
N025910062
Nut
49
N010380470
BOLT
50
N023580182
BOLT
51
02015100
PLATE
52
N010232510
BOLT
53
N030810015
Washer
54
N025910086
Nut
Содержащиеся в справочниках-каталогах запасные части и детали не предлагаются к продаже, а носят исключительно информационный характер
Дополнительная информация
×
Название:
Номер:
Примечание: