Вернуться на главную
Поиск
Каталоги запчастей к технике
Спецтехника
Hidromek
102S MAESTRO
STEERING, CIRCUIT MOUNTING A80001 - A81134
Каталог запасных частей к технике: Hidromek 102S MAESTRO. STEERING, CIRCUIT MOUNTING A80001 - A81134
zoom-in
zoom-out
enlarge
shrink
circle-right
circle-left
file-text2
info
cart
Тип техники
Не выбрано
Легковые автомобили
Грузовые автомобили и прицепы
Автобусы
Сельхозтехника
Спецтехника
Двигатели
Мототехника
Марка
Не выбрано
Ammann
BOMAG
CARMIX
CASE IH
Changlin
ChengGong
Dimex
Doosan
DYNAPAC
Foton
HAMM
Hidromek
Hitachi
Hyundai
JCB
JLG
John Deere
Komatsu
LIEBHERR
LiuGong
Lonking (LongGong)
Luneng
MANITOU
Mitsuber
New Holland
PENGPU
RM-Terex
SANY
SDLG
SEM
Shantui
Shehwa HBXG
Soosan
TIGARBO
VOGELE
Volvo
WAY
WIRTGEN
XCMG
XGMA
Xiamen
YTO
Yuchai
Zoomlion
Автокран
АЗСМ
Алтайлесмаш
Амкодор
АОМЗ
Атек
АТЗ
Балканкар Рекорд
БелАЗ
Беловеж
Борекс
Брянский Арсенал
Булат
ВЭКС
ГАЗ
Геомаш
Гидромаш
Донекс
Дормаш
Дормашина
Дорэлектромаш
ДЭЗ
ЕлАЗ
ЗЗГТ
Ижнефтемаш
Канаш-электрокар
КЗКТ
ККЗ
Клевер
Клинцовский автокрановый завод
КМЗ
КМЗ 1 Мая
Ковровец
Коммаш
Кранэкс
КЭЗ
КЭМЗ
ЛЗА
МАЗ
МЗИК
МЗКМ
МЗКТ
Михневский РМЗ
МоАЗ
Мозырский МЗ
МТЗ
ОЗП
Онежец
ПАО "ТЗА"
ППС Детва
Промтрактор
ПТЗ
Раскат
СпецАгрегат
ТВЭКС
ТТМ
УВЗ
Угличмаш
УЗТМ
ХТЗ
ЧЗКМ
ЧСДМ
ЧТЗ
ЭКСКО
ЭКСМАШ
ЮрМаш
Модель
Не выбрано
102B Maestro-ZF (2012)
102S MAESTRO (2012)
HMK 102B (2005)
HMK 102B ALPHA (2017)
HMK 102S (2005)
HMK 102S ALPHA (2017)
HMK 200W (2005)
HMK 220LC-2 (2006)
HMK 230LC3 (2019)
HMK 300LC (2019)
HMK 62SS
Схема
>
Не выбрано
SHOVEL, CLAM, 4 IN 1 MULTIPURPOSE A80001 -
SHOVEL, CLAM, 4 IN 1 MULTIPURPOSE A80852 -
SHOVEL, CLAM, MULTIPURPOSE, FOR QUICK COUPLER A80001 -
SHOVEL A80001 -
SHOVEL A80001 -
SHOVEL, FORKLIFT MOUNTED A80001 -
SHOVEL, FORKLIFT MOUNTED A80001 -
SHOVEL, CLAM, FORKLIFT MOUNTED A80001 -
SHOVEL, CLAM, FORKLIFT MOUNTED A80852 -
QUICK COUPLER, LOADER A80001 -
LEVELLING, BLADE A80001 -
LEVELLING, BLADE, QUICK COUPLER A80001 -
LEVELLING BLADE, WITH TWO AXIS TURN A80001 -
LOG FORK, 2+1 CLAMP A80001 -
LOG FORK, WITH VERTICAL MOVEMENT A80001 -
BUCKET, BACKHOE A80001 -
BREAKER, DEMO DMB70 A80001 -
BREAKER, DEMO DMB50 A80001 -
BREAKER, ALICON B50 A80001 -
BREAKER, ALICON B70 A80001 -
BREAKER, MONTABERT- SC 36 A80001 -
BREAKER, MONTABERT- SC 28 A80001 -
BREAKER, DEMO DMB70 A80001 -
BREAKER, DEMO DMB50 A80001 -
BREAKER, ALICON B50 A80001 -
BREAKER, ALICON B70 A80001 -
BREAKER, MONTABERT- SC 36 A80001 -
BREAKER, MONTABERT- SC 28 A80001 -
AUGER A80001 -
AUGER A80001 -
AUGER A80001 -
RIPPER A80001 -
TILTING BUCKET A80001 -
QUICK COUPLER, BACKHOE A80001 -
CHASSIS A80001 -
BONNET- ENGINE PANEL- NOSE GUARD- BUMPER- FRONT GRILLE CHASSIS MOUN. A80001 -
PANEL, ENGINE, RIGHT SIDE A80001 -
PANEL, ENGINE, RIGHT LEFT A80001 -
BONNET A80001 -
TANK, HYDRAULIC A80001 -
FUEL SYSTEM A80001 -
AXLE - PROPSHAFT-CHASSIS MOUNTINGS A80001 -
WHEEL & FENDERS A80001 -
OPERATOR CAB, LEVERS MECHANISM A80001 -
OPERATOR CAB, JOYSTICK MECHANISM A80001 -
DOOR AND WINDOW SIDE, RIGHT A80001 - A80695
DOOR AND WINDOW SIDE, RIGHT A80696 -
DOOR AND WINDOW SIDE, LEFT A80001 - A80695
DOOR AND WINDOW SIDE, LEFT A80696 -
WINDOWS, FRONT - REAR A80001 -
WIPER SYSTEM A80001 -
CAB INTERIOR TRIMMING AND ROOF A80001 -
COVER, FRONT, CONTROL A80001 -
CONTROL LEVERS A80001 -
COVER, SIDE, RIGHT A80001 -
INSTRUMENT PANEL, SIDE, RIGHT A80001 -
COVER, SIDE, LEFT A80001 -
ACCESORIES, OPERATOR CAB, JOYSTICK MECHANISM A80001 -
ACCESSORIES, OPERATOR CAB A80001 -
OPERATOR SEAT, (1153486), MSG85-00 A80001 -
OPERATOR SEAT, (1153486), MSG85-00 A80001 -
OPERATOR SEAT, AIRPOT, (1161684), MSG95A-06 A80001 -
OPERATOR SEAT, AIRPOT, (1161684), MSG95A-06 A80001 -
CD- PLAYER SYSTEM A80001 -
LIGHTS A80001 -
REAR LIGHTING UNIT, BACKHOE LOADER A80001 -
LOADER ATTACHMENT MOUNTING A80001 - A80458
LOADER ATTACHMENT MOUNTING A80459 -
LOADER MOUNTING-1, LOADER ARM WITH BOX SECTION A80001 - A80295
LOADER MOUNTING-1, LOADER ARM WITH BOX SECTION A80296 -
SHOVEL LEVELLING MECHANISM A80001 -
MOUNTINGS, BACKHOE COMPONENTS A80001 - A80427
MOUNTINGS, BACKHOE COMPONENTS A80428 -
STABILISER, SIDESHIFT A80001 -
STABILISER, SIDESHIFT A80262 -
KINGPOST- CARRIAGE- SLEW / SWING RAM MOUNTINGS A80001 -
KINGPOST CARRIAGE A80001 -
SWING CARRIAGE, CASTING A80001 -
MAIN BOOM A80001 -
DIPPER-TIPPING LINK/LEVER-RAM MOUNT., COMMON CENTERED RAM&TIPPING LINK A80001 - A80427
DIPPER-TIPPING LINK/LEVER-RAM MOUNT., COMMON CENTERED RAM&TIPPING LINK A80428 -
DIPPER A80001 -
TELESCOPIC DIPPER A80001 - A80427
TELESCOPIC DIPPER A80428 -
FOOT A80001 -
FUSE BOX & RELAYS AND LAYOUT A80001 -
HARNESS, CAB, COMPLETE FUNCTION A80001 -
HARNESS, ENGINE, SINGLE/ DOUBLE BRAKE PEDAL, IMMOBILIZER, JOYSTICK A80001 -
HARNESS, REAR LIGHTING UNIT & STABILISER SWITCH A80001 -
STABILISER SWITCH ASSEMBLY A80001 -
CABLE, PARKING BRAKE TEST A80001 -
ACCUMULATOR AND ELECTRIC CONNECTIONS A80001 -
LEVELLING BLADE,(WITH TWO AXIS TURN) HARNESS A80001 -
HARNESS, AUGER/TILTING BUCKET A80001 -
COMPRESSOR ELECTRIC CONNECTIONS A80001 -
IMMOBILIZER A80001 -
STEERING HARNESS WIRE A80001 -
BUTTON HARNESS, CONTROL LEVERS A80001 -
CABLE, BACKHOE CONTROL LEVER A80001 -
CONTROL MECHANISM, LOADER- WITH JOYSTICK CONTROL, WITH RETURN TO DIG A80001 - A81018
CONTROL MECHANISM, LOADER- WITH JOYSTICK CONTROL, WITH RETURN TO DIG A81019 -
CONTROL SYSTEM, BACKHOE A80001 -
CONTROL SYSTEM, BACKHOE A80001 -
PEDAL MOUNTING, NB+KT, TB, TB+KT A80001 -
BOOM LOCKING AND MECHANISM A80001 -
HAND THROTTLE AND ACCELERATOR PEDAL A80001 - A81018
HAND THROTTLE AND ACCELERATOR PEDAL A81083 -
PARKING BRAKE A80001 -
STEERING COLUMN, DAMPER A80001 -
CIRCUIT MOUNTING, TB A80001 -
CIRCUIT MOUNTING, NB A80001 -
PUMP MOUNTING, GEAR PUMP A80001 -
PUMP MOUNTING, PISTON PUMP A80016 -
STEERING, CIRCUIT MOUNTING A80001 - A81134
STEERING, CIRCUIT MOUNTING A81135 -
BRAKE, CIRCUIT MOUNTING A80001 - A80085
BRAKE, CIRCUIT MOUNTING A80086 -
CIRCUIT MOUNTING, RAM, LIFT, LOADER A80001 -
CIRCUIT MOUNTING, RAM, SHOVEL, LOADER A80001 -
CIRCUIT MOUNTING, CLAMSHOVEL INSTALLATION, LOADER A80001 -
CIRCUIT MOUNTING, SHOVEL INSTALLATION, LOADER A80001 -
CIRCUIT MOUNTING, SOFT DRIVE SYSTEM, LOADER A80001 -
HOSE HOLDER SET, HYDRAULIC, NB+KT, BACKHOE A80654 -
HOSE HOLDER SET, HYDRAULIC, TB+KT, BACKHOE A80654 -
CIRCUIT MOUNTING, RAM, STABILISER A80001 -
CIRCUIT MOUNTING, RAM, STABILISER, LOCKING VALVE A80001 -
CIRCUIT MOUNTING, HYDROCLAMP A80001 -
CIRCUIT MOUNTING, RAM, SLEW/SWING (A80001 -)
CIRCUIT MOUNTING, RAM, MAIN BOOM, BACKHOE A80001 -
CIRCUIT MOUNTING, RAM, MAIN BOOM, ( WITH PROTECTION VALVE), BACKHOE A80001 -
CIRCUIT MOUNTING, RAM, DIPPER, BACKHOE A80001 -
CIRCUIT MOUNTING, RAM, DIPPER, ( WITH PROTECTION VALVE), BACKHOE A80001 -
CIRCUIT MOUNTING, RAM, BUCKET, NB A80001 -
CIRCUIT MOUNTING, RAM, BUCKET, TB A80001 - A80653
CIRCUIT MOUNTING, RAM, BUCKET, TB A80654 -
CIRCUIT, HYDRAULIC, JOYSTICK, NB A80001 - A81018
CIRCUIT, HYDRAULIC, JOYSTICK, NB A81019 -
CIRCUIT, HYDRAULIC, JOYSTICK, TB A80001 - A81018
CIRCUIT, HYDRAULIC, JOYSTICK, TB A81019 -
CIRCUIT MOUNTING, BREAKER INSTALLATION, NK A80001 -
CIRCUIT MOUNTING, BREAKER INSTALLATION, TELESCOPIC BOOM A80001 - A80255
HYDRAULIC, AUGER/TILTING BUCKET, NK A80001 -
HYDRAULIC, AUGER/TILTING BUCKET, TELESCOPIC BOOM A80001 -
HYDRAULIC, HAND BREAKER A80001 -
CIRCUIT MOUNTING, DIFFERENTIAL LOCKING A80001 -
LOADER CONTROL VALVE BLOCK AND ADAPTERS-JY- SHOVEL A80001 -
LOADER CONTROL VALVE BLOCK AND ADAPTERS- JY-CLAMSHELL BUCKET A80001 - A81018
LOADER CONTROL VALVE BLOCK AND ADAPTERS- JY-CLAMSHELL BUCKET A81019 -
LOADER CONTROL VALVE BLOCK AND ADAPTERS-LEVERS- SHOVEL A80001 -
LOADER CONTROL VALVE BLOCK AND ADAPTERS- LEVERS-CLAMSHELL BUCKET A80001 -
LOADER CONTROL VALVE BLOCK- WITH RETURN TO DIG A80001 -
BACKHOE CONTROL VALVE BLOCK AND ADAPTERS, LEVERS, TB A80001 -
BACKHOE CONTROL VALVE BLOCK AND ADAPTERS, JY+TB A80001 -
BACKHOE CONTROL VALVE BLOCK AND ADAPTERS, LEVERS, NB A80001 -
BACKHOE CONTROL VALVE BLOCK AND ADAPTERS, JY+NB A80001 -
BACKHOE CONTROL VALVE BLOCK AND ADAPTERS, LEVERS, NB (X-DIAGONAL) A80001 -
BACKHOE CONTROL VALVE BLOCK AND ADAPTERS, LEVERS, TB (X-DIAGONAL) A80001 -
ATTACHMENT CONTROL VALVE, BUCHER- HDS30/1 A80001 -
GEAR PUMP, HEMA, (37/29 cc/rev) A80001 - A80053
GEAR PUMP, HEMA A80054 -
REMOTE CONTROL VALVE, RIGHT, BACKHOE A80001 -
REMOTE CONTROL VALVE, LEFT, BACKHOE A80001 -
RAM, LIFT, RIGHT, LOADER A80001 -
RAM, LIFT, LEFT, LOADER A80001 -
RAM, SHOVEL, RIGHT, LOADER A80001 -
RAM, SHOVEL, LEFT, LOADER A80001 -
RAM, CLAMSHOVEL, RIGHT - LEFT, LOADER A80001 -
RAM,STABILISER, RIGHT A80001 - A80261
RAM,STABILISER, RIGHT A80262 -
RAM,STABILISER, RIGHT A80001 - A80261
RAM,STABILISER, RIGHT A80262 -
RAM, SLEW SWING (RIGHT - LEFT) A80001 -
RAM, MAIN BOOM, BACKHOE
RAM, DIPPER, BACKHOE A80001 - A80075
RAM, DIPPER, BACKHOE A80076 -
RAM, BUCKET, BACKHOE, COMMON CENTERED RAM AND TIPPING LINK A80001 -
RAM, EXTENSION, TELESCOPIC DIPPER, BACKHOE A80001 -
RAM, BUCKET,TELESCOPIC DIPPER,BACKHOE,COMMON CENTERED RAM & TIPPING LINK A80001 -
RAM, QUICK COUPLER A80001 -
RAM, LEVELLING BLADE A80001 -
RAM, LEVELLING BLADE RIGHT WITH 2 AXIS TURN A80001 -
RAM, LEVELLING BLADE, WITH 2 AXIS TURN A80001 -
RAM, LEVELLING BLADE, WITH 2 AXIS TURN A80001 -
RAM, LOG FORK A80001 -
LOG FORK, WITH VERTICAL MOVEMENT A80001 -
RAM, TILTING BUCKET A80001 -
FRONT AXLE A80001 -
FRONT AXLE HOUSING A80001 -
SWIVEL HOUSING AND STEERING CYLINDER, FRONT AXLE A80001 -
BEVEL GEAR SET, FRONT AXLE A80001 -
DIFFERRENTIAL, FRONT AXLE A80001 -
DOUBLE JOINT, FRONT AXLE A80001 -
WHEEL HUB, FRONT AXLE A80001 -
FINAL REDUCTION, REAR AXLE A80001 -
REAR AXLE A80001 -
AXLE HOUSING, REAR AXLE A80001 -
SWIVEL HOUSING AND STEERING CYLINDER, REAR AXLE A80001 - A80449
SWIVEL HOUSING AND STEERING CYLINDER, REAR AXLE A80450 -
BEVEL GEAR SET, REAR AXLE A80001 -
DIFFERENTIAL, REAR AXLE A80001 -
DIFFERRENTIAL LOCKING, REAR AXLE A80001 -
DOUBLE JOINT, REAR AXLE A80001 -
HALF-SHAFT AND BRAKES, REAR AXLE A80001 -
WHEEL HUB, REAR AXLE A80001 -
FINAL REDUCTION, REAR AXLE A80001 -
BRAKE CALIPER, REAR AXLE A80001 -
TRANSMISSION A80001 -
ENGINE CONNECT. A80001 -
CONVERTER A80001 -
DRIVE A80001 -
TRANSM. HOUSING A80001 -
TRANSM. HOUSING A80001 -
REVERSING GEAR A80001 -
REVERSING GEAR A80001 -
COUPLING A80001 -
COUPLING A80001 -
COUPLING (K2) A80001 -
COUPLING (K3) A80001 -
COUPLING (K4) A80001 -
OUTPUT A80001 -
CONTROL UNIT A80001 -
GEARSHIFT SYST. A80001 -
GEARSHIFT SYST. A80001 -
PRESSURE OIL PUMP A80001 -
INDUCTIVE TRANSMITTER A80001 -
TEMP. SENSOR A80001 -
FILTER A80001 -
ENGINE, 1104D-44TA, TIER III A80001 -
CYLINDER BLOCK &LINERS, ENGINE 1104D-44TA, TIER III A80001 -
CRANKSHAFT MAIN & BIG END BEARINGS , ENGINE 1104D- 44TA, TIERIII A80001 -
PISTONS & RINGS, ENGINE 1104D-44TA, TIER III A80001 -
CONNECTING RODS, ENGINE 1104D-44TA, TIER III A80001 -
REAR END OIL SEAL, ENGINE 1104D-44TA, TIER III A80001 -
CYLINDER HEAD ASSY, ENGINE 1104D-44TA, TIER III A80001 -
ROCKER ASSEMBLY, ENGINE 1104D- 44TA, TIER III A80001 -
TIMING GEAR & CAM SHAFT, ENGINE 1104D- 44TA, TIER III A80001 -
FUEL INJECTION PUMP, ENGINE 1104D- 44TA, TIER III A80001 -
HIGH PRESSURE FUEL PIPES,ENGINE 1104D- 44TA, TIER III A80001 -
ATOMISERS, ENGINE 1104D- 44TA, TIER III A80001 -
PICK-UP SENSOR, ENGINE 1104D- 44TA, TIER III A80001 -
FUEL LEAK-OFF PIPE, ENGINE 1104D-44TA, TIER III A80001 -
PICK-UP SENSOR, ENGINE 1104D- 44TA, TIER III A80001 -
FLYWHEEL & STARTER RING, ENGINE 1104D- 44TA, TIER III A80001 -
FLYWHEEL HOUSING, ENGINE 1104D- 44TA, TIER III A80001 -
STARTER MOTOR, ENGINE 1104D- 44TA, TIER III A80001 -
FAN DRIVE, ENGINE 1104D- 44TA, TIER III A80001 -
SUMP, ENGINE 1104D- 44TA, TIER III A80001 -
DIPSTICK & FILLER TUBE, ENGINE 1104D- 44TA, TIER III
OIL STRAINER, ENGINE 1104D- 44TA, TIER III A80001 -
CYLINDER HEAD COVER, ENGINE 1104D- 44TA, TIER III A80001 -
CYLINDER HEAD COVER, ENGINE 1104D- 44TA, TIER III A80001 -
FILLER, ENGINE 1104D- 44TA, TIER III A80001 -
BREATHER, ENGINE 1104D- 44TA, TIER III
OIL COOLER, ENGINE 1104D- 44TA, TIER III A80001 -
OIL FILTER, ENGINE 1104C-44T, TIER III A80001 -
BLANKING PLATES, ENGINE 1104D-44TA, TIER III A80001 -
REMOTE LUBRICATING OIL FILTER, ENGINE 1104D- 44TA, TIER III A80001 -
FRONT END DRIVE INPUT, ENGINE 1104D- 44TA, TIER III A80001 -
WATER PUMP, ENGINE 1104D- 44TA, TIER III A80001 -
PIPES, ENGINE 1104D- 44TA, TIER III A80001 -
WATER OUTLET HOUSING, ENGINE 1104D- 44TA, TIER III A80001 -
ALTERNATOR 1104D- 44TA, TIER III A80001 -
ALTERNATOR BRACKET & FIXINGS, ENGINE 1104D- 44TA, TIER III A80001 -
PULLEYS, ENGINE 1104D- 44TA, TIER III A80001 -
TIMING CASE, ENGINE 1104D- 44TA, TIER III A80001 -
TIMING CASE, ENGINE 1104D- 44TA, TIER III A80001 -
TIMING COVER, ENGINE 1104D- 44TA, TIER III A80001 -
DRIVE ADAPTOR, ENGINE 1104D- 44TA, TIER III
BLANKING PLUGS, ENGINE 1104D- 44TA, TIER III
LUBRICATING OIL PUMP & DELIVERY HOUSING, ENGINE 1104D- 44TA, TIER III A80001 -
TURBOCHARGER, ENGINE 1104D- 44TA, TIER III A80001 -
FEED PIPES, ENGINE 1104D- 44TA, TIER III A80001 -
LEAK-OFF PIPES, ENGINE 1104D- 44TA, TIER III A80001 -
PIPEWORK & CONNECTIONS, ENGINE 1104D- 44TA, TIER III A80001 -
EXHAUST MANIFOLD, ENGINE 1104D- 44TA, TIER III A80001 -
PIPEWORK & CONNECTION, ENGINE 1104D- 44TA, TIER III A80001 -
INDUCTION MANIFOLD, ENGINE 1104D- 44TA, TIER III A80001 -
BLANKING PLATES, ENGINE 1104D- 44TA, TIER III A80001 -
BLANKING PLATES, ENGINE 1104D- 44TA, TIER III A80001 -
LIFT PUMP, ENGINE 1104D- 44TA / CA, 4TA A80001 -
FILTER TO INJECTION PUMP PIPE, ENGINE 1104C-44T, RG38101 A80001 -
INJECTION PUMP TO FILTER PIPE, ENGINE 1104D- 44TA / CA, 4TA A80001 -
BOOST CONTROL PIPE, ENGINE 1104D- 44TA / CA, 4TA A80001 -
HEATER PLUGS, ENGINE 1104C-44T, RG38101 A80001 -
ENGINE LIFTING EYES, ENGINE 1104D- 44TA / CA, 4TA A80001 -
LUBRICATION OIL PRESSURE SWITCH/GAUGE, ENGINE 1104D- 44TA / CA, 4TA A80001 -
LUBRICATION OIL PRESSURE SWITCH/GAUGE, ENGINE 1104D- 44TA, TIER III A80001 -
WATER HEATER SWITCH, MOTOR 1104D- 44TA, TIER III A80001 -
AUXILIARY EQUIPMENT, MOTOR 1104D- 44TA, TIER III A80001 -
MISCELLANEOUS & AUXILIARIES, ENGINE 1104D- 44TA / CA, 4TA A80001 -
BLANKING PLATES, ENGINE 1104D- 44TA / CA, 4TA A80001 -
CHASSIS - CAB - ENGINE MOUNTINGS A80001 -
AIR FILTER AND MOUNTINGS A80001 -
AIR FILTER AND MOUNTINGS A80001 -
EXHAUST ASSEMBLY A80001 -
RADIATOR - OIL COOLER AND FITTINGS A80001 -
RADIATOR - OIL COOLER AND FITTINGS A80001 -
COOLING SYSTEM, HYDRAULIC AND TRANSMISSION OIL A80001 -
HEATER, HEATING SYSTEM A80001 - A80060
HEATER, HEATING SYSTEM A80061 -
AIR CONDITIONER, COOLING SYSTEM A80001 -
AIR CONDITIONER, COOLING SYSTEM A80814 -
AIR CONDITIONER, CAB A80001 -
CONTROL MECHANISM, LOADER- WITH JOYSTICK CONTROL A80001 -
CONTROL SYSTEM, BACKHOE, NB A80001 -
CONTROL SYSTEM, BACKHOE, TB A80001 -
CIRCUIT MOUNTING, TB A80855 -
PUMP MOUNTING, PISTON PUMP A80001 -
STEERING, CIRCUIT MOUNTING A80001 -
CIRCUIT MOUNTING, RAM, LIFT, LOADER A80001 -
CIRCUIT MOUNTING, RAM, SHOVEL, LOADER A80001 -
CIRCUIT MOUNTING, CLAMSHOVEL INSTALLATION, LOADER A80001 -
CIRCUIT MOUNTING, SHOVEL INSTALLATION, LOADER A80001 -
CIRCUIT MOUNTING, SOFT DRIVE SYSTEM, LOADER A80001 -
CIRCUIT MOUNTING, HYDROCLAMP A80001 -
CIRCUIT MOUNTING, RAM, BUCKET, TB A80001 -
CIRCUIT, HYDRAULIC, JOYSTICK, NB A80001 - A81018
CIRCUIT, HYDRAULIC, JOYSTICK, NB A81019 -
CIRCUIT, HYDRAULIC, JOYSTICK, TB A80001 -
CIRCUIT, HYDRAULIC, JOYSTICK, TB A81019 -
LOADER CONTROL VALVE BLOCK AND ADAPTERS- JY-SHOVEL, CLAM A80001 -
LOADER CONTROL VALVE ELEMENTS A80001 -
LOADER CONTROL VALVE-INLET BLOCK A80001 -
LOADER CONTROL VALVE-LIFT RAM CONTROL BLOCK A80001 -
LOADER CONTROL VALVE-SHOVEL RAM CONTROL BLOCK A80001 -
LOADER CONTROL VALVE-CLAMSHOVEL RAM CONTROL BLOCK A80001 -
LOADER CONTROL VALVE-OUTLET BLOCK A80001 -
BACKHOE CONTROL VALVE BLOCK AND ADAPTERS, JY+TB A80001 -
BACKHOE CONTROL VALVE ELEMENTS- WITH JOYSTICK CONTROL A80001 -
BACKHOE CONTROL VALVE-Д°NLET BLOCK A80001 -
BACKHOE CONTROL VALVE-ARM-BOOM-TELESCOPIC CONTROL BLOCKS, JOYSTICK A80001 -
BACKHOE CONTROL VALVE-SLEW SWING RAM CONTROL BLOCK, JOYSTICK A80001 -
BACKHOE CONTROL VALVE-STABILISER RAM CONTROL BLOCK, JOYSTICK A80001 -
BACKHOE CONTROL VALVE-BUCKET RAM CONTROL BLOCK, JOYSTICK A80001 -
BACKHOE CONTROL VALVE-OUTLET BLOCK A80001 -
PISTON PUMP A80001 -
1
2
3
4
5
6
7
8
9
10
11
12
12
13
13
14
14
15
16
17
17
18
18
19
20
21
22
23
24
25
26
27
27
28
29
30
31
32
33
34
35
36
37
38
39
40
40
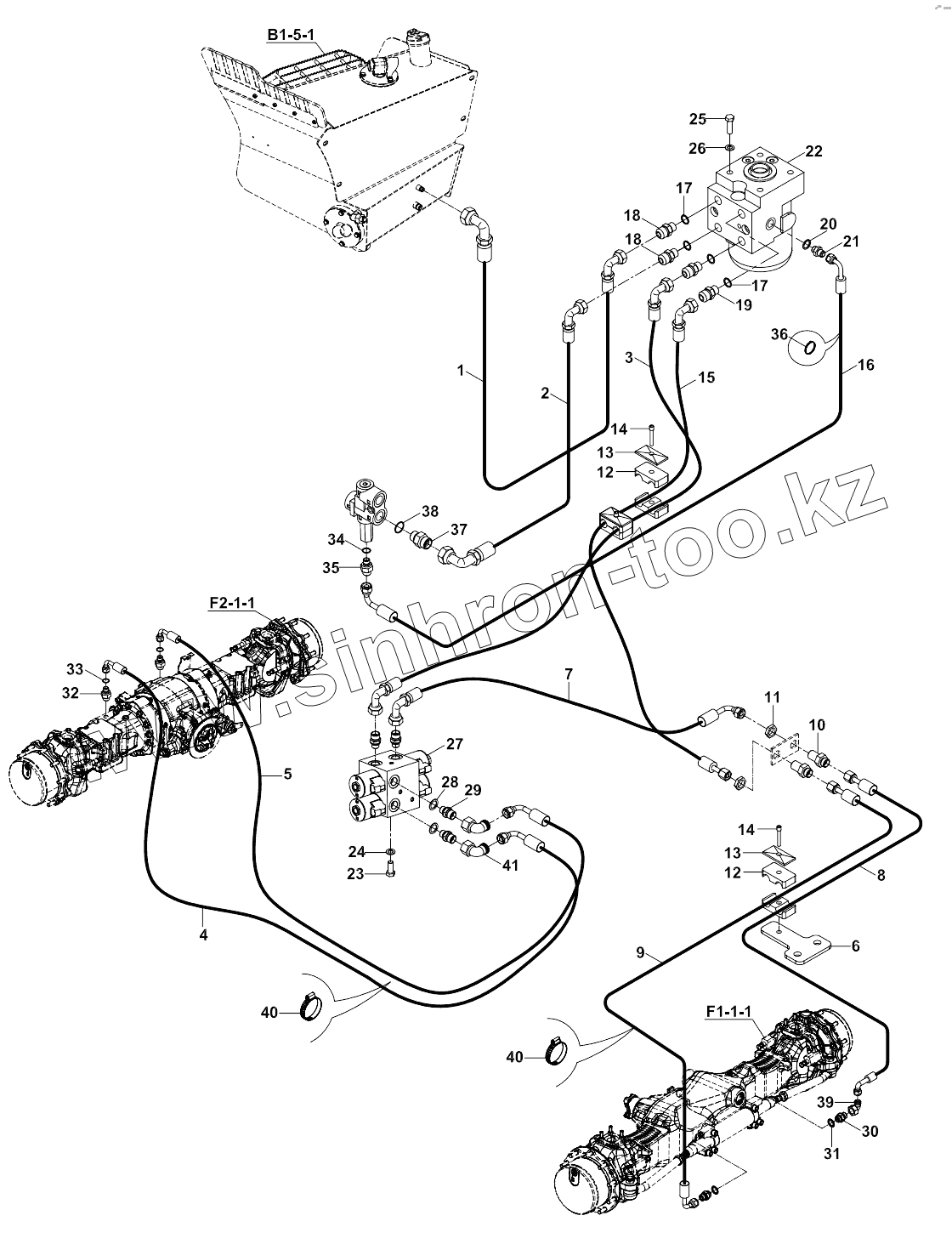
Позиция на иллюстрации
Заводской номер детали
Название детали
1
664/2223115
Hose
2
664/2223185
Hose
3
663/1123230
Hose
4
663/1128090
Hose
5
663/1128070
Hose
6
020/21799
Base, clamp
7
663/1122240
Hose
8
663/112H055
Hose
9
663/112H100
Hose
10
806/24052
ADAPTER
11
804/00618
NUT
12
N07/3016003
CLAMP BODY
13
N07/3016002
COVER, CLAMP
14
N01/0232174
Bolt
15
663/1123205
Hose
16
602/0023175
Hose
17
N03/0000015
Washer
18
N16/3430940
ADAPTER
19
N16/3430849
ADAPTER
20
N03/0000004
Washer, Pln.
21
N16/3430814
ADAPTER
22
F21/11061
Valve
23
N01/0232114
Bolt, Hex.
24
N03/0810014
Washer
25
N01/5890842
Bolt, Cylinder Head
26
N03/0810015
Washer
27
F18/81020
Selenoid valve
27
F18/81015
Selenoid valve
28
N03/0000005
Washer
29
806/24018
ADAPTER
30
806/24618
ADAPTER
31
N10/2001526
O-RING
32
806/24618
ADAPTER
33
N10/2001526
O-RING
34
N03/0000004
Washer, Pln.
35
N16/3430814
ADAPTER
36
510/12200
Strap
37
N16/3430940
ADAPTER
38
N03/0000015
Washer
39
N16/3750045
Elbow
40
510/12200
Strap
Содержащиеся в справочниках-каталогах запасные части и детали не предлагаются к продаже, а носят исключительно информационный характер
Дополнительная информация
×
Название:
Номер:
Примечание: