Вернуться на главную
Поиск
Каталоги запчастей к технике
Спецтехника
Hidromek
102B Maestro-ZF
MOUNTINGS, BACKHOE COMPONENTS A19001-
Каталог запасных частей к технике: Hidromek 102B Maestro-ZF. MOUNTINGS, BACKHOE COMPONENTS A19001-
zoom-in
zoom-out
enlarge
shrink
circle-right
circle-left
file-text2
info
cart
Тип техники
Не выбрано
Легковые автомобили
Грузовые автомобили и прицепы
Автобусы
Сельхозтехника
Спецтехника
Двигатели
Мототехника
Марка
Не выбрано
Ammann
BOMAG
CARMIX
CASE IH
Changlin
ChengGong
Dimex
Doosan
DYNAPAC
Foton
HAMM
Hidromek
Hitachi
Hyundai
JCB
JLG
John Deere
Komatsu
LIEBHERR
LiuGong
Lonking (LongGong)
Luneng
MANITOU
Mitsuber
New Holland
PENGPU
RM-Terex
SANY
SDLG
SEM
Shantui
Shehwa HBXG
Soosan
TIGARBO
VOGELE
Volvo
WAY
WIRTGEN
XCMG
XGMA
Xiamen
YTO
Yuchai
Zoomlion
Автокран
АЗСМ
Алтайлесмаш
Амкодор
АОМЗ
Атек
АТЗ
Балканкар Рекорд
БелАЗ
Беловеж
Борекс
Брянский Арсенал
Булат
ВЭКС
ГАЗ
Геомаш
Гидромаш
Донекс
Дормаш
Дормашина
Дорэлектромаш
ДЭЗ
ЕлАЗ
ЗЗГТ
Ижнефтемаш
Канаш-электрокар
КЗКТ
ККЗ
Клевер
Клинцовский автокрановый завод
КМЗ
КМЗ 1 Мая
Ковровец
Коммаш
Кранэкс
КЭЗ
КЭМЗ
ЛЗА
МАЗ
МЗИК
МЗКМ
МЗКТ
Михневский РМЗ
МоАЗ
Мозырский МЗ
МТЗ
ОЗП
Онежец
ПАО "ТЗА"
ППС Детва
Промтрактор
ПТЗ
Раскат
СпецАгрегат
ТВЭКС
ТТМ
УВЗ
Угличмаш
УЗТМ
ХТЗ
ЧЗКМ
ЧСДМ
ЧТЗ
ЭКСКО
ЭКСМАШ
ЮрМаш
Модель
Не выбрано
102B Maestro-ZF (2012)
102S MAESTRO (2012)
HMK 102B (2005)
HMK 102B ALPHA (2017)
HMK 102S (2005)
HMK 102S ALPHA (2017)
HMK 200W (2005)
HMK 220LC-2 (2006)
HMK 230LC3 (2019)
HMK 300LC (2019)
HMK 62SS
Схема
>
Не выбрано
SHOVEL, CLAM, 4 IN 1 MULTIPURPOSE A19001-A19028
SHOVEL, CLAM, 4 IN 1 MULTIPURPOSE A19001-
SHOVEL, CLAM, 4 IN 1 MULTIPURPOSE A20378-
SHOVEL, CLAM, MULTIPURPOSE, FOR QUICK COUPLER A19001-
SHOVEL A19001-
SHOVEL A19001-
SHOVEL, FORKLIFT MOUNTED A19001-
SHOVEL, FORKLIFT MOUNTED A19001-
SHOVEL, CLAM, FORKLIFT MOUNTED A19001-A19123
SHOVEL, CLAM, FORKLIFT MOUNTED A19124-
SHOVEL, CLAM, FORKLIFT MOUNTED A20378-
QUICK COUPLER, LOADER A19001-
LEVELLING, BLADE A19001-
LEVELLING, BLADE, QUICK COUPLER A19001-
LEVELLING BLADE, WITH TWO AXIS TURN A19001-
LOG FORK, 2+1 CLAMP A19001-
LOG FORK, WITH VERTICAL MOVEMENT A19001-
BUCKET, BACKHOE A19001-
BUCKET, BACKHOE, 3-AXIS A19001-
BREAKER, DEMO DMB70 A19001-
BREAKER, DEMO DMB50 A19001-
BREAKER, ALICON B50 A20945-
BREAKER, ALICON B70 A20945-
BREAKER, MONTABERT-SC 36 A20001-
BREAKER, MONTABERT-SC 28 A20001-
BREAKER, DEMO DMB70 A19001-
BREAKER, DEMO DMB50 A19001-
BREAKER, ALICON B50 A20945-
BREAKER, ALICON B70 A20945-
BREAKER, MONTABERT-SC 36 A20001-
BREAKER, MONTABERT-SC 28 A20001-
AUGER A19001-
AUGER A19001-
AUGER A19001-
RIPPER A19001-
TILTING BUCKET A19001-
QUICK COUPLER, BACKHOE A19001-
CHASSIS
BONNET-ENGINE PANEL-NOSE GUARD-BUMPER-FRONT GRILLE CHASSIS MOUN. A19001-A19554
BONNET-ENGINE PANEL-NOSE GUARD-BUMPER-FRONT GRILLE CHASSIS MOUN. A19555-
PANEL, ENGINE, RIGHT SIDE A19001-
PANEL, ENGINE, RIGHT SIDE A19001-
BONNET A19001-A19039
BONNET A19040-
TANK, HYDRAULIC A19001-A20395
TANK, HYDRAULIC A20396-
FUEL SYSTEM A19001-A19639
FUEL SYSTEM A19640-A20395
FUEL SYSTEM A20396-
AXLE-PROPSHAFT-CHASSIS MOUNTINGS A19001-A20312
AXLE-PROPSHAFT-CHASSIS MOUNTINGS A20013-
WHEEL & FENDERS A19001-
OPERATOR CAB, LEVERS MECHANISM A19001-
OPERATOR CAB, JOYSTICK MECHANISM A19001-
DOOR AND WINDOW SIDE, RIGHT A19001-A20752
DOOR AND WINDOW SIDE, RIGHT A20753-
DOOR AND WINDOW SIDE, LEFT A19001-A20752
DOOR AND WINDOW SIDE, LEFT A20753-
WINDOWS, FRONT-REAR A19001-
WIPER SYSTEM A19001-
CAB INTERIOR TRIMMING AND ROOF A19001-
COVER, FRONT, CONTROL A19001-A19078
COVER, FRONT, CONTROL A19079-
CONTROL LEVERS A19001-A19639
CONTROL LEVERS A19970-
COVER, SIDE, RIGHT A19001-
INSTRUMENT PANEL, SIDE, RIGHT A19001-
COVER, SIDE, LEFT A19001-
ACCESORIES, OPERATOR CAB, JOYCTICK MECHANISM A19001-A19400
ACCESORIES, OPERATOR CAB, JOYSTICK MECHANISM A19401-
ACCESSORIES, OPERATOR CAB A19001-
OPERATOR SEAT, (1153486), MSG85-00 A19001-
OPERATOR SEAT, (1153486), MSG85-00 A19001-
OPERATOR SEAT, AIRPOT, (1161684), MSG95A-06 A19001-
OPERATOR SEAT, AIRPOT, (1161684), MSG95A-06 A19001-
CD-PLAYER SYSTEM A19001-
LIGHTS A19001-
REAR LIGHTING UNIT, BACKHOE LOADER A19001-
LOADER ATTACHMENT MOUNTING A19001-
LOADER ATTACHMENT MOUNTING A19280-A20500
LOADER ATTACHMENT MOUNTING A20501-
LOADER MOUNTING-1, LOADER ARM WITH BOX SECTION A19001-
LOADER MOUNTING-1, LOADER ARM WITH BOX SECTION A19001-A20290
LOADER MOUNTING-1, LOADER ARM WITH BOX SECTION A20291-
SHOVEL LEVELLING MECHANISM A19001-
MOUNTINGS, BACKHOE COMPONENTS A19001-A20410
MOUNTINGS, BACKHOE COMPONENTS A20411-
STABILISER, SIDESHIFT A19001-A20188
STABILISER, SIDESHIFT A20189-
KINGPOST-CARRIAGE-SLEW / SWING RAM MOUNTINGS A19001-
KINGPOST CARRIAGE A19001-
SWING CARRIAGE, CASTING A19001-
MAIN BOOM A19001-
DIPPER-TIPPING LINK/LEVER-RAM MOUNT., COMMON CENTERED RAM&TIPPING LINK A19001-A20410
DIPPER-TIPPING LINK/LEVER-RAM MOUNT., COMMON CENTERED RAM&TIPPING LINK A20411-
DIPPER A19001-
TELESCOPIC DIPPER A19001-A20410
TELESCOPIC DIPPER A20411-
FOOT A19001-
FUSE BOX & RELAYS AND LAYOUT A19001-
HARNESS, CAB, COMPLETE FUNCTION A19001-
HARNESS, ENGINE, SINGLE/ DOUBLE BRAKE PEDAL, IMMOBILIZER, JOYSTICK A19001-
HARNESS, REAR LIGHTING UNIT & STABILISER SWITCH A19001-
STABILISER SWITCH ASSEMBLY A19001-
CABLE, PARKING BRAKE TEST A19001-
ACCUMULATOR AND ELECTRIC CONNECTIONS A19001-
LEVELLING BLADE, (WITH TWO AXIS TURN) HARNESS A19001-
HARNESS, AUGER/TILTING BUCKET A19001-
COMPRESSOR AND ELECTRIC CONNECTIONS A19001-
IMMOBILIZER A19001-
BUTTON HARNESS, CONTROL LEVERS A19001-
CABLE, BACKHOE CONTROL LEVER A19001-
CONTROL MECHANISM, LOADER-WITH JOYSTICK CONTROL, WITH RETURN TO DIG A19001-A21178
CONTROL MECHANISM, LOADER-WITH JOYSTICK CONTROL, WITH RETURN TO DIG A21179-
CONTROL SYSTEM, BACKHOE A19001-
CONTROL SYSTEM, BACKHOE A19001-
PEDAL MOUNTING, NB+KT, TB, TB+KT A19001-
BOOM LOCKING AND MECHANISM A19001-
HAND THROTTLE AND ACCELERATOR PEDAL A19001-
PARKING BRAKE A19001-
STEERING COLUMN, DAMPER A19001-
CIRCUIT MOUNTING, TB A19001-
CIRCUIT MOUNTING, NB A19001-
PUMP MOUNTING, GEAR PUMP A19001-
STEERING, CIRCUIT MOUNTING A19001-
BRAKE, CIRCUIT MOUNTING A19001-A19330
BRAKE, CIRCUIT MOUNTING A19331-A20042
BRAKE, CIRCUIT MOUNTING A20043-
CIRCUIT MOUNTING, RAM, LIFT, LOADER (A19001-A19289)
CIRCUIT MOUNTING, RAM, LIFT, LOADER A19290-
CIRCUIT MOUNTING, RAM, SHOVEL, LOADER A19001-
CIRCUIT MOUNTING, CLAMSHOVEL INSTALLATION, LOADER A19001-
CIRCUIT MOUNTING, SHOVEL INSTALLATION, LOADER A19001-A19289
CIRCUIT MOUNTING, SHOVEL INSTALLATION, LOADER A19290-
CIRCUIT MOUNTING, SOFT DRIVE SYSTEM, LOADER A19001-
HOSE HOLDER SET, HYDRAULIC, NB+KT, BACKHOE A20727-
HOSE HOLDER SET, HYDRAULIC, TB+KT, BACKHOE A20727-
CIRCUIT MOUNTING, RAM, STABILISER A19001-
CIRCUIT MOUNTING, RAM, STABILISER, LOCKING VALVE A19001-
CIRCUIT MOUNTING, HYDROCLAMP A19001-
CIRCUIT MOUNTING, RAM, SLEW/SWING A19001-
CIRCUIT MOUNTING, RAM, MAIN BOOM, BACKHOE A19001-
CIRCUIT MOUNTING, RAM, MAIN BOOM, ( WITH PROTECTION VALVE), BACKHOE A19001-
CIRCUIT MOUNTING, RAM, DIPPER, BACKHOE A19001-
CIRCUIT MOUNTING, RAM, DIPPER, ( WITH PROTECTION VALVE), BACKHOE A19001-
CIRCUIT MOUNTING, RAM, BUCKET, NB A19001-
CIRCUIT MOUNTING, RAM, BUCKET, TB A19001-A20726
CIRCUIT MOUNTING, RAM, BUCKET, TB A20727-
CIRCUIT, HYDRAULIC, JOYSTICK, NB A19001-A21178
CIRCUIT, HYDRAULIC, JOYSTICK, NB A21179-
CIRCUIT, HYDRAULIC, JOYSTICK, TB A19001-A21178
CIRCUIT, HYDRAULIC, JOYSTICK, TB A21179-
CIRCUIT MOUNTING, BREAKER INSTALLATION, NK A19001-
CIRCUIT MOUNTING, BREAKER INSTALLATION, TELESCOPIC BOOM A19001-A19039
CIRCUIT MOUNTING, BREAKER INSTALLATION, TELESCOPIC BOOM A19040-A20171
CIRCUIT MOUNTING, BREAKER INSTALLATION, TELESCOPIC BOOM A20727-
HYDRAULIC, AUGER/TILTING BUCKET, NK A19001-
HYDRAULIC, AUGER/TILTING BUCKET, TELESCOPIC BOOM A19001-
HYDRAULIC, HAND BREAKER A19001-
CIRCUIT MOUNTING, DIFFERENTIAL LOCKING A19001-
LOADER CONTROL VALVE BLOCK AND ADAPTERS-JY-SHOVEL A19001-
LOADER CONTROL VALVE BLOCK AND ADAPTERS-JY-CLAMSHELL BUCKET A19001-A21178
LOADER CONTROL VALVE BLOCK AND ADAPTERS-JY-CLAMSHELL BUCKET A21179-
LOADER CONTROL VALVE BLOCK AND ADAPTERS-LEVERS-SHOVEL A19001-
LOADER CONTROL VALVE BLOCK AND ADAPTERS-LEVERS-CLAMSHELL BUCKET A19001-
LOADER CONTROL VALVE BLOCK-WITH RETURN TO DIG A19001-
BACKHOE CONTROL VALVE BLOCK AND ADAPTERS, LEVERS, TB A19001-
BACKHOE CONTROL VALVE BLOCK AND ADAPTERS, JY+TB A19001-
BACKHOE CONTROL VALVE BLOCK AND ADAPTERS, LEVERS, NB A19001-
BACKHOE CONTROL VALVE BLOCK AND ADAPTERS, JY+NB A19001-
BACKHOE CONTROL VALVE BLOCK AND ADAPTERS, LEVERS, NB (X-DIAGONAL) A19001-
BACKHOE CONTROL VALVE BLOCK AND ADAPTERS, LEVERS, TB (X-DIAGONAL) A19001-
ATTACHMENT CONTROL VALVE, BUCHER-HDS30/1 A19001-A19555
ATTACHMENT CONTROL VALVE, BUCHER-HDS30/1 A19556-
GEAR PUMP, HEMA, ( 37/29 cc/rev) A19001-A19950
GEAR PUMP, HEMA A19951-
REMOTE CONTROL VALVE, RIGHT, BACKHOE A19001-
REMOTE CONTROL VALVE, LEFT, BACKHOE A19001-
RAM, LIFT, RIGHT, LOADER A19001-
RAM, LIFT, LEFT, LOADER A19001-
RAM, SHOVEL, RIGHT, LOADER A19001-
RAM, SHOVEL, LEFT, LOADER A19001-
RAM, CLAMSHOVEL, RIGHT-LEFT, LOADER A19001-
RAM, STABILISER, RIGHT A19001-A20188
RAM, STABILISER, RIGHT A20189-
RAM, STABILISER, RIGHT A19001-A20188
RAM, STABILISER, RIGHT A20189-
RAM, SLEW SWING (RIGHT-LEFT) A19001-
RAM, MAIN BOOM, BACKHOE A19001-
RAM, DIPPER, BACKHOE A19001-A20030
RAM, DIPPER, BACKHOE A20031-
RAM, BUCKET, BACKHOE, COMMON CENTERED RAM AND TIPPING LINK A19001-
RAM, EXTENSION, TELESCOPIC DIPPER, BACKHOE A19001-
RAM, BUCKET, TELESCOPIC DIPPER, BACKHOE, COMMON CENTERED RAM&TIPPING LINK A19001-
RAM, QUICK COUPLER A19001-
RAM, LEVELLING BLADE A19001-
RAM, LEVELLING BLADE RIGHT WITH 2 AXIS TURN A19001-
RAM, LEVELLING BLADE, WITH 2 AXIS TURN A19001-
RAM, LEVELLING BLADE, WITH 2 AXIS TURN A19001-
RAM, LOG FORK A19001-
LOG FORK, WITH VERTICAL MOVEMENT A19001-
RAM, TILTING BUCKET A19001-
FRONT AXLE A19001-A20225
FRONT AXLE A20226-
DRIVE, FRONT AXLE A19001-A20225
DRIVE, FRONT AXLE A20226-
INPUT FLANGE, FRONT AXLE A19001-A20225
INPUT FLANGE, FRONT AXLE A20226-
LIMIT. SLIP DIFF, FRONT AXLE A19001-A20225
LIMIT. SLIP DIFF, FRONT AXLE A20226-
AXLE BRACKET, FRONT AXLE A19001-A20225
AXLE BRACKET, FRONT AXLE A20226-
AXLE BRACKET, FRONT AXLE A19001-A20225
AXLE BRACKET, FRONT AXLE A20226-
JOINT HOUSING, FRONT AXLE A19001-A20225
JOINT HOUSING, FRONT AXLE A20226-
JOINT HOUSING, FRONT AXLE A19001-A20225
JOINT HOUSING, FRONT AXLE A20226-
PLANETARY DRIVE, FRONT AXLE A19001-A20225
PLANETARY DRIVE, FRONT AXLE A20226-
STEERING, FRONT AXLE A19001-A20225
STEERING, FRONT AXLE A20226-
REAR AXLE A19001-
DRIVE, REAR AXLE A19001-
DRIVE, REAR AXLE A19001-
DIFFERENTIAL, REAR AXLE A19001-
M-DISC BRAKE, REAR AXLE A19001-
AXLE BRACKET, REAR AXLE A19001-
AXLE BRACKET, REAR AXLE A19001-
OUTPUT, REAR AXLE A19001-
PARK BRAKE, REAR AXLE A19001-
TRANSMISSION A19001-
ENGINE CONNECT. A19001-
CONVERTER A19001-
DRIVE A19001-
TRANSM. HOUSIN GA19001-
TRANSM. HOUSING A19001-A19044
TRANSM. HOUSING A19045-
REVERSING GEAR A19001-A19044
REVERSING GEAR A19045-
REVERSING GEAR A19001-A19044
REVERSING GEAR A19045-
COUPLING A19001-
COUPLING A19001-A19044
COUPLING A19045-
COUPLING (K2) A19001-A19045
COUPLING (K2) A19045-
COUPLING (K3) A19001-A19045
COUPLING (K3) A19045-
COUPLING (K4) A19001-A19045
COUPLING (K4) A19045-
OUTPUT A19001-
CONTROL UNIT A19001-
GEARSHIFT SYST. A19001-
GEARSHIFT SYST. A19001-
PRESSURE OIL PUMP A19001-
INDUCTIVE TRANSMITTER A19001-
TEMP. SENSOR A19001-
FILTER A19001-
ENGINE, TIER-III, 4045HF280 A19001-
ENGINE, TIER-III, 4045HMK80 (WASTEGATE) A19001-
ENGINE, INT. TIER4, 4045HF280 A19001-
VALVE COVER, 4045HF280 A19001-
OIL FILLER NECK-RIGHT HAND SIDE, 4045HF280 A19001-
CRANKSHAFT PULLEY, 4045HF280 A19001-
FLYWEEL HOUSING, 4045HF280 A19001-
FLYWEEL, 4045HF280 A19001-
FUEL INJECTION PUMP, 4045HF280 A19001-
FUEL INJECTION PUMP, 4045HMK80 (WASTEGATE) A19001-
INTAKE MANIFOLD, 4045HF280 A19001-
OIL PAN, 4045HF280 A19001-
WATER PUMP PULLEY, 4045HF280 A19001-
THERMOSTAT COVER, 4045HF280 A19001-
THERMOSTAT, 4045HF280 A19001-
FAN DRIVE, 4045HF280 A19001-
FAN BELT, 4045HF280 A19001-
ENGINE COOLANT HEATER, 4045HF280 A19001-
EXHAUST MANIFOLD, 4045HF280 A19001-
VENTILATING SYSTEM, 4045HF280 A19001-
STARTING MOTOR, 4045HF280 A19001-
ALTERNATOR, 4045HF280 A19001-
FUEL FILTER, 4045HF280 A19001-
FRONT PLATE AND IDLE GEARS (UPPER AND LOWER), 4045HF280 A19001-
FUEL TRANSFER PUMP, 4045HF280 A19001-
ENGINE OIL DIPSTICK, 4045HF280 A19001-
COLD WEATHER STARTING AIDS, 4045HF280 A19001-
TIMING GEAR COVER, WATER PUMP AND CRANKSHAFT LOWER IDLER GEAR, 4045HF280 A19001-
BALANCER SHAFT, 4045HF280 A19001-
CYLINDER BLOCK, MAIN BEARINGS CAPS AND CAMSHAFT, 4045HF280 A19001-
CRANKSHAFT AND MAIN BEARINGS, 4045HF280 A19001-
PISTON, CONNECTING ROD, CYLINDER LINER, 4045HF280 A19001-
ROCKER ARM, ROCKER ARM SHAFT AND CAM FOLLOWER, 4045HF280 A19001-
OIL PUMP, 4045HF280 A19001-
CYLINDER HEAD AND GASKET, 4045HF280 A19001-
AUXILIARY DRIVE ADAPTER, LINES AND COVER, 4045HF280 A19001-
WATER PUMP INLET, 4045HF280 A19001-
OIL COOLER, 4045HF280 A19001-
AUXILIARY DRIVE, 4045HF280 A19001-
ALTERNATOR BRACKETS, 4045HF280 A19001-
TURBOCHARGER AND OIL LINES, 4045HF280 A19001-
TURBOCHARGER AND OIL LINES, 4045HMK80 (WASTEGATE) A20576-
TEMPERATURE SWITCH, 4045HF280 A19001-
ELECTRONIC TACH DRIVE, 4045HF280 A19001-
OIL PRESSURE SWITCH, 4045HF280 A19001-
FAN PULLEY, 4045HF280 A19001-
FAN PULLEY, 4045HF280 (WASTEGATE) A20576-
BELT TENSIONER, 4045HF280 A19001-
OIL FILTER AND FILTER HEAD, 4045HF280 A19001-
PRIMARY FUEL FILTER, 4045HF280 A19001-
ENGINE GASKET KIT, 4045HF280 A19001-
GASKET KIT-CYLINDER HEAD/ OIL PAN, 4045HF280 A19001-
GASKET KIT-CYLINDER HEAD, 4045HF280 A19001-
BOLT KIT-CYLINDER HEAD, 4045HF280 A19001-
CHASSIS-CAB-ENGINE MOUNTINGS A19001-
CHASSIS-CAB-ENGINE MOUNTINGS A20906-
CHASSIS-CAB-ENGINE MOUNTINGS A19001-
AIR FILTER AND MOUNTINGS A19001-
AIR FILTER AND MOUNTINGS A20906-
AIR FILTER AND MOUNTINGS A19001-
AIR FILTER AND MOUNTINGS A20906-
EXHAUST ASSEMBLY A19001-
EXHAUST ASSEMBLY A20906-
RADIATOR-OIL COOLER AND FITTINGS A19001-
RADIATOR-OIL COOLER AND FITTINGS, WASTEGATE A20906-
COOLER A19001-
COOLING SYSTEM, HYDRAULIC AND TRANSMISSION OIL A19001-
HEATER, HEATING SYSTEM A19001-A19828
HEATER, HEATING SYSTEM A19829-
AIR CONDITIONER, COOLING SYSTEM A21137-
AIR CONDITIONER, CAB A19001-
CONTROL MECHANISM, LOADER-WITH JOYSTICK CONTROL A19001-
CONTROL SYSTEM, BACKHOE, NB A19001-
CONTROL SYSTEM, BACKHOE, TB A19001-
CIRCUIT MOUNTING, TB A19001-A20875
CIRCUIT MOUNTING, TB A20876-
CIRCUIT MOUNTING, NB A19001-
PUMP MOUNTING, PISTON PUMP A19001-
STEERING, CIRCUIT MOUNTING A19001-
CIRCUIT MOUNTING, RAM, LIFT, LOADER A19001-
CIRCUIT MOUNTING, RAM, SHOVEL, LOADER A19001-
CIRCUIT MOUNTING, CLAMSHOVEL INSTALLATION, LOADER A19001-
CIRCUIT MOUNTING, SHOVEL INSTALLATION, LOADER A19001-
CIRCUIT MOUNTING, SOFT DRIVE SYSTEM, LOADER A80001-
CIRCUIT MOUNTING, HYDROCLAMP A19001-
CIRCUIT MOUNTING, RAM, BUCKET, TB A19001-
CIRCUIT, HYDRAULIC, JOYSTICK, NB A19001-A21178
CIRCUIT, HYDRAULIC, JOYSTICK, NB A21179-
CIRCUIT, HYDRAULIC, JOYSTICK, TB A19001-A21178
CIRCUIT, HYDRAULIC, JOYSTICK, TB A21179-
LOADER CONTROL VALVE BLOCK AND ADAPTERS-JY-SHOVEL, CLAM A19001-
LOADER CONTROL VALVE BLOCK AND ADAPTERS-JY-SHOVEL, CLAM A19001-
LOADER CONTROL VALVE ELEMENTS A19001-
LOADER CONTROL VALVE ELEMENTS A19001-
LOADER CONTROL VALVE-INLET BLOCK A19001-
LOADER CONTROL VALVE-INLET BLOCK A19001-
LOADER CONTROL VALVE-LIFT RAM CONTROL BLOCK A19001-
LOADER CONTROL VALVE-LIFT RAM CONTROL BLOCK A19001-
LOADER CONTROL VALVE-SHOVEL RAM CONTROL BLOCK A19001-
LOADER CONTROL VALVE-CLAMSHOVEL RAM CONTROL BLOCK A19001-
LOADER CONTROL VALVE-OUTLET BLOCK A19001-
LOADER CONTROL VALVE BLOCK AND ADAPTERS-LEVERS-SHOVEL A19001-
LOADER CONTROL VALVE BLOCK AND ADAPTERS-JY-SHOVEL A19001-
LOADER CONTROL VALVE ELEMENTS A19001-
LOADER CONTROL VALVE-INLET BLOCK A19001-
LOADER CONTROL VALVE-LIFT RAM CONTROL BLOCK A19001-
LOADER CONTROL VALVE-SHOVEL RAM CONTROL BLOCK A19001-
LOADER CONTROL VALVE-CLAMSHOVEL RAM CONTROL BLOCK A19001-
LOADER CONTROL VALVE-OUTLET BLOCK A19001-
BACKHOE CONTROL VALVE BLOCK AND ADAPTERS, JY+TB A19001-
BACKHOE CONTROL VALVE BLOCK AND ADAPTERS, JY+TB A19001-
BACKHOE CONTROL VALVE ELEMENTS-WITH LEVER CONTROL A19001-
BACKHOE CONTROL VALVE ELEMENTS-WITH JOYSTICK CONTROL A19001-
BACKHOE CONTROL VALVE-Д°NLET BLOCK A19001-
BACKHOE CONTROL VALVE-ARM-BOOM-TELESCOPIC CONTROL BLOCKS, LEVER A19001-
BACKHOE CONTROL VALVE-SLEW SWING RAM CONTROL BLOCK, LEVER A19001-
BACKHOE CONTROL VALVE-STABILISER RAM CONTROL BLOCK, LEVER A19001-
BACKHOE CONTROL VALVE-BUCKET RAM CONTROL BLOCK, LEVER A19001-
BACKHOE CONTROL VALVE-ARM-BOOM-TELESCOPIC CONTROL BLOCKS, JOYSTICK A19001-
BACKHOE CONTROL VALVE-SLEW SWING RAM CONTROL BLOCK, JOYSTICK A19001-
BACKHOE CONTROL VALVE-STABILISER RAM CONTROL BLOCK, JOYSTICK A19001-
BACKHOE CONTROL VALVE-BUCKET RAM CONTROL BLOCK, JOYSTICK A19001-
BACKHOE CONTROL VALVE-OUTLET BLOCK A19001-
PISTON PUMP A19001-
CHASSIS A19001-
COVER, SIDE, RIGHT A19001-
MOUNTINGS, BACKHOE COMPONENTS A19001-
STABILISER, SIDESHIFT A19001-
KINGPOST-CARRIAGE-SLEW / SWING RAM MOUNTINGS A19001-
BOOM LOCKING AND MECHANISM A19001-
HOSE HOLDER SET, HYDRAULIC, NB+KT, BACKHOE A19001-
HOSE HOLDER SET, HYDRAULIC, TB+KT, BACKHOE A19001-
CIRCUIT MOUNTING, RAM, STABILISER A19001-
CIRCUIT MOUNTING, RAM, SLEW/SWING A19001-
HYDRAULIC, RAM, MAIN BOOM, BACKHOE A19001-
HYDRAULIC, RAM, DIPPER, BACKHOE A19001-
HYDRAULIC, RAM, BUCKET, NB, BACKHOE A19001-
CIRCUIT MOUNTING, RAM, BUCKET, TB A19001-
BACKHOE CONTROL VALVE BLOCK AND ADAPTERS, WITH LEVER CONTROL, NB A19001-
BACKHOE CONTROL VALVE BLOCK AND ADAPTERS, WITH JOYSTICK CONTROL, NB A19001-
BACKHOE CONTROL VALVE BLOCK AND ADAPTERS, WITH JOYSTICK CONTROL, TB A19001-
BACKHOE CONTROL VALVE ELEMENTS-WITH LEVER CONTROL A19001-
BACKHOE CONTROL VALVE ELEMENTS-WITH JOYSTICK CONTROL A19001-
BACKHOE CONTROL VALVE-Д°NLET BLOCK A19001-
BACKHOE CONTROL VALVE-ARM-BOOM-TELESCOPIC CONTROL BLOCKS, LEVER A19001-
BACKHOE CONTROL VALVE-STABILISER RAM CONTROL BLOCK, LEVER A19001-
BACKHOE CONTROL VALVE-ARM-BOOM-TELESCOPIC CONTROL BLOCKS, JOYSTICK A19001-
BACKHOE CONTROL VALVE-SLEW SWING RAM CONTROL BLOCK, JOYSTICK A19001-
BACKHOE CONTROL VALVE-STABILISER RAM CONTROL BLOCK, JOYSTICK A19001-
BACKHOE CONTROL VALVE-BUCKET RAM CONTROL BLOCK, JOYSTICK A19001-
BACKHOE CONTROL VALVE-Д°NLET BLOCK A19001-
BACKHOE CONTROL VALVE-ARM-BOOM CONTROL BLOCKS, LEVER A19001-
BACKHOE CONTROL VALVE-SLEW SWING RAM CONTROL BLOCK, LEVER A19001-
BACKHOE CONTROL VALVE-BUCKET RAM CONTROL BLOCK, LEVER A19001-
BACKHOE CONTROL VALVE-OUTLET BLOCK A19001-
RAM, STABILISER, RIGHT A19001-
RAM, STABILISER, RIGHT A19001-
STABILISER, SIDESHIFT (POWER SLIDER) A19001-
KINGPOST CARRIAGE A19001-
HYDRAULIC, POWER SLIDER A19001-
RAM, BOOM LOCKING A19001-
RAM, POWER SLIDER A19001-
RAM, POWER SLIDER A19001-
MOUNTINGS, BACKHOE COMPONENTS A20119-
STABILISER, SIDESHIFT A20119-
KINGPOST-CARRIAGE-SLEW / SWING RAM MOUNTINGS A20119-
KINGPOST CARRIAGE A20119-
SWING CARRIAGE, CASTING A20119-
KALDIRICI BOM, ALT A20119-
MAIN BOOM, UPPER A20119-
DIPPER-TIPPING LINK-TIPPING LEVER AND RAM MOUNTINGS A20119-
ARM A20119-
HOSE HOLDER SET, HYDRAULIC, NB, BACKHOE A20119-
HYDRAULIC, HYDROCLAMP A20119-
HYDR., RAM, MAIN BOOM, (DIS 10968, WITH PROTECTION VALVE), BACKHOE A20119-
HYDRAULIC, RAM, MAIN BOOM, (DIS10968), BACKHOE A20119-
HYDR., RAM, DIPPER, (DIS 10968, WITH PROTECTION VALVE), BACKHOE A20119-
HYDRAULIC, RAM, DIPPER, (DIS 10968), BACKHOE A20119-
HYDRAULIC, RAM, BUCKET, NK, (DIS10968) A20119-
CIRCIUT, HYDRAULIC, BOOM LOCKING, ARTICULATED BOOM A20119-
RAM, MAIN BOOM, BACKHOE, WITH PROTECTION VALVE A20119-
RAM, MAIN BOOM, BACKHOE A19001-
RAM, DIPPER, BACKHOE, WITH PROTECTION VALVE A20119-
RAM, DIPPER, BACKHOE A19001-
RAM, BUCKET, BACKHOE A20119-
RAM, BOOM LOCKING A19001-
RAM, ARTICULATED BOOM A20119-
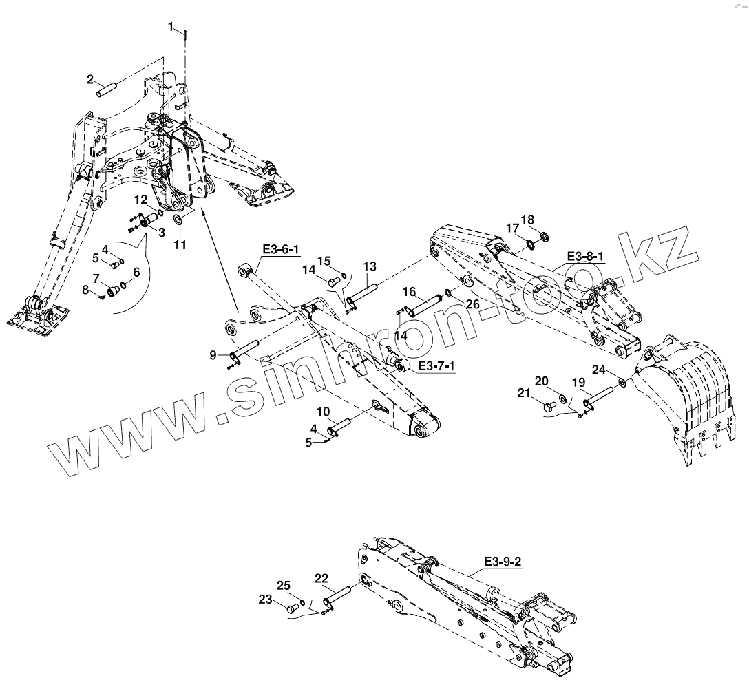
1
2
3
4
4
5
5
6
7
8
9
10
11
11
11
11
11
11
11
11
11
12
13
14
14
15
16
17
18
19
20
21
22
23
24
24
24
24
25
26
Позиция на иллюстрации
Заводской номер детали
Название детали
1
N15/6452578
PIN, EXPANSION
2
801/02222
Pin
3
811/17632
Pin
4
N03/0810002
Washer
5
N01/0233554
Bolt
6
N03/0221252
WASHER
7
813/00110
BOLT
8
N08/1210020
Lubricants
9
811/01095
PIN
10
811/01075
PIN
11
805/00535
SHIM
11
805/00536
SHIM
11
805/00537
SHIM
12
N05/0020104
GREASE NIPPLE
13
811/01110
PIN
14
N01/0233554
Bolt
15
N03/0810002
Washer
16
811/06016
PIN
17
020/00221
PLATE, LOCK
18
804/03100
NUT, LOCK M58x1.5
19
811/01040
PIN
20
N03/0810001
Washer
21
N01/0232798
Bolt
22
811/01090
PIN
23
N01/0233530
Bolt, Hex.
24
805/00418
WASHER
24
805/00419
WASHER
25
N03/0810002
Washer
26
805/00530
WASHER
Содержащиеся в справочниках-каталогах запасные части и детали не предлагаются к продаже, а носят исключительно информационный характер
Дополнительная информация
×
Название:
Номер:
Примечание: