Вернуться на главную
Поиск
Каталоги запчастей к технике
Спецтехника
HAMM
HD110
AIR CONDITIONING
Каталог запасных частей к технике: HAMM HD110. AIR CONDITIONING
zoom-in
zoom-out
enlarge
shrink
circle-right
circle-left
file-text2
info
cart
Тип техники
Не выбрано
Легковые автомобили
Грузовые автомобили и прицепы
Автобусы
Сельхозтехника
Спецтехника
Двигатели
Мототехника
Марка
Не выбрано
Ammann
BOMAG
CARMIX
CASE IH
Changlin
ChengGong
Dimex
Doosan
DYNAPAC
Foton
HAMM
Hidromek
Hitachi
Hyundai
JCB
JLG
John Deere
Komatsu
LIEBHERR
LiuGong
Lonking (LongGong)
Luneng
MANITOU
Mitsuber
New Holland
PENGPU
RM-Terex
SANY
SDLG
SEM
Shantui
Shehwa HBXG
Soosan
TIGARBO
VOGELE
Volvo
WAY
WIRTGEN
XCMG
XGMA
Xiamen
YTO
Yuchai
Zoomlion
Автокран
АЗСМ
Алтайлесмаш
Амкодор
АОМЗ
Атек
АТЗ
Балканкар Рекорд
БелАЗ
Беловеж
Борекс
Брянский Арсенал
Булат
ВЭКС
ГАЗ
Геомаш
Гидромаш
Донекс
Дормаш
Дормашина
Дорэлектромаш
ДЭЗ
ЕлАЗ
ЗЗГТ
Ижнефтемаш
Канаш-электрокар
КЗКТ
ККЗ
Клевер
Клинцовский автокрановый завод
КМЗ
КМЗ 1 Мая
Ковровец
Коммаш
Кранэкс
КЭЗ
КЭМЗ
ЛЗА
МАЗ
МЗИК
МЗКМ
МЗКТ
Михневский РМЗ
МоАЗ
Мозырский МЗ
МТЗ
ОЗП
Онежец
ПАО "ТЗА"
ППС Детва
Промтрактор
ПТЗ
Раскат
СпецАгрегат
ТВЭКС
ТТМ
УВЗ
Угличмаш
УЗТМ
ХТЗ
ЧЗКМ
ЧСДМ
ЧТЗ
ЭКСКО
ЭКСМАШ
ЮрМаш
Модель
Не выбрано
3410 (2015)
3410 (2021)
3411 (2015)
3411 (2021)
3516 (2008)
3518 (2008)
3520 (2008)
GRW 10
GRW 10 (2009)
GRW 15
GRW 15 (2009)
GRW 18
GRW 18 (2009)
GRW 21
GRW 21 (2009)
GRW 24
GRW 24 (2009)
HD110 (2021)
HD90 (2021)
Схема
>
Не выбрано
MAIN FRAME AND ASSEMBLIES
MAIN FRAME AND ASSEMBLIES
MAIN FRAME AND ASSEMBLIES
MAIN FRAME AND ASSEMBLIES
CANOPIES AND COVERS
CANOPIES AND COVERS
CANOPIES AND COVERS
CANOPIES AND COVERS
CANOPIES AND COVERS
STICKER ARRANGEMENT
STICKER ARRANGEMENT
STICKER ARRANGEMENT
STICKER ARRANGEMENT DIN/ISO
STICKER ARRANGEMENT ANSI
SOUND-INSULATION
ADDITIONAL LOAD VERSION,HD+110
OPERATOR PLATFORM
OPERATOR PLATFORM
OPERATOR PLATFORM
OPERATOR PLATFORM
OPERATOR'S SEAT WITH ADJUSTMENT
OPERATOR'S SEAT WITH ADJUSTMENT
OPERATOR'S SEAT WITH ADJUSTMENT
OPERATOR'S SEAT WITH ADJUSTMENT
OPERATOR'S SEAT WITH ADJUSTMENT
OPERATOR'S SEAT WITH ADJUSTMENT
OPERATOR'S SEAT WITH ADJUSTMENT
OPERATOR'S SEAT WITH ADJUSTMENT
OPERATOR'S SEAT WITH ADJUSTMENT
OPERATOR'S SEAT WITH ADJUSTMENT
OPERATOR'S SEAT WITH ADJUSTMENT
OPERATOR'S SEAT WITH ADJUSTMENT
OPERATOR'S SEAT WITH ADJUSTMENT
OPERATOR'S SEAT WITH ADJUSTMENT
OPERATOR'S SEAT WITH ADJUSTMENT
OPERATOR'S SEAT WITH ADJUSTMENT
OPERATOR'S SEAT WITH ADJUSTMENT
OPERATOR'S SEAT WITH ADJUSTMENT
OPERATOR'S SEAT WITH ADJUSTMENT
OPERATOR'S SEAT WITH ADJUSTMENT
ROLL OVER PROTECTION
HANDLES
INSTRUMENT PANEL COVERING
OPERATOR'S CABIN
OPERATOR'S CABIN
OPERATOR'S CABIN
OPERATOR'S CABIN
OPERATOR'S CABIN
OPERATOR'S CABIN
OPERATOR'S CABIN
OPERATOR'S CABIN
OPERATOR'S CABIN (COMFORT)
OPERATOR'S CABIN
OPERATOR'S CABIN
OPERATOR'S CABIN
OPERATOR'S CABIN
OPERATOR'S CABIN
OPERATOR'S CABIN (COMFORT)
OPERATOR'S CABIN
OPERATOR'S CABIN (COMFORT)
OPERATOR'S CABIN
CABIN-HEATING
CABIN-HEATING
CABIN-HEATING
CABIN-HEATING
CABIN-HEATING
CABIN-HEATING
AIR CONDITIONING
AIR CONDITIONING
AIR CONDITIONING
AIR CONDITIONING
AIR CONDITIONING
AIR CONDITIONING
AIR CONDITIONING
AIR CONDITIONING
AIR CONDITIONING
AIR CONDITIONING
PUMP DRIVE AND ENGINE ASSEMBLY
PUMP DRIVE AND ENGINE ASSEMBLY
FUEL SYSTEM
FUEL SYSTEM
FUEL SYSTEM
FUEL SYSTEM
FUEL FILTER
FUEL FILTER
AIR FILTER SYSTEM
EXHAUST SYSTEM
COOLING (ENGINE/HYDRAULIC OIL)
COOLING (ENGINE/HYDRAULIC OIL)
COOLING (ENGINE/HYDRAULIC OIL)
COOLING (ENGINE/HYDRAULIC OIL)
COOLING (ENGINE/HYDRAULIC OIL)
DRIVING GEAR (VARIABLE DISPLACEMENT PUMP - DRIVE)
DRIVING GEAR (VARIABLE DISPLACEMENT PUMP - VIBRATION DRIVE)
DRIVING GEAR (VARIABLE DISPLACEMENT PUMP - VIBRATION DRIVE)
CONSTANT MOTOR (VIBRATION/OSCILLATION)
CONTROL BLOCK DRIVE
DISTRIBUTOR BLOCK VERSION,HD+90VV-S / HD+90VO-S
DISTRIBUTOR BLOCK VERSION,HD+90VV-S
GEAR HUB MOTOR
GEAR HUB MOTOR
GEAR HUB MOTOR
GEAR HUB MOTOR
GEAR HUB MOTOR
GEAR HUB MOTOR
VALVE BLOCK (BRAKE + GEAR SHIFTING)
VALVE BLOCK (BRAKE + GEAR SHIFTING)
VALVE BLOCK (TRACK OFFSET + KAG)
FILTER (HYDRAULIC OIL)
VALVE BLOCK (ASC)
OIL TANK
OIL TANK
INSTRUMENT PANEL
INSTRUMENT PANEL
ELECTRICAL SYSTEM
ELECTRICAL SYSTEM
ELECTRICAL SYSTEM
ELECTRICAL SYSTEM
ELECTRICAL SYSTEM
ELECTRICAL SYSTEM
ELECTRICAL SYSTEM
ELECTRICAL SYSTEM
ELECTRICAL SYSTEM
ELECTRICAL SYSTEM (LIGHTING FRONT)
ELECTRICAL SYSTEM (LIGHTING REAR)
ELECTRICAL SYSTEM (RADIO)
TIRE EQUIPMENT
ADVANCE DRIVE
ADVANCE DRIVE
ADVANCE DRIVE
ADVANCE DRIVE
ADVANCE DRIVE
ADVANCE DRIVE
ADVANCE DRIVE
ADVANCE DRIVE
ADVANCE DRIVE
ADVANCE DRIVE
ADVANCE DRIVE
ADVANCE DRIVE
ADVANCE DRIVE
ADVANCE DRIVE
ADVANCE DRIVE (TIRES) VERSION, VT
ADVANCE DRIVE (TIRES) VERSION, VT
ADVANCE DRIVE (TIRES) VERSION, VT
ADVANCE DRIVE (TIRES) VERSION, VT
ADVANCE DRIVE (TIRES) VERSION, VT-S
ADVANCE DRIVE (TIRES) VERSION, VT-S
ADVANCE DRIVE (TIRES) VERSION, VT-S
ADVANCE DRIVE (TIRES) VERSION,VT-S
PARKING BRAKE
PARKING BRAKE
PARKING BRAKE
PARKING BRAKE
PARKING BRAKE
PARKING BRAKE
PARKING BRAKE
PARKING BRAKE
PARKING BRAKE
PARKING BRAKE (TIRES) VERSION,VT
PARKING BRAKE (TIRES) VERSION,VT-S
GEAR SHIFTING VERSION,HD+VV/VO
GEAR SHIFTING VERSION,HD+VV/VO
GEAR SHIFTING VERSION,HD+VV/VO
GEAR SHIFTING VERSION,HD+VV/VO
GEAR SHIFTING VERSION,HD+VV-S
GEAR SHIFTING VERSION,HD+VV-S
GEAR SHIFTING VERSION,HD+VV-S
GEAR SHIFTING VERSION,HD+VV-S
GEAR SHIFTING VERSION,HD+VV-S
GEAR SHIFTING VERSION,HD+VV-S
GEAR SHIFTING VERSION,HD+VO-S
GEAR SHIFTING VERSION,HD+VO-S
GEAR SHIFTING VERSION,HD+VO-S
GEAR SHIFTING VERSION,HD+VO-S
GEAR SHIFTING (TIRES) VERSION,VT
GEAR SHIFTING (TIRES) VERSION,VT-S
CENTRE PIVOT ASSEMBLY
CENTRE PIVOT ASSEMBLY
CENTRE PIVOT ASSEMBLY
CENTRE PIVOT ASSEMBLY
CENTRE PIVOT ASSEMBLY
CENTRE PIVOT ASSEMBLY
STEERING FORK BEARING (TIRES)
STEERING FORK BEARING (TIRES)
STEERING
STEERING
STEERING
STEERING
STEERING
STEERING (TRACK OFFSET)
SPRINKLING
SPRINKLING
SPRINKLING
SPRINKLING
SPRINKLING
SPRINKLING
SPRINKLING
SPRINKLING
ADDITIVE SPRINKLING
ADDITIVE SPRINKLING
ADDITIVE SPRINKLING
WATER PUMP
WATER PUMP
CHIP SPREADER (CYLINDER SPREADER, ELECTRONIC)
CHIP SPREADER (CYLINDER SPREADER, ELECTRONIC)
CHIP SPREADER (CYLINDER SPREADER, ELECTRONIC)
CHIP SPREADER (DISC SPREADER)
CHIP SPREADER (DISC SPREADER)
CHIP SPREADER (DISC SPREADER)
CHIP SPREADER (DISC SPREADER)
HYDRAULIC SYSTEM (CHIP SPREADER)
HYDRAULIC SYSTEM (CHIP SPREADER)
HYDRAULIC SYSTEM (CHIP SPREADER)
ELECTRICAL SYSTEM (CYLINDRICAL SPREADER)
ELECTRICAL SYSTEM (DISC SPREADER)
ELECTRICAL SYSTEM (CHIP SPREADER)
ELECTRICAL SYSTEM (CHIP SPREADER)
SUSPENSION (ROLLER DRUM FRONT)
SUSPENSION (ROLLER DRUM FRONT)
SUSPENSION (ROLLER DRUM FRONT)
SUSPENSION (ROLLER DRUM FRONT)
SUSPENSION (ROLLER DRUM REAR)
SUSPENSION (ROLLER DRUM REAR)
SUSPENSION (ROLLER DRUM REAR)
SUSPENSION (ROLLER DRUM REAR)
SUSPENSION (ROLLER DRUM REAR)
SCRAPER (FRONT)
SCRAPER (REAR)
SCRAPER (TIRES)
SCRAPER ABOVE
SCRAPER BELOW
SCRAPER (TIRES)
DRUM WITH VIBRATOR (WITH DRUM DRIVE)
DRUM WITH VIBRATOR (WITH DRUM DRIVE)
DRUM WITH VIBRATOR (WITH DRUM DRIVE)
DRUM WITH VIBRATOR (WITH DRUM DRIVE)
SMOOTH ROLLER DRUM WITH OSCILLATOR
SMOOTH ROLLER DRUM WITH OSCILLATOR
SMOOTH ROLLER DRUM WITH OSCILLATOR
SMOOTH ROLLER DRUM WITH OSCILLATOR
DRUM WITH VIBRATOR (WITH DRUM DRIVE)
DRUM WITH VIBRATOR (WITH DRUM DRIVE)
DRUM WITH VIBRATOR (WITH DRUM DRIVE)
DRUM WITH VIBRATOR (WITH DRUM DRIVE)
DRUM WITH VIBRATOR (WITH DRUM DRIVE)
DRUM WITH VIBRATOR (WITH DRUM DRIVE)
VIBRATION DRIVE
VIBRATION DRIVE
VIBRATION DRIVE
VIBRATION DRIVE
VIBRATION DRIVE
VIBRATION DRIVE
VIBRATION DRIVE
VIBRATION DRIVE
VIBRATION DRIVE
VIBRATION DRIVE
VIBRATION DRIVE
VIBRATION DRIVE
EDGE PRESSING AND CUTTING DEVICE (FRONT LEFT SIDE)
EDGE PRESSING AND CUTTING DEVICE (FRONT RIGHT SIDE)
ADD-ON PIECES (EDGE PRESSING AND CUTTING DEVICE)
ADD-ON PIECES (EDGE PRESSING AND CUTTING DEVICE)
HYDRAULIC SYSTEM (EDGE PRESS./CUTT. DEVICE FRONT LEFT SIDE)
HYDRAULIC SYSTEM (EDGE PRESS./CUTT. DEVICE FRONT LEFT SIDE)
HYDRAULIC SYSTEM (EDGE PRESS./CUTT. DEVICE FRONT RIGHT SIDE)
HYDRAULIC SYSTEM (EDGE PRESS./CUTT. DEVICE FRONT RIGHT SIDE)
HYDRAULIC SYSTEM (EDGE PRESSING AND CUTTING DEVICE) RIGHT-LEFT
HYDRAULIC SYSTEM (EDGE PRESSING AND CUTTING DEVICE) RIGHT-LEFT
HYDRAULIC SYSTEM (EDGE PRESSING AND CUTTING DEVICE) RIGHT-LEFT
ELECTRICAL SYSTEM (EDGE PRESSING AND CUTTING DEVICE)
THERMAL SCUFFLE
PROTECTION ROOF
SUN ROOF
SUN ROOF
SUN ROOF
LAMP PROTECTION
ADDITIONAL STORAGE
HANDLES
HANDLES
LOCKING DEVICE
FROST PROTECTION FOR SPRINKLING
ADDITIONAL LIGHTING
ADDITIONAL LIGHTING
ADDITIONAL LIGHTING
ADDITIONAL LIGHTING
ADDITIONAL LIGHTING
ADDITIONAL LIGHTING LED
ROLLER DRUM LIGHTING
ROLLER DRUM LIGHTING
ROLLER DRUM LIGHTING LED
CAMERA SYSTEM
ROTARY BEACON (DRIVER'S CABIN)
ROTARY BEACON (DRIVER'S CABIN)
WARNING LIGHT (SUN ROOF)
WARNING LIGHT (SUN ROOF)
FREQUENCY METER (VIBRATION)
BACK-UP ALARM (BACK-UP)
ASPHALT THERMOMETER
COMPACTOMETER
COMPACTOMETER, HCQ CABIN
COMPACTOMETER, HCQ CABIN
COMPACTOMETER, HCQ CABIN
COMPACTOMETER, HCQ FOPS
COMPACTOMETER, HCQ FOPS
COMPACTOMETER, HCQ FOPS
COMPACTOMETER, HCQ
COMPACTOMETER, HCQ
TACHOGRAPH
BATTERY ISOLATING SWITCH
WIFMS INTERFACE
WITOS
FIRE EXTINGUISHER
TГњV ITALY
TГњV
TГњV
MAINTENANCE KITS AND REPAIR KITS
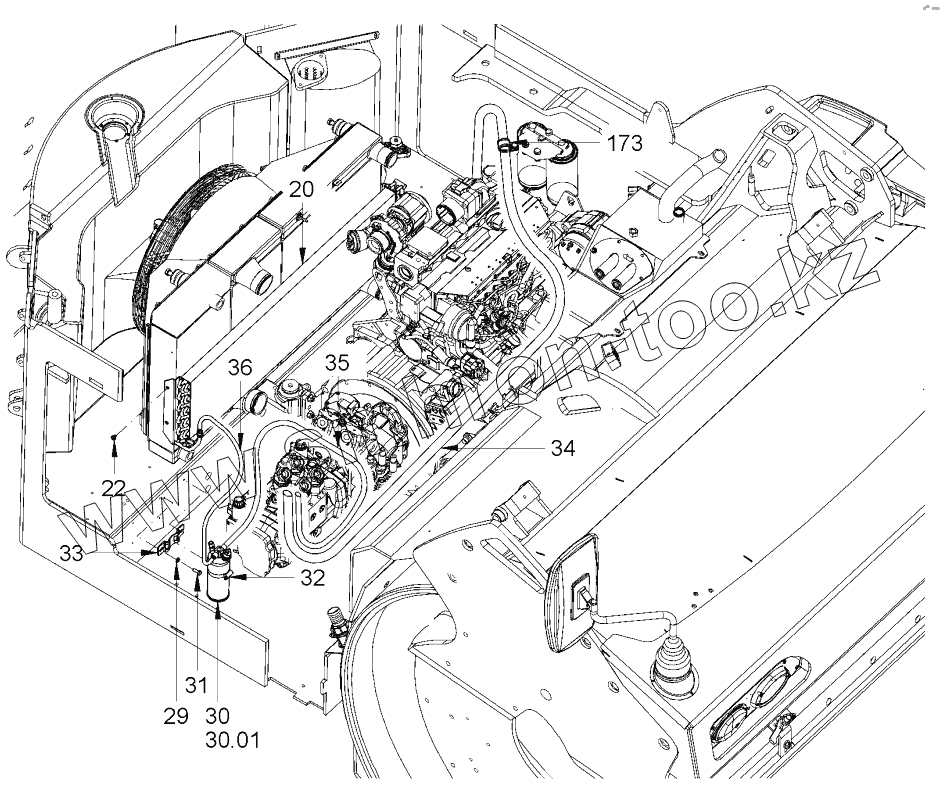
20
22
29
30
30.01
31
32
33
34
35
36
173
Позиция на иллюстрации
Заводской номер детали
Название детали
20
2071187
CONDENSER
22
249467
SHEET METAL SCREW
29
2175172
LOCKING WASHER
30
2071188
DRYER
30.01
2124295
PRESSURE SWITCH
31
2119339
HEXAGON SCREW
32
2079520
HOSE CLAMP
33
2079709
CONSOLE
34
2103818
HOSE
35
2103819
HOSE
36
2103820
HOSE
173
1208438
PIPE CLIP
Содержащиеся в справочниках-каталогах запасные части и детали не предлагаются к продаже, а носят исключительно информационный характер
Дополнительная информация
×
Название:
Номер:
Примечание: