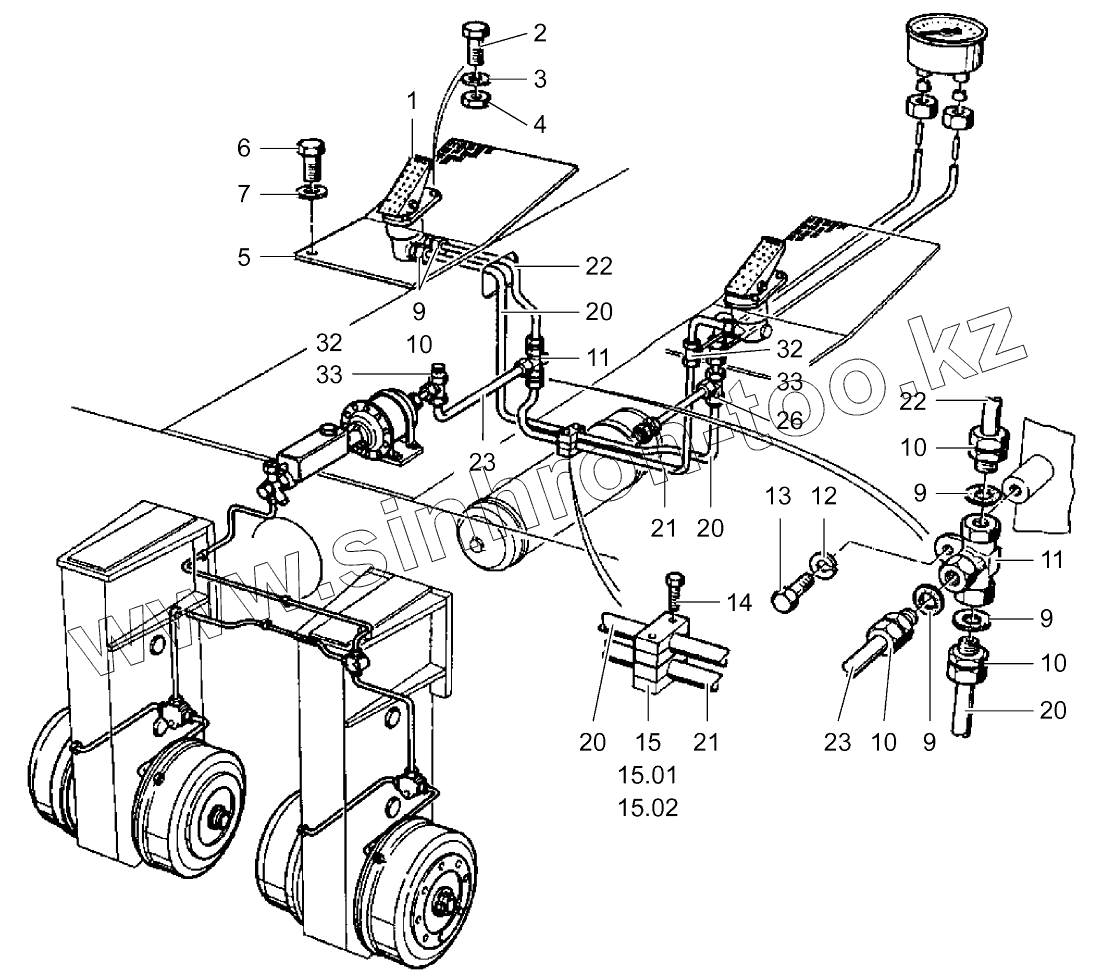
Каталог запасных частей к технике: HAMM GRW 15. DOUBLE FOOT BRAKE
1
2
3
4
5
6
7
9
9
9
9
10
10
10
10
11
11
12
13
14
15
15.01
15.02
20
20
20
20
21
21
22
22
23
23
26
32
32
33
33
| Позиция на иллюстрации | Заводской номер детали | Название детали | |
|---|---|---|---|
| 1 | 211427 | BRAKE VALVE | |
| 2 | 2540236 | HEXAGON SCREW | |
| 3 | 216593 | WASHER | |
| 4 | 2588139 | SAFETY NUT | |
| 5 | 411655 | METAL PLATE | |
| 6 | 2119445 | HEXAGON SCREW | |
| 7 | 216607 | WASHER | |
| 9 | 219487 | SEALING RING | |
| 10 | 206415 | STRAIGHT SCREWED SOCKET | |
| 11 | 211494 | VALVE | |
| 12 | 216607 | WASHER | |
| 13 | 213888 | HEXAGON SCREW | |
| 14 | 212083 | HEXAGON SCREW | |
| 15 | 314188 | HALF-CLIP | |
| 15.01 | 314013 | TOP COVER | |
| 15.02 | 314072 | HEXAGON SCREW | |
| 20 | 896713 | PIPE | |
| 21 | 896721 | PIPE | |
| 22 | 896748 | PIPE | |
| 23 | 896756 | PIPE | |
| 26 | 206237 | EQUAL TEE | |
| 32 | 2029513 | RING | |
| 33 | 2029534 | SEALING RING |
Содержащиеся в справочниках-каталогах запасные части и детали не предлагаются к продаже, а носят исключительно информационный характер