Каталог запасных частей к технике: HAMM 3520. SUSPENSION (ROLLER DRUM) VERSION 3516/3516P
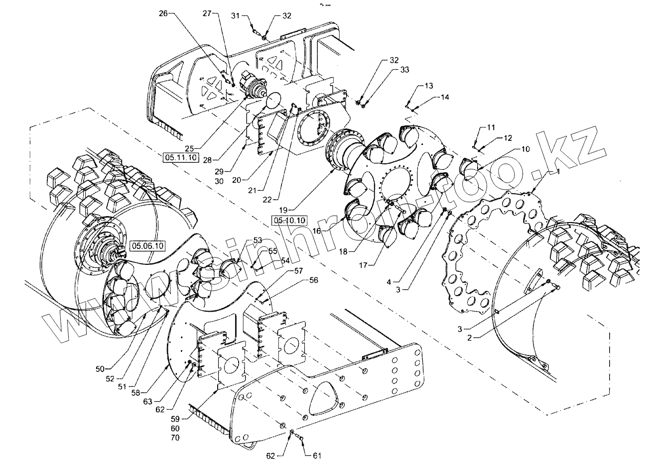
1
2
3
3
4
10
11
12
13
14
16
17
18
19
20
21
22
25
26
27
28
29
30
31
32
32
33
50
51
52
53
54
55
56
57
58
59
60
61
62
62
63
70
| Позиция на иллюстрации | Заводской номер детали | Название детали | |
|---|---|---|---|
| 1 | 2024427 | DRIVER | |
| 2 | 1278452 | HEXAGON SCREW | |
| 3 | 383139 | WASHER | |
| 4 | 1278517 | HEXAGON NUT | |
| 10 | 2039965 | SILENTBLOC | |
| 11 | 214094 | HEXAGON SCREW | |
| 12 | 381543 | WASHER | |
| 13 | 213985 | HEXAGON SCREW | |
| 14 | 381543 | WASHER | |
| 16 | 2024429 | DRIVER | |
| 17 | 234176 | HEXAGON SCREW | |
| 18 | 1489712 | SPACER BLOCK | |
| 19 | 1254758 | WHEEL GEAR COMPL. | |
| 20 | 2024436 | SUSPENSION | |
| 21 | 1246798 | HEXAGON SCREW | |
| 22 | 383120 | WASHER | |
| 25 | 876259 | VARIABLE DISPLACEMENT MOTOR DRUM DRIVE 3516-20,3516P | |
| 26 | 1246798 | HEXAGON SCREW | |
| 27 | 383120 | WASHER | |
| 28 | 1258648 | O-RING SEAL | |
| 29 | 1504703 | DISTANCE SHEET T=6 | |
| 30 | 1487051 | DISTANCE SHEET T=2 | |
| 31 | 1278460 | HEXAGON SCREW | |
| 32 | 1481401 | U-WASHER | |
| 33 | 361763 | SAFETY NUT | |
| 50 | 2024430 | DRIVER | |
| 51 | 1210033 | CHEESE-HEAD SCREW | |
| 52 | 250473 | WASHER VERSION 3411 | |
| 53 | 2039965 | SILENTBLOC | |
| 54 | 214094 | HEXAGON SCREW | |
| 55 | 381543 | WASHER | |
| 56 | 1278495 | HEXAGON SCREW | |
| 57 | 381543 | WASHER | |
| 58 | 2024432 | SUSPENSION | |
| 59 | 1491768 | SPACER PLATE | |
| 60 | 1487051 | DISTANCE SHEET T=2 | |
| 61 | 1278460 | HEXAGON SCREW | |
| 62 | 1481401 | U-WASHER | |
| 63 | 361763 | SAFETY NUT | |
| 70 | 1504703 | DISTANCE SHEET T=6 |
Содержащиеся в справочниках-каталогах запасные части и детали не предлагаются к продаже, а носят исключительно информационный характер