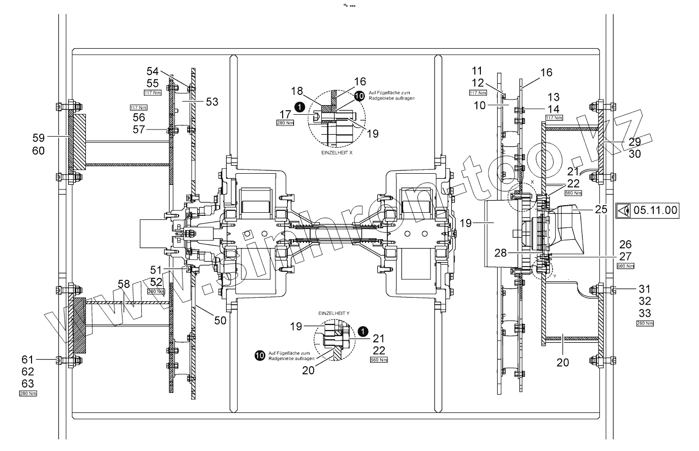
Каталог запасных частей к технике: HAMM 3411. SUSPENSION (BANDAGE)
10
11
12
13
14
16
16
17
18
19
19
19
20
20
20
21
21
22
22
25
25
26
27
28
29
30
31
32
33
50
51
52
53
54
55
56
57
58
59
60
61
62
63
| Позиция на иллюстрации | Заводской номер детали | Название детали | |
|---|---|---|---|
| 10 | 1487116 | SILENTBLOC | |
| 11 | 1278479 | HEXAGON SCREW | |
| 12 | 381543 | WASHER | |
| 13 | 213942 | HEXAGON SCREW | |
| 14 | 381543 | WASHER | |
| 16 | 1535501 | CARRIER STAR | |
| 17 | 239984 | CHEESE-HEAD SCREW | |
| 18 | 1509276 | SEGMENT | |
| 19 | 2024034 | WHEEL GEAR COMPL. | |
| 20 | 891908 | MOUNTING | |
| 21 | 1278576 | HEXAGON SCREW | |
| 22 | 383120 | WASHER | |
| 25 | 1707833 | HYDRAULIC MOTOR VERSION, 3410, 3411 | |
| 25 | 2032000 | HYDRAULIC MOTOR VERSION,3410 P, 3411 P | |
| 26 | 383619 | HEXAGON SCREW | |
| 27 | 250473 | WASHER VERSION 3411 | |
| 28 | 349364 | O-RING SEAL | |
| 29 | 1504703 | DISTANCE SHEET T=6 | |
| 30 | 1487051 | DISTANCE SHEET T=2 | |
| 31 | 1297759 | CHEESE-HEAD SCREW | |
| 32 | 1481401 | U-WASHER | |
| 33 | 361763 | SAFETY NUT | |
| 50 | 1513354 | DRIVER | |
| 51 | 1210033 | CHEESE-HEAD SCREW | |
| 52 | 250473 | WASHER VERSION 3411 | |
| 53 | 1487116 | SILENTBLOC | |
| 54 | 1278479 | HEXAGON SCREW | |
| 55 | 381543 | WASHER | |
| 56 | 213985 | HEXAGON SCREW | |
| 57 | 381543 | WASHER | |
| 58 | 891916 | MOUNTING | |
| 59 | 1504703 | DISTANCE SHEET T=6 | |
| 60 | 1487051 | DISTANCE SHEET T=2 | |
| 61 | 1245740 | CHEESE-HEAD SCREW | |
| 62 | 1481401 | U-WASHER | |
| 63 | 361763 | SAFETY NUT |
Содержащиеся в справочниках-каталогах запасные части и детали не предлагаются к продаже, а носят исключительно информационный характер