Вернуться на главную
Поиск
Каталоги запчастей к технике
Спецтехника
Геомаш
УШ-2Т4/2Т4В
Установка брызговика
Каталог запасных частей к технике: Геомаш УШ-2Т4/2Т4В. Установка брызговика
zoom-in
zoom-out
enlarge
shrink
circle-right
circle-left
file-text2
info
cart
Тип техники
Не выбрано
Легковые автомобили
Грузовые автомобили и прицепы
Автобусы
Сельхозтехника
Спецтехника
Двигатели
Мототехника
Марка
Не выбрано
Ammann
BOMAG
CARMIX
CASE IH
Changlin
ChengGong
Dimex
Doosan
DYNAPAC
Foton
HAMM
Hidromek
Hitachi
Hyundai
JCB
JLG
John Deere
Komatsu
LIEBHERR
LiuGong
Lonking (LongGong)
Luneng
MANITOU
Mitsuber
New Holland
PENGPU
RM-Terex
SANY
SDLG
SEM
Shantui
Shehwa HBXG
Soosan
TIGARBO
VOGELE
Volvo
WAY
WIRTGEN
XCMG
XGMA
Xiamen
YTO
Yuchai
Zoomlion
Автокран
АЗСМ
Алтайлесмаш
Амкодор
АОМЗ
Атек
АТЗ
Балканкар Рекорд
БелАЗ
Беловеж
Борекс
Брянский Арсенал
Булат
ВЭКС
ГАЗ
Геомаш
Гидромаш
Донекс
Дормаш
Дормашина
Дорэлектромаш
ДЭЗ
ЕлАЗ
ЗЗГТ
Ижнефтемаш
Канаш-электрокар
КЗКТ
ККЗ
Клевер
Клинцовский автокрановый завод
КМЗ
КМЗ 1 Мая
Ковровец
Коммаш
Кранэкс
КЭЗ
КЭМЗ
ЛЗА
МАЗ
МЗИК
МЗКМ
МЗКТ
Михневский РМЗ
МоАЗ
Мозырский МЗ
МТЗ
ОЗП
Онежец
ПАО "ТЗА"
ППС Детва
Промтрактор
ПТЗ
Раскат
СпецАгрегат
ТВЭКС
ТТМ
УВЗ
Угличмаш
УЗТМ
ХТЗ
ЧЗКМ
ЧСДМ
ЧТЗ
ЭКСКО
ЭКСМАШ
ЮрМаш
Модель
Не выбрано
АЗА-3 (2010)
ББУ-000 "Опенок" (2004)
ЛБУ-50 (2003)
ПБУ-2 (2003)
ПБУ-2-362 (2011)
УШ-2Т4/2Т4В (2004)
Схема
>
Не выбрано
Установка буровая
Мачта в сборе
Блок привода
Блок привода
Блок привода
Блок привода
Вращатель
Вращатель
Вращатель
Цилиндр подъема мачты
Вал ведущий с траверсой
Цилиндр подачи
Опора мачты передняя
Ограждение шнека с механизмом безопасности
Ограждение шнека с механизмом безопасности
Кондуктор
Гидрообвязка
Управление станком
Каретка
Канат в сборе
Траверса в сборе
Доработка трактора
Установка брызговика
Установка домкратов
Электрооборудование
Штанга переходная L=350 мм
Установка УАС
Патрон для шнеков
Установка компрессора
Опора мачты задняя в сборе с рамой станка
Установка ресивера
Электрооборудование
Патрон безопасный
Подкладка под домкрат
Цилиндр подачи
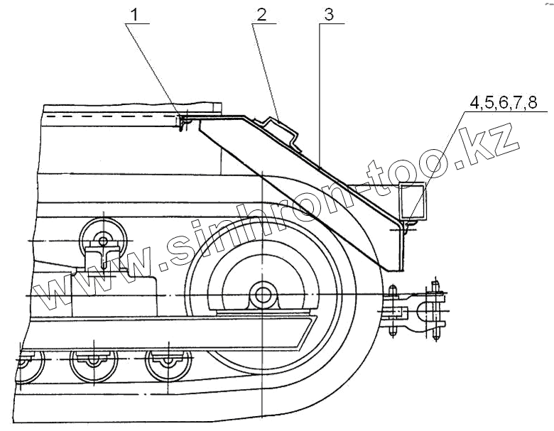
Ш4.19.00.000
1
2
3
4
5
6
7
8
Позиция на иллюстрации
Заводской номер детали
Название детали
Ш4.19.00.000
Ш4.19.00.000
Установка брызговика
1
Ш4.19.00.002
Уголок
2
Ш4.19.00.003
Ручка
3
Ш4.19.01.000
Брызговик
4
Ш4.19.00.001
Уголок
5
Болт М12х30.58.019
Болт М12х30.58.019
6
Гайка М12.5.019
Гайка М12.5.019
7
Шайба 12.65Г.019
Шайба 12.65Г.019
8
Шайба 12.01.019
Шайба 12.01.019
Содержащиеся в справочниках-каталогах запасные части и детали не предлагаются к продаже, а носят исключительно информационный характер
Дополнительная информация
×
Название:
Номер:
Примечание: