Вернуться на главную
Поиск
Каталоги запчастей к технике
Спецтехника
Геомаш
ПБУ-2-362
ПБУ-2М.09.03.000 Пульт управления
Каталог запасных частей к технике: Геомаш ПБУ-2-362. ПБУ-2М.09.03.000 Пульт управления
zoom-in
zoom-out
enlarge
shrink
circle-right
circle-left
file-text2
info
cart
Тип техники
Не выбрано
Легковые автомобили
Грузовые автомобили и прицепы
Автобусы
Сельхозтехника
Спецтехника
Двигатели
Мототехника
Марка
Не выбрано
Ammann
BOMAG
CARMIX
CASE IH
Changlin
ChengGong
Dimex
Doosan
DYNAPAC
Foton
HAMM
Hidromek
Hitachi
Hyundai
JCB
JLG
John Deere
Komatsu
LIEBHERR
LiuGong
Lonking (LongGong)
Luneng
MANITOU
Mitsuber
New Holland
PENGPU
RM-Terex
SANY
SDLG
SEM
Shantui
Shehwa HBXG
Soosan
TIGARBO
VOGELE
Volvo
WAY
WIRTGEN
XCMG
XGMA
Xiamen
YTO
Yuchai
Zoomlion
Автокран
АЗСМ
Алтайлесмаш
Амкодор
АОМЗ
Атек
АТЗ
Балканкар Рекорд
БелАЗ
Беловеж
Борекс
Брянский Арсенал
Булат
ВЭКС
ГАЗ
Геомаш
Гидромаш
Донекс
Дормаш
Дормашина
Дорэлектромаш
ДЭЗ
ЕлАЗ
ЗЗГТ
Ижнефтемаш
Канаш-электрокар
КЗКТ
ККЗ
Клевер
Клинцовский автокрановый завод
КМЗ
КМЗ 1 Мая
Ковровец
Коммаш
Кранэкс
КЭЗ
КЭМЗ
ЛЗА
МАЗ
МЗИК
МЗКМ
МЗКТ
Михневский РМЗ
МоАЗ
Мозырский МЗ
МТЗ
ОЗП
Онежец
ПАО "ТЗА"
ППС Детва
Промтрактор
ПТЗ
Раскат
СпецАгрегат
ТВЭКС
ТТМ
УВЗ
Угличмаш
УЗТМ
ХТЗ
ЧЗКМ
ЧСДМ
ЧТЗ
ЭКСКО
ЭКСМАШ
ЮрМаш
Модель
Не выбрано
АЗА-3 (2010)
ББУ-000 "Опенок" (2004)
ЛБУ-50 (2003)
ПБУ-2 (2003)
ПБУ-2-362 (2011)
УШ-2Т4/2Т4В (2004)
Схема
>
Не выбрано
ПБУ-2М.01.00.000 Установка рамы и дизеля
ПБУ-2М.01.01.000 Рама
ПБУ-2М.01.02.000 Платформа
ПБУ-2М.01.02.050 Ящик для АКБ
ПБУ-2М.01.08.000 Монтаж подогревателя
ПБУ-2-155.01.04.000 Муфта сцепления
ПБУ-2-155.01.09.000 Облицовка дизеля
1ВСМ.01.11.000 Амортизатор
1ВСМ.01А.12.000 Амортизатор
ПБУ-2М.02.00.000 Установка топливного и масляного баков
ПБУ-2М.02.01.000 Бак масляный
ПБУ-2М.02.02.000 Хомут
ПБУ-2М.02.03.000 Патрубок
ПБУ-2М.02.04.000 Патрубок
ПБУ-2.02.02.000 Бак топливный
ПБУ-2.02.03.000 Топливопровод
ПБУ-1.02.05.000 Хомут
ГЕУ001.14.01.000 Хомут рукава Ду50, Дн68
ПБУ-2М.03.00.000 Коробка передач
ПБУ-2М.03.01.000 Стакан
ПБУ-2М.03.02.000 Корпус в сборе
ПБУ-2М.03.03.000 Корпус в сборе
ПБУ-3.03.01.000 Шестерня в сборе
ПБУ-3.03.03.000 Стакан в сборе
ПБУ-3.03.05.000 Шестерня в сборе
ПБУ-3.03.06.000 Шестерня в сборе
ПБУ-3.03.07.000 Вал в сборе
ПБУ-3.03.09.000 Шестерня в сборе
ПБУ-3.03.11.000 Муфта в сборе
ПБУ-2.03.04.000 Масломер
ПБУ-1.03.01.000 Вал - шестерня в сборе
1ВСМ. 03.01.010 Муфта в сборе
1ВСМ.03.01.020А Звездочка в сборе
1ВСМ. 03.01.070 Колесо коническое в сборе
1ВСМ. 03.01.080 Муфта зубчатая в сборе
1ВСМ. 03.01.100 Стакан в сборе
ПБУ-2М.06.00.000 Передача карданная
ПБУ-2М.06.01.000 Ограждение
ПБУ-2М.06.02.000 Ограждение
ПБУ-1.06.01.000 Опора
ПБУ-2М.08.00.000 Установка кривошипно-шатунного балансира
ПБУ-2М.08.01.000 Вал в сборе
ПБУ-2М.08.02.000 Опора в сборе
ПБУ-2М.08.03.000 Ролик в сборе
ПБУ-2М.08.04.000 Кривошип
ПБУ-2М.08.05.000 Ограждение
ПБУ-3.08.02.000 Шатун в сборе
ПБУ-2М.09.00.000 Гидросистема
ПБУ-2М.09.03.000 Пульт управления
ПБУ-2М.09.04.000 Пульт управления №2
ПБУ-2М.09.08.000 Установка насоса ручного
ПБУ-2М.09.12.000 Цилиндр отвода вращателя
ПБУ-2М.09.19.000 Установка манометров
ПБУ-2М.10.00.000 Мачта
ПБУ-1.10.04.000 Ролик направляющий
ПБУ-2М.11.00.000 Каретка с вращателем и трехгранным валом
ПБУ-2М.11.01.001 Каретка
ПБУ-2М.11.03.000 Защелка
ПБУ-2М.11.05.000 Фиксатор
ПБУ-1.11.03.000 Вращатель
ПБУ-2-101.11.01.000 Патрон-элеватор
УГБ50А-04-4-5А Муфта соединительная
ПБУ-2М.12.00.000 Цилиндр подачи
ПБУ-2М.12.01.000 Трубопровод
ПБУ-2М.12.02.000 Цилиндр в сборе
ПБУ-2М.12.04.000 Шток в сборе
ПБУ-2М.15.00.000 Домкрат
ПБУ-2.15.01.010 Корпус в сборе
ПБУ-2.15.01.020 Шток в сборе
ПБУ-2М.16.00.000 Управление
ПБУ-2М.16.01.000 Управление сцеплением
ПБУ-2М.16.02.000 Тяга в сборе
ПБУ-2М.16.03.00 Включение тормоза лебёдки
ПБУ-2М.16.04.000 Рычаг в сборе
ПБУ-2М.16.05.000 Узел включения скоростей
ПБУ-2-277.16.02.000 Узел включения реверса
ПБУ-1.16.03.000 Кронштейн в сборе
ПБУ-2М.18.00.00 Электрооборудование
ПБУ-2М.18.01.000 Пульт
ПБУ-2М.18.02.000 Электрообвязка мачты
ПБУ-2М.19.00.000 Площадка бурильщика
ПБУ-2.26.00.000 Ролик прижимной
ПБУ-2.26.02.000 Прижим
ПБУ-2М.28.00.000 Передача цепная
ПБУ-2.28.01.000 Ролик натяжной
ПБУ-2.04.00.000 Управление газом и остановом двигателя.
ПБУ-2.05.00.000 Лебедка
ПБУ-2.14.00.000-101 Траверса в сборе
ПБУ-2.22.00.000 Цилиндр подъема мачты
БИ7.50.00.000 Кондуктор с буровым столом
ПБУ-2-277.07.00.000 Ограждение устья скважины
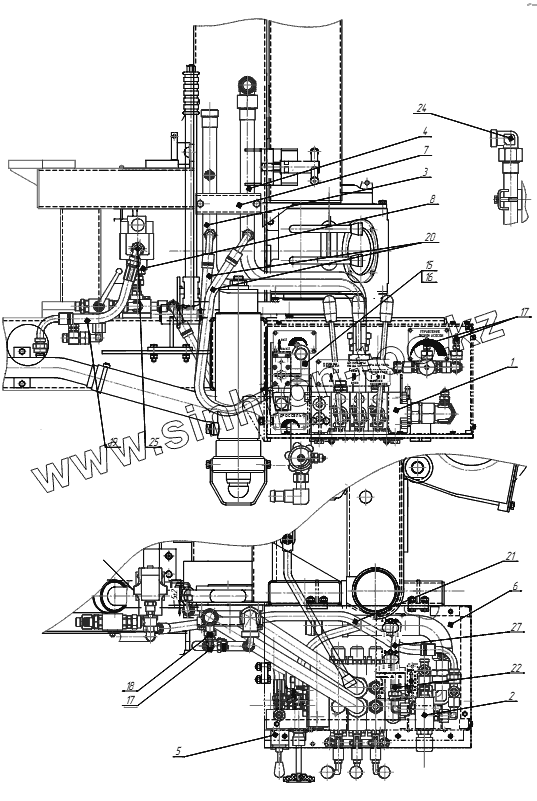
ПБУ-2М.09.03.000
1
2
3
4
5
6
7
8
15
16
17
17
18
19
20
21
22
24
25
Позиция на иллюстрации
Заводской номер детали
Название детали
ПБУ-2М.09.03.000
ПБУ-2М.09.03.000
Пульт управления
1
ПБУ-2М.09.03.010
Обвязка гидрораспределителя
2
ПБУ-2М.09.03.040
Обвязка редукционного клапана
3
ПБУ-2М.09.03.050
Трубопровод
4
ПБУ-2М.09.03.060
Трубопровод
5
ПБУ-2М.09.03.080
Управление подачей
6
ПБУ-2М.09.03.100
Кожух
7
ПБУ-2М.09.03.170
Кронштейн
8
ПБУ-2М.09.03.180
Обвязка клапана МКПВ-10/3 Т2.П.3
15
М6-6gх16.58.019
Болт М6-6gх16.58.019
16
6 65Г.019
Шайба 6 65Г.019
17
6400-10.162-50.204-2500
Микрошланг
18
М16х2 G1/4
Ниппель манометр (620.01.20.204.21)
19
РВД 12.20.400.М22х1,5 0/90
РВД 12.20.400.М22х1,5 0/90
20
РВД 12.20.850.М22х1,5 0/90
РВД 12.20.850.М22х1,5 0/90
21
РВД 12.20.1050 М22х1,5 90/90
РВД 12.20.1050 М22х1,5 90/90
22
TORK 16-26
Хомут червячный
24
EW 1158932058
Угольник EW 1158932058
25
EW 1158232058
Угольник EW 1158232058
Содержащиеся в справочниках-каталогах запасные части и детали не предлагаются к продаже, а носят исключительно информационный характер
Дополнительная информация
×
Название:
Номер:
Примечание: