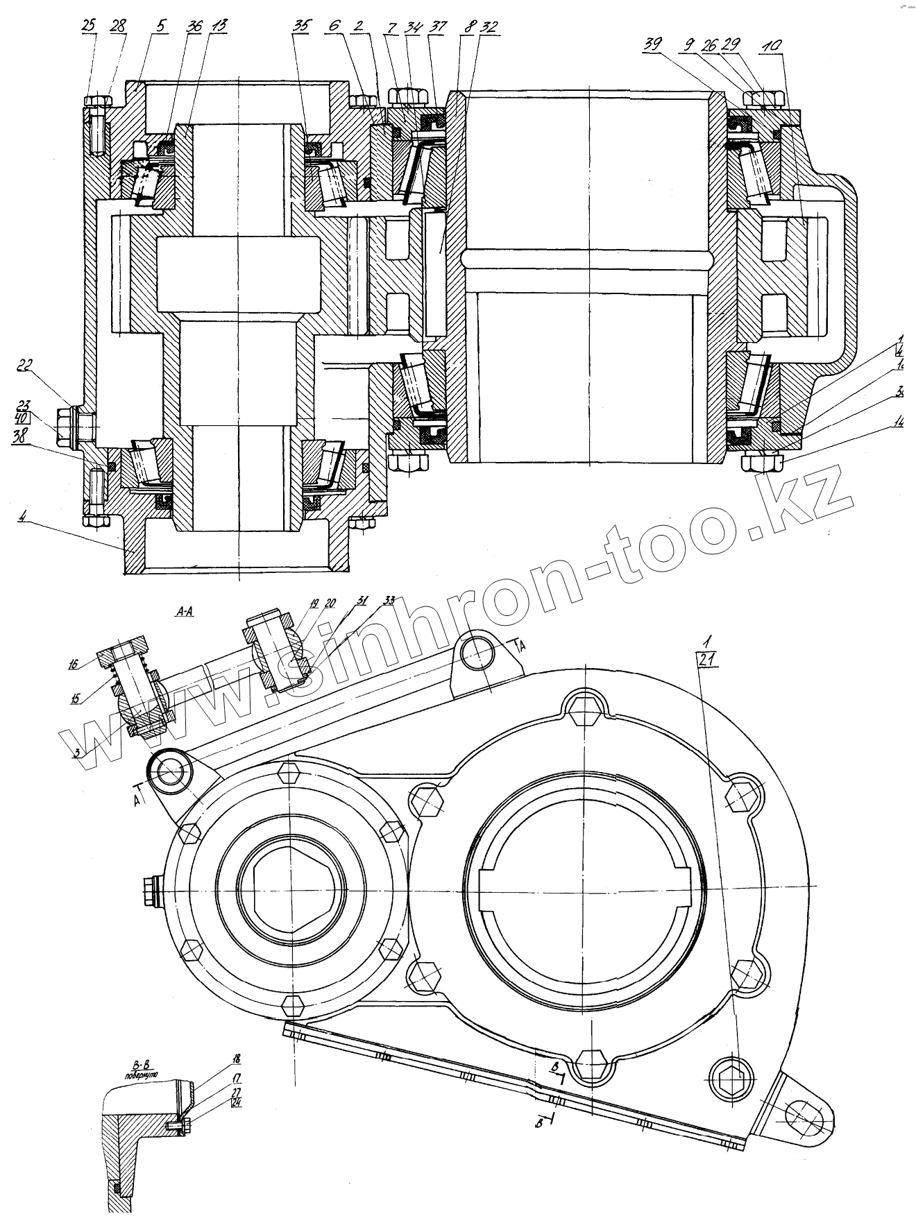
Каталог запасных частей к технике: Геомаш АЗА-3. Вращатель
ЛБУ-40
1
2
3
4
5
6
7
8
9
10
11
12
13
14
15
16
17
18
19
20
21
22
23
24
25
26
27
28
29
30
31
32
33
34
35
36
37
38
39
40
41
| Позиция на иллюстрации | Заводской номер детали | Название детали | |
|---|---|---|---|
| ЛБУ-40 | ЛБУ-40 | Вращатель | |
| 1 | ЛБУ08-2 | Масломер | |
| 2 | ЛБУ50-40-1А | Корпус в сборе | |
| 3 | ЛБУ50-40-2 | Ось с фиксатором | |
| 4 | ЛБУ50-40-01 | Стакан | |
| 5 | ЛБУ50-40-03 | Стакан | |
| 6 | ЛБУ50-40-04 | Прокладка | |
| 7 | ЛБУ50-40-05 | Фланец | |
| 8 | ЛБУ50-40-06 | Вал | |
| 9 | ЛБУ50-40-07 | Прокладка | |
| 10 | ЛБУ50-40-08 | Шестерня | |
| 11 | ЛБУ50-40-09 | Фланец | |
| 12 | ЛБУ50-40-10 | Прокладка | |
| 13 | ЛБУ-18-02 | Вал–шестерня | |
| 14 | ЛБУ-08-08 | Болт | |
| 15 | ЛБУ-18-10 | Пружина | |
| 16 | ЛБУ-18-11 | Гайка | |
| 17 | ЛБУ-08-12 | Прокладка | |
| 18 | ЛБУ-08-13А | Крышка | |
| 19 | ЛБУ-18-29 | Тяга | |
| 20 | ЛБУ-18-30 | Валик | |
| 21 | ЛБУ-03-33 | Прокладка | |
| 22 | ЛБУ-03-61 | Прокладка | |
| 23 | ЛБУ-03-127 | Пробка М22х1,5 | |
| 24 | Болт М10х20 | Болт М10х20 | |
| 25 | Болт М12х35 | Болт М12х35 | |
| 26 | Болт М16х40 | Болт М16х40 | |
| 27 | Шайба пружинная 10Н | Шайба пружинная 10Н | |
| 28 | Шайба пружинная 12Н | Шайба пружинная 12Н | |
| 29 | Шайба пружинная 16Н | Шайба пружинная 16Н | |
| 30 | Шайба пружинная 20Н | Шайба пружинная 20Н | |
| 31 | Шайба 24.01.09 | Шайба 24.01.09 | |
| 32 | Шпонка А36х20х90 | Шпонка А36х20х90 | |
| 33 | Шплинт 5х32.019 | Шплинт 5х32.019 | |
| 34 | Подшипник 2007944 | Подшипник 2007944 | |
| 35 | Подшипник 7220 | Подшипник 7220 | |
| 36 | Манжета 1.2-100х125-1 | Манжета 1.2-100х125-1 | |
| 37 | Манжета 1.2-220х260-1 | Манжета 1.2-220х260-1 | |
| 38 | Кольцо 195-200-36-1-2 | Кольцо 195-200-36-1-2 | |
| 39 | Кольцо 290-300-58-1-2 | Кольцо 290-300-58-1-2 | |
| 40 | ПК-I-М22х1,5 | Пробка | |
| 41 | ЛБУ50-40-09-01 | Фланец |
Содержащиеся в справочниках-каталогах запасные части и детали не предлагаются к продаже, а носят исключительно информационный характер