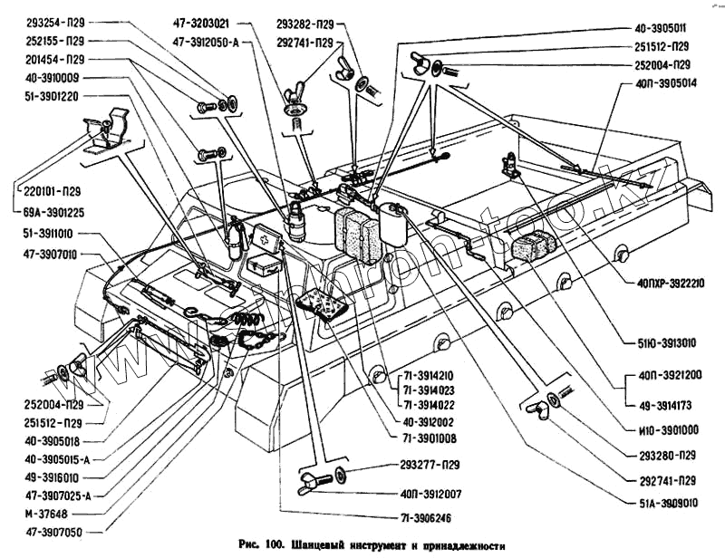
Каталог запасных частей к технике: ГАЗ-71. Шанцевый инструмент и принадлежности
252004-П29
И10-3901000
71-3901008
40-3905011
47-3907010
47-3907050
71-3914023
71-3914022
71-3914210
40-3905018
293277-П29
293282-П29
293254-П29
293280-П29
252004-П29
252155-П29
252155-П29
47-3203021
М-37648
51-3911010
71-3906246
251512-П29
40ПХР-3922210
51А-3909010
47-3912050-А
201454-П29
201454-П29
40П-3912007
220101-П29
251512-П29
251512-П29
251512-П29
292741-П29
292741-П29
292741-П29
40-3912002
251512-П29
51Ю-3913010
40П-3921200
69А-3901225
47-3907025-А
40П-3905014
40-3905015-А
49-3914173
49-3916010
51-3901220
40-3910009
| Позиция на иллюстрации | Заводской номер детали | Название детали | |
|---|---|---|---|
| 252004-П29 | 252004-П29 | Шайба 6 ОСТ 37.001.144-96 | |
| 297540-П29 | 297540-П29 | Пряжка 3,3х5,5 | |
| 40-9016322 | 40-9016322 | Ремень для укладки чехлов машины в сборе | |
| И10-3901000 | И10-3901000 | Рукоятка пусковая (51-3901215) | |
| 51АЮ-3901010 | 51АЮ-3901010 | Сумка инструментальная в сборе | |
| 51Ю-3901024 | 51Ю-3901024 | Сумка инструментальная малая в сборе | |
| 71-3901008 | 71-3901008 | Сумка с инструментом в сборе | |
| 71-3901009 | 71-3901009 | Сумка с инструментом малая и сборе | |
| 40-3914170 | 40-3914170 | Тент защитный для покрытия машины в сборе | |
| 40-3905011 | 40-3905011 | Топор в сборе | |
| 47-3907010 | 47-3907010 | Трос буксирный в сборе | |
| 47-3907050 | 47-3907050 | Цепь бревна самовытаскивателя в сборе | |
| 71-3914023 | 71-3914023 | Чехол левый утеплительный в сборе | |
| 71-3914022 | 71-3914022 | Чехол правый утеплительный в сборе | |
| 71-3914210 | 71-3914210 | Чехол утеплительный в сборе | |
| 40-3905018 | 40-3905018 | Пила поперечная двухручная в сборе | |
| 293277-П29 | 293277-П29 | Шайба 8,5 | |
| 293282-П29 | 293282-П29 | Шайба 8,4 | |
| 293254-П29 | 293254-П29 | Шайба 8 | |
| 293280-П29 | 293280-П29 | Шайба 9 | |
| 252004-П29 | 252004-П29 | Шайба 6 ОСТ 37.001.144-96 | |
| 252155-П29 | 252155-П29 | Шайба пружинная 8 | |
| 252155-П29 | 252155-П29 | Шайба пружинная 8 | |
| 47-3203021 | 47-3203021 | Заглушка оси балансира | |
| М-37648 | М-37648 | Шланг заправочный шприца | |
| 297535-П29 | 297535-П29 | Шплинт 2,7х12 | |
| 51-3911010 | 51-3911010 | Шприц рычажно-плунжерный в сборе (Ш1-3911010) | |
| 060-149450 | 060-149450 | Ящик запасных частей в сборе | |
| 71-3906246 | 71-3906246 | Ящик с запасными частями в сборе | |
| 251512-П29 | 251512-П29 | Гайка М6-6Н | |
| 40ПХР-3922210 | 40ПХР-3922210 | Багор в сборе | |
| 51А-3909010 | 51А-3909010 | Бачок для масла с пробками в сборе | |
| 47-3912050-А | 47-3912050-А | Бачок для питьевой воды в сборе | |
| 201454-П29 | 201454-П29 | Болт М8-6gх16 ОСТ 37.001.123-96 | |
| 201454-П29 | 201454-П29 | Болт М8-6gх16 ОСТ 37.001.123-96 | |
| 40П-3912007 | 40П-3912007 | Болт-барашек | |
| 220101-П29 | 220101-П29 | Винт М6-6gх8 ОСТ 37.001.127-81 | |
| 251512-П29 | 251512-П29 | Гайка М6-6Н | |
| 251512-П29 | 251512-П29 | Гайка М6-6Н | |
| 251512-П29 | 251512-П29 | Гайка М6-6Н | |
| 292741-П29 | 292741-П29 | Гайка-барашек | |
| 292741-П29 | 292741-П29 | Гайка-барашек | |
| 292741-П29 | 292741-П29 | Гайка-барашек | |
| 40-3912002 | 40-3912002 | Аптечка в сборе | |
| 251512-П29 | 251512-П29 | Гайка М6-6Н | |
| 51Ю-3913010 | 51Ю-3913010 | Домкрат гидравлический в сборе | |
| 40П-3921200 | 40П-3921200 | Жилет спасательный в сборе | |
| 69А-3901225 | 69А-3901225 | Зажим насоса | |
| 47-3907025-А | 47-3907025-А | Звено сцепки в сборе | |
| ВК-71-3900010 | ВК-71-3900010 | Комплект инструмента и принадлежностей, придаваемых к машине | |
| 297545-П29 | 297545-П29 | Лента стяжная насоса | |
| 40П-3905014 | 40П-3905014 | Лом | |
| 40-3905015-А | 40-3905015-А | Лопата саперная в сборе | |
| 49-3914173 | 49-3914173 | Мешок для спасательного жилета в сборе | |
| 49-3916010 | 49-3916010 | Насос для ручного переливания бензина в сборе | |
| 51-3901220 | 51-3901220 | Насос ручной для накачивания шин в сборе (РН1-3917010) | |
| 40-3910009 | 40-3910009 | Огнетушитель углекислотноснежный в сборе (ОУ-2 ГОСТ 7276-54) |
Содержащиеся в справочниках-каталогах запасные части и детали не предлагаются к продаже, а носят исключительно информационный характер