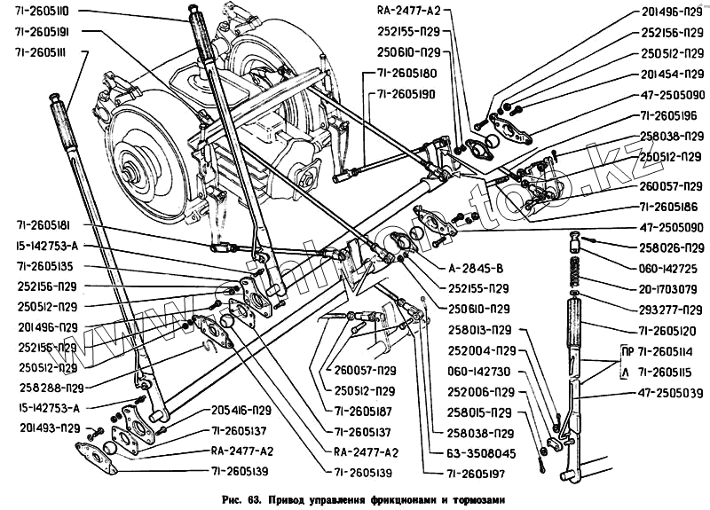
Каталог запасных частей к технике: ГАЗ-71. Привод управления фрикционами и тормозами
252006-П29
71-2605135
060-142730
71-2605187
71-2605181
71-2605186
71-2605180
71-2605197
71-2605191
71-2605196
71-2605190
47-2505039
71-2605120
252155-П29
252155-П29
252156-П29
252156-П29
252156-П29
293277-П29
252004-П29
258038-П29
258026-П29
258015-П29
258038-П29
258013-П29
258288-П29
250610-П29
250610-П29
201496-П29
201493-П29
201454-П29
201496-П29
71-2605115
71-2605111
71-2605114
71-2605110
63-3508045
РА-2477-А2
РА-2477-А2
РА-2477-А2
250512-П29
205416-П29
250512-П29
250512-П29
250512-П29
250512-П29
060-142725
47-2505090
47-2505090
71-2605139
71-2605139
А-2845-В
71-2605137
71-2605137
260057-П29
260057-П29
15-142753-А
15-142753-А
20-1703079
| Позиция на иллюстрации | Заводской номер детали | Название детали | |
|---|---|---|---|
| 252006-П29 | 252006-П29 | Шайба 10 ОСТ 37.001.144-96 | |
| 71-2605135 | 71-2605135 | Сектор ручного рычага | |
| 060-142730 | 060-142730 | Собачка рычага управления фрикционом | |
| 71-2605187 | 71-2605187 | Тяга рычага управления тормозом левая | |
| 71-2605181 | 71-2605181 | Тяга рычага управления тормозом левая в сборе | |
| 71-2605186 | 71-2605186 | Тяга рычага управления тормозом правая | |
| 71-2605180 | 71-2605180 | Тяга рычага управления тормозом правая в сборе | |
| 71-2605197 | 71-2605197 | Тяга рычага управления фрикционом левая | |
| 71-2605191 | 71-2605191 | Тяга рычага управления фрикционом левая в сборе | |
| 71-2605196 | 71-2605196 | Тяга рычага управления фрикционом правая | |
| 71-2605190 | 71-2605190 | Тяга рычага управления фрикционом правая в сборе | |
| 47-2505039 | 47-2505039 | Тяга собачки ручного рычага управления фрикционом и тормозом левая | |
| 71-2605120 | 71-2605120 | Рукоятка ручного рычага управления | |
| 252155-П29 | 252155-П29 | Шайба пружинная 8 | |
| 252156-П29 | 252156-П29 | Шайба 10 | |
| 252156-П29 | 252156-П29 | Шайба 10 | |
| 293277-П29 | 293277-П29 | Шайба 8,5 | |
| 252004-П29 | 252004-П29 | Шайба 6 ОСТ 37.001.144-96 | |
| 258038-П29 | 258038-П29 | Шплинт 3,2х16 ОСТ 37.001.171-93 | |
| 258026-П29 | 258026-П29 | Шплинт 2,2Х25 | |
| 258015-П29 | 258015-П29 | Шплинт | |
| 258038-П29 | 258038-П29 | Шплинт 3,2х16 ОСТ 37.001.171-93 | |
| 258013-П29 | 258013-П29 | Шплинт 2х16 ОСТ 37.001.171-93 | |
| 258288-П29 | 258288-П29 | Шплинт-проволока | |
| 250610-П29 | 250610-П29 | Гайка М8-6Н ОСТ 37.001.124-93 | |
| 201496-П29 | 201496-П29 | Болт М10-6gх22 ОСТ 37.001.123-96 | |
| 201493-П29 | 201493-П29 | Болт М10-6gх16 ОСТ 37.001.123-96 | |
| 201454-П29 | 201454-П29 | Болт М8-6gх16 ОСТ 37.001.123-96 | |
| 201496-П29 | 201496-П29 | Болт М10-6gх22 ОСТ 37.001.123-96 | |
| 71-2605115 | 71-2605115 | Вал управления с ручным рычагом левый | |
| 71-2605111 | 71-2605111 | Вал управления с ручным рычагом левый в сборе | |
| 71-2605114 | 71-2605114 | Вал управления с ручным рычагом правый | |
| 71-2605110 | 71-2605110 | Вал управления с ручным рычагом правый в сборе | |
| 63-3508045 | 63-3508045 | Вилка регулировочная тяги привода стояночного тормоза | |
| РА-2477-А2 | РА-2477-А2 | Втулка сферическая и самосмазывающая набивка в сборе | |
| 250512-П29 | 250512-П29 | Гайка М10-6Н ОСТ 37.001.124-93 | |
| 205416-П29 | 205416-П29 | Болт крепления сектора и левого кронштейна сферической втулки | |
| 250512-П29 | 250512-П29 | Гайка М10-6Н ОСТ 37.001.124-93 | |
| 250512-П29 | 250512-П29 | Гайка М10-6Н ОСТ 37.001.124-93 | |
| 060-142725 | 060-142725 | Кнопка рычага управления фрикционом | |
| 47-2505090 | 47-2505090 | Кронштейн крепления вала управления | |
| 71-2605139 | 71-2605139 | Кронштейн крепления вала управления левый | |
| А-2845-В | А-2845-В | Кронштейн крепления сферической втулки | |
| 71-2605137 | 71-2605137 | Кронштейн крепления сферической втулки левый | |
| 260057-П29 | 260057-П29 | Палец 10х28 ОСТ 37.001.163-97 | |
| 15-142753-А | 15-142753-А | Палец упорный рычага управления фрикционом | |
| 20-1703079 | 20-1703079 | Пружина |
Содержащиеся в справочниках-каталогах запасные части и детали не предлагаются к продаже, а носят исключительно информационный характер