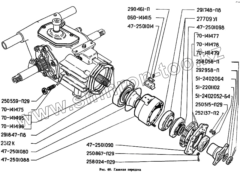
Каталог запасных частей к технике: ГАЗ-71. Главная передача
70-141478
258056-П
258024-П29
291847-П8
291748-П8
252137-П2
51-2402064
47-2501098
51-2201102
51-2402052-Б4
70-141496
70-141495
70-141477
70-141479
290461-П
2312К
51-2402025
060-141415
47-2501014
47-2501090
47-2501088
250559-П29
292958-П
250867-П29
250515-П29
47-2501080
70-141475
| Позиция на иллюстрации | Заводской номер детали | Название детали | |
|---|---|---|---|
| 70-141478 | 70-141478 | Прокладка регулировочная конических подшипников ведущей шестерни главной передачи | |
| 258056-П | 258056-П | Шплинт 4х40 | |
| 258024-П29 | 258024-П29 | Шплинт 2,5х16 ОСТ 37.001.171-93 | |
| 291847-П8 | 291847-П8 | Шпилька М12х1,25х32 | |
| 291748-П8 | 291748-П8 | Шпилька корпуса подшипников | |
| 252137-П2 | 252137-П2 | Шайба 12.ОТ ОСТ 37.001.115-75 | |
| 51-2402064 | 51-2402064 | Шайба специальная | |
| 47-2501098 | 47-2501098 | Шайба ведущей шестерни главной передачи внутренняя | |
| 51-2201102 | 51-2201102 | Фланец крепления карданного вала к ведущей шестерне главной передачи | |
| 51-2402052-Б4 | 51-2402052-Б4 | Манжета ведущей шестерни главной передачи в сборе | |
| 70-141496 | 70-141496 | Прокладка регулировочная крышки корпуса подшипников | |
| 70-141495 | 70-141495 | Прокладка регулировочная крышки корпуса подшипников | |
| 70-141477 | 70-141477 | Прокладка регулировочная конических подшипников ведущей шестерни главной передачи | |
| 70-141479 | 70-141479 | Прокладка регулировочная конических подшипников ведущей шестерни главной передачи | |
| 290461-П | 290461-П | Винт крепления маслоуловителя корпуса подшипников | |
| 2312К | 2312К | Подшипник роликовый цилиндрический ведущей шестерни главной передачи (060-141440) | |
| 51-2402025 | 51-2402025 | Подшипник 27709У1 | |
| 060-141415 | 060-141415 | Планка стопорная винтов маслоуловителя | |
| 47-2501014 | 47-2501014 | Маслоуловитель корпуса подшипников ведущей шестерни главной передачи | |
| 47-2501090 | 47-2501090 | Крышка корпуса подшипников ведущей шестерни главной передачи в сборе | |
| 47-2501088 | 47-2501088 | Корпус подшипников ведущей шестерни главной передачи | |
| 250559-П29 | 250559-П29 | Гайка М14х1,5-6Н ОСТ 37.001.124-93 | |
| 292958-П | 292958-П | Гайка М24х1,5 | |
| 250867-П29 | 250867-П29 | Гайка М8х1-6Н ОСТ 37.001.108-93 | |
| 250515-П29 | 250515-П29 | Гайка М12х1,25-6Н ОСТ 37.001.124-93 | |
| 47-2501080 | 47-2501080 | Втулка распорная внутренних колец подшипника ведущей шестерни главной передачи в сборе | |
| 70-141475 | 70-141475 | Винт крепления наружной обоймы роликового подшипника |
Содержащиеся в справочниках-каталогах запасные части и детали не предлагаются к продаже, а носят исключительно информационный характер