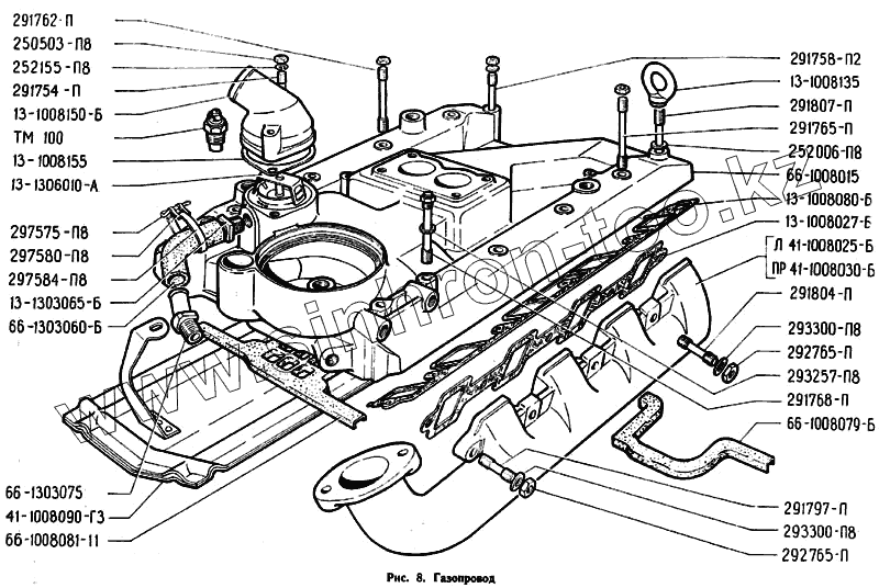
Каталог запасных частей к технике: ГАЗ-71. Газопровод
291765-П
252006-П8
293300-П8
293300-П8
293257-П8
252155-П8
66-1303060-Б
291758-П2
291807-П
291762-П
66-1008015
291768-П
291804-П
291797-П
291754-П
297575-П8
13-1303065-Б
66-1303075
13-1008150-Б
250503-П8
292765-П
292765-П
292765-П
13-1008135
52-3808020
41-1008090-Г3
41-1008025-Б
41-1008030-Б
297584 -П8
250503-П8
13-1008080-Б
66-1008079-Б
66-1008081-11
13-1008027-Б
13-1008027-Б
13-1008155
297580-П8
13-1306010-А
| Позиция на иллюстрации | Заводской номер детали | Название детали | |
|---|---|---|---|
| 291765-П | 291765-П | Шпилька М8х1х80 крепления впускной трубы | |
| 252006-П8 | 252006-П8 | Шайба 10 | |
| 293300-П8 | 293300-П8 | Шайба 10 | |
| 293257-П8 | 293257-П8 | Шайба 8,5 | |
| 252155-П8 | 252155-П8 | Шайба 8 пружинная | |
| 66-1303060-Б | 66-1303060-Б | Шланг соединительный | |
| 291758-П2 | 291758-П2 | Шпилька М8х1х58 | |
| 291807-П | 291807-П | Шпилька крепления впускной трубы | |
| 291762-П | 291762-П | Шпилька М8х1-4hх75 | |
| 66-1008015 | 66-1008015 | Труба впускная | |
| 291768-П | 291768-П | Шпилька М8х1-4hх88 | |
| 291804-П | 291804-П | Шпилька крепления выпускного коллектора | |
| 291797-П | 291797-П | Шпилька М10х1х30 | |
| 291754-П | 291754-П | Шпилька М8х1х42 крепления выпускного патрубка водяной рубашки | |
| 297575-П8 | 297575-П8 | Шплинт хомутика | |
| 13-1303065-Б | 13-1303065-Б | Штуцер К 3/8" | |
| 66-1303075 | 66-1303075 | Штуцер 3/8" | |
| 297584-П8 | 297584-П8 | Лента 10х235 | |
| 13-1008150-Б | 13-1008150-Б | Патрубок выпускной | |
| 250503-П8 | 250503-П8 | Гайка М8х1-4Н5Н | |
| 292765-П | 292765-П | Гайка М10х1 | |
| 13-1008135 | 13-1008135 | Гайка | |
| 52-3808020 | 52-3808020 | Датчик указателя температуры воды в двигателе в сборе ТМ100 | |
| 41-1008090-Г3 | 41-1008090-Г3 | Кожух газопровода в сборе | |
| 41-1008025-Б | 41-1008025-Б | Коллектор выпускной левый | |
| 41-1008030-Б | 41-1008030-Б | Коллектор выпускной правый | |
| 297584 -П8 | 297584 -П8 | Лента стяжная хомутика шланга | |
| 250503-П8 | 250503-П8 | Гайка М8х1-4Н5Н | |
| 26252 1-П | 26252 1-П | Пробка | |
| 13-1008080-Б | 13-1008080-Б | Прокладка впускной трубы боковая | |
| 66-1008079-Б | 66-1008079-Б | Прокладка впускной трубы задняя | |
| 66-1008081-11 | 66-1008081-11 | Прокладка впускной трубы передняя | |
| 13-1008027-Б | 13-1008027-Б | Прокладка выпускного коллектора | |
| 13-1008155 | 13-1008155 | Прокладка патрубка | |
| 297580-П8 | 297580-П8 | Пряжка хомута | |
| 13-1306010-А | 13-1306010-А | Термостат |
Содержащиеся в справочниках-каталогах запасные части и детали не предлагаются к продаже, а носят исключительно информационный характер