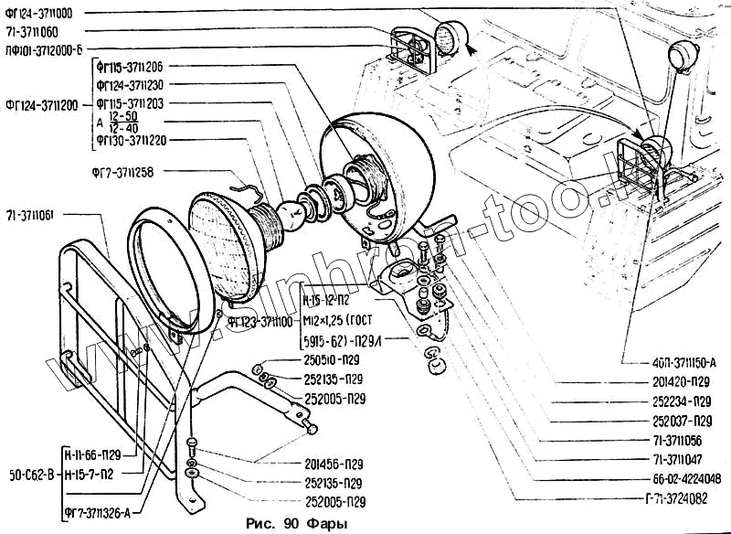
Каталог запасных частей к технике: ГАЗ-71. Фары
252005-П29
11Ф101-3712000-Б
Г-71-3724082
ФГ115-3711203
ФГ130-3711220
ФГ124-3711000
40П-3711150-А
252005-П29
50-Сб2-В
252037-П29
ФГ7-3711326-А
Н-15-7-П2
252135-П29
252135-П29
252234-П29
Н-15-12-П2
ФГ124-3711200
ФГ7-3711258
201456-П29
201420-П29
201456-П29
201456-П29
Н-11-66-П29
71-3711056
250510-П29
45 9951 4106
66-02-4224048
ФГ115-3711206
ФГ124-3711230
ФГ123-3711100
71-3711047
А12-50/12-40
71-3711061
71-3711060
| Позиция на иллюстрации | Заводской номер детали | Название детали | |
|---|---|---|---|
| 252005-П29 | 252005-П29 | Шайба 8 ОСТ 37.001.144-96 | |
| ПП24БТ | ПП24БТ | Патрон контрольной лампы дальнего света фар (40ПЮ-3803028) | |
| 11Ф101-3712000-Б | 11Ф101-3712000-Б | Подфарник и указатель поворотов (52-3712010-А) | |
| Г-71-3724082 | Г-71-3724082 | Провод массы фары | |
| ФГ115-3711203 | ФГ115-3711203 | Прокладка кожуха | |
| ФГ130-3711220 | ФГ130-3711220 | Рефлектор в сборе | |
| ФГ124-3711000 | ФГ124-3711000 | Фара (Г-71-3711011) | |
| 40П-3711150-А | 40П-3711150-А | Фара поворотная в сборе | |
| 252005-П29 | 252005-П29 | Шайба 8 ОСТ 37.001.144-96 | |
| 50-Сб2-В | 50-Сб2-В | Оправа в сборе | |
| 252037-П29 | 252037-П29 | Шайба 6 ОСТ 37.001.144-96 | |
| ФГ7-3711326-А | ФГ7-3711326-А | Шайба пружинная | |
| Н-15-7-П2 | Н-15-7-П2 | Шайба пружинная | |
| 252135-П29 | 252135-П29 | Шайба 8Т | |
| 252135-П29 | 252135-П29 | Шайба 8Т | |
| 252234-П29 | 252234-П29 | Шайба 2-6 ОСТ 37.001.146-75 | |
| Н-15-12-П2 | Н-15-12-П2 | Шайба пружинная | |
| ФГ124-3711200 | ФГ124-3711200 | Элемент оптический в сборе | |
| ФГ7-3711258 | ФГ7-3711258 | Держатель | |
| 201456-П29 | 201456-П29 | Болт М8-6gх20 ОСТ 37.001.123-96 | |
| 201420-П29 | 201420-П29 | Болт М6-6gх20 ОСТ 37.001.123-96 | |
| 201456-П29 | 201456-П29 | Болт М8-6gх20 ОСТ 37.001.123-96 | |
| 201456-П29 | 201456-П29 | Болт М8-6gх20 ОСТ 37.001.123-96 | |
| Н-11-66-П29 | Н-11-66-П29 | Винт | |
| 71-3711056 | 71-3711056 | Втулка амортизатора фары | |
| 250510-П29 | 250510-П29 | Гайка М8-6Н ОСТ 37.001.124-93 | |
| 45 9951 4106 | 45 9951 4106 | Гайка М12х1,25 ГОСТ 5915-70 | |
| 66-02-4224048 | 66-02-4224048 | Втулка защитная | |
| ФГ115-3711206 | ФГ115-3711206 | Держатель кожуха | |
| ФГ124-3711230 | ФГ124-3711230 | Кожух в сборе | |
| ФГ123-3711100 | ФГ123-3711100 | Корпус фары в сборе | |
| 71-3711047 | 71-3711047 | Кронштейн крепления фары в сборе | |
| А12-50/12-40 | А12-50/12-40 | Лампа | |
| А22Т | А22Т | Лампа (1 св) контрольная дальнего света фар (21МЮ-3726033) | |
| 71-3711061 | 71-3711061 | Ограждение фары левое в сборе | |
| 71-3711060 | 71-3711060 | Ограждение фары правое в сборе |
Содержащиеся в справочниках-каталогах запасные части и детали не предлагаются к продаже, а носят исключительно информационный характер