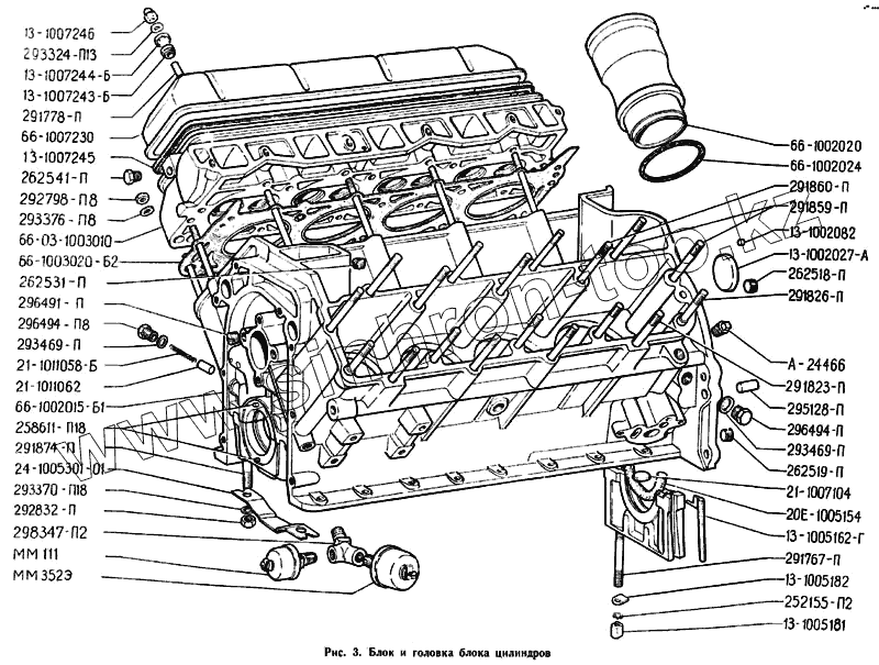
Каталог запасных частей к технике: ГАЗ-71. Блок и головка блока цилиндров
291823-П
66-1002024
66-1003020-Б2
13-1007245
13-1005162-Г
13-1007243-Б
293376-П8
293469-П
293469-П
293370-П18
293324-П13
13-1005182
252155-П2
13-1007244-Б
296491-П
296491-П
291826-П
291860-П
291859-П
291767-П
291874-П
291778-П
258611-П18
258611-П18
295128-П
298347-П2
21-1011058-Б
21-1007104
292798-П8
292832-П
13-1005181
13-1007246
66-1002020
66-03-1003010
ММ111
ММ352Э
13-1002082
13-1002027-А
66-1002015-Б1
66-1007230
20Е-1005154
24-1005301-01
21-1011062
262531-П
262531-П
262518-П
262519-П
262541-П
А-24466
296494-П
| Позиция на иллюстрации | Заводской номер детали | Название детали | |
|---|---|---|---|
| 291823-П | 291823-П | Шпилька М11х1х108 | |
| 66-1002024 | 66-1002024 | Прокладка гильзы цилиндра | |
| 66-1003020-Б2 | 66-1003020-Б2 | Прокладка головки блока цилиндров в сборе | |
| 13-1007245 | 13-1007245 | Прокладка крышки коромысел | |
| 13-1005162-Г | 13-1005162-Г | Прокладка | |
| 13-1007243-Б | 13-1007243-Б | Прокладка уплотнительная крышки коромысел | |
| 293376-П8 | 293376-П8 | Шайба 11,5 | |
| 293469-П | 293469-П | Шайба 18 | |
| 293370-П18 | 293370-П18 | Шайба 12 | |
| 293324-П13 | 293324-П13 | Шайба | |
| 13-1005182 | 13-1005182 | Шайба крепления держателя | |
| 252155-П2 | 252155-П2 | Шайба 8Л ОСТ 37.001.115-75 | |
| 13-1007244-Б | 13-1007244-Б | Шайба специальная крышки | |
| 296491-П | 296491-П | Пробка М16 | |
| 291826-П | 291826-П | Шпилька М11х1х195 | |
| 291860-П | 291860-П | Шпилька М11х1х208 | |
| 291859-П | 291859-П | Шпилька М11х1х170 | |
| 291767-П | 291767-П | Шпилька М8х1х62 | |
| 291874-П | 291874-П | Шпилька М12х1,25-4h6hх82 | |
| 291778-П | 291778-П | Шпилька М10х1-6gх112 | |
| 258611-П18 | 258611-П18 | Штифт 4х10 | |
| 258611-П18 | 258611-П18 | Штифт 4х10 | |
| 295128-П | 295128-П | Штифт 13х28 | |
| 298347-П2 | 298347-П2 | Штуцер К1/4" | |
| 21-1011058-Б | 21-1011058-Б | Пружина редукционного клапана | |
| 21-1007104 | 21-1007104 | Заглушка | |
| 66-1002009-Б | 66-1002009-Б | Блок цилиндров с картером сцепления в сборе | |
| 292798-П8 | 292798-П8 | Гайка М11х1 | |
| 292832-П | 292832-П | Гайка СП М12х1,25 | |
| 13-1005181 | 13-1005181 | Гайка | |
| 13-1007246 | 13-1007246 | Гайка крышки | |
| 66-1002020 | 66-1002020 | Гильза цилиндра в сборе | |
| 66-03-1003010 | 66-03-1003010 | Головка блока цилиндров в сборе | |
| 66-03-1003007 | 66-03-1003007 | Головка блока цилиндров с клапанами в сборе | |
| ММ111 | ММ111 | Датчик контрольной лампы аварийного давления масла (53-50-3810500) | |
| ММ352Э | ММ352Э | Датчик указателя давления масла (49Б-3810600) | |
| 13-1002082 | 13-1002082 | Заглушка блока 6,5Х8 | |
| 13-1002027-А | 13-1002027-А | Заглушка заднего подшипника распределительного вала | |
| 66-1002015-Б1 | 66-1002015-Б1 | Блок цилиндров | |
| 66-1007230 | 66-1007230 | Крышка коромысел в сборе | |
| 20Е-1005154 | 20Е-1005154 | Набивка сальника | |
| 24-1005301-01 | 24-1005301-01 | Пластина стопорная | |
| 21-1011062 | 21-1011062 | Плунжер редукционного клапана | |
| 262531-П | 262531-П | Пробка КГ 1/8" | |
| 262531-П | 262531-П | Пробка КГ 1/8" | |
| 262518-П | 262518-П | Пробка КГ 3/8" | |
| 262519-П | 262519-П | Пробка коническая масляных каналов | |
| 262541-П | 262541-П | Пробка КГ 1/8 | |
| А-24466 | А-24466 | Пробка 1/4"х18 | |
| 296494-П | 296494-П | Пробка М18х1,5 сливная |
Содержащиеся в справочниках-каталогах запасные части и детали не предлагаются к продаже, а носят исключительно информационный характер