Вернуться на главную
Поиск
Каталоги запчастей к технике
Спецтехника
Foton
TL254 (TL1A254-001K)
KM385BT-1F-15 FUEL SYSTEM ASSY
Каталог запасных частей к технике: Foton TL254 (TL1A254-001K). KM385BT-1F-15 FUEL SYSTEM ASSY
zoom-in
zoom-out
enlarge
shrink
circle-right
circle-left
file-text2
info
cart
Тип техники
Не выбрано
Легковые автомобили
Грузовые автомобили и прицепы
Автобусы
Сельхозтехника
Спецтехника
Двигатели
Мототехника
Марка
Не выбрано
Ammann
BOMAG
CARMIX
CASE IH
Changlin
ChengGong
Dimex
Doosan
DYNAPAC
Foton
HAMM
Hidromek
Hitachi
Hyundai
JCB
JLG
John Deere
Komatsu
LIEBHERR
LiuGong
Lonking (LongGong)
Luneng
MANITOU
Mitsuber
New Holland
PENGPU
RM-Terex
SANY
SDLG
SEM
Shantui
Shehwa HBXG
Soosan
TIGARBO
VOGELE
Volvo
WAY
WIRTGEN
XCMG
XGMA
Xiamen
YTO
Yuchai
Zoomlion
Автокран
АЗСМ
Алтайлесмаш
Амкодор
АОМЗ
Атек
АТЗ
Балканкар Рекорд
БелАЗ
Беловеж
Борекс
Брянский Арсенал
Булат
ВЭКС
ГАЗ
Геомаш
Гидромаш
Донекс
Дормаш
Дормашина
Дорэлектромаш
ДЭЗ
ЕлАЗ
ЗЗГТ
Ижнефтемаш
Канаш-электрокар
КЗКТ
ККЗ
Клевер
Клинцовский автокрановый завод
КМЗ
КМЗ 1 Мая
Ковровец
Коммаш
Кранэкс
КЭЗ
КЭМЗ
ЛЗА
МАЗ
МЗИК
МЗКМ
МЗКТ
Михневский РМЗ
МоАЗ
Мозырский МЗ
МТЗ
ОЗП
Онежец
ПАО "ТЗА"
ППС Детва
Промтрактор
ПТЗ
Раскат
СпецАгрегат
ТВЭКС
ТТМ
УВЗ
Угличмаш
УЗТМ
ХТЗ
ЧЗКМ
ЧСДМ
ЧТЗ
ЭКСКО
ЭКСМАШ
ЮрМаш
Модель
Не выбрано
FL917F (2009)
FL935E (2012)
FL936F (FL936FH4C1B2X1A105) (2011)
FL958G (2015)
Foton-FL936F (2007)
Foton-FL958G (2007)
TB454-Q161Y20K
TL254 (TL1A254-001K)
Схема
>
Не выбрано
KM385BT-1F-1 CYLINDER BLOCK
KM385BT-1F-10 COOLING SYSTEM ASSY
KM385BT-1F-11 INTAKE MANIFOLD ASSY
KM385BT-1F-12 EXHAUST MANIFOLD ASSY
KM385BT-1F-13 LUBRICATING SYSTEM ASSY
KM385BT-1F-14 FUEL SYSTEM ASSY
KM385BT-1F-15 FUEL SYSTEM ASSY
KM385BT-1F-2 ENGINE BLOCK ASSY (TWO)
KM385BT-1F-3 ENGINE BLOCK ASSY (FREE)
KM385BT-1F-4 ENGINE BLOCK ASSY (FOUR)
KM385BT-1F-5 ENGINE BLOCK ASSY (FIVE)
KM385BT-1F-6 CAMSHAFT ASSY
KM385BT-1F-7 CYLINDER HEAD ASSY
KM385BT-1F-8 PISTON CONNECTING ROD ASSEMBLY
KM385BT-1F-9 CRANKSHAFT FLYWHEEL ASSEMBLY
TE250.11A AIR CLEANER ASSEMBLY
TE250.13B COOLING SYSTEM ASSEMBLY
TE254.20-1 ENGINE CONTROL MECHANISM ASSEMLBY
TE254.20-2 ENGINE CONTROL MECHANISM ASSEMLBY
TE250.211 CLUTCH SUBASSEMBLY
TE250.212B CLUTCH CONTROL ASSEMBLY
FT250.21B.011 CLUTCH SUBASSEMBLY
TE250.22 EXHAUST SYSTEM ASSEMBLY
TE254.311J-1 FRONT DRIVING AXLE ASSEMBLY
TL01312010000 BRACKET ASSEMBLY
TE254.311J-2.1 FRONT DRIVING AXLE ASSEMBLY
TE254.311J-2.2 FRONT DRIVING AXLE ASSEMBLY
TE254.313G FRONT SUPPORT SEAT ASSEMBLY
TE254.311J-3.1 FRONT DRIVING AXLE ASSEMBLY
TE254.311J-3.2 FRONT DRIVING AXLE ASSEMBLY
TE254.314G REAR SUPPORTING SEAT ASSEMBLY
TE254.311J-4.1 FRONT DRIVING AXLE ASSEMBLY
TE254.311J-4.2 FRONT DRIVING AXLE ASSEMBLY
TE254.311J-5 FRONT DRIVING AXLE ASSEMBLY
TE254.311J-6 FRONT DRIVING AXLE ASSEMBLY
TE284.32F FRONT DRIVING WHEEL ASSEMBLY
FT250.34F.001 REAR DRIVE WHEEL ASSEMBLY
TE254.361F-1 SHUTTLE SHIFT ASSEMBLY
TE250.362F SHUTTLE SHIFT CONTROL MECHANISM ASSEMBLY
TE254.361F-2 SHUTTLE SHIFT ASSEMBLY
FT250.37.028 RIGHT HALF SHAFT ASSEMBLY
FT250.37.029 LEFT HALF SHAFT ASSEMBLY
TE250.371B-1 TRANSMISSION ASSEMBLY
TE250.371B-2 TRANSMISSION ASSEMBLY
TE250.372B-1 TRANSMISSION REAR CENTER ASSEMBLY
TE250.372B-2 TRANSMISSION REAR CENTER ASSEMBLY
TE250.373B-1 TRANSMISSION CONTROL MECHANISM ASSEMBLY
TE250.373B-2 TRANSMISSION CONTROL MECHANISM ASSEMBLY
TE250.373B-3 TRANSMISSION CONTROL MECHANISM ASSEMB
TE254.402D-1 STEERING PIPE ASSEMBLY
TE254.402D-2 STEERING PIPE ASSEMBLY
TE250.403B STEERING PIPE COLUMN ASSEMBLY
TE250.411B PTO SHAFT ASSEMBLY
TE250.412B PTO GEAR ASSEMBLY
TE250.413B PTO CONTROL MECHANISM ASSEMBLY
TE254.421B TRANSFER CASE ASSEMBLY
TE254.422A TRANSFER CASE TRANSMISSION SHAFT ASSEMBLY
TE254.423A TRANSFER CASE CONTROL ASSEMBLY
FT250.43.001-2 BRAKE AND CONTROL MECHANISM
FT250.43.001-1 BRAKE AND CONTROL MECHANISM
FT250.44B.001 SEAT ASSEMBLY
TE250.45E FLOOR INSTALLATION ASSEMBLY
TE250.471D BONNET INSTALLATION ASSEMBLY
TE250.472A DASHBOARD INSTALLATION ASSEMBLY
TE250.475A PORTAL FRAME INSTALLATION ASSEMBLY
TE250.476 PNEUMATIC SPRING INSTALLATION ASSEMBLY
TE250.477 BONNET LOCK INSTALLATION ASSEMBLY
TE250.481 ENGINE HARNESS INSTALLATION ASSEMBLY
TE250.483 FRONT LAMP HARNESS INSTALLATION ASSEMBLY
TE300.485B BATTERY INSTALLATION ASSEMBLY
TE250.485C BATTERY INSTALLATION ASSEMBLY
FT250.49.001 TOOL BOX INSTALLATION ASSEMBLY
TE300.50E 50 FUEL TANK ASSEMBLY
TE250.53B 53 TOW EQUIPMENT INSTALLATION ASSEMBLY
TE250.55-1 55.1 LIFTER INSTALLATION ASSEMBLY
TE250.55-2 55.2 LIFTER INSTALLATION ASSEMBLY
FT250.56.001-1 SUSPENSION MECHANISM ASSEMBLY
FT250.56.001-2 SUSPENSION MECHANISM ASSEMBLY
FT250.57.001 DISTRIBUTOR ASSEMBLY
TE250.58A HYDRAULIC OUTPUT PIPE ASSEMBLY
TE254.581F 58.1 OIL PUMP PIPE ASSEMBLY
TE254.582F 58.2 58.2-OIL FILTER PIPE ASSEMBLY
FT250.74.001 FRONT BALLAST ASSEMBLY
FT250.91B.001 REAR BALLAST ASSEMBLY
TL01482090000K BODY HARNESS INSTALLATION ASSEMBLY
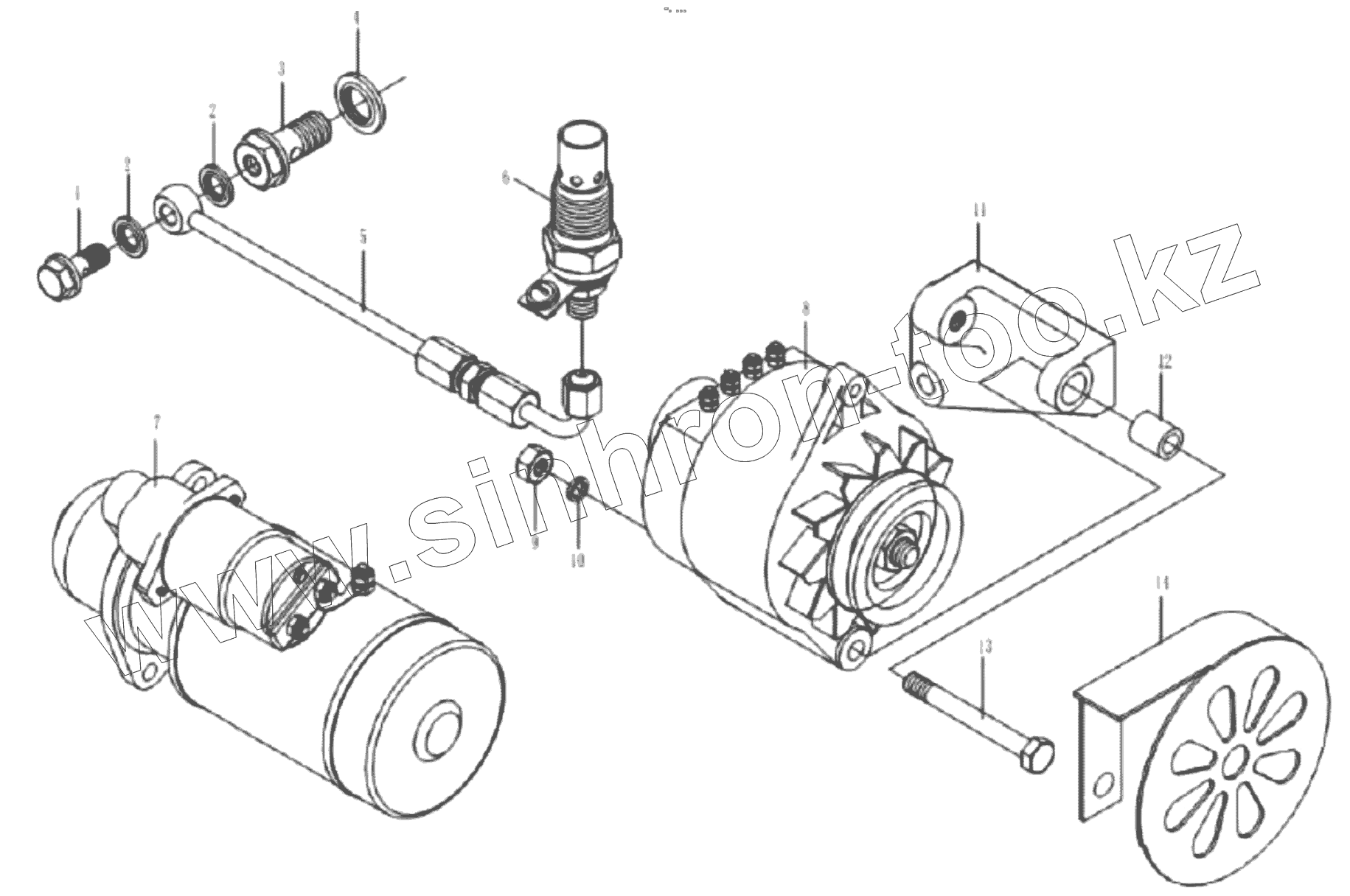
1
2
2
3
4
5
6
7
8
9
11
12
14
Позиция на иллюстрации
Заводской номер детали
Название детали
1
KM485QB-12603
JOINT BOLT
2
L375-03017
ANTILEAK WASHER
3
KM485QB-12602
JOINT BOLT
4
KM485QB-12607
COMBINED GASKET
5
KM485QB-12604-1
PREHEATING PLUG OIL PIPE
6
KM485QB-12601
PREHEATING PLUG
7
KM385T-12300JC-QDJ1332A
MOTOR STARTER
8
KM385T-12100-1
GENERATOR
9
GBT6170-M10
Nut
11
KM385T-01028
GENERATOR FASTEN BRACKET
12
L375-01031
GENERATOR BRACKET BUSH
14
KM385T-12110
GENERATOR SAFTY COVER
Содержащиеся в справочниках-каталогах запасные части и детали не предлагаются к продаже, а носят исключительно информационный характер
Дополнительная информация
×
Название:
Номер:
Примечание: