Каталог запасных частей к технике: Foton FL958G. 9F850-12A000000A0 JOINT ASSEMBLY
1
10
11
12
12
13
13
14
15
16
17
17
18
19
19
2
2
2
2
2
20
21
22
23
24
24
25
26
26
27
28
28
28
3
3
3
3
3
4
5
5
6
7
7
8
8
9
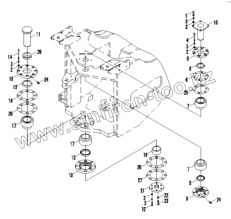
| Позиция на иллюстрации | Заводской номер детали | Название детали | |
|---|---|---|---|
| 1 | GBT5783-M12X40-10.9-A3L | Bolt | |
| 10 | 9F850-12A010000A0 | Upper joint pin | |
| 11 | 9F850-12A000005A0 | Lower hinge pin | |
| 12 | GBT5783-M12X45-8.8-A3L | Bolt | |
| 12 | GBT5783-M12X45-8.8-A3L | Bolt | |
| 13 | GBT9877.1-B100X125X12D | Seal ring | |
| 14 | 9F850-12A000016A0 | Bolt | |
| 15 | 9F850-12A000006A0 | Upper cover | |
| 16 | 9F850-12A000007A0 | Adjusting gasket | |
| 17 | GBT297-33217 | Bearing | |
| 18 | 9F850-12A000008A0 | Lower cover | |
| 19 | 9F850-12A000009A0 | Spacer bush | |
| 19 | 9F850-12A000009A0 | Spacer bush | |
| 19.1 | 9F850-12A020000A0 | Bearing assembly | |
| 2 | GBT97.1-12-A0P | Washer | |
| 2 | GBT97.1-12-A3L | Washer | |
| 20 | 9F850-12A000010A0 | Adjusting gasket | |
| 21 | 9F850-12A000011A0 | Locking plate | |
| 22 | GBT93-16-A0P | Spring washer | |
| 23 | GBT5782-M16X90-8.8-A2L | Bolt | |
| 24 | JBT7940.1-M10X1 | Straight pressure filling oil cup | |
| 25 | 9F850-12A000012A0 | Adjusting gasket | |
| 26 | 9F850-12A000013A0 | Adjusting gasket | |
| 26 | 9F850-12A000013A0 | Adjusting gasket | |
| 27 | 9F850-12A000014A0 | Adjusting gasket | |
| 28 | 9F850-12A000001A0 | Shaft sleeve | |
| 28 | 9F850-12A000001A0 | Shaft sleeve | |
| 28 | GBT93-16-A3L | Washer | |
| 3 | GBT93-12-A3L | Washer | |
| 3 | GBT93-12-A0P | Spring washer | |
| 4 | 9F850-12A000015A0 | Bolt | |
| 5 | 9F850-12A000002A0 | Cover | |
| 5 | 9F850-12A000002A0 | Cover | |
| 6 | 9F850-12A000003A0 | Adjusting gasket | |
| 7 | GBT297-32016 | Bearing | |
| 8 | GBT9877.1-B80X100X10F | Seal ring | |
| 9 | 9F850-12A000004A0 | Cover | |
| GBT5782-M16X90-8.8-A3L | GBT5782-M16X90-8.8-A3L | Bolt | |
| GBT5783-M12X40-8.8-A3L | GBT5783-M12X40-8.8-A3L | Bolt |
Содержащиеся в справочниках-каталогах запасные части и детали не предлагаются к продаже, а носят исключительно информационный характер