Вернуться на главную
Поиск
Каталоги запчастей к технике
Спецтехника
Foton
FL936F (FL936FH4C1B2X1A105)
9D650-65B000000A0 Battery wiring and assembling
Каталог запасных частей к технике: Foton FL936F (FL936FH4C1B2X1A105). 9D650-65B000000A0 Battery wiring and assembling
zoom-in
zoom-out
enlarge
shrink
circle-right
circle-left
file-text2
info
cart
Тип техники
Не выбрано
Легковые автомобили
Грузовые автомобили и прицепы
Автобусы
Сельхозтехника
Спецтехника
Двигатели
Мототехника
Марка
Не выбрано
Ammann
BOMAG
CARMIX
CASE IH
Changlin
ChengGong
Dimex
Doosan
DYNAPAC
Foton
HAMM
Hidromek
Hitachi
Hyundai
JCB
JLG
John Deere
Komatsu
LIEBHERR
LiuGong
Lonking (LongGong)
Luneng
MANITOU
Mitsuber
New Holland
PENGPU
RM-Terex
SANY
SDLG
SEM
Shantui
Shehwa HBXG
Soosan
TIGARBO
VOGELE
Volvo
WAY
WIRTGEN
XCMG
XGMA
Xiamen
YTO
Yuchai
Zoomlion
Автокран
АЗСМ
Алтайлесмаш
Амкодор
АОМЗ
Атек
АТЗ
Балканкар Рекорд
БелАЗ
Беловеж
Борекс
Брянский Арсенал
Булат
ВЭКС
ГАЗ
Геомаш
Гидромаш
Донекс
Дормаш
Дормашина
Дорэлектромаш
ДЭЗ
ЕлАЗ
ЗЗГТ
Ижнефтемаш
Канаш-электрокар
КЗКТ
ККЗ
Клевер
Клинцовский автокрановый завод
КМЗ
КМЗ 1 Мая
Ковровец
Коммаш
Кранэкс
КЭЗ
КЭМЗ
ЛЗА
МАЗ
МЗИК
МЗКМ
МЗКТ
Михневский РМЗ
МоАЗ
Мозырский МЗ
МТЗ
ОЗП
Онежец
ПАО "ТЗА"
ППС Детва
Промтрактор
ПТЗ
Раскат
СпецАгрегат
ТВЭКС
ТТМ
УВЗ
Угличмаш
УЗТМ
ХТЗ
ЧЗКМ
ЧСДМ
ЧТЗ
ЭКСКО
ЭКСМАШ
ЮрМаш
Модель
Не выбрано
FL917F (2009)
FL935E (2012)
FL936F (FL936FH4C1B2X1A105) (2011)
FL958G (2015)
Foton-FL936F (2007)
Foton-FL958G (2007)
TB454-Q161Y20K
TL254 (TL1A254-001K)
Схема
>
Не выбрано
9D651-01А000000А0 Enging assembling
9D650-08A000000A0 Fuel tank assembling
9D651-02A000000A0 Radiator assembly
9D651-03A000000A0 Preheating system
9D651-05A000000A0 Throttle control system
9D651-06B000000A0 Flameout device
9D650-11B000000B0 Front frame weldment assembly
9D650-12A000000A0 Joint assembly
9D650-13A000000B0 Rear frame weldment assembly
9D650-14A000000B0 Auxiliary frame assembly
9D650-15A000000A1 Ballast
9D650-16A000000B0 Front frame accessories
9D650-17A000000A0 Rear frame accessories
9D650-21A000000A0 Converter assembling
9D650-23A000000A0 Gearbox assembling
9D652-24A000000A0 Gearbox assembly
B00508+9D652-24A000000A0 ZL20AX32 Hangchi gearboxy assembly ZL20AX32
B00508+ZL20-037000X17A Gearbox oil filling pipe assembly
B00508+ZL20-030001-71 Gearbox body components
B00508+ZL20-030100A Ventilator Assembly
B00508+ZL20-036000X1 Reverse Gear Shaft Assembly
B00508+ZL20-033000X1 Intermediate Shaft Assembly
B00508+ZL20-032100 Clutch Assembly
B00508+ZL20-030072-77 Output shaft assembly
B00508+ZL20-032000X1 Input Shaft Assembly
B00508+ZL20-030044-55 High-low gear shift fork mechanism
B00508+ZL20-038000J Hand Brake Assembly
b00745+9d652-24a000000a0 Zl30-IV Jingyi gearboxy assembly ZL30-IV
B00508+ZL20-037000X17A Gearbox oil filling pipe assembly
B00745+ZL30.01-00 Gearbox body components
B00745+ZL30.12-00 Breather assembly
B00745+ZL30.10-00 Reverse Gear Shaft Assembly
B00745+ZL30.04-00 Intermediate Shaft Assembly
B00745+ZL30.02-00 Output shaft assembly
B00745+ZL30.03-00 Input Shaft Assembly
B00745+ZL30.10-00.01 Clutch Assembly
B00745+ZL30.08-00 High-low gear shift fork mechanism
B00745+ZL30.13-00 Hand brake assembly
B00745+ZL428-00 Gearbox control valve assembly
9D650-25A000000A0 Transmission shaft assembling
B02313+9D650-25A010000A0 Weifang Yuandong front transmission shaft assembly
B02313+9D650-25A030000A0 Weifang Yuandong middle transmission shaft assembly
B02313+9D650-25A040000A0 Weifang Yuandong rear transmission shaft assembly
B02313+9D650-25A050000A0 Weifang Yuandong main transmission shaft assembly
9D650-26C000000B0 Front drive axle assembly
B00256+9D650-26C010000B0 XPRC1132D027 Xuzhou Meichi frontaxle assembly XPRC1132D027
B00256+83351200 Hub Reducer Assembly
В00256+84688301 Brake caliper assembly
В00256+81350100 Axle housing assembly
В00256+82350200 Main reductor assembly
B00256+82214207 Differential assembly
9D650-27C000000B0 Rear drive axle assembly
B00256+9D650-27C010000B0 XPRC1132D028-1 Xuzhou Meichi rear axle assembly
B00256+9D650-27C010000B0 XPRC1132D028-1 Xuzhou Meichi rear axle assembly
B00256+83351200 Hub Reducer Assembly
В00256+84688301 Brake caliper assembly
В00256+81350100 Axle housing assembly
В00256+82351100 Main reductor assembly
B00256+82214207 Differential assembly
9D650-29B000000B0 Parking and auxiliary brake system
9D651-31A000000A0 Oil pipeline of converter gearbox
9D651-32A000000B0 Transmission oil radiator connecting pipeline
9D650-33A000000A0 Transmission system oil return pipeline
9D650-34A000000B0 Wheel assembly
9D651-35A000000A0 Brake pressure system
9D650-36A000000B0 Brake control system
B00951+9D650-36A020000A0 Wuhu Shengli air compressor
B00190+9D650-36A020000A0 Chongqing Huipu air compressor
9D650-37C000000B0 Drive axle pipeline system
9D650-38B000000A0 Power cutoff system
9D650-44B000000A0 Seat assembly
B00516+9D650-44B010000A0 Zhejiang Tiancheng seat assembly
B01413+9D650-44B010000A0 Somet seat assembly
9D650-45A000000B0 Cab assembley
9D650-45A020000A0 Cab upholstery assembly
9D650-45A030000B0 Cab exterior mountings assembly
9D650-46D000000B0 Floor assembly
9D651-47D000000A0 Bonnet assembly
9D650-48B000000A0 Mudguard and cover plate assembly
9D650-54A000000B0 Steering hydraulic system
9D650-54A000000B0 Steering hydraulic system
9D650-54A000000B0 Steering hydraulic system
9D651-55A000000B0 Working cylinder system
9D651-55A000000B0 Working cylinder system
9D651-55A000000B0 Working cylinder system
9D651-55A000000B0 Working cylinder system
9D651-56A000000B0 Working oil pump system
9D650-58B000000A0 Hydraulic oil tank
9D651-59A000000B0 Hydraulic control system
9D651-62A000000A0 Front frame wiring
9D651-63E000000B0 Cab wiring
9D651-64D000000B0 Rear frame wiring
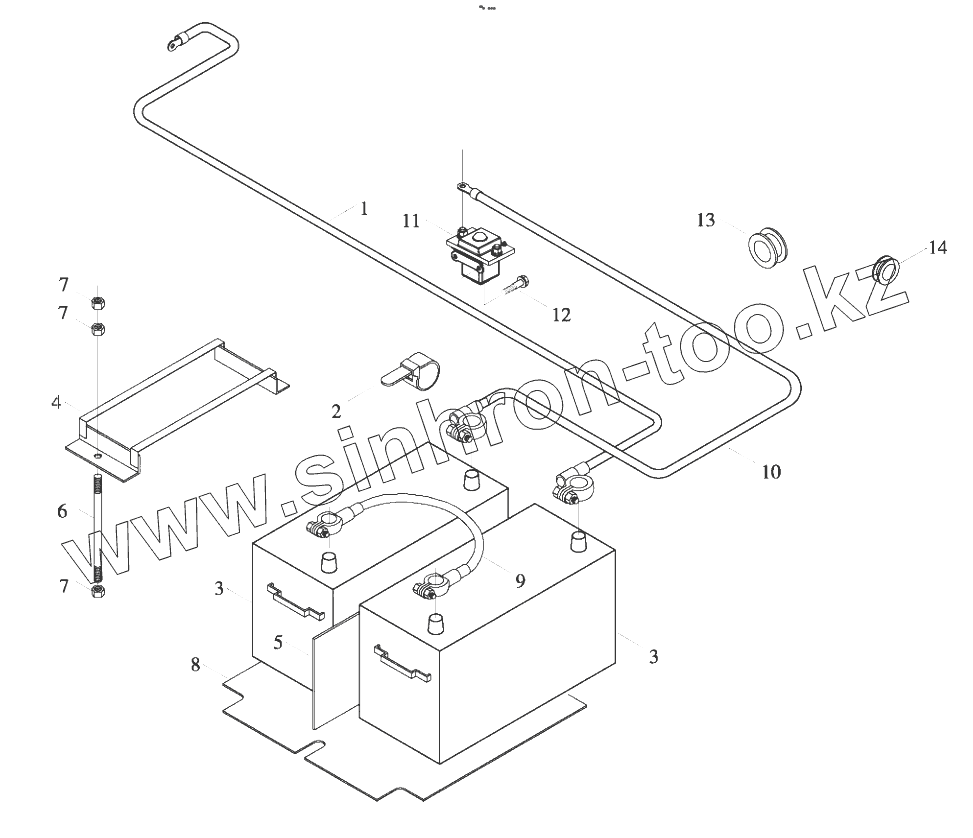
9D650-65B000000A0 Battery wiring and assembling
9D651-66F000000B0 Instrument assembly
9D651-66F000000B0 Instrument assembly
9D651-66F000000B0 Instrument assembly
9D651-68B000000A0 Air conditioner system
B01231+9F850-68A020000A0 Xinxiang Zhenhua evaporator ZHZ-6
B00378+9F850-68A020000A0 GQZ-84 Xinxiang Yuxin evaporator
9F853-69A030000A0 Radio and player assembly
9D650-72A000000A0 Link mechanism
9D650-73A000000A0 Bucket assembly
9D650-76A000000B0 Work implement attachments
9D650-83A000000A0 Transmission control system
9D651-84A000000A0 High-low gear control system
1
2
3
3
4
5
6
7
7
8
8
9
10
11
12
13
14
Позиция на иллюстрации
Заводской номер детали
Название детали
1
9D650-65B030000A0
Battery positive pole cable
2
9F850-62A000001A0
Lock cable ties
3
9F850-65A060000A0
Battery
4
9F850-65A070000A0
Fixing frame
5
9F850-65A000003A0
Side mat plate
6
GBT901-M8x200-8.8-A1L
Stud
7
GBT6170-M8-A2L
Type 1 hexagon nut
8
9F850-65A000002A0
Bottom mat plate
9
9F850-65A050000A0
Battery serial wire
10
9F850-65B040000A0
Battery negative pole cable
11
9F850-65B010000A0
Magnetic master switch
12
GBT5789-M8x16-8.8-A2L
Hex flange bolt
13
9F850-65A000001A0
Grommet
14
9F850-65A000004A0
Grommet
Содержащиеся в справочниках-каталогах запасные части и детали не предлагаются к продаже, а носят исключительно информационный характер
Дополнительная информация
×
Название:
Номер:
Примечание: