Вернуться на главную
Поиск
Каталоги запчастей к технике
Спецтехника
ЭКСМАШ
TLH 3507-12
Установка фаркопа
Каталог запасных частей к технике: ЭКСМАШ TLH 3507-12. Установка фаркопа
zoom-in
zoom-out
enlarge
shrink
circle-right
circle-left
file-text2
info
cart
Тип техники
Не выбрано
Легковые автомобили
Грузовые автомобили и прицепы
Автобусы
Сельхозтехника
Спецтехника
Двигатели
Мототехника
Марка
Не выбрано
Ammann
BOMAG
CARMIX
CASE IH
Changlin
ChengGong
Dimex
Doosan
DYNAPAC
Foton
HAMM
Hidromek
Hitachi
Hyundai
JCB
JLG
John Deere
Komatsu
LIEBHERR
LiuGong
Lonking (LongGong)
Luneng
MANITOU
Mitsuber
New Holland
PENGPU
RM-Terex
SANY
SDLG
SEM
Shantui
Shehwa HBXG
Soosan
TIGARBO
VOGELE
Volvo
WAY
WIRTGEN
XCMG
XGMA
Xiamen
YTO
Yuchai
Zoomlion
Автокран
АЗСМ
Алтайлесмаш
Амкодор
АОМЗ
Атек
АТЗ
Балканкар Рекорд
БелАЗ
Беловеж
Борекс
Брянский Арсенал
Булат
ВЭКС
ГАЗ
Геомаш
Гидромаш
Донекс
Дормаш
Дормашина
Дорэлектромаш
ДЭЗ
ЕлАЗ
ЗЗГТ
Ижнефтемаш
Канаш-электрокар
КЗКТ
ККЗ
Клевер
Клинцовский автокрановый завод
КМЗ
КМЗ 1 Мая
Ковровец
Коммаш
Кранэкс
КЭЗ
КЭМЗ
ЛЗА
МАЗ
МЗИК
МЗКМ
МЗКТ
Михневский РМЗ
МоАЗ
Мозырский МЗ
МТЗ
ОЗП
Онежец
ПАО "ТЗА"
ППС Детва
Промтрактор
ПТЗ
Раскат
СпецАгрегат
ТВЭКС
ТТМ
УВЗ
Угличмаш
УЗТМ
ХТЗ
ЧЗКМ
ЧСДМ
ЧТЗ
ЭКСКО
ЭКСМАШ
ЮрМаш
Модель
Не выбрано
E130W (2008)
E140W (2015)
E140W-51-03 (2015)
E160W (2008)
E170W (2015)
E170W (2017)
E180R (2008)
E190WH (2017)
E195A (2016)
E195A (2016.2)
E200C (2016)
E200W (2016)
E220C (2021)
E230W (2017)
E230WH (2017)
E240C (2016)
E280WH (2017)
E300C (2016)
E330С (2015)
E350WH (2017)
E400C (2015)
M300 (2016)
TLH 3507-11 (2017)
TLH 3507-12 (2017)
TLH 3510-11 (2017)
TLH 3510-12 (2017)
TLH 4007-11 (2017)
TLH 4007-12 (2017)
ЭОВ-3523 (2016)
Схема
>
Не выбрано
Перечень сборочных единиц Погрузчиков 3507, 4007 и 3510(AG-CE)
Установка капотной системы
Установка капотной системы
Установка кабины
Кабина в сборе 3507-00-23.00.000
Кабина в сборе 3507-00-23.00.000
Кабина в сборе 3507-00-23.00.000
Кабина в сборе 3507-00-23.00.000
Установка стеклоочистителя стекла накрышного
Установка солнезащитных элементов
Управление погрузчиком
Управление погрузчиком
Установка кондиционера и отопителя
Установка кондиционера и отопителя
Установка кондиционера и отопителя
Установка кондиционера и отопителя
Установка кондиционера и отопителя
Установка отопителя
Установка отопителя
Установка бака топливного
Установка силовая
Установка силовая
Установка глушителя
Установка блока радиаторов
Установка блока радиаторов
Установка воздушного фильтра
Установка топливопроводов
Установка шумоизоляции силового отсека
Установка КПП
Электрооборудование рамы основной
Электрооборудование установки CleanFix с мультитаймером 12V. 3510-00-30.70.300
Электрооборудование кабины
Электрооборудование установки стеклоочистителя заднего стекла
Электрооборудование установки стеклоочистителя правого стекла
Электрооборудование установки система ограничения "НГК Силовые Компоненты"
Гидрооборудование в сборе
Гидрооборудование рабочих органов
Гидрооборудование рабочих органов
Гидрооборудование рабочих органов
Установка насоса
Сборка распределителя
Сборка распределителя
Сборка распределителя
Гидрооборудование системы управления
Гидрооборудование системы управления
Гидрооборудование системы управления
Гидроуправление в кабине
Тормозная система (управление в кабине)
Тормозная система (управление в кабине)
Установка насоса-дозатора
Гидрораспределитель управления мостами в сборе
Клапан зарядки в сборе
Установка насоса НШ
Установка насоса НШ
Гидрооборудование мостов в сборе
Установка кронштейнов фар (комплектация машины THL без установки противовесов)
Установка кронштейнов фар (комплектация машины THL без установки противовесов)
Установка мостов
Установка мостов
3510-00-50.30.000 Установка мостов
3510-00-50.30.000 Установка мостов
3510-00-47.00.000-11 Система выравнивания
3510-00-47.00.000-11 Система выравнивания
Установка корзины двигателя и воздухозаборника
Установка корзины двигателя и воздухозаборника
Рабочее обрудование (2ух звенный механизм с вылетом от 4187 до 6938 мм.)
Рабочее обрудование (2ух звенный механизм с вылетом от 4187 до 6938 мм.)
Стрела внешняя в сборе
Стрела выдвижная в сборе
Дельта в сборе
Тяга в сборе
00-80.00.000 Рабочее обрудование 3х секционное
3510-00-80.10.000 I_ая секция в сборе
3510-00-80.20.000 II_ая секция в сборе
3510-00-80.30.000 III_яя секция в сборе
3510-00-81.00.000-01 Гидрооборудование трех секционной стрелы без дивертора (с БРС)
3510-00-81.00.000-01 Гидрооборудование трех секционной стрелы без дивертора (с БРС)
Установка поддерживающего гидроцилиндр устройства
Установка углового сектора
Установка буфера рабочего оборудования
Установка буфера рабочего оборудования
Установка защиты
Установка защиты
Каретка для палетных вил CPF-3APin-15-UMG2 (адаптер MLT735T, длина плав. вил 1200 сечен.120х40, грузоподъ. на один клык 2000 кг, класс ISO 3A)
Ковш для легких сыпучих материалов FLTL-04-250/N-UMG1 (кат.номер ..., адаптер MLT735T, объем 2,5 м.куб)
3507-00-50.30.100 Колесо с шиной левое (с протектором повышенной проходимости, для AG - радиальная)
3507-00-50.30.100-10 Колесо с шиной правое (с протектором повышенной проходимости, для AG - радиальная)
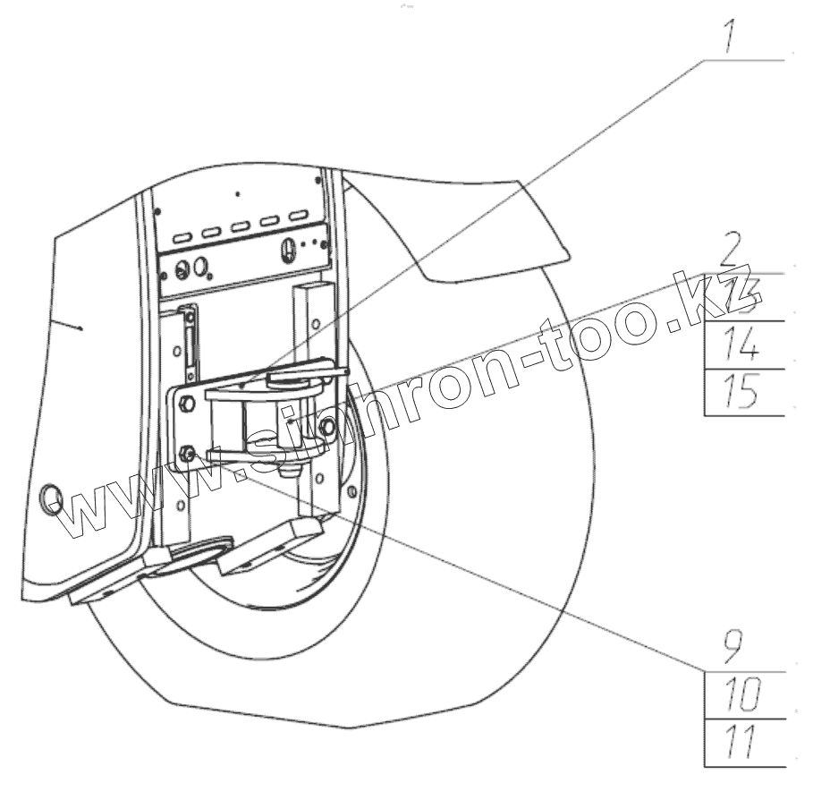
Установка фаркопа
Установка элементов под оборудование Omnicomm
Установка защиты глушителя
Установка противовесов
Установка противовесов
1
2
9
10
11
13
14
15
Позиция на иллюстрации
Заводской номер детали
Название детали
1
26950030929
Кронштейн буксировочный
2
26950030928
Палец в сборе
9
02120000044
Болт
10
02120000630
Шайба
11
02120000622
Шайба
13
26950030931
Кольцо витое
14
26950031519
Шплинт
15
26950030932
Цепь длиннозвенная сварная
Содержащиеся в справочниках-каталогах запасные части и детали не предлагаются к продаже, а носят исключительно информационный характер
Дополнительная информация
×
Название:
Номер:
Примечание: