Вернуться на главную
Поиск
Каталоги запчастей к технике
Спецтехника
ЭКСМАШ
E400C
Установка глушителя 330-00-28.01.000
Каталог запасных частей к технике: ЭКСМАШ E400C. Установка глушителя 330-00-28.01.000
zoom-in
zoom-out
enlarge
shrink
circle-right
circle-left
file-text2
info
cart
Тип техники
Не выбрано
Легковые автомобили
Грузовые автомобили и прицепы
Автобусы
Сельхозтехника
Спецтехника
Двигатели
Мототехника
Марка
Не выбрано
Ammann
BOMAG
CARMIX
CASE IH
Changlin
ChengGong
Dimex
Doosan
DYNAPAC
Foton
HAMM
Hidromek
Hitachi
Hyundai
JCB
JLG
John Deere
Komatsu
LIEBHERR
LiuGong
Lonking (LongGong)
Luneng
MANITOU
Mitsuber
New Holland
PENGPU
RM-Terex
SANY
SDLG
SEM
Shantui
Shehwa HBXG
Soosan
TIGARBO
VOGELE
Volvo
WAY
WIRTGEN
XCMG
XGMA
Xiamen
YTO
Yuchai
Zoomlion
Автокран
АЗСМ
Алтайлесмаш
Амкодор
АОМЗ
Атек
АТЗ
Балканкар Рекорд
БелАЗ
Беловеж
Борекс
Брянский Арсенал
Булат
ВЭКС
ГАЗ
Геомаш
Гидромаш
Донекс
Дормаш
Дормашина
Дорэлектромаш
ДЭЗ
ЕлАЗ
ЗЗГТ
Ижнефтемаш
Канаш-электрокар
КЗКТ
ККЗ
Клевер
Клинцовский автокрановый завод
КМЗ
КМЗ 1 Мая
Ковровец
Коммаш
Кранэкс
КЭЗ
КЭМЗ
ЛЗА
МАЗ
МЗИК
МЗКМ
МЗКТ
Михневский РМЗ
МоАЗ
Мозырский МЗ
МТЗ
ОЗП
Онежец
ПАО "ТЗА"
ППС Детва
Промтрактор
ПТЗ
Раскат
СпецАгрегат
ТВЭКС
ТТМ
УВЗ
Угличмаш
УЗТМ
ХТЗ
ЧЗКМ
ЧСДМ
ЧТЗ
ЭКСКО
ЭКСМАШ
ЮрМаш
Модель
Не выбрано
E130W (2008)
E140W (2015)
E140W-51-03 (2015)
E160W (2008)
E170W (2015)
E170W (2017)
E180R (2008)
E190WH (2017)
E195A (2016)
E195A (2016.2)
E200C (2016)
E200W (2016)
E220C (2021)
E230W (2017)
E230WH (2017)
E240C (2016)
E280WH (2017)
E300C (2016)
E330С (2015)
E350WH (2017)
E400C (2015)
M300 (2016)
TLH 3507-11 (2017)
TLH 3507-12 (2017)
TLH 3510-11 (2017)
TLH 3510-12 (2017)
TLH 4007-11 (2017)
TLH 4007-12 (2017)
ЭОВ-3523 (2016)
Схема
>
Не выбрано
Экскаватор одноковшовый гусеничный Е330C-01-33-RM LC 325-00-00.00.000-01-33-RM (Экскаватор Е330С)
Экскаватор одноковшовый гусеничный Е400C-01-33-RM LC 400-00-00.00.000-01-33-RM (Экскаватор Е400С)
Установка системы централизованной смазки Lincoln для E400C (24V)
Установка системы централизованной смазки Lincoln для E400C (24V)
Платформа поворотная с механизмами 330-00-20.00.000-33-RM (Экскаватор Е330С)
Платформа поворотная с механизмами 400-00-20.00.000-33-RM (Экскаватор Е400С)
Установка силовая 325-00-28.00.000 (Экскаватор Е330С)
Установка глушителя 330-00-28.01.000
Установка насоса 330-00-28.02.000
Установка блока радиаторов 330-00-28.03.000
Установка воздухоочистителя 325-00-28.04.000 (Экскаватор Е330С)
Установка топливопроводов 330-00-28.05.000
Установка силовая 330-00-28.00.000 (Экскаватор Е400С)
Установка воздухоочистителя 400-00-28.04.000 (Экскаватор Е400С)
Установка бака топливного (560 литров) 325-00-27.00.000 (Экскаватор Е330С)
Установка бака топливного (620 литров) 400-00-27.00.000 (Экскаватор Е400С)
Установка литых противовесов 325-00-26.20.000 (Экскаватор Е330С)
Установка литых противовесов 400-00-26.20.000 (Экскаватор Е400С)
Установка капотной системы 325-00-22.00.000 (Экскаватор Е330С)
Установка капотной системы 325-00-22.00.000 (Экскаватор Е330С)
Блок левый в сборе 325-00-22.10.000 (Экскаватор Е330С)
Блок правый в сборе 325-00-22.20.000 (Экскаватор Е330С)
Блок правый в сборе 325-00-22.30.000 (Экскаватор Е330С)
Крыша в сборе 325-00-22.40.000 (Экскаватор Е330С)
Настил левый в сборе 325-00-22.50.000 (Экскаватор Е330С)
Настил правый в сборе 325-00-22.60.000 (Экскаватор Е330С)
Настил центральный в сборе 325-00-22.70.000 (Экскаватор Е330С)
Настил центральный в сборе 330-01-22.80.000 (Экскаватор Е330С)
Панель левая в сборе 325-00-22.01.000 (Экскаватор Е330С)
Панель правая в сборе 325-00-22.03.000 (Экскаватор Е330С)
Ящик в сборе 270-02-22.90.000
Поддон ящика в сборе 270-01-22.95.000
Установка капотной системы 400-00-22.00.000 (Экскаватор Е400С)
Установка капотной системы 400-00-22.00.000 (Экскаватор Е400С)
Блок левый в сборе 400-00-22.10.000 (Экскаватор Е400С)
Блок правый в сборе 330-01-22.20.000 (Экскаватор Е400С)
Блок правый в сборе 330-01-22.30.000 (Экскаватор Е400С)
Крыша в сборе 330-01-22.40.000 (Экскаватор Е400С)
Настил левый в сборе 400-00-22.50.000 (Экскаватор Е400С)
Настил правый в сборе 330-01-22.60.000 (Экскаватор Е400С)
Настил центральный в сборе 330-01-22.70.000 (Экскаватор Е400С)
Настил центральный в сборе 330-01-22.80.000 (Экскаватор Е400С)
Панель левая в сборе 400-00-22.01.000 (Экскаватор Е400С)
Панель правая в сборе 330-01-22.03.000 (Экскаватор Е400С)
Установка механизма поворота PMP 330-00-24.00.000-20
Гидрооборудование механизма поворота PMP 330-00-41.40.000-20
Гидрооборудование на поворотной платформе 325-00-40.00.000-33-RM (Экскаватор Е330С)
Бак гидравлический 325-00-40.10.000 (Экскаватор Е330С)
Гидрооборудование силовой установки 330-00-41.10.000
Гидроуправление в кабине экскаватора 330-00-42.21.000-33-RM (Экскаватор Е330С)
Трубопроводы на поворотной платформе 330-00-41.00.000
Сборка распределителя 330-00-41.20.000
Гидроуправление на поворотной платформе 330-00-42.20.000-33-RM (Экскаватор Е330С)
Установка системы пожаротушения 325-00-20.60.000 (Экскаватор Е330С)
Установка системы пожаротушения 330-01-20.60.000 (Экскаватор Е400С)
Адаптация кабины и управления RM 330-00-20.23.000-33
Подключение отопителя и кондиционера к кабине RM (24V) 330-00-25.00.500-33-RM
Установка поддонов 330-03-00.02.000 RM
Электрооборудование в сборе 330-20-30.00.000-33-RM (Cummins)
Электрооборудование стрелы 330-00-30.10.000-33-RM
Электрооборудование силовой установки 235-00-30.20.200
Электрооборудование поворотной платформы 330-00-30.20.000-33-RM
Установка двух дополнительных фар освещения рабочей зоны (на капот задний, фары Hella) 330-00-30.30.200-33-RM
Установка камеры заднего вида 330-00-30.30.300
Установка светодиодной балки AURORA ALO-30PE 300W 330-00-30.90.000
Электрооборудование панели управления (дооснащение лампами индикации) 330-00-30.10.700-33-RM
Схема электрическая
Схема электрическая
Тележка гусеничная 330-01-60.00.000
Установка защитного люка 280-00-60.00.300
Гидрооборудование тележки гусеничной 330-01-61.00.000
Рабочее оборудование 330-00-80.00.000 (Экскаватор Е330С)
Стрела в сборе 330-00-80.10.000 (Экскаватор Е330С)
Гидрооборудование гидроцилиндров стрелы 330-00-81.00.000 (Экскаватор Е330С)
Трубопроводы стрелы в сборе с гидроцилиндром 330-00-81.30.000 (Экскаватор Е330С)
Установка ШС в гидроцилиндр 300-00-83.00.400 (Экскаватор Е330С)
Гидроцилиндр стрелы левый в сборе (г/ц 150х100) 330-00-81.10.000 (Экскаватор Е330С)
Гидроцилиндр стрелы правый в сборе (г/ц 150х100)330-00-81.20.000 (Экскаватор Е330С)
Рукоять в сборе с ковшевым механизмом 330-00-80.20.000 (Экскаватор Е330С)
Тяга в сборе (L=558мм., стальные втулки) 282-00-80.01.000
Установка втулок и манжет в рукоять 300-00-80.40.500
Установка ШС в гидроцилиндр 300-00-83.00.400
Гидрооборудование рукояти в сборе с трубопроводами 330-00-82.00.000 (Экскаватор Е330С)
Рабочее оборудование 400-00-80.00.000 (Экскаватор Е400С)
Стрела в сборе 400-00-80.10.000 (Экскаватор Е400С)
Гидрооборудование гидроцилиндров стрелы 400-00-81.00.000 (Экскаватор Е400С)
Гидроцилиндр стрелы левый в сборе 400-00-81.10.000 (Экскаватор Е400С)
Гидроцилиндр стрелы правый в сборе 400-00-81.20.000 (Экскаватор Е400С)
Гидроцилиндр рукояти в сборе с трубопроводами 400-00-81.30.100 (Экскаватор Е400С)
Рукоять в сборе с ковшевым механизмом 400-00-80.20.000 (Экскаватор Е400С)
Тяга в сборе 400-00-80.01.000 (Экскаватор Е400С)
Гидрооборудование рукояти в сборе с трубопроводами 400-00-82.00.000 (Экскаватор Е400С)
Блок-схема применяемости пальцев, втулок, манжет уплотнений на экскаватор E-330C
Блок-схема применяемости пальцев, втулок, манжет уплотнений на экскаватор E-400C
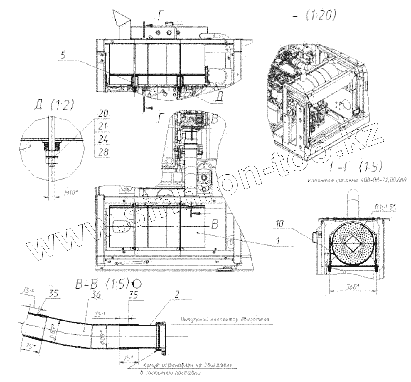
1
2
5
10
20
21
28
36
Позиция на иллюстрации
Заводской номер детали
Название детали
330-00-28.01.000
330-00-28.01.000
Установка глушителя
1
330-00-28.01.100
Глушитель
2
330-00-28.01.200
Труба выпускная
5
400-00-22.00.100
Опора глушителя
10
330-00-28.01.001-10
Хомут
20
Шайба С10.01.08кп.016
Шайба
21
Гайка М10-7Н.5.016
Гайка
25
99289
Хомут
28
Шайба М10
Шайба
36
95189
Гофра
Содержащиеся в справочниках-каталогах запасные части и детали не предлагаются к продаже, а носят исключительно информационный характер
Дополнительная информация
×
Название:
Номер:
Примечание: