Вернуться на главную
Поиск
Каталоги запчастей к технике
Спецтехника
ЭКСМАШ
E350WH
Трубопроводы на поворотной платформе
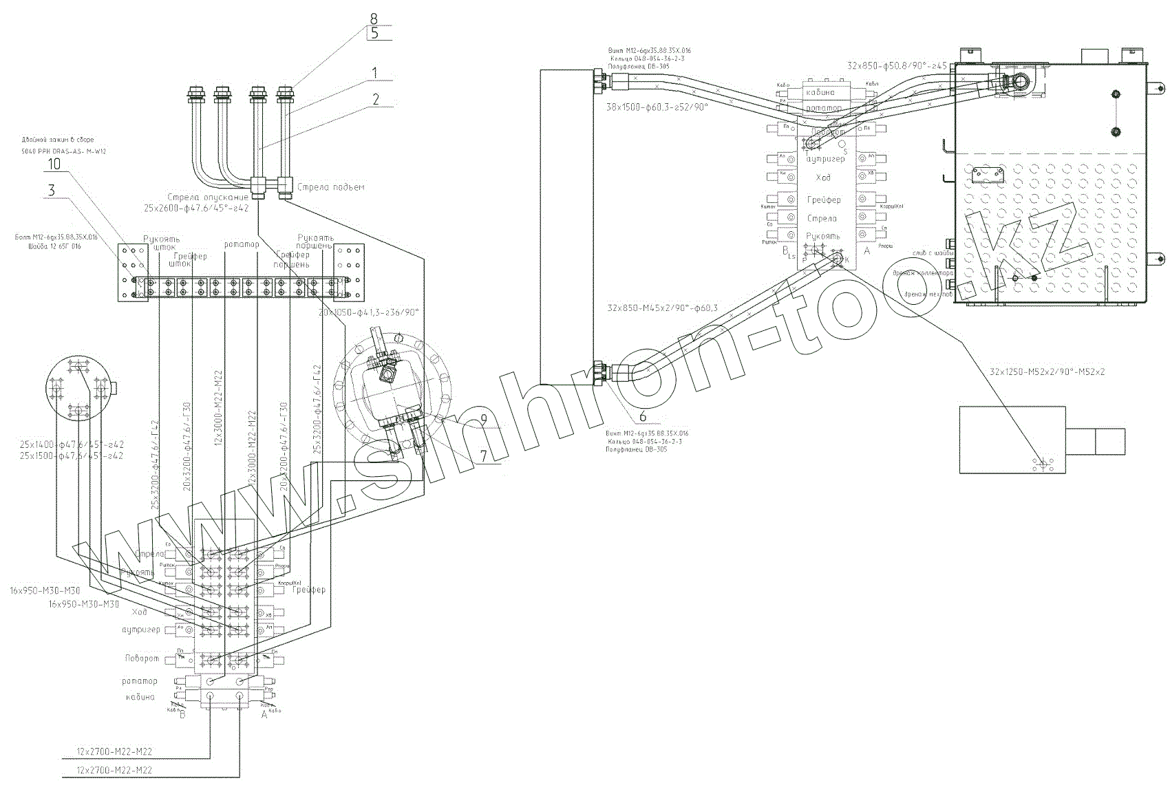
Каталог запасных частей к технике: ЭКСМАШ E350WH. Трубопроводы на поворотной платформе
zoom-in
zoom-out
enlarge
shrink
circle-right
circle-left
file-text2
info
cart
Тип техники
Не выбрано
Легковые автомобили
Грузовые автомобили и прицепы
Автобусы
Сельхозтехника
Спецтехника
Двигатели
Мототехника
Марка
Не выбрано
Ammann
BOMAG
CARMIX
CASE IH
Changlin
ChengGong
Dimex
Doosan
DYNAPAC
Foton
HAMM
Hidromek
Hitachi
Hyundai
JCB
JLG
John Deere
Komatsu
LIEBHERR
LiuGong
Lonking (LongGong)
Luneng
MANITOU
Mitsuber
New Holland
PENGPU
RM-Terex
SANY
SDLG
SEM
Shantui
Shehwa HBXG
Soosan
TIGARBO
VOGELE
Volvo
WAY
WIRTGEN
XCMG
XGMA
Xiamen
YTO
Yuchai
Zoomlion
Автокран
АЗСМ
Алтайлесмаш
Амкодор
АОМЗ
Атек
АТЗ
Балканкар Рекорд
БелАЗ
Беловеж
Борекс
Брянский Арсенал
Булат
ВЭКС
ГАЗ
Геомаш
Гидромаш
Донекс
Дормаш
Дормашина
Дорэлектромаш
ДЭЗ
ЕлАЗ
ЗЗГТ
Ижнефтемаш
Канаш-электрокар
КЗКТ
ККЗ
Клевер
Клинцовский автокрановый завод
КМЗ
КМЗ 1 Мая
Ковровец
Коммаш
Кранэкс
КЭЗ
КЭМЗ
ЛЗА
МАЗ
МЗИК
МЗКМ
МЗКТ
Михневский РМЗ
МоАЗ
Мозырский МЗ
МТЗ
ОЗП
Онежец
ПАО "ТЗА"
ППС Детва
Промтрактор
ПТЗ
Раскат
СпецАгрегат
ТВЭКС
ТТМ
УВЗ
Угличмаш
УЗТМ
ХТЗ
ЧЗКМ
ЧСДМ
ЧТЗ
ЭКСКО
ЭКСМАШ
ЮрМаш
Модель
Не выбрано
E130W (2008)
E140W (2015)
E140W-51-03 (2015)
E160W (2008)
E170W (2015)
E170W (2017)
E180R (2008)
E190WH (2017)
E195A (2016)
E195A (2016.2)
E200C (2016)
E200W (2016)
E220C (2021)
E230W (2017)
E230WH (2017)
E240C (2016)
E280WH (2017)
E300C (2016)
E330С (2015)
E350WH (2017)
E400C (2015)
M300 (2016)
TLH 3507-11 (2017)
TLH 3507-12 (2017)
TLH 3510-11 (2017)
TLH 3510-12 (2017)
TLH 4007-11 (2017)
TLH 4007-12 (2017)
ЭОВ-3523 (2016)
Схема
>
Не выбрано
Машина погрузочная E350WH
Установка поддонов
Платформа поворотная с механизмами
Установка топливных баков
Установка противовеса
Гидрооборудование на поворотной платформе
Бак гидравлический
Гидрооборудование силовой установки
Гидроуправление в кабине экскаватора
Гидроцилиндр подъема кабины в сборе
Трубопроводы на поворотной платформе
Сборка распределителя
Гидроуправление на поворотной платформе
Гидрооборудование генератора магнитной шайбы
Установка кабины
Кабина
Дверь в сборе
Установка облицовки
Установка стекол
Установка механизма поворота
Установка силовая
Установка глушителя
Установка насоса
Установка блока радиаторов
Установка воздухоочистителя
Установка топливопроводов
Установка капотной системы
Установка механизма подъема кабины
Подкабинник в сборе
Управление экскаватором
Установка пульта правого
Установка пульта левого
Установка рулевой колонки
Установка отопителя
Установка кондиционера
Кабиноподъемник
Установка ограждений защитных
Установка упора
Ход пневмоколесный
Опора откидная в сборе
Установка кожуха защитного
Установка втулок гидроцилиндра опоры откидной
Установка КПП NAF
Гидрооборудование хода пневмокол
Установка коллектора центрального
Установка клапана отключения
Гидроцилиндр опоры в сборе
Рабочее оборудование
Рабочее оборудование
Стрела в сборе
Рукоять в сборе
Гидрооборудование рукояти в сборе с трубопроводами
Гидрооборудование стрелы в сборе с гидроцилиндрами
Установка предпускового подогревателя
Электрооборудование в сборе
Электрооборудование силовой установки
Электрооборудование стрелы
Электрооборудование поворотной платформы
Электрооборудование кабины
Электрооборудование управления
Электрооборудование подъёмного механизма
Установка системы централизованной смазки
Установка модулей порошкового пожаротушения
1
2
3
5
6
7
8
9
10
Позиция на иллюстрации
Заводской номер детали
Название детали
26950014840
26950014840
РВД
26950006814
26950006814
РВД
26950018681
26950018681
РВД
26950018679
26950018679
РВД
26950018678
26950018678
РВД
26950018677
26950018677
РВД
26950018676
26950018676
РВД
02080000670
02080000670
РВД
26950005980
26950005980
Фитинг
26950018674
26950018674
РВД
26950018675
26950018675
РВД
26950002884
26950002884
РВД
26950018673
26950018673
РВД
26950014842
26950014842
РВД
26950018672
26950018672
РВД
26950006812
26950006812
РВД
26950018670
26950018670
Фланец
26950018575
26950018575
Адаптер
26950014837
26950014837
Двойной зажим в сборе
1
285-00-41.00.020
Трубопровод
2
285-00-41.00.030
Трубопровод
3
285-00-41.00.100
Кронштейн
4
280-00-40.00.080
Кронштейн коллектора
5
130-00-41.00.029-01
Шайба
6
26950006810
Полуфланец
7
26950018669
Адаптер
8
26950004835
Адаптер
9
26950009180
Адаптер
10
26950006811
Двойной зажим в сборе
11
26950014836
Двойной зажим в сборе
Содержащиеся в справочниках-каталогах запасные части и детали не предлагаются к продаже, а носят исключительно информационный характер
Дополнительная информация
×
Название:
Номер:
Примечание: