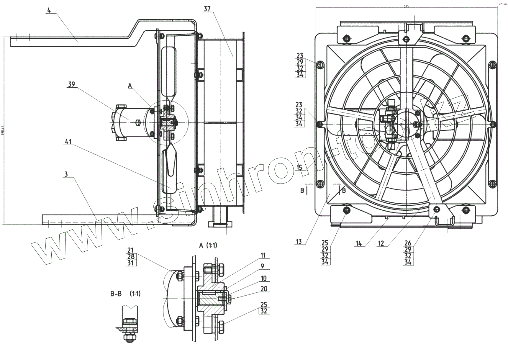
Каталог запасных частей к технике: ЭКСМАШ E195A. Установка маслоохладительная 3523-00-40.20.000
3
4
9
10
11
12
13
14
15
20
21
23
23
25
25
26
28
29
29
29
31
32
32
32
32
32
34
34
34
34
34
37
39
41
| Позиция на иллюстрации | Заводской номер детали | Название детали | |
|---|---|---|---|
| 3 | 3523-00-40.00.030 | Кронштейн | |
| 4 | 3523-00-40.00.050 | Кронштейн | |
| 9 | 130-00-40.20.002 | Шайба | |
| 10 | 130-00-40.20.003 | Шайба отгибная | |
| 11 | 130-00-40.20.005 | Муфта | |
| 12 | 3523-00-40.20.006-10 | Пластина | |
| 13 | 130-00-40.20.008 | Диффузор | |
| 14 | 130-00-40.20.011 | Полоса СПЛЭН – 3015 | |
| 15 | 3523-00-40.20.012 | Кронштейн | |
| 20 | Болт М6-6gх25.88.35Х.016 | Болт | |
| 21 | Болт М8-6gх30.88.35Х.016 | Болт | |
| 23 | Болт М10-6gх20.58.016 | Болт | |
| 25 | БолтМ10-6gх25.58.016 | Болт | |
| 26 | Болт М10-6gх30.58.016 | Болт | |
| 28 | Гайка М8-7Н.5.016 | Гайка | |
| 29 | ГайкаМ10-7Н.5.016 | Гайка | |
| 31 | Шайба 8.65Г.016 | Шайба | |
| 32 | Шайба 10.65Г.016 | Шайба | |
| 34 | Шайба С10.01.08кп.016 | Шайба | |
| 37 | КМ 130-00-40.20.100 | Калорифер | |
| 39 | 310.12.01.03 | Гидромотор 310.12.01.03 | |
| 41 | ЯМЗ 236 | Крыльчатка 6илопастная |
Содержащиеся в справочниках-каталогах запасные части и детали не предлагаются к продаже, а носят исключительно информационный характер