Вернуться на главную
Поиск
Каталоги запчастей к технике
Спецтехника
ЭКСМАШ
E195A
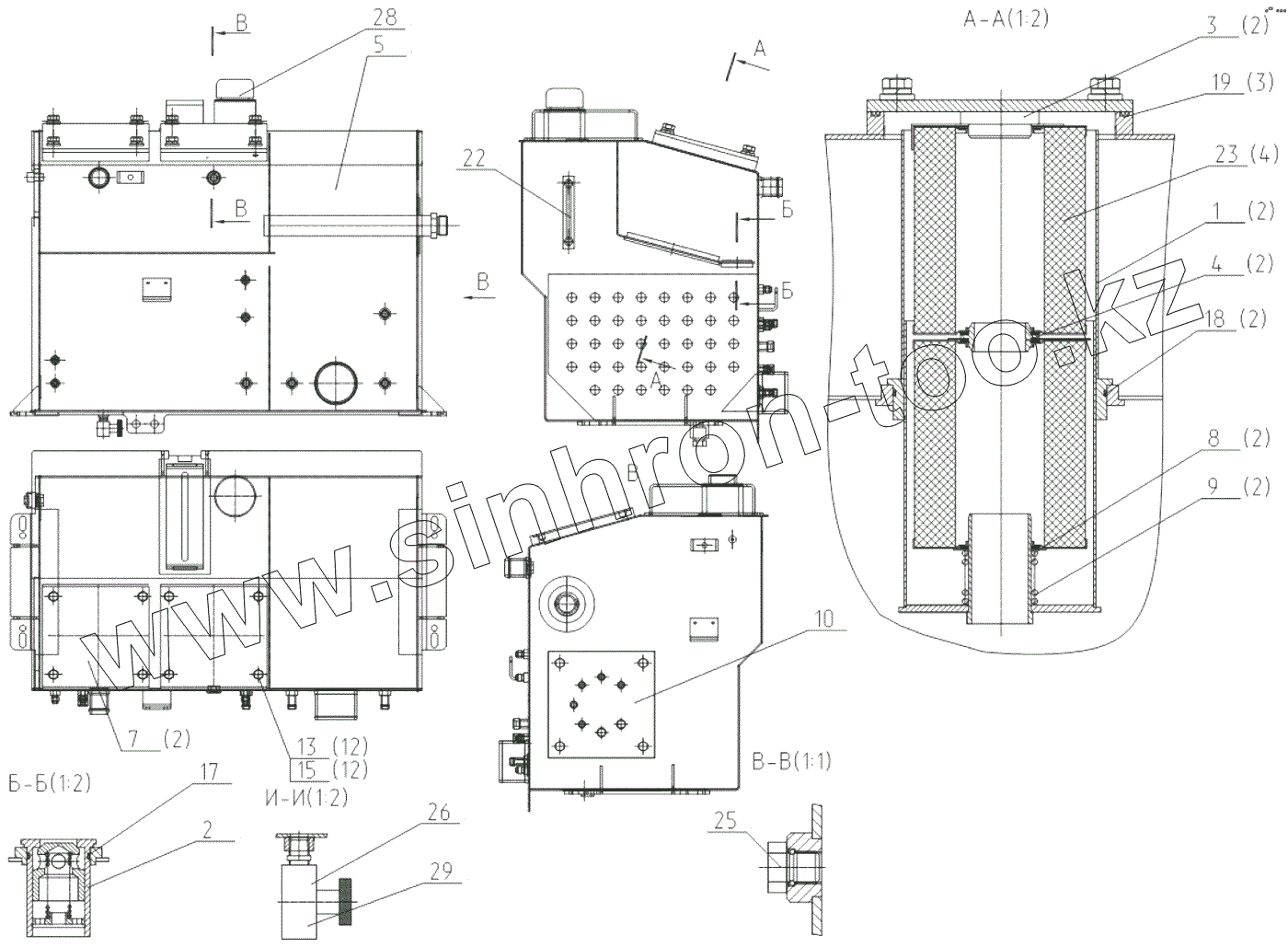
Бак гидравлический 3523-00-40.10.000
Каталог запасных частей к технике: ЭКСМАШ E195A. Бак гидравлический 3523-00-40.10.000
zoom-in
zoom-out
enlarge
shrink
circle-right
circle-left
file-text2
info
cart
Тип техники
Не выбрано
Легковые автомобили
Грузовые автомобили и прицепы
Автобусы
Сельхозтехника
Спецтехника
Двигатели
Мототехника
Марка
Не выбрано
Ammann
BOMAG
CARMIX
CASE IH
Changlin
ChengGong
Dimex
Doosan
DYNAPAC
Foton
HAMM
Hidromek
Hitachi
Hyundai
JCB
JLG
John Deere
Komatsu
LIEBHERR
LiuGong
Lonking (LongGong)
Luneng
MANITOU
Mitsuber
New Holland
PENGPU
RM-Terex
SANY
SDLG
SEM
Shantui
Shehwa HBXG
Soosan
TIGARBO
VOGELE
Volvo
WAY
WIRTGEN
XCMG
XGMA
Xiamen
YTO
Yuchai
Zoomlion
Автокран
АЗСМ
Алтайлесмаш
Амкодор
АОМЗ
Атек
АТЗ
Балканкар Рекорд
БелАЗ
Беловеж
Борекс
Брянский Арсенал
Булат
ВЭКС
ГАЗ
Геомаш
Гидромаш
Донекс
Дормаш
Дормашина
Дорэлектромаш
ДЭЗ
ЕлАЗ
ЗЗГТ
Ижнефтемаш
Канаш-электрокар
КЗКТ
ККЗ
Клевер
Клинцовский автокрановый завод
КМЗ
КМЗ 1 Мая
Ковровец
Коммаш
Кранэкс
КЭЗ
КЭМЗ
ЛЗА
МАЗ
МЗИК
МЗКМ
МЗКТ
Михневский РМЗ
МоАЗ
Мозырский МЗ
МТЗ
ОЗП
Онежец
ПАО "ТЗА"
ППС Детва
Промтрактор
ПТЗ
Раскат
СпецАгрегат
ТВЭКС
ТТМ
УВЗ
Угличмаш
УЗТМ
ХТЗ
ЧЗКМ
ЧСДМ
ЧТЗ
ЭКСКО
ЭКСМАШ
ЮрМаш
Модель
Не выбрано
E130W (2008)
E140W (2015)
E140W-51-03 (2015)
E160W (2008)
E170W (2015)
E170W (2017)
E180R (2008)
E190WH (2017)
E195A (2016)
E195A (2016.2)
E200C (2016)
E200W (2016)
E220C (2021)
E230W (2017)
E230WH (2017)
E240C (2016)
E280WH (2017)
E300C (2016)
E330С (2015)
E350WH (2017)
E400C (2015)
M300 (2016)
TLH 3507-11 (2017)
TLH 3507-12 (2017)
TLH 3510-11 (2017)
TLH 3510-12 (2017)
TLH 4007-11 (2017)
TLH 4007-12 (2017)
ЭОВ-3523 (2016)
Схема
>
Не выбрано
Экскаватор Е195А
Установка рамы накладной 3523-02-50.00.000
Установка перегородок 3523-00-28.09.000
Механизм поворота 130-00-24.00.000-16
Опора откидная в сборе 3523-02-50.01.200, 3523-02-50.01.200-10
Установка устройства поддерживающего 3523-02-88.00.000-01
Брызговик в сборе 3523-02-50.85.000
Установка силовая 3523-00-28.00.000
Установка воздухоочистителя 160-00-28.04.000-10
Установка радиатора 130-00-28.06.000
Установка радиатора 130-00-28.06.000
Установка радиатора 130-00-28.06.000
Установка глушителя (SAE 3) 160-00-28.01.000-02-10
Установка глушителя (SAE 3) 160-00-28.01.000-02-10
Установка насоса 160-00-28.02.000-02
Установка топливопроводов 160-00-28.05.000
Установка топливопроводов 160-00-28.05.000
Установка топливопроводов 160-00-28.05.000
Кабина 3523-00-23.00.000
Дверь кабины 3523-00-23.40.000
Гидрооборудование стрелы 3523-00-81.00.000
Гидроцилиндр стрелы левый в сборе 3523-00-81.10.000
Гидроцилиндр стрелы правый в сборе 3523-00-81.20.000
Трубопроводы стрелы в сборе с гидроцилиндром 3523-00-81.30.000
Гидроцилиндр рукояти с трубопроводами 3523-00-81.30.100
Гидрооборудование сменных видов 3523-00-82.00.000
Гидроцилиндр ковша с трубопроводами 3523-00-82.10.000
Трубопроводы сменных видов до рукояти 3523-00-80.95.000
Трубопроводы на поворотной платформе 3523-00-41.00.000
Трубопроводы на поворотной платформе 3523-00-41.00.000
Установка маслоохладительная 3523-00-40.20.000
Бак гидравлический 3523-00-40.10.000
Гидроуправление на поворотной платформе 3523-00-42.20.000
Гидроуправление в кабине экскаватора 3523-00-42.21.000
Гидрораспределитель 3523-00-41.20.000
Гидрооборудование силовой установки 3523-00-41.10.000
Гидрооборудование рамы накладной 3523-02-51.00.000
Гидроцилиндр откидных опор в сборе 3523-02-51.00.300
Установка ручного насоса 3523-04-70.60.000
Электрооборудование управления 3523-02-30.40.000
Электрооборудование управления 3523-02-30.40.000
Установка задней светотехники 3523-02-30.70.000
Электрооборудование кабины 3523-02-30.30.000
Электрооборудование поворотной платформы 3523-02-30.80.000 (Батарея аккумуляторная 3-СТ-215А 2шт.)
Электрооборудование стрелы 3523-02-30.10.000
Установка капотной системы 3523-02-22.00.000
Установка замков 130-01-22.00.200
Установка сектора газа 130-02-25.00.580
Установка отопителя 3523-00-25.00.500
Установка предпускового подогревателя 3523-20-10.00.000
Стрела в сборе (L=4800 мм., стальные втулки) 3523-02-80.10.000
Рукоять в сборе с ковшевым механизмом 3523-02-80.20.000
Тяга в сборе (L=475 мм) 3523-02-80.01.000
Установка втулок в стрелу 130-00-80.10.500
Установка втулок в рукоять 130-00-80.20.500
Установка втулок в ГЦ рукояти 130-00-83.00.300
Установка втулок в ГЦ ковша 130-00-83.00.400
1
2
3
4
5
7
8
9
10
13
15
17
18
19
22
23
25
26
28
29
Позиция на иллюстрации
Заводской номер детали
Название детали
1
130-00-40.10.500
Стакан
2
130-00-40.10.600
Клапан предоxранительный
3
130-00-40.10.700
Пробка
4
130-00-40.10.800
Шайба промежуточная
5
180-22-40.10.100-02
Бак
7
130-00-40.10.001
Крышка
8
130-00-40.10.002
Шайба
9
130-00-40.10.004
Пружина
10
130-00-40.10.401-01
Фланец
13
Болт М12-6gх25.58.016
Болт
15
Шайба 12.65Г.016
Шайба
17
Кольцо 048-054-36-2-3
Кольцо
18
Кольцо 180-185-36-2-3
Кольцо
19
Кольцо 210-220-58-2-3
Кольцо
22
LS127 1W / M12
Указатель уровня
23
ПЗМИ - ГС - 661
Элемент фильтрующий жидкости г/систем
25
107703
Адаптер 107703
26
300205
Адаптер 300205
28
TM178GS100Р3
Горловина заливная
29
502403
Кран 502403
Содержащиеся в справочниках-каталогах запасные части и детали не предлагаются к продаже, а носят исключительно информационный характер
Дополнительная информация
×
Название:
Номер:
Примечание: