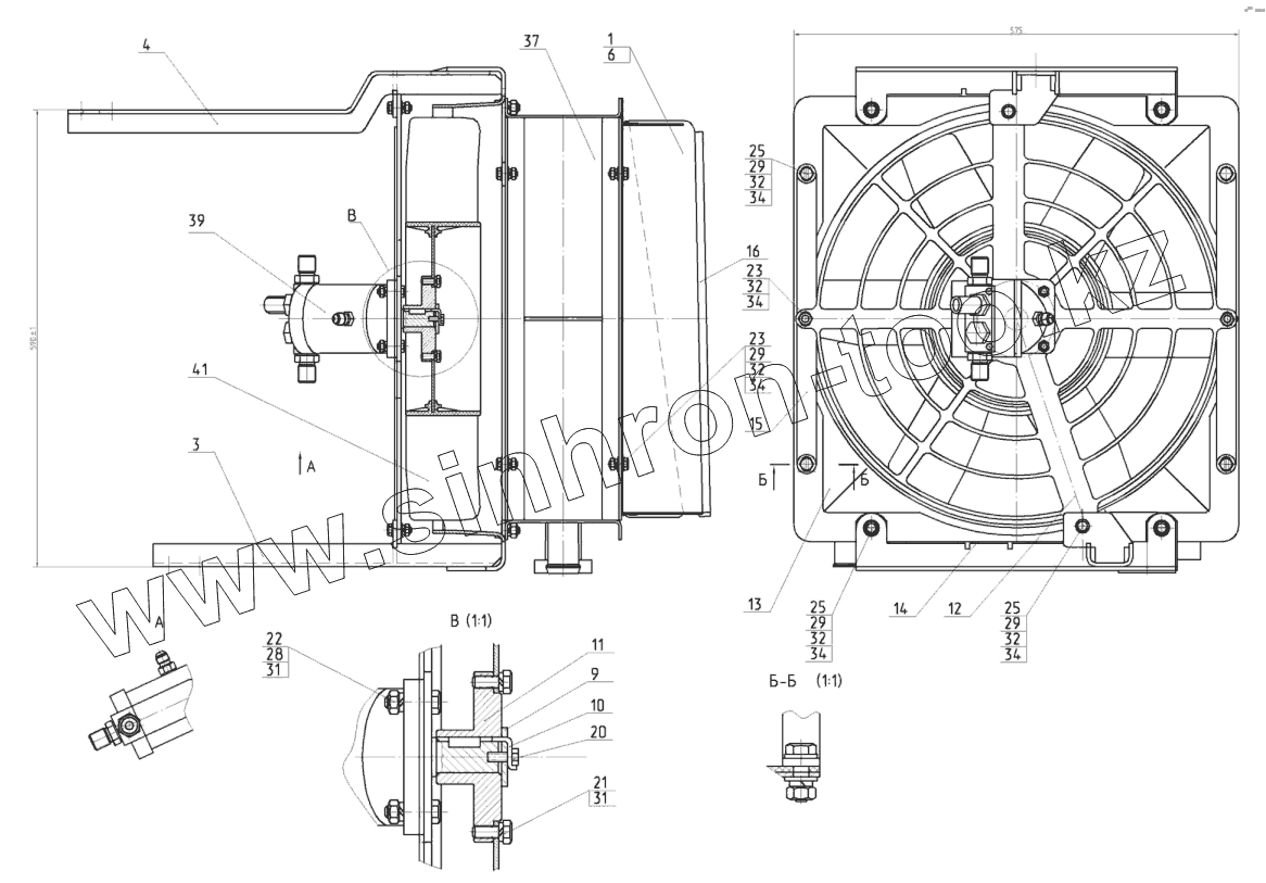
Каталог запасных частей к технике: ЭКСМАШ E160W. Установка маслоохладительная 160-00-40.20.000-20
1
3
4
6
9
10
11
12
13
14
15
16
20
21
23
23
25
25
25
28
29
29
29
29
31
31
32
32
32
32
32
34
34
34
34
34
37
39
41
| Позиция на иллюстрации | Заводской номер детали | Название детали | |
|---|---|---|---|
| 1 | 130-00-40.20.070 | Кожуx | |
| 3 | 160-00-40.00.030-20 | Кронштейн | |
| 4 | 160-00-40.00.050-20 | Кронштейн | |
| 6 | 160-00-40.20.070 | Кожуx | |
| 9 | 130-00-40.20.002 | Шайба | |
| 10 | 130-00-40.20.003 | Шайба отгибная | |
| 11 | 130-00-40.20.005-20 | Муфта | |
| 12 | 130-00-40.20.006-20 | Пластина | |
| 13 | 130-00-40.20.008 | Диффузор | |
| 14 | 130-00-40.20.011 | Полоса СПЛЭН – 3015 | |
| 15 | 130-00-40.20.012-20 | Кронштейн | |
| 16 | 130-00-40.20.015 | Уплотнитель резиновый армированный | |
| 17 | 130-00-40.20.018 | Кольцо проставочное | |
| 20 | ГОСТ7798-70 | Болт | |
| 21 | ГОСТ7798-70 | Болт | |
| 23 | ГОСТ7798-70 | Болт | |
| 25 | ГОСТ7798-70 | Болт | |
| 28 | ГОСТ5915-70 | Гайка | |
| 29 | ГОСТ5915-70 | Гайка | |
| 31 | ГОСТ6402-70 | Шайба | |
| 32 | ГОСТ6402-70 | Шайба | |
| 34 | ГОСТ11371-78 | Шайба | |
| 37 | 130-00-40.20.100 | Калорифер КМ | |
| 39 | 310.12.01.03 | Гидромотор 310.12.01.03 | |
| 41 | DC8-520 | Крыльчатка 6-ти лопастная DC8-520 |
Содержащиеся в справочниках-каталогах запасные части и детали не предлагаются к продаже, а носят исключительно информационный характер