Каталог запасных частей к технике: ЭКСМАШ E130W. Бак гидравлический 130-00-40.10.000
1
2
2
2
2
2
2
2
2
3
3
3
4
4
7
10
11
12
12
12
13
16
18
20
21
22
25
26
28
29
31
32
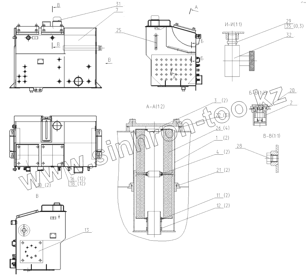
| Позиция на иллюстрации | Заводской номер детали | Название детали | |
|---|---|---|---|
| 1 | 130-00-40.10.500 | Стакан | |
| 2 | 130-00-40.10.600 | Клапан предоxранительный | |
| 3 | 130-00-40.10.700 | Пробка | |
| 4 | 130-00-40.10.800 | Шайба промежуточная | |
| 7 | 160-22-40.10.100-02 | Бак | |
| 10 | 130-00-40.10.001 | Крышка | |
| 11 | 130-00-40.10.002 | Шайба | |
| 12 | 130-00-40.10.004 | Пружина | |
| 13 | 130-00-40.10.401-01 | Фланец | |
| 16 | ГОСТ7798-70 | Болт | |
| 18 | ГОСТ6402-70 | Шайба | |
| 20 | 11ВQ02ГОСТ9833-73 | Кольцо 048-054-36-2-3 | |
| 21 | 11ВR07ГОСТ9833-73 | Кольцо 180-185-36-2-3 | |
| 22 | 11В54HГОСТ9833-73 | Кольцо 210-220-58-2-3 | |
| 25 | LS1271W/M12 | Указатель уровня LS127 1W/M12 | |
| 26 | ПЗМИ-ГС-661 | Элемент фильтрующий жидкости гидросистем ПЗМИ-ГС-661 | |
| 28 | Адаптер107703 | Адаптер 107703 | |
| 29 | Адаптер300205 | Адаптер 300205 | |
| 31 | ТМ178GS100Р3 | Горловина заливная ТМ178GS100Р3 | |
| 32 | 502403 | Кран 502403 |
Содержащиеся в справочниках-каталогах запасные части и детали не предлагаются к продаже, а носят исключительно информационный характер