Каталог запасных частей к технике: ЭКСКО ЭО-5116. Гусеница Э0-6116-0109-0
1
2
2
3
3
4
5
5
6
7
7
8
9
10
11
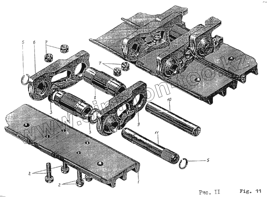
| Позиция на иллюстрации | Заводской номер детали | Название детали | |
|---|---|---|---|
| 1 | У 2110.02.00.001 | Башмак | |
| 2 | У2110.01.00.006 | Болт башмака | |
| 3 | У2110.01.02.003 | шайба замыкающая | |
| 4 | У2110.01.02.001 | Втулка замыкающая | |
| 5 | У2110.02.00.006 | Кольцо | |
| 6 | Э0-5123.01.05.102 | Звено левое | |
| 7 | У2110.01.00.007 | Гайка | |
| 8 | у2110.01.01.003 | Втулка звена | |
| 9 | Э0-5123.01.05.101 | Звено правое | |
| 10 | У2110.01.01.004 | Палец звена | |
| 11 | У2110.02.00.004 | Палац замыкающий |
Содержащиеся в справочниках-каталогах запасные части и детали не предлагаются к продаже, а носят исключительно информационный характер