Вернуться на главную
Поиск
Каталоги запчастей к технике
Спецтехника
ЭКСКО
ЭО-5111Б
Управление собачками хода
Каталог запасных частей к технике: ЭКСКО ЭО-5111Б. Управление собачками хода
zoom-in
zoom-out
enlarge
shrink
circle-right
circle-left
file-text2
info
cart
Тип техники
Не выбрано
Легковые автомобили
Грузовые автомобили и прицепы
Автобусы
Сельхозтехника
Спецтехника
Двигатели
Мототехника
Марка
Не выбрано
Ammann
BOMAG
CARMIX
CASE IH
Changlin
ChengGong
Dimex
Doosan
DYNAPAC
Foton
HAMM
Hidromek
Hitachi
Hyundai
JCB
JLG
John Deere
Komatsu
LIEBHERR
LiuGong
Lonking (LongGong)
Luneng
MANITOU
Mitsuber
New Holland
PENGPU
RM-Terex
SANY
SDLG
SEM
Shantui
Shehwa HBXG
Soosan
TIGARBO
VOGELE
Volvo
WAY
WIRTGEN
XCMG
XGMA
Xiamen
YTO
Yuchai
Zoomlion
Автокран
АЗСМ
Алтайлесмаш
Амкодор
АОМЗ
Атек
АТЗ
Балканкар Рекорд
БелАЗ
Беловеж
Борекс
Брянский Арсенал
Булат
ВЭКС
ГАЗ
Геомаш
Гидромаш
Донекс
Дормаш
Дормашина
Дорэлектромаш
ДЭЗ
ЕлАЗ
ЗЗГТ
Ижнефтемаш
Канаш-электрокар
КЗКТ
ККЗ
Клевер
Клинцовский автокрановый завод
КМЗ
КМЗ 1 Мая
Ковровец
Коммаш
Кранэкс
КЭЗ
КЭМЗ
ЛЗА
МАЗ
МЗИК
МЗКМ
МЗКТ
Михневский РМЗ
МоАЗ
Мозырский МЗ
МТЗ
ОЗП
Онежец
ПАО "ТЗА"
ППС Детва
Промтрактор
ПТЗ
Раскат
СпецАгрегат
ТВЭКС
ТТМ
УВЗ
Угличмаш
УЗТМ
ХТЗ
ЧЗКМ
ЧСДМ
ЧТЗ
ЭКСКО
ЭКСМАШ
ЮрМаш
Модель
Не выбрано
ЭО-5111Б (1990)
ЭО-5116 (1990)
Схема
>
Не выбрано
Кабина
Кабина
Кабина машиниста
Кабина машиниста
Кабина машиниста
Отопление кабины машиниста
Блок задний
Блок задний
Двери
Дверь
Блок средний
Окно переднее
Блок левый
Групповая смазка механизмов на поворотной платформе
Установка двигателя
Система подачи топлива к двигателю
Бак расходный
Ход гусеничный
Ход гусеничный
Колесо направляющее
Ролик опорный
Рама хода
Вал горизонтальный
Вал вертикальный
Колесо ведущее правое
Колесо ведущее левое
Опора поворотная
Рама поворотная
Рама поворотная
Рама поворотная
Установка гидротрансформатора
Установка гидротрансформатора
Установка гидротрансформатора
Система питания гидротрансформатора
Тормоз трансмиссии
Кожух цепной передачи
Натяжное устройство
Вал промежуточный
Лебедка
Вал передний
Вал передний
Вал передний
Вал задний
Вал задний
Вал задний
Вал задний
Муфта фрикционная правая
Муфта фрикционная левая
Тормоз напорного механизма
Тормоз подъемного барабана
Тормоз стрелоподъемного барабана
Стопор барабана, натяжное устройство цепи
Муфта двойного действия
Натяжное устройство напорно-возвратнойцепи
Муфта спускания стрелы
Тормоз опускания стрелы
Механизм реверсивный
Вал реверса
Тормоз реверса
Тормоз реверса
Механизм поворотный
Стойка двуногая
Воздухопроводы
Воздухопроводы
Воздухопроводы
Воздухопроводы
Воздухопроводы
Воздухопроводы
Цилиндр пневматический диам. 100
Цилиндр диам. 80
Цилиндр диам. 80
Цилиндр пневматический диам. 100
Цилиндр диам. 80
Управление стопором поворота
Цилиндр диам. 80
Ввод центральный
Управление муфтами ходового механизма
Управление собачками хода
Управление муфтами поворотного и ходового механизмов
Вращающееся соединение на одно направление
Вращающееся соединение на два направления
Управление акселератором двигателя
Управление стопором стрелоподъемного барабана
Ограничитель подъема стрелы
Вращающаяся соединение на два направления
Установка пульта управления
Колонка пульта правая
Колонка пульта левая
Управление стрелой
Пульт вспомогательный
Установка компрессора
Установка компрессора
Установка компрессора
Электроосвещение
Электроосвещение
Электроосвещение
Установка аккумулятора
Установка вентилятора
Щиток приборов
Прямая лопата с ковшом вместимостью 1,2 м3
Стрела лопаты
Голова стрелы
Голова стрелы
Рукоять
Механизм открывания днища ковша
Механизм открывания днища ковша
Ковш вместимостю 1м3
Ковш вместимостю 1м3
Блок ковша
Механизм напорный
Цепная передача напора
Цепная передача напора
Ковш вместимостью 1.2м3
Рабочее оборудование драглайн вместимостью 1м3
Рабочее оборудование драглайн вместимостью 1,2м3
Наводка драглайна
Наводка драглайна
Блок опрокидной
Установка лотка тягового каната
Ковш драглайна вместимостью 1,2м3
Ковш драглайна вместимостью 1м3
Кран
Кран
Кран
Обойма с крюком 16 т
Обойма с крюком 6 т
Обойма с крюком 6 т
Гусек
Указатель грузоподъемности
Цилиндр диам. 100
Ограничитель грузоподъемности (Установка рычага при стреле 12,5 м )
Ограничитель грузоподъемности (Установка рычага при стреле 25 м )
Клапан ограничителя грузоподъемности
Грейфер вместимостью 1 м3
Ковш грейфера
Ковш грейфера
Ковш грейфера
Успокоитель грейфера
Успокоитель грейфера
Стрела решетчатая
Голова стрелы
Полиспаст
Обратная лопата с ковшом вместимостью 1 м3
Стрела
Стойка передняя
Лопата с ковшом вместимостью 1 м3
Блок ковша лопаты
Блок лопаты
Инструмент и принадлежности к экскаватору
Инструмент и принадлежности к экскаватору
Инструмент и принадлежности к экскаватору
Инструмент и принадлежности к экскаватору
Ограждение
Иллюстрированное содержание каталога
Экскаватор с рабочим обородованием прямая лопата
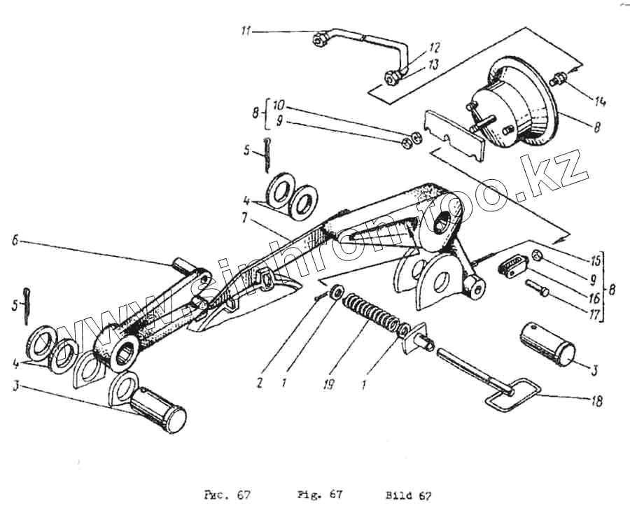
1
1
2
3
3
4
4
5
5
6
7
8
8
8
9
9
10
11
12
13
14
15
16
17
18
19
Позиция на иллюстрации
Заводской номер детали
Название детали
1
20x4 11371
Шайба
2
4x32 397
Шплинт
3
22-5d11х115 66-66
Ось
4
52x1,6 57-54
Шайба
5
8x80 397
Шплинт
6
Э10011А-1106-70
Собачка задняя
7
Э10011А-1106-180
Собачка передняя
8
MA3-200-3519010B
Камера тормозная пневматическая
9
М12x1,25 5915
Гайка
10
12 6402
Шайба
11
Э10011A-1106-t2
Труба
12
60-1
Муфта шаровая 10
13
60-2
Гайка соединительная 10
14
60-3-01
Ниппель конечный 10
15
3,2x20 397
Шплинт
16
200-3504035В
Вилка
17
258039-11
Палец
18
Э10011А-1106-90
Камера тормозная
19
Э801-1106-13
Пружина
Содержащиеся в справочниках-каталогах запасные части и детали не предлагаются к продаже, а носят исключительно информационный характер
Дополнительная информация
×
Название:
Номер:
Примечание: