Каталог запасных частей к технике: ЭКСКО ЭО-5111Б. Тормоз трансмиссии
1
2
2
3
3
4
4
5
6
7
8
9
10
10
11
12
13
14
15
16
17
17
18
19
20
21
22
23
24
25
26
26
27
28
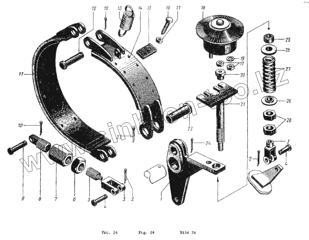
| Позиция на иллюстрации | Заводской номер детали | Название детали | |
|---|---|---|---|
| 1 | 310011Е-0502-210 | Рычаг | |
| 2 | 3,2 x20 397 | Шплинт | |
| 3 | 200-3504035B | Вилка | |
| 4 | 12x38 | Палец | |
| 5 | Э10011Е-0502-67 | Тяга | |
| 6 | 310011А-1103-42 | Гайка | |
| 7 | Э10011А-1103-35А | Гайка специальная | |
| 8 | Э10011Е-0502-59 | Тяга | |
| 9 | 22-20KХ4х70 66-29 | Ось | |
| 10 | 4x32 397 | Шплинт | |
| 11 | Э10011Е-0502-190 | Лента сбегающая | |
| 12 | 22-20X4x90 66-27 | Ось | |
| 13 | 3801-0609-5 | Пружина | |
| 14 | 310011E-0502-180 | Лента набегающая | |
| 15 | 310011A-0900-54 | Планка | |
| 16 | М12x45 7796 | Болт | |
| 17 | М12 5915 | Гайка | |
| 18 | МАЗ 200-35190108 | Камера тормозная пневматическая | |
| 19 | 12x2,5 11371 | Шайба | |
| 20 | Э10011А-1101-203 | Наконечник | |
| 21 | Э10011A-1101-190 | Шток | |
| 22 | Э10011Д-0502-45 | Палац | |
| 23 | 6,3х70 397 | Шплинт | |
| 24 | 8x80 397 | Шплинт | |
| 25 | Э10011Д-0502-36 | Втулка распорная | |
| 26 | Э10011Д-0502-41 | Шайба | |
| 27 | Э801-1907-7 | Пружина | |
| 28 | M24 5915 | Гайка |
Содержащиеся в справочниках-каталогах запасные части и детали не предлагаются к продаже, а носят исключительно информационный характер