Вернуться на главную
Поиск
Каталоги запчастей к технике
Спецтехника
DYNAPAC
Dynapac SCC1300
Steering hitch kit
Каталог запасных частей к технике: DYNAPAC Dynapac SCC1300. Steering hitch kit
zoom-in
zoom-out
enlarge
shrink
circle-right
circle-left
file-text2
info
cart
Тип техники
Не выбрано
Легковые автомобили
Грузовые автомобили и прицепы
Автобусы
Сельхозтехника
Спецтехника
Двигатели
Мототехника
Марка
Не выбрано
Ammann
BOMAG
CARMIX
CASE IH
Changlin
ChengGong
Dimex
Doosan
DYNAPAC
Foton
HAMM
Hidromek
Hitachi
Hyundai
JCB
JLG
John Deere
Komatsu
LIEBHERR
LiuGong
Lonking (LongGong)
Luneng
MANITOU
Mitsuber
New Holland
PENGPU
RM-Terex
SANY
SDLG
SEM
Shantui
Shehwa HBXG
Soosan
TIGARBO
VOGELE
Volvo
WAY
WIRTGEN
XCMG
XGMA
Xiamen
YTO
Yuchai
Zoomlion
Автокран
АЗСМ
Алтайлесмаш
Амкодор
АОМЗ
Атек
АТЗ
Балканкар Рекорд
БелАЗ
Беловеж
Борекс
Брянский Арсенал
Булат
ВЭКС
ГАЗ
Геомаш
Гидромаш
Донекс
Дормаш
Дормашина
Дорэлектромаш
ДЭЗ
ЕлАЗ
ЗЗГТ
Ижнефтемаш
Канаш-электрокар
КЗКТ
ККЗ
Клевер
Клинцовский автокрановый завод
КМЗ
КМЗ 1 Мая
Ковровец
Коммаш
Кранэкс
КЭЗ
КЭМЗ
ЛЗА
МАЗ
МЗИК
МЗКМ
МЗКТ
Михневский РМЗ
МоАЗ
Мозырский МЗ
МТЗ
ОЗП
Онежец
ПАО "ТЗА"
ППС Детва
Промтрактор
ПТЗ
Раскат
СпецАгрегат
ТВЭКС
ТТМ
УВЗ
Угличмаш
УЗТМ
ХТЗ
ЧЗКМ
ЧСДМ
ЧТЗ
ЭКСКО
ЭКСМАШ
ЮрМаш
Модель
Не выбрано
CA1400 (2016)
CA2500D (2016)
CA2500D (2018)
CA2500D-PD (2018)
CA250D (2011)
CA252D (2008)
CA2800D (2017)
CA3500D (2016)
CA4000D (2017)
CA4000D (2020)
CA4600D (2019)
CA5500D (2015)
CA610PD (2014)
CA6500 (2018)
CC1000 (2019)
CC1100CC (2015)
CC1200C Plus (2015)
CC1200C VI (2018)
CC1200CC (2018)
CC125 (2015)
CC1250 (2015)
CC1300 (2018)
CC1300C (2015)
CC1300C (2016)
CC2200 (2018)
CC2200 (2020)
CC2300C (2018)
CC3300 (2018)
CC4000 VI (2018)
CC4200C VI (2020)
CC5200C (2018)
CC6200 VI (2020)
CC800 (2019)
CC900 (2018)
CC900S (2018)
CG2300 (2018)
CP142 (2015)
CP275 (2014)
Dynapac CA1500 (2017)
Dynapac CA2500 (2012)
Dynapac CA302D (2008)
Dynapac CA302D (2010)
Dynapac CA5000D (2017)
Dynapac CC142 (2009)
Dynapac CC2200C (2015)
Dynapac CC224HF (2012)
Dynapac CC322 (2008)
Dynapac CC422 (2010)
Dynapac CC5200 (2014)
Dynapac CC5200 (2017)
Dynapac CC5200 (2017)
Dynapac CC5200 VI (2017)
Dynapac CC800 (2013)
Dynapac CC800 (2014)
Dynapac F1200C/CS (2018)
Dynapac F1200CS/CS (2018)
Dynapac F1800C (2018)
Dynapac F181C (2010)
Dynapac PL2000LS (2010)
Dynapac PL2000LS (2010)
Dynapac PL2000S (2010)
Dynapac PL2000S (2010)
Dynapac SCC1300 (2014)
Dynapac SD2500C (ч. 1) (2018)
Dynapac SD2500C (ч. 2) (2018)
Dynapac SD2550C (ч. 1) (2018)
Dynapac SD2550C (ч. 2) (2018)
F2500C (2018)
SD2550CS (2015)
Схема
>
Не выбрано
Dynapac CC1300 S/N 10000334x 0A000001-0A012585
Service kits
4812156265 Service kit 50h
4812159563 Service kit 50h Plus
4812156288 Service kit 250 / 750 h
4812159564 Service kit 250/750h Plus
4812156266 Service kit 500h
4812159565 Service kit 500h Plus
4812156268 Service kit 1000 h
4812159595 Service kit 1000h Plus
4812159688 Start-up kit
Repair kits
4700938909 Eccentric shaft kit
4700938893 Drum rotation kit
4700938915 Scraper kit (12 mm)
4700938887 Shock absorber kit, drum
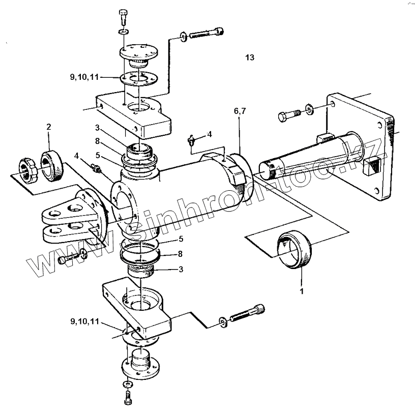
Steering hitch kit
Frame, rear
Steering hitch
Frame, front
Scrapers, STD
Scrapers, spring loaded (option)
Sprinkler system Up to 0A011344
Sprinkler system From 0A011345
Towing device (option)
Drum
Drum
Engine module
4812110882 Diesel engine Kubota V2203-34 kW
Exhaust system
Fan
Air filter
Expansion tank Up to 0A011344
Expansion tank From 0A011345
Water cooler From 0A009071, 0A009073 Up to 0A009077
Water cooler From 0A009072, 0A009078 Up to 0A012542
Water cooler From 0A012543
Engine hood Up to 0A007894
4812115507 Engine hood, cpl From 0A007895 Up to 0A011344
4812118164 Engine hood, cpl From 0A011345
Casing Up to 0A007894
4812115561 Casing From 0A007895
Fuel system
Cooler hoses Up to 0A012542
Cooler hoses From 0A012543
Air hoses Up to 0A011344
Air hoses From 0A011345
Fuel hoses
Propulsion system
4812110281 Junction block
Vibration system
4812112054 Hydraulic pump
4700391271 Vibration motor
Vibration shut-off Front drum (option)
Steering system
4700374603 Steering cylinder
Brake system
Flow divider (option)
Horn module
Battery module
Battery disconnector Up to 0A011521
Battery disconnector From 0A011522
Cable harness
Working lights front
Working light rear
Working light (option) rear
Casing rear
Cover plate rear
Rotating beacon for ROPS (option)
Rotating beacon for ROPS ignition controlled (option)
Rotating beacon, without rops (option)
Driving lights Front RH (option)
Driving lights Front
Driving lights Rear (option)
Driving lights Front LH (option)
Driving lights Front
Direction indicator (option)
Back-up alarm
Platform module
Platform module
Instrument panel module Up to 0A0010967
Instrument panel module From 0A0010968
Steering wheel
Control module
Standard ECU module
Forward-Reverse control module
4812113676 Forward and reverse control handle
Forward-reverse control left (option)
Cover plate, Dual F&R-control left side
Throttle control, cpl
Arm rests, seat belt, laterally adjusting
Step (option)
Driver seat, Std
Driver seat, Luxury (option)
Driver's seat, without armrests (option)
Seat belt module 3"
Seat belt module 2"
Rear view mirror (option)
ROPS, foldable (option)
Rops (option)
Canopy (option)
Decals
Fire extinguisher
Tool equipment
SMV-sign and Licence plate
Brake release, high torque drum drive
Brake release, propulsion motor
1
2
3
3
4
4
5
5
6
7
8
8
9
9
10
10
11
11
13
Позиция на иллюстрации
Заводской номер детали
Название детали
1
4700902063
Bushing
2
4700902062
Bushing
3
4700902061
Bushing
4
4700926214
Grease fitting
5
4700167044
V-ring
6
4700160112
O-ring
7
4700892179
O-ring
8
4700357418
Sealing
9
4700347153
Shim
10
4700347154
Shim
11
4700347155
Shim
13
4700938534
Lube grease
14
W1048
Workshop manual
Содержащиеся в справочниках-каталогах запасные части и детали не предлагаются к продаже, а носят исключительно информационный характер
Дополнительная информация
×
Название:
Номер:
Примечание: