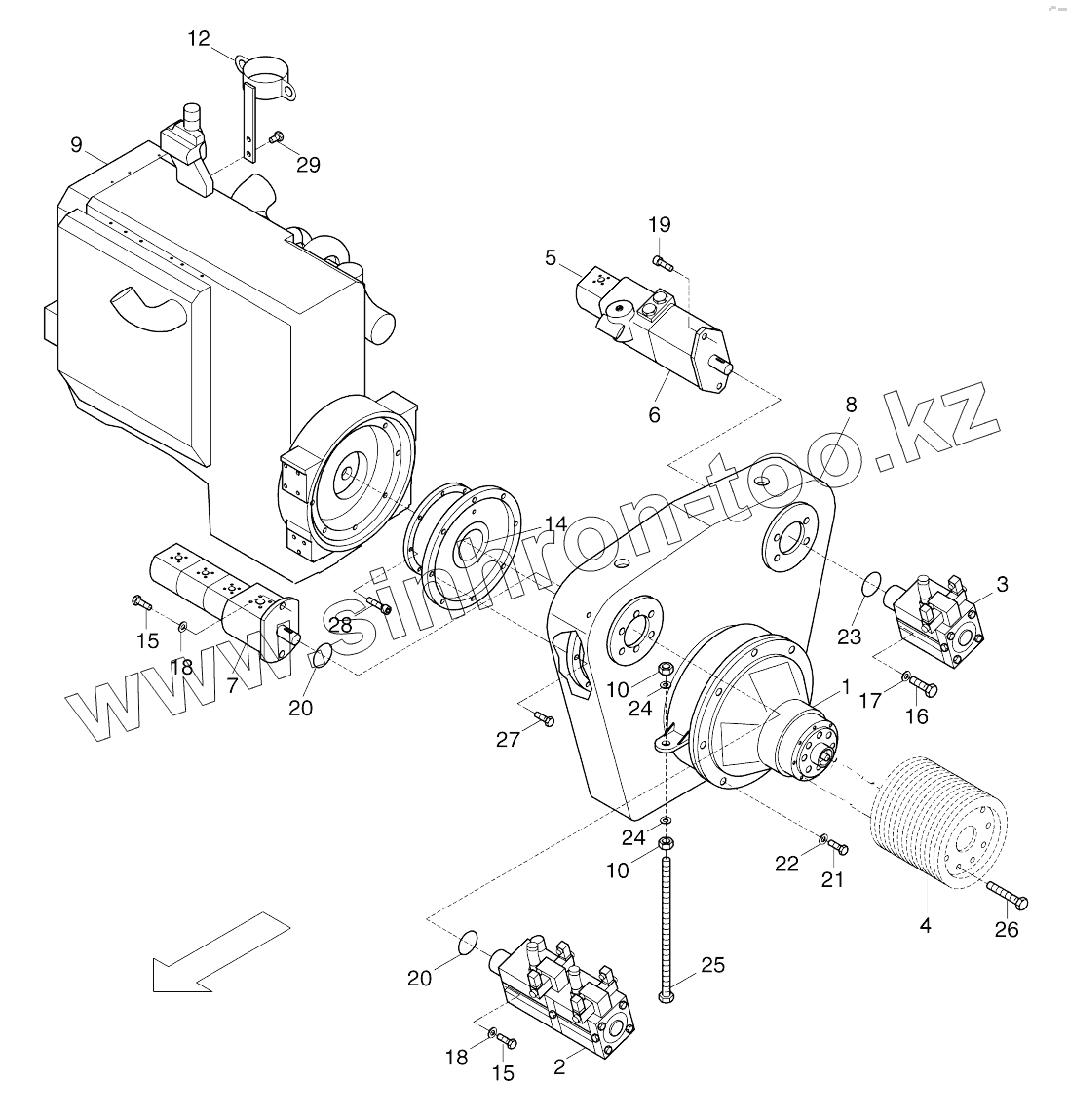
Каталог запасных частей к технике: DYNAPAC Dynapac PL2000S. 500-06110C Drive unit
1
2
3
4
5
6
7
8
9
10
10
12
14
15
15
16
17
18
18
19
20
20
21
22
23
24
24
25
26
27
28
29
| Позиция на иллюстрации | Заводской номер детали | Название детали | |
|---|---|---|---|
| 500160144 | 500160144 | Drive unit | |
| 1 | 933-14302 | Clutch | |
| 2 | 967045551 | Axial pump | |
| 3 | 967008102 | Axial pump | |
| 4 | 500120264 | V-belt pulley | |
| 5 | 967089008 | Gear pump | |
| 5.01 | 967536842 | Seal kit | |
| 6 | 967005516 | Adjustable pump | |
| 7 | 967190160 | Hydraulic pump | |
| 7.01 | 967536861 | Seal kit | |
| 8 | 951058551 | Split gear box | |
| 9 | 966382416 | Engine | |
| 10 | 570016 | Hex. nut | |
| 12 | 500060148 | Support | |
| 14 | 933538211 | Elastic coupling part | |
| 15 | 938150816 | Hex. screw | |
| 16 | 938150976 | Hex. screw | |
| 17 | 939010413 | Disc | |
| 18 | 600017 | Disc | |
| 19 | 937932439 | Screw | |
| 20 | 932211722 | O-ring | |
| 21 | 500240 | Screw | |
| 22 | 600008 | Washer | |
| 23 | 932211778 | O-ring | |
| 24 | 600020 | Washer | |
| 25 | 500160137 | Supporting | |
| 26 | 938160873 | Screw | |
| 27 | 939780420 | Hex. screw | |
| 28 | 939780422 | Screw | |
| 29 | 500193 | Screw |
Содержащиеся в справочниках-каталогах запасные части и детали не предлагаются к продаже, а носят исключительно информационный характер