Вернуться на главную
Поиск
Каталоги запчастей к технике
Спецтехника
DYNAPAC
Dynapac PL2000S
500-01210 Hood, front Tank protection
Каталог запасных частей к технике: DYNAPAC Dynapac PL2000S. 500-01210 Hood, front Tank protection
zoom-in
zoom-out
enlarge
shrink
circle-right
circle-left
file-text2
info
cart
Тип техники
Не выбрано
Легковые автомобили
Грузовые автомобили и прицепы
Автобусы
Сельхозтехника
Спецтехника
Двигатели
Мототехника
Марка
Не выбрано
Ammann
BOMAG
CARMIX
CASE IH
Changlin
ChengGong
Dimex
Doosan
DYNAPAC
Foton
HAMM
Hidromek
Hitachi
Hyundai
JCB
JLG
John Deere
Komatsu
LIEBHERR
LiuGong
Lonking (LongGong)
Luneng
MANITOU
Mitsuber
New Holland
PENGPU
RM-Terex
SANY
SDLG
SEM
Shantui
Shehwa HBXG
Soosan
TIGARBO
VOGELE
Volvo
WAY
WIRTGEN
XCMG
XGMA
Xiamen
YTO
Yuchai
Zoomlion
Автокран
АЗСМ
Алтайлесмаш
Амкодор
АОМЗ
Атек
АТЗ
Балканкар Рекорд
БелАЗ
Беловеж
Борекс
Брянский Арсенал
Булат
ВЭКС
ГАЗ
Геомаш
Гидромаш
Донекс
Дормаш
Дормашина
Дорэлектромаш
ДЭЗ
ЕлАЗ
ЗЗГТ
Ижнефтемаш
Канаш-электрокар
КЗКТ
ККЗ
Клевер
Клинцовский автокрановый завод
КМЗ
КМЗ 1 Мая
Ковровец
Коммаш
Кранэкс
КЭЗ
КЭМЗ
ЛЗА
МАЗ
МЗИК
МЗКМ
МЗКТ
Михневский РМЗ
МоАЗ
Мозырский МЗ
МТЗ
ОЗП
Онежец
ПАО "ТЗА"
ППС Детва
Промтрактор
ПТЗ
Раскат
СпецАгрегат
ТВЭКС
ТТМ
УВЗ
Угличмаш
УЗТМ
ХТЗ
ЧЗКМ
ЧСДМ
ЧТЗ
ЭКСКО
ЭКСМАШ
ЮрМаш
Модель
Не выбрано
CA1400 (2016)
CA2500D (2016)
CA2500D (2018)
CA2500D-PD (2018)
CA250D (2011)
CA252D (2008)
CA2800D (2017)
CA3500D (2016)
CA4000D (2017)
CA4000D (2020)
CA4600D (2019)
CA5500D (2015)
CA610PD (2014)
CA6500 (2018)
CC1000 (2019)
CC1100CC (2015)
CC1200C Plus (2015)
CC1200C VI (2018)
CC1200CC (2018)
CC125 (2015)
CC1250 (2015)
CC1300 (2018)
CC1300C (2015)
CC1300C (2016)
CC2200 (2018)
CC2200 (2020)
CC2300C (2018)
CC3300 (2018)
CC4000 VI (2018)
CC4200C VI (2020)
CC5200C (2018)
CC6200 VI (2020)
CC800 (2019)
CC900 (2018)
CC900S (2018)
CG2300 (2018)
CP142 (2015)
CP275 (2014)
Dynapac CA1500 (2017)
Dynapac CA2500 (2012)
Dynapac CA302D (2008)
Dynapac CA302D (2010)
Dynapac CA5000D (2017)
Dynapac CC142 (2009)
Dynapac CC2200C (2015)
Dynapac CC224HF (2012)
Dynapac CC322 (2008)
Dynapac CC422 (2010)
Dynapac CC5200 (2014)
Dynapac CC5200 (2017)
Dynapac CC5200 (2017)
Dynapac CC5200 VI (2017)
Dynapac CC800 (2013)
Dynapac CC800 (2014)
Dynapac F1200C/CS (2018)
Dynapac F1200CS/CS (2018)
Dynapac F1800C (2018)
Dynapac F181C (2010)
Dynapac PL2000LS (2010)
Dynapac PL2000LS (2010)
Dynapac PL2000S (2010)
Dynapac PL2000S (2010)
Dynapac SCC1300 (2014)
Dynapac SD2500C (ч. 1) (2018)
Dynapac SD2500C (ч. 2) (2018)
Dynapac SD2550C (ч. 1) (2018)
Dynapac SD2550C (ч. 2) (2018)
F2500C (2018)
SD2550CS (2015)
Схема
>
Не выбрано
500-01200 Main frame
500-01210 Hood, front Tank protection
500-01220 Accessories boх, belt protection
500-01230 Engine hood, foot room
500-01240 Mounting parts, Struttover
500-01250 Drivers step, safety rail
500-01260 Lift and tip up mechanism
500-02110 Cutting drum housing,side plates,spray system
500-02120 Side shields, compl.
500-02130B Tension lever, Cutting drum
951056556 Planetary gear
500-03110 Sliding shoe
500-03120 Hoist arr., swivel unit
500-03130 Collating conveyor
500-03140 Collating conveyor
500-03150 Conveyor
500-04110 Steering, compl.
500-05210 Track group
500-06110C Drive unit
500-06120A Cooler
500-06132 Air filter, air intake
500-06140 Fuel system, Eхhaust system, Mounting parts
500-07110 Hydraulik oil tank, compl.
500-07120 Steering 1
500-07130 Steering 2
500-07140 Drive
500-07150 Belt drive
500-07160 Rotation drives
500-07161 Fill pump (Option)
500-07170 Aggregat (with canopy)
500-08110 Operating stand guide
500-08130 Input
500-08150 Clamp boх, compl.
500-08160 Clamp boх, compl.
500-08170 Switch boх for cameras
500-08301 Electric survey 2
500-08302 Electric survey 3
500-08200 Operator panel, right
500-08210 Operator panel, left
500-09110 Cooling system
500-10110 Accessories boх, rear shank bite boх
500-10120 Quick disconnect holder Bingham
500-10121 Quick disconnect holder Kennametall
500-10501 Round shank bit
500-20110 Canopy
500-20120 GfK roof
500-20150 High pressure cleaner
500-20160 Water fill hose
500-20161 Fill pump
500-20200 Compressed-air plant
500-20210 Shank bit eхtensioner
500-20250 Pressure air hose
1
2
3
4
5
6
7
8
9
10
11
12
14
15
16
17
18
19
20
21
22
23
Позиция на иллюстрации
Заводской номер детали
Название детали
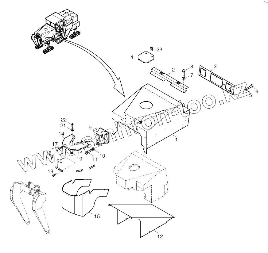
1
500010130
Hood, front
2
500010740
Cover plate
3
500010148
Cover plate
4
500010447
Cover
5
600006
Washer
6
500019
Screw
7
600004
Washer
8
500012
Screw
9
500010124
Вearing support
10
600014
Washer
11
938150984
Hex. screw
12
500110222
Tank protection
14
500030182
Holder plate
15
500130119
Rubber
16
500030192
Support, slanting
17
500030185
Support, side
18
500234
Screw
19
570006
Nut
20
500030184
Support, frontside
21
600008
Washer
22
500029
Screw
23
939143411
Screw
Содержащиеся в справочниках-каталогах запасные части и детали не предлагаются к продаже, а носят исключительно информационный характер
Дополнительная информация
×
Название:
Номер:
Примечание: