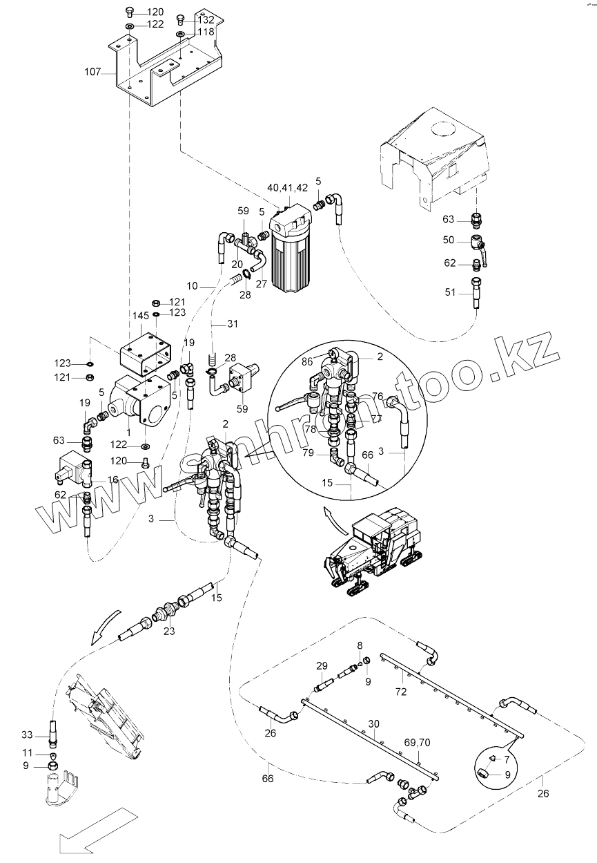
Каталог запасных частей к технике: DYNAPAC Dynapac PL2000LS. 504-09110 Water spray equipment
1
2
2
3
3
5
5
5
5
7
8
9
9
9
10
11
15
15
16
19
19
20
23
26
26
27
28
28
29
30
31
33
40
41
42
50
51
59
59
62
62
63
63
66
66
69
70
72
76
77
78
79
86
107
118
120
120
121
121
122
122
123
123
132
145
| Позиция на иллюстрации | Заводской номер детали | Название детали | |
|---|---|---|---|
| 932405055 | 932405055 | O-ring | |
| 967656000 | 967656000 | Water pump, compl. | |
| 966052500 | 966052500 | Hydraulic motor | |
| 964782031 | 964782031 | Filter body | |
| 504090222 | 504090222 | Water spray equipment | |
| 1 | 967362255 | Pump assembly | |
| 2 | 964704502 | Control unit | |
| 3 | 960871350 | Hose | |
| 4 | 961905010 | Equal-tee | |
| 5 | 961353041 | Straight double-ended union | |
| 6 | 961920614 | Reduction union | |
| 7 | 930177523 | Jet | |
| 7 | 930177524 | Jet | |
| 8 | 930177506 | Jet | |
| 9 | 930506060 | Union nut | |
| 10 | 960871535 | Hose | |
| 11 | 930177504 | Jet | |
| 15 | 500290139 | Hose | |
| 16 | 963365027 | Valve | |
| 19 | 961917011 | Union elbow both ports | |
| 20 | 500290150 | Equal-tee | |
| 22 | 961170061 | Plug screw | |
| 23 | 500290144 | Bulkhead union | |
| 26 | 500290136 | Hose | |
| 27 | 500290161 | Pipeline | |
| 28 | 934400050 | Hose clip | |
| 29 | 500290135 | Hose | |
| 30 | 500290120 | Tube | |
| 31 | 930659830 | Rubber hose | |
| 33 | 500290137 | Hose | |
| 40 | 964152664 | Filter hausing compl. | |
| 41 | 964152668 | Filter | |
| 42 | 964152667 | Key | |
| 50 | 930296457 | Ball valve | |
| 51 | 960871403 | Hose | |
| 59 | 964805410 | Low pressure switch | |
| 62 | 961353033 | Straight double-ended union | |
| 63 | 961355006 | Straight screwing | |
| 66 | 960841252 | Hose | |
| 69 | 961170057 | Plug stud | |
| 70 | 961102007 | Union nut | |
| 72 | 500300280 | Pipeline | |
| 76 | 504090223 | Nipple | |
| 77 | 961980606 | Reduction screwing | |
| 78 | 961903008 | Straight coupling | |
| 79 | 961917008 | Adjustable elbow | |
| 86 | 956201173 | Vacuum gauge | |
| 100 | 500290162 | Mounting parts, compl. | |
| 107 | 500090154 | Filter console | |
| 118 | 939570011 | Lower washer | |
| 120 | 500053 | Screw | |
| 121 | 570005 | Nut | |
| 122 | 939570014 | Lower washer | |
| 123 | 49900161 | Screw retention | |
| 132 | 938150553 | Hex. screw | |
| 145 | 504090210 | Adapter | |
| 150 | 500290168 | Holder |
Содержащиеся в справочниках-каталогах запасные части и детали не предлагаются к продаже, а носят исключительно информационный характер