Каталог запасных частей к технике: DYNAPAC Dynapac CC800. Sprinkler system Up to A004853
1
2
3
3
3
3
5
6
7
8
10
10
12
13
13
14
14
15
16
17
18
18
18
19
20
21
22
23
24
24
25
26
27
27
27
27
27
27
27
27
31
31
32
33
34
35
36
41
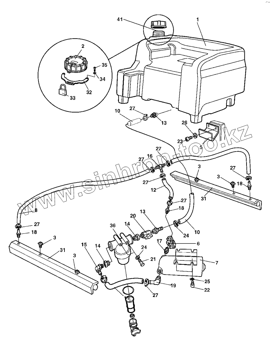
| Позиция на иллюстрации | Заводской номер детали | Название детали | |
|---|---|---|---|
| 4700376876 | 4700376876 | Gasket | |
| 4700392508 | 4700392508 | Housing | |
| 4700392509 | 4700392509 | Retainer, nozzle, strainer, yellow | |
| 1 | 4700389218 | Water tank, cpl | |
| 2 | 4700388087 | Tank cap | |
| 3 | 4700392011 | Spraying nozzle, cpl | |
| 5 | 4700387935 | Bracket | |
| 6 | 4700287713 | Solenoid valve | |
| 7 | 4700383697 | Water pump | |
| 8 | 4812112074 | Plastic hose | |
| 9 | 4812112074 | Plastic hose | |
| 10 | 4812112074 | Plastic hose | |
| 11 | 4812112074 | Plastic hose | |
| 12 | 4812112074 | Plastic hose | |
| 13 | 4700924544 | Hose connection | |
| 14 | 4700903886 | Adapter | |
| 15 | 4700924996 | Hose connection | |
| 16 | 4700923735 | Hose connection | |
| 17 | 4700377611 | Straight connector | |
| 18 | 4700901432 | Hose connection | |
| 19 | 4700923734 | Hose connection | |
| 20 | 4700924986 | Valve | |
| 21 | 4700500090 | Screw | |
| 22 | 4700508004 | Socket head cap screw | |
| 23 | 4700500029 | Hex. screw | |
| 24 | 4700904640 | Washer | |
| 25 | 4700904229 | Washer | |
| 26 | 4700904567 | Washer | |
| 27 | 4700313002 | Hose clamp | |
| 29 | 4700791977 | Hose connection | |
| 31 | Pipe | Sprinkler pipe | |
| 32 | 4700389155 | Lock bracket | |
| 33 | 4700358881 | Pad lock | |
| 34 | 4700904281 | Washer | |
| 35 | 4700903658 | Screw | |
| 36 | 4700791950 | Water strainer, cpl | |
| 37 | 4700791959 | O-ring | |
| 38 | 4700791949 | Filter element | |
| 39 | 4700791568 | Gasket | |
| 40 | 4700379009 | Valve | |
| 41 | 4700358846 | Strainer |
Содержащиеся в справочниках-каталогах запасные части и детали не предлагаются к продаже, а носят исключительно информационный характер