Каталог запасных частей к технике: DYNAPAC Dynapac CC800. Hydraulic steering

zoom-in zoom-out enlarge shrink circle-right circle-left file-text2 info cart
1
2
2
2
2
2
3
3
4
4
5
6
7
8
9
10
11
11
12
13
13
14
14
15
15
16
17
18
19
19
20
20
21
21
22
22
23
23
24
25
27
27
28
29
31
32
33
34
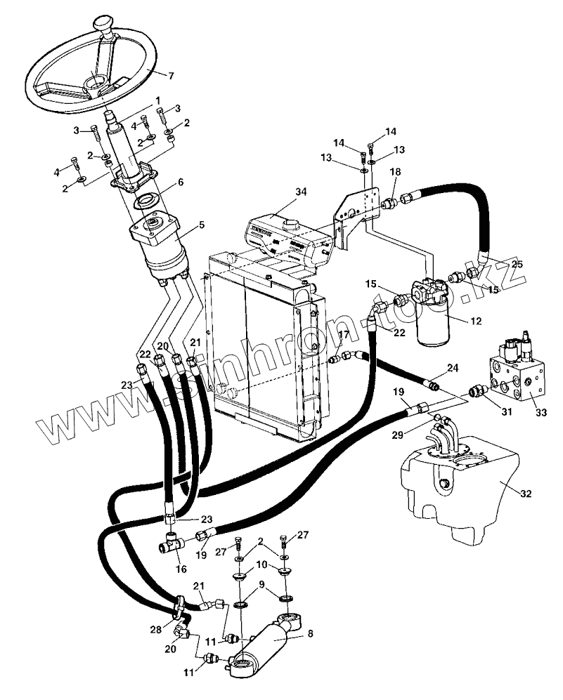
Позиция на иллюстрации Заводской номер детали Название детали
4700376637 4700376637 Hydraulic filter element
4700376636 4700376636 Cleaning filter element Maximum 50 hours use
4700945526 4700945526 Bearing
4700935613 4700935613 Cover
4700935614 4700935614 Turning knob
1 4700902123 Steering column
2 4700904230 Washer
3 4700500031 Screw
4 4700500048 Hex. screw
5 4700387274 Steering valve
6 4700928830 Rubber washer
7 4700372964 Steering wheel
8 4700387275 Hydraulic cylinder
9 4700791565 Sealing
10 4700376861 Washer
11 4700791542 Straight connector
12 4700387277 Hydraulic oil filter, cpl
13 4700904229 Washer
14 4700500053 Hex. screw
15 4700791408 Straight o-ring connector
16 4700791701 Tee-connector
17 4700791540 Straight connector
18 4700791410 Straight o-ring connector
19 4700483653 Hydraulic hose
20 4700483654 Hydraulic hose
21 4700483655 Hydraulic hose
22 4700483656 Hydraulic hose
23 4700483657 Hydraulic hose
24 4700483696 Hydraulic hose
25 4700483662 Hydraulic hose
26 4700355869 Spacer sleeve
27 4700947684 Screw
28 4700313102 Cable ties
29 4700904009 O-ring
31 4700791412 Straight o-ring connector
32 Hydraulictank Hydraulic tank
33 Combinationvalve Combination valve
34 Radiator Radiator, cpl
Содержащиеся в справочниках-каталогах запасные части и детали не предлагаются к продаже, а носят исключительно информационный характер