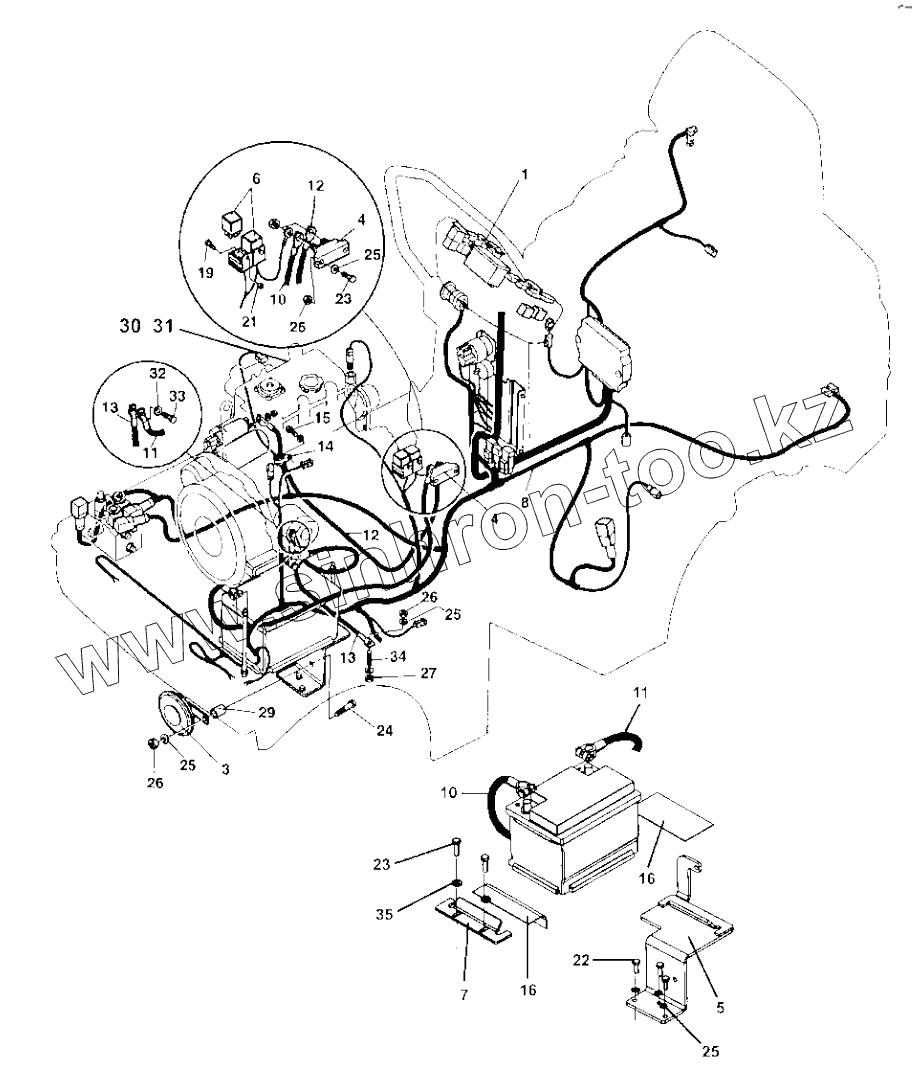
Каталог запасных частей к технике: DYNAPAC Dynapac CC800. Electrical equipment From A003970 Up to A007191
1
3
4
4
5
6
7
8
10
10
11
11
12
12
13
13
14
15
16
16
19
21
22
23
23
24
25
25
25
25
26
26
26
27
29
30
31
32
33
34
35
| Позиция на иллюстрации | Заводской номер детали | Название детали | |
|---|---|---|---|
| 1 | Controlpanel | Control panel | |
| 3 | 4700999027 | Horn | |
| 4 | 4700377058 | Connection block | |
| 5 | 4812112007 | Battery shelf | |
| 6 | 4700903956 | Relay | |
| 7 | 4812110724 | Battery holder | |
| 8 | 4700397093 | Cable harness | |
| 10 | 4700792019 | Battery cable | |
| 11 | 4700792020 | Battery cable | |
| 12 | 4700377063 | Connection cable coarse | |
| 13 | 4700791639 | Battery cable | |
| 14 | 4700921050 | Clamp | |
| 15 | 4700508092 | Screw | |
| 16 | 4812110759 | Rubber cloth | |
| 19 | 4700500006 | Hex. screw | |
| 21 | 4700586001 | Lock nut | |
| 22 | 4700500053 | Hex. screw | |
| 23 | 4700500021 | Hex. screw | |
| 24 | 4700500024 | Screw | |
| 25 | 4700904229 | Washer | |
| 26 | 4700586003 | Hexagon lock nut | |
| 27 | 4700570005 | Hex. nut | |
| 29 | 4700355704 | Spacer sleeve | |
| 30 | 4700904228 | Steel plain washer | |
| 31 | 4700570004 | Hex. nut | |
| 32 | 4700904231 | Washer | |
| 33 | 4700791483 | Screw | |
| 34 | 4700903768 | Threaded stud | |
| 35 | 4700904556 | Steel plain washer |
Содержащиеся в справочниках-каталогах запасные части и детали не предлагаются к продаже, а носят исключительно информационный характер