Каталог запасных частей к технике: DYNAPAC Dynapac CC800. Driving lights Option
1
2
3
4
4
5
5
6
6
7
7
10
11
12
13
14
15
16
17
18
19
20
21
21
21
24
30
31
31
32
32
33
33
35
36
36
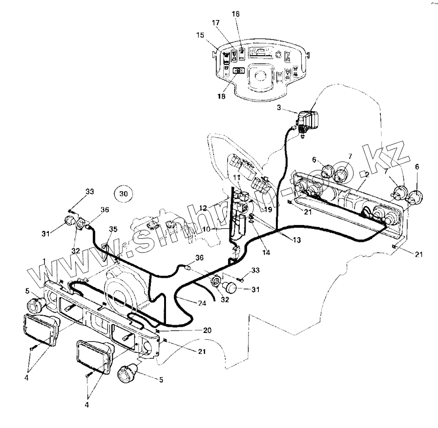
| Позиция на иллюстрации | Заводской номер детали | Название детали | |
|---|---|---|---|
| 4700904889 | 4700904889 | Bulb | |
| 4700500230 | 4700500230 | Screw | |
| 4700904230 | 4700904230 | Washer | |
| 4700586018 | 4700586018 | Lock nut | |
| 4700792059 | 4700792059 | Headlight left hand asym. with parking light | |
| 1 | 4700387377 | Frame cover | |
| 2 | 4700387378 | Frame cover | |
| 3 | 4812110216 | Work lamp | |
| 4 | 4700791951 | Headlight right hand asym. with parking light | |
| 5 | 4700791953 | Direction indicator | |
| 6 | 4700791954 | Direction indicator | |
| 7 | 4700791955 | Brake/position light | |
| 10 | 4700388636 | Cable harness | |
| 11 | 4700904989 | Flash relay Option | |
| 12 | 4700903956 | Relay | |
| 13 | 4700901225 | Fuse | |
| 14 | 4700901227 | Fuse | |
| 15 | 4700791587 | Switch, working light | |
| 16 | 4700791584 | Switch, hazard flashers | |
| 17 | 4700791583 | Switch, driving light | |
| 18 | 4700791586 | Switch, drive direction | |
| 19 | 4700791916 | Screw | |
| 20 | 4700791970 | Speed nut | |
| 21 | 4700791971 | Quick lock nut | |
| 24 | 4700377140 | Cable harness | |
| 30 | Sidedirectionlights | Side direction lights | |
| 31 | 4700791704 | Side direction light | |
| 32 | 4700388382 | Holder side light | |
| 33 | 4700791643 | Screw | |
| 35 | 4700903810 | Cable tie holder | |
| 36 | 4700960079 | Connector |
Содержащиеся в справочниках-каталогах запасные части и детали не предлагаются к продаже, а носят исключительно информационный характер