Каталог запасных частей к технике: DYNAPAC Dynapac CC800. Hydraulic steering
1
2
2
2
2
2
3
3
4
4
5
6
7
8
9
10
11
11
12
13
13
14
14
15
15
16
17
18
19
19
20
20
21
21
22
22
23
23
24
25
27
27
28
29
31
32
33
34
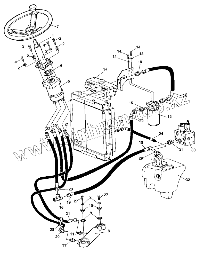
| Позиция на иллюстрации | Заводской номер детали | Название детали | |
|---|---|---|---|
| 4700376637 | 4700376637 | Hydraulic filter element | |
| 4700376636 | 4700376636 | Cleaning filter element Maximum 50 hours use | |
| 4700945526 | 4700945526 | Bearing | |
| 4700935613 | 4700935613 | Cover | |
| 4700935614 | 4700935614 | Turning knob | |
| 1 | 4700902123 | Steering column | |
| 2 | 4700904230 | Washer | |
| 3 | 4700500031 | Screw | |
| 4 | 4700500048 | Hex. screw | |
| 5 | 4700387274 | Steering valve | |
| 6 | 4700928830 | Rubber washer | |
| 7 | 4700372964 | Steering wheel | |
| 8 | 4700387275 | Hydraulic cylinder | |
| 9 | 4700791565 | Sealing | |
| 10 | 4700376861 | Washer | |
| 11 | 4700791542 | Straight connector | |
| 12 | 4700387277 | Hydraulic oil filter, cpl | |
| 13 | 4700904229 | Washer | |
| 14 | 4700500053 | Hex. screw | |
| 15 | 4700791408 | Straight o-ring connector | |
| 16 | 4700791701 | Tee-connector | |
| 17 | 4700791540 | Straight connector | |
| 18 | 4700791410 | Straight o-ring connector | |
| 19 | 4700483653 | Hydraulic hose | |
| 20 | 4700483654 | Hydraulic hose | |
| 21 | 4700483655 | Hydraulic hose | |
| 22 | 4700483656 | Hydraulic hose | |
| 23 | 4700483657 | Hydraulic hose | |
| 24 | 4700483696 | Hydraulic hose | |
| 25 | 4700483662 | Hydraulic hose | |
| 26 | 4700355869 | Spacer sleeve | |
| 27 | 4700947684 | Screw | |
| 28 | 4700313102 | Cable ties | |
| 29 | 4700904009 | O-ring | |
| 31 | 4700791412 | Straight o-ring connector | |
| 32 | Hydraulictank | Hydraulic tank | |
| 33 | Combinationvalve | Combination valve | |
| 34 | Radiator | Radiator, cpl |
Содержащиеся в справочниках-каталогах запасные части и детали не предлагаются к продаже, а носят исключительно информационный характер