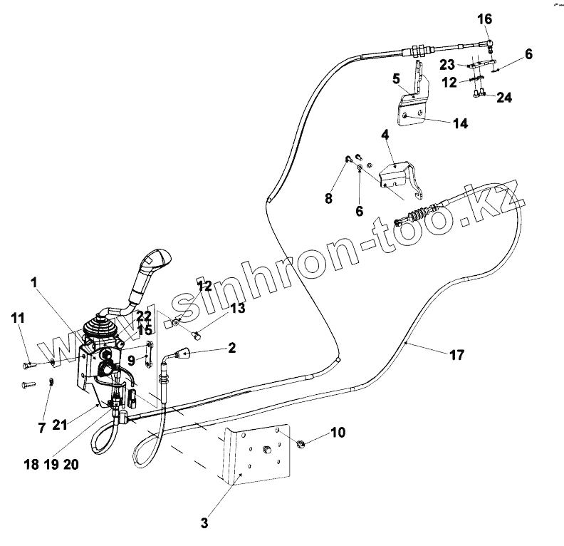
Каталог запасных частей к технике: DYNAPAC Dynapac CC800. F/R- and throttle control
2
3
4
5
6
6
7
8
9
10
11
12
12
13
14
15
16
17
18
19
20
21
22
23
24
| Позиция на иллюстрации | Заводской номер детали | Название детали | |
|---|---|---|---|
| 4700940960 | 4700940960 | Knob | |
| Washer | Washer | Washer | |
| 4700950382 | 4700950382 | Ball stud | |
| 2 | 4700387229 | Throttle control | |
| 3 | 4700388476 | Control cover | |
| 4 | 4700395257 | Control bracket | |
| 5 | 4812120650 | Bracket | |
| 6 | 4700904228 | Steel plain washer | |
| 7 | 4700904229 | Washer | |
| 8 | 4700500013 | Hex. screw | |
| 9 | 4812117990 | Bracket | |
| 10 | 4700904755 | Screw | |
| 11 | 4700500021 | Hex. screw | |
| 12 | 4700904556 | Steel plain washer | |
| 13 | 4700500053 | Hex. screw | |
| 14 | Screw | Screw | |
| 15 | 4700377019 | Ball joint | |
| 16 | 4700416034 | Ball joint | |
| 17 | 4700377024 | Cable Forward/Reverse | |
| 18 | 4700377020 | Clamp | |
| 19 | 4700377021 | Spacer | |
| 20 | 4700926537 | Screw | |
| 21 | 4700586001 | Lock nut | |
| 22 | 4700586003 | Hexagon lock nut | |
| 23 | 4812120643 | Bracket | |
| 24 | 4700500042 | Hex. head screw M8 |
Содержащиеся в справочниках-каталогах запасные части и детали не предлагаются к продаже, а носят исключительно информационный характер