Вернуться на главную
Поиск
Каталоги запчастей к технике
Спецтехника
DYNAPAC
Dynapac CC5200 VI
Horn, power converter, protections
Каталог запасных частей к технике: DYNAPAC Dynapac CC5200 VI. Horn, power converter, protections
zoom-in
zoom-out
enlarge
shrink
circle-right
circle-left
file-text2
info
cart
Тип техники
Не выбрано
Легковые автомобили
Грузовые автомобили и прицепы
Автобусы
Сельхозтехника
Спецтехника
Двигатели
Мототехника
Марка
Не выбрано
Ammann
BOMAG
CARMIX
CASE IH
Changlin
ChengGong
Dimex
Doosan
DYNAPAC
Foton
HAMM
Hidromek
Hitachi
Hyundai
JCB
JLG
John Deere
Komatsu
LIEBHERR
LiuGong
Lonking (LongGong)
Luneng
MANITOU
Mitsuber
New Holland
PENGPU
RM-Terex
SANY
SDLG
SEM
Shantui
Shehwa HBXG
Soosan
TIGARBO
VOGELE
Volvo
WAY
WIRTGEN
XCMG
XGMA
Xiamen
YTO
Yuchai
Zoomlion
Автокран
АЗСМ
Алтайлесмаш
Амкодор
АОМЗ
Атек
АТЗ
Балканкар Рекорд
БелАЗ
Беловеж
Борекс
Брянский Арсенал
Булат
ВЭКС
ГАЗ
Геомаш
Гидромаш
Донекс
Дормаш
Дормашина
Дорэлектромаш
ДЭЗ
ЕлАЗ
ЗЗГТ
Ижнефтемаш
Канаш-электрокар
КЗКТ
ККЗ
Клевер
Клинцовский автокрановый завод
КМЗ
КМЗ 1 Мая
Ковровец
Коммаш
Кранэкс
КЭЗ
КЭМЗ
ЛЗА
МАЗ
МЗИК
МЗКМ
МЗКТ
Михневский РМЗ
МоАЗ
Мозырский МЗ
МТЗ
ОЗП
Онежец
ПАО "ТЗА"
ППС Детва
Промтрактор
ПТЗ
Раскат
СпецАгрегат
ТВЭКС
ТТМ
УВЗ
Угличмаш
УЗТМ
ХТЗ
ЧЗКМ
ЧСДМ
ЧТЗ
ЭКСКО
ЭКСМАШ
ЮрМаш
Модель
Не выбрано
CA1400 (2016)
CA2500D (2016)
CA2500D (2018)
CA2500D-PD (2018)
CA250D (2011)
CA252D (2008)
CA2800D (2017)
CA3500D (2016)
CA4000D (2017)
CA4000D (2020)
CA4600D (2019)
CA5500D (2015)
CA610PD (2014)
CA6500 (2018)
CC1000 (2019)
CC1100CC (2015)
CC1200C Plus (2015)
CC1200C VI (2018)
CC1200CC (2018)
CC125 (2015)
CC1250 (2015)
CC1300 (2018)
CC1300C (2015)
CC1300C (2016)
CC2200 (2018)
CC2200 (2020)
CC2300C (2018)
CC3300 (2018)
CC4000 VI (2018)
CC4200C VI (2020)
CC5200C (2018)
CC6200 VI (2020)
CC800 (2019)
CC900 (2018)
CC900S (2018)
CG2300 (2018)
CP142 (2015)
CP275 (2014)
Dynapac CA1500 (2017)
Dynapac CA2500 (2012)
Dynapac CA302D (2008)
Dynapac CA302D (2010)
Dynapac CA5000D (2017)
Dynapac CC142 (2009)
Dynapac CC2200C (2015)
Dynapac CC224HF (2012)
Dynapac CC322 (2008)
Dynapac CC422 (2010)
Dynapac CC5200 (2014)
Dynapac CC5200 (2017)
Dynapac CC5200 (2017)
Dynapac CC5200 VI (2017)
Dynapac CC800 (2013)
Dynapac CC800 (2014)
Dynapac F1200C/CS (2018)
Dynapac F1200CS/CS (2018)
Dynapac F1800C (2018)
Dynapac F181C (2010)
Dynapac PL2000LS (2010)
Dynapac PL2000LS (2010)
Dynapac PL2000S (2010)
Dynapac PL2000S (2010)
Dynapac SCC1300 (2014)
Dynapac SD2500C (ч. 1) (2018)
Dynapac SD2500C (ч. 2) (2018)
Dynapac SD2550C (ч. 1) (2018)
Dynapac SD2550C (ч. 2) (2018)
F2500C (2018)
SD2550CS (2015)
Схема
>
Не выбрано
DYNAPAC CC5200 VI (IIIA/T3) SN 10000407xxA020703-
4812160752 Service kit, 50h
4812161781 Service kit, 500h
4812161782 Service kit, 1000h
4812161783 Service kit, 2000h
4812155792 Eccentric shaft kit
4700938891 Drum rotation kit
4812161597 Shock absorber kit, drum
4812161595 Scraper blade kit
Frame and hitch
Front frame module
Cover assembly
Drum cover module
Hitch module
4812117737 Articulated joint
Ballast module
Rear frame module
Ballast module
Front ending module
Rear ending module
Scrapers
Scraper module
4700394340 Scraper bracket, cpl
Bracket module
Bracket module
Bracket module
Grab handle, lift
Grab handle module
Grab handle, release
Sprinkler system
Sprinkler pump module
Water tank module
Filling pipe module
Scraper module, with nozzles
Drum
Drum drive
Drum bearing
Drum suspension
Engine assembly
Engine bracket module
Belt guard module
4812126793 Engine Cummins QSF 3.8 T3
Air filter module
Exhaust system module
Cooling system
Cooler stand module
Cooling air casing
Cover module
Charge air cooler mounted
Water cooler system
Expansion tank module
Fuel system std
Fuel tank module
Bracket kit
Fuel hose assembly
Draining module
Engine hoods
Engine hood module right
Engine hood module left
Engine hood module center
Expansion tank cover module
Rear frame cover module, left
Rear frame cover module, right
Noise absorbing kit
Hydraulic system, filter, oil and leak_cc5200
Main hydraulic valve, cpl
Hydraulic tank mounted
Propulsion system
Hydraulic pump & connectors
4700390602 Hydraulic pump
4812155785 Hydraulic pump
Rotating group, cpl
Valve block, cpl
Control module
Flushing valve
4812155786 Hydraulic pump
Rotary group, cpl
Valve block, cpl
4812155787 Hydraulic pump
Rotary group, cpl
Valve block, cpl
Vibration system
4700395915 Hydraulic motor Vibration
Hydraulic system, fan & steering
Fan module
Hose bracket, cross sliding
Brake system
Electric system, main harness
Fuse and relay central module
Power supply, std
Battery shelf module
Battery holder
Power supply, cab
Driving-, direction- & Licence plate lights_CC4200
Driving lights module
Reversing light module
Back-up alarm module
Turn signals
Registration plate light
Steering column switch module
4812122868 Cab asymmetric comfort
Roof edges
Windscreen and wipers, front
Ceiling, lower panels
Screens, wipers and switches, cab right side
4812125328 Sliding window
Interior, celing (lights, nozzles, hammer, hook, switch 2&3)
Ventilation hoses, rear washer/wiper, power sockets
Interior, front (air channel, loud speakers, antenna, relays, switch 1)
AC Box
Air condition installation (ACC)
Door, left
4812122883 Door
4812125321 Sliding window, left
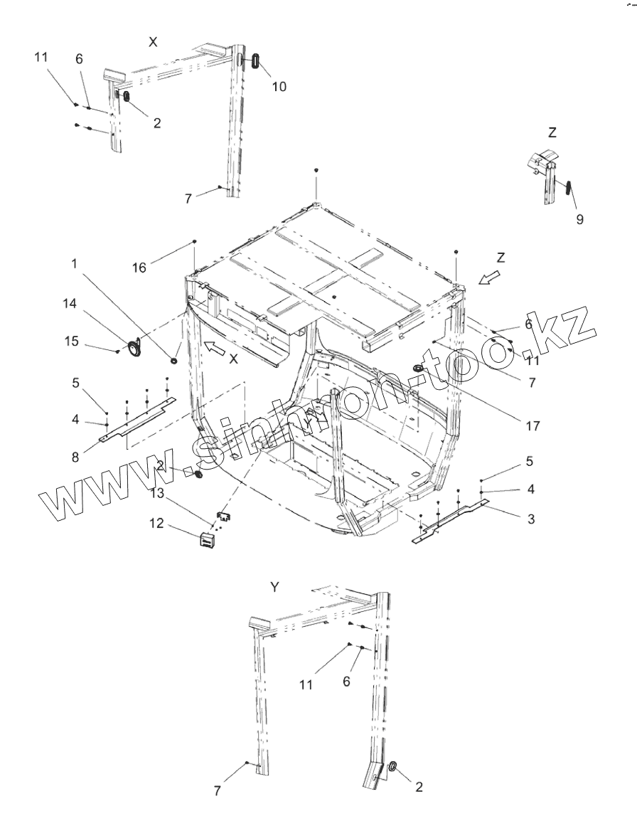
Horn, power converter, protections
Rear screen
4812122869 Cab asymmetric std
Heater installation
Rear screen
ROPS module
4812122870 ROPS
Handrails, harness, power sockets
Handrail assembly
Roof edges
Rear covers, storage
Mirrors
Seat frame module
Control module, sliding/turning
Floor cassette module
Seat, galon suspensioned
Seat comfort, fabric suspensioned
Seat comfort, galon suspensioned
Control module, 4 buttons
Forward-reverse control module
Display module
Instrument panel cover module
SMV sign
Fire extinguisher
Air conditioning
Condensor module
Drying filter module
4812114257 Drying filter assy
Compressor module
Refrigerant hose kit
1
2
2
2
3
4
4
5
5
6
6
6
7
7
7
8
9
10
11
11
11
12
13
14
15
16
17
Позиция на иллюстрации
Заводской номер детали
Название детали
1
4700904347
Grommet
2
4812115228
Grommet
3
4812122885
Entrance plate left
4
Washer
Washer
5
4812161371
Screw
6
4700792103
Blind insert nut
7
Blindinsertnut
Blind insert nut
8
4812122886
Entrance plate right
9
4700902379
Edge trim
10
4700902379
Edge trim
11
Plug
Plug connector see engine Gr. 9
12
4812112017
Power converter
13
Tapscrew
Tap screw
14
4700999014
Horn
15
Screw
Screw
16
Plug
Plug connector see engine Gr. 9
17
Edgeprotectionprofile
Edge protection profile
Содержащиеся в справочниках-каталогах запасные части и детали не предлагаются к продаже, а носят исключительно информационный характер
Дополнительная информация
×
Название:
Номер:
Примечание: