Вернуться на главную
Поиск
Каталоги запчастей к технике
Спецтехника
DYNAPAC
Dynapac CC5200
Hydraulic pump module
Каталог запасных частей к технике: DYNAPAC Dynapac CC5200. Hydraulic pump module
zoom-in
zoom-out
enlarge
shrink
circle-right
circle-left
file-text2
info
cart
Тип техники
Не выбрано
Легковые автомобили
Грузовые автомобили и прицепы
Автобусы
Сельхозтехника
Спецтехника
Двигатели
Мототехника
Марка
Не выбрано
Ammann
BOMAG
CARMIX
CASE IH
Changlin
ChengGong
Dimex
Doosan
DYNAPAC
Foton
HAMM
Hidromek
Hitachi
Hyundai
JCB
JLG
John Deere
Komatsu
LIEBHERR
LiuGong
Lonking (LongGong)
Luneng
MANITOU
Mitsuber
New Holland
PENGPU
RM-Terex
SANY
SDLG
SEM
Shantui
Shehwa HBXG
Soosan
TIGARBO
VOGELE
Volvo
WAY
WIRTGEN
XCMG
XGMA
Xiamen
YTO
Yuchai
Zoomlion
Автокран
АЗСМ
Алтайлесмаш
Амкодор
АОМЗ
Атек
АТЗ
Балканкар Рекорд
БелАЗ
Беловеж
Борекс
Брянский Арсенал
Булат
ВЭКС
ГАЗ
Геомаш
Гидромаш
Донекс
Дормаш
Дормашина
Дорэлектромаш
ДЭЗ
ЕлАЗ
ЗЗГТ
Ижнефтемаш
Канаш-электрокар
КЗКТ
ККЗ
Клевер
Клинцовский автокрановый завод
КМЗ
КМЗ 1 Мая
Ковровец
Коммаш
Кранэкс
КЭЗ
КЭМЗ
ЛЗА
МАЗ
МЗИК
МЗКМ
МЗКТ
Михневский РМЗ
МоАЗ
Мозырский МЗ
МТЗ
ОЗП
Онежец
ПАО "ТЗА"
ППС Детва
Промтрактор
ПТЗ
Раскат
СпецАгрегат
ТВЭКС
ТТМ
УВЗ
Угличмаш
УЗТМ
ХТЗ
ЧЗКМ
ЧСДМ
ЧТЗ
ЭКСКО
ЭКСМАШ
ЮрМаш
Модель
Не выбрано
CA1400 (2016)
CA2500D (2016)
CA2500D (2018)
CA2500D-PD (2018)
CA250D (2011)
CA252D (2008)
CA2800D (2017)
CA3500D (2016)
CA4000D (2017)
CA4000D (2020)
CA4600D (2019)
CA5500D (2015)
CA610PD (2014)
CA6500 (2018)
CC1000 (2019)
CC1100CC (2015)
CC1200C Plus (2015)
CC1200C VI (2018)
CC1200CC (2018)
CC125 (2015)
CC1250 (2015)
CC1300 (2018)
CC1300C (2015)
CC1300C (2016)
CC2200 (2018)
CC2200 (2020)
CC2300C (2018)
CC3300 (2018)
CC4000 VI (2018)
CC4200C VI (2020)
CC5200C (2018)
CC6200 VI (2020)
CC800 (2019)
CC900 (2018)
CC900S (2018)
CG2300 (2018)
CP142 (2015)
CP275 (2014)
Dynapac CA1500 (2017)
Dynapac CA2500 (2012)
Dynapac CA302D (2008)
Dynapac CA302D (2010)
Dynapac CA5000D (2017)
Dynapac CC142 (2009)
Dynapac CC2200C (2015)
Dynapac CC224HF (2012)
Dynapac CC322 (2008)
Dynapac CC422 (2010)
Dynapac CC5200 (2014)
Dynapac CC5200 (2017)
Dynapac CC5200 (2017)
Dynapac CC5200 VI (2017)
Dynapac CC800 (2013)
Dynapac CC800 (2014)
Dynapac F1200C/CS (2018)
Dynapac F1200CS/CS (2018)
Dynapac F1800C (2018)
Dynapac F181C (2010)
Dynapac PL2000LS (2010)
Dynapac PL2000LS (2010)
Dynapac PL2000S (2010)
Dynapac PL2000S (2010)
Dynapac SCC1300 (2014)
Dynapac SD2500C (ч. 1) (2018)
Dynapac SD2500C (ч. 2) (2018)
Dynapac SD2550C (ч. 1) (2018)
Dynapac SD2550C (ч. 2) (2018)
F2500C (2018)
SD2550CS (2015)
Схема
>
Не выбрано
CC5200 (IIIB/T4i) SN 10000347xxA012727-
4812159352 Service kit, 50h Plus
4812159353 Service kit, 500h Cummins QSB 4.5
4812159354 Service kit, 500h Plus Cummins QSB 4.5
4812159355 Service kit, 1000h Cummins QSB 4.5
4812159356 Service kit, 1000h Plus Cummins QSB 4.5
4812159359 Service kit, 2000h Plus Cummins QSB 4.5
4812159669 Start up kit
4700950151 Scraper kit
4700945903 Eccentric shaft kit
4700938891 Drum rotation kit
4700945904 Shock absorber kit, drum
4812155698 Sprinkler kit
Keys
Fuses
Front frame
Front frame
4700391023 Steering cylinder
Tank structure module
Tank structure module
4700391307 Cover
Hose support
Hitch module
4812117737 Articulated joint
Filling pipe
Locking device module
Grab handle module
Rear frame
Frame, rear
Engine structure, module
Engine structure
Oil cooler
Fan module
Noise suppression plates
Noise suppression, covers
Grab handle module
Sprinkler system
Sprinkler pump module
Sprinkler pump
Sprinkler pump module
Sprinkler pump
Water hoses
Sprinkler pump, backup
Sprinkler pump, backup
Sprinkler pump, additonal sprinkler/cocoa mat
Sprinkler pumps
Sprinkler pump module (2 pumps)
Sprinkler pump mounted (2 pumps)
Extra sprinkler tank/s
Sprinkler tank
Water hoses
Filling pipe
End frame, front
End frame, front
Frame
End frame, extra tank
Frame assy
Fork, vibration side
Fork, propulsion side
Cover plate
Hose clamp, propulsion side
Hose clamp, vibration side
Step, vibration side
Step, propulsion side
Scraper module, without nozzles
Scraper module, with nozzles
Scraper assy with nozzles
Scraper assy
4700394340 Scraper bracket, cpl
Grab handle, release
Grab handle, release
Grab handle, release
Grab handle, lift
Grab handle, lift offset/cocoa mat
Cocoa mat module
Cocoa mat assembly
Cocoa mat bracket module
Cocoa mat bracket
Cocoa mat bracket module
Cocoa mat bracket
Process mirrors
End frame, rear
End frame, rear
End frame, rear offset
Frame
Connection block
Micro switch
4700391024 Steering cylinder
Eyelet module
SMV-sign
Drum
Drum bearing
Drive unit
4700390604 Drum gear
4700390603 Hydraulic motor
Engine hydraulic part
End plate
Drive unit
4812269526 Gear
4812120567 Hydraulic motor
Housing, cpl
Rotary group
Connection plate, cpl
Sensor
4812120568 Hydraulic motor
Housing, cpl
Rotary group
Connection plate, cpl
Vibrating unit Sauer
4700395915 Hydraulic motor Vibration
Engine room
Engine module
4812114023 Diesel engine Cummins QSB4.5 IIIB/T4i -97kW
Air cooler hoses
Water cooler hoses
Air cleaner module
Air cleaner hoses
Exhaust system module
Fuel hoses
Charge air cooler
Water cooler
Expansion tank assembly
Coolant hoses
Belt guard
Bracket kit
Hydraulic system, front drum
Hydraulic system, rear drum std
Hydraulic system, rear drum offset
Hydraulic valve module, offset/combi
Hydraulic valve
4700391017 Hydraulic valve
Hydraulic hoses, frame
Hydraulic hoses, engine room
Hydraulic pump module
Hydraulic valve module
Hydraulic valve
4700395924 Hydraulic valve
Hydraulic pump module
Hydraulic pump
4700390602 Hydraulic pump
4812155785 Hydraulic pump
Rotating group, cpl
Valve block, cpl
Control module
Flushing valve
4812155786 Hydraulic pump
Rotary group, cpl
Valve block, cpl
4812155787 Hydraulic pump
Rotary group, cpl
Valve block, cpl
Hydraulic system, steering Std
Hose bracket
Hydraulic steering, sliding seat
Carrier
Steering, slideable
4700372424 Pilot valve, steering
Electric cables, power supply
Battery disconnector
Battery disconnector
Electric cables, power supply cab
Electric cables, engine - ECU
Standard ECU module
Standard ECU assembly
Electric cables, sensors/ horn/ back-up alarm
Back-up alarm module
Back-up alarm
Horn module
Horn
Driving & side direction lights
Driving lights, front
Steering column switch module
Cable harness and switch module
Registration plate light module
Registration plate light
Driving lights, rear
Turn signals
Rotating beacon, working light
Rotating beacon module
Working light module H3
Drum edge lights
Bracket
Bracket
GPS/DCA, Asphalt temp meter
Cable harness kit, GPS
Cable and Gateway
GPS/DCA equipment assy
Temp sensor module
Temp sensor module
Computer with holder
Platform, no cab
Platform with 4-post ROPS
Decals basic kit
4812119369 Platform with 4-post ROPS
Roof
ROPS interior
Manual box
Hand rail, left
Hand rail
Hand rail, right
Hand rail
Hand rail
Lunch box module
Cab, asymmetric
4812119361 Cab, cpl
Screens front/rear and ceiling
Corner screens left and AC hood
24V socket and air nozzels
Wipers front/rear and front ceiling
Cab frame harness
Heating installation
Heater cover plate
AC-kit
Switch kit
Door sliding screens
Door complete
Screens asymmetric right
Lower screens front/rear and rear cover
Lower screen and water system, left
Lower screens and water system, right
4812119360 Cab comfort, cpl
Interior Cab
Evaporator kit
4812113623 Evaporator, cpl
ACC kit
4812113624 ACC kit
Decals basic kit
Cab noise cover
Rear view mirror
Drivers seat
Seat frame structure
4700391163 Steering column
Seat, galon suspensioned
Seat comfort, galon suspensioned
Seat comfort, fabric suspensioned
Seat belt 2dm
Seat belt 2dm with reminder
Seat belt 3dm
Seat belt 3dm with reminder
Controls, slidable and turning
Cross sliding
Carrier
Drive control, cpl
Drive control
Drive control module
Drive control
Control handle
Display unit
Control panel cover
Seat frame adapter module, rotating
Decals
Air conditioning
Compressor module
Condensor module
Condensor
Hose kit Compressor
Hose kit AC
Radio and cd player
Radio and cd player module
Power supply module
Tachograph, Car stereo
Tachograph with holder
Car stereo module 12V
Edge cutter
Edge cutter, module
4700390998 Edge cutter, cpl
4700390999 Holder
4700391009 Bearing unit
4700387275 Hydraulic cylinder
Cutting disc module
Pressing roller, module
Hydraulic valve module
Hydraulic valve
4700391018 Hydraulic valve
Disc/Roller holder
Fire extinguisher/First Aid Cushion
Fire extinguisher assembly
Asphalt temperature meter
Dyn@lyzer
FleetLink module
DCM Compaction meter with Evib
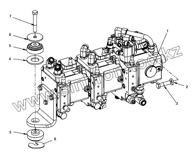
1
2
3
4
5
5
6
7
8
Позиция на иллюстрации
Заводской номер детали
Название детали
1
Hydraulicpump
Hydraulic pump, Cpl
2
4700904558
Washer
3
4700500270
Screw
4
4700393625
Spacer washer
5
4700391165
Shock absorber
6
4700345666
Steel spacer
7
4700500107
Screw
8
4700397270
Steel spacer
Содержащиеся в справочниках-каталогах запасные части и детали не предлагаются к продаже, а носят исключительно информационный характер
Дополнительная информация
×
Название:
Номер:
Примечание: