Вернуться на главную
Поиск
Каталоги запчастей к технике
Спецтехника
DYNAPAC
Dynapac CC5200
Hydraulic valve
Каталог запасных частей к технике: DYNAPAC Dynapac CC5200. Hydraulic valve
zoom-in
zoom-out
enlarge
shrink
circle-right
circle-left
file-text2
info
cart
Тип техники
Не выбрано
Легковые автомобили
Грузовые автомобили и прицепы
Автобусы
Сельхозтехника
Спецтехника
Двигатели
Мототехника
Марка
Не выбрано
Ammann
BOMAG
CARMIX
CASE IH
Changlin
ChengGong
Dimex
Doosan
DYNAPAC
Foton
HAMM
Hidromek
Hitachi
Hyundai
JCB
JLG
John Deere
Komatsu
LIEBHERR
LiuGong
Lonking (LongGong)
Luneng
MANITOU
Mitsuber
New Holland
PENGPU
RM-Terex
SANY
SDLG
SEM
Shantui
Shehwa HBXG
Soosan
TIGARBO
VOGELE
Volvo
WAY
WIRTGEN
XCMG
XGMA
Xiamen
YTO
Yuchai
Zoomlion
Автокран
АЗСМ
Алтайлесмаш
Амкодор
АОМЗ
Атек
АТЗ
Балканкар Рекорд
БелАЗ
Беловеж
Борекс
Брянский Арсенал
Булат
ВЭКС
ГАЗ
Геомаш
Гидромаш
Донекс
Дормаш
Дормашина
Дорэлектромаш
ДЭЗ
ЕлАЗ
ЗЗГТ
Ижнефтемаш
Канаш-электрокар
КЗКТ
ККЗ
Клевер
Клинцовский автокрановый завод
КМЗ
КМЗ 1 Мая
Ковровец
Коммаш
Кранэкс
КЭЗ
КЭМЗ
ЛЗА
МАЗ
МЗИК
МЗКМ
МЗКТ
Михневский РМЗ
МоАЗ
Мозырский МЗ
МТЗ
ОЗП
Онежец
ПАО "ТЗА"
ППС Детва
Промтрактор
ПТЗ
Раскат
СпецАгрегат
ТВЭКС
ТТМ
УВЗ
Угличмаш
УЗТМ
ХТЗ
ЧЗКМ
ЧСДМ
ЧТЗ
ЭКСКО
ЭКСМАШ
ЮрМаш
Модель
Не выбрано
CA1400 (2016)
CA2500D (2016)
CA2500D (2018)
CA2500D-PD (2018)
CA250D (2011)
CA252D (2008)
CA2800D (2017)
CA3500D (2016)
CA4000D (2017)
CA4000D (2020)
CA4600D (2019)
CA5500D (2015)
CA610PD (2014)
CA6500 (2018)
CC1000 (2019)
CC1100CC (2015)
CC1200C Plus (2015)
CC1200C VI (2018)
CC1200CC (2018)
CC125 (2015)
CC1250 (2015)
CC1300 (2018)
CC1300C (2015)
CC1300C (2016)
CC2200 (2018)
CC2200 (2020)
CC2300C (2018)
CC3300 (2018)
CC4000 VI (2018)
CC4200C VI (2020)
CC5200C (2018)
CC6200 VI (2020)
CC800 (2019)
CC900 (2018)
CC900S (2018)
CG2300 (2018)
CP142 (2015)
CP275 (2014)
Dynapac CA1500 (2017)
Dynapac CA2500 (2012)
Dynapac CA302D (2008)
Dynapac CA302D (2010)
Dynapac CA5000D (2017)
Dynapac CC142 (2009)
Dynapac CC2200C (2015)
Dynapac CC224HF (2012)
Dynapac CC322 (2008)
Dynapac CC422 (2010)
Dynapac CC5200 (2014)
Dynapac CC5200 (2017)
Dynapac CC5200 (2017)
Dynapac CC5200 VI (2017)
Dynapac CC800 (2013)
Dynapac CC800 (2014)
Dynapac F1200C/CS (2018)
Dynapac F1200CS/CS (2018)
Dynapac F1800C (2018)
Dynapac F181C (2010)
Dynapac PL2000LS (2010)
Dynapac PL2000LS (2010)
Dynapac PL2000S (2010)
Dynapac PL2000S (2010)
Dynapac SCC1300 (2014)
Dynapac SD2500C (ч. 1) (2018)
Dynapac SD2500C (ч. 2) (2018)
Dynapac SD2550C (ч. 1) (2018)
Dynapac SD2550C (ч. 2) (2018)
F2500C (2018)
SD2550CS (2015)
Схема
>
Не выбрано
DYNAPAC CC5200 (IIIA/T3) SN 10000322x0C002052
4700945805 Service kit 50 h, Cummins QSB 4.5 T3
4812274593 Service kit 250 h/750 h, Cummins QSB 4.5 T3
4700945806 Service kit 500 h, Cummins QSB 4.5 T3
4700945807 Service kit 1000 h, Cummins QSB 4.5 T3
1000 Hours start up kit (except China market)
Service kit, 50H PLUS (Except China market)
Service kit, 250H/750H PLUS (Except China market)
Service kit, 500H PLUS (Except China market)
Service kit, 1000H PLUS (Except China market)
4700950151 Scraper kit
4700945903 Eccentric shaft kit
4700938891 Drum rotation kit
4700945904 Shock absorber kit, drum
Steering hitch kits
4812155698 Sprinkler kit
Front frame
Front frame
4700391023 Steering cylinder
Tank structure module
Tank structure module
4700391307 Cover
Hose support
Hitch module
4812113153 Steering hitch To 0C004314
4812117737 Steering hitch From 0C004315
Filling pipe
Grab handle module
Rear frame
Rear frame
Cover, cpl
Engine structure, module
Engine structure
Engine cover, left
Engine cover, right
Oil cooler
Fan
Noise suppression plates
Noise suppression, covers
Sprinkler system
Sprinkler pump module
Sprinkler pump
Sprinkler pump
Sprinkler pump, backup
Sprinkler pump, additonal sprinkler/cocoa mat
Sprinkler pumps
Sprinkler pumps
Sprinkler pumps From 0C003678
Locking device module
Water hoses
Scraper assy with nozzles
Filling pipe
Extra sprinkler tank/s
Sprinkler tank
Water hoses
Filling pipe
End frame, front
End frame, front
Frame
End frame, extra tank
Frame assy
Fork, vibration side
Fork, propulsion side
Cover plate
Hose clamp, propulsion side
Hose clamp, vibration side
Step, vibration side
Step, propulsion side
Scraper module, without nozzles
Scraper assy
Scraper module, with nozzles
Scraper assy with nozzles
4700394340 Scraper bracket, cpl
Grab handle, release
Grab handle, release
Grab handle, release
Grab handle, lift
Grab handle, lift offset/cocoa mat
Cocoa mat module
Cocoa mat assembly
Cocoa mat bracket module
Cocoa mat bracket
Cocoa mat bracket module
Cocoa mat bracket
Process mirrors
End frame, rear
End frame, rear
End frame, rear offset
Frame
Connection block
Micro switch
4700391024 Steering cylinder
Eyelet module
SMV-sign
Platform, no cab
Platform with 4-post ROPS
Rear covers
Platform no ROPS
Cover module
Manual box
Hand rail, left
Hand rail
Hand rail, right
Hand rail
Hand rail
Lunch box module
Canopy option
Canopy assy
Bracket
Cab asymmetric
4812265241 Cab, asymmetric
Screens
Rear view mirror
Windshield wiper
Rops, fire extinguisher support, plates
Windshield plate
Emergency hammer, hook, door lock
4812265355 Lock assy, left door
Interior, roof, air channel
Manual box
4812265368 Air channel
4812265439 Switch, cpl
Cab, electrical
Rotating beacon
Working light module, option
Cab noise cover
Radio and cd player
Radio and cd player module
Drivers seat
Seat frame structure
Seat frame
4700391163 Steering column
Seat, galon suspensioned
Seat, fabric suspensioned (option)
Controls, slidable and turning
Cross sliding
Carrier
Drive control, cpl
Drive control
Display unit
Control panel cover
Engine room
Engine
Engine module
Diesel engine Cummins QSB4.5 T3 - 93kW
Air cooler hoses
Water cooler hoses
Air cleaner module
Air cleaner hose module
Muffler
Exhaust pipe module
Fuel hose module
Charge air cooler
Water cooler
Expansion tank assembly
Coolant hoses
Drum
Drum bearing
Drive unit
4812269526 Gear
4700390603 Hydraulic motor
Engine hydraulic part
End plate
Vibrating unit Sauer
4700395915 Hydraulic motor Vibration
Hydraulic system, front drum
Hydraulic system, rear drum std
Hydraulic system, rear drum offset
Hydraulic valve module, offset/combi
Hydraulic valve
Hydraulic valve
Hydraulic hoses, frame
Hydraulic hoses, engine room
Hydraulic valve module
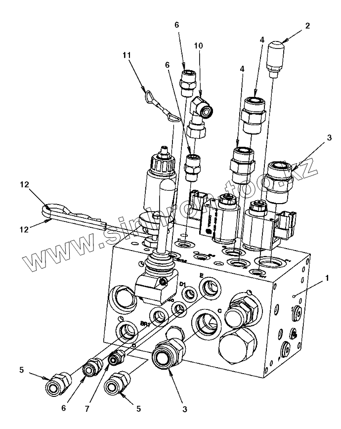
Hydraulic valve
4700395924 Hydraulic valve
Hydraulic pump module
Hydraulic pump
4700390602 Hydraulic pump
4812155785 Hydraulic pump
Rotating group, cpl
Valve block, cpl
Control module
Flushing valve
4812155786 Hydraulic pump
Rotary group, cpl
Valve block, cpl
4812155787 Hydraulic pump
Rotary group, cpl
Valve block, cpl
Hydraulic system, steering Std
Hose bracket
Hydraulic steering, sliding seat
Steering, slideable
4700372424 Pilot valve, steering
Electric cables, power supply
Battery disconnector
Battery disconnector
Electric cables, power supply cab
Electric cables, engine - ECU
Standard ECU module
Standard ECU assembly
Electric cables, sensors/ horn/ back-up alarm
Back-up alarm module
Back-up alarm
Horn module
Horn
Tachograph
Tachograph holder module
Tachograph holder
Cable harness kit
Power supply module
Driving & side direction lights
Driving lights, front RH
Driving lights, front LH
Steering column switch module
Cable harness and switch module
Registration plate light module
Registration plate light
Driving lights, rear
Turn signals
Drum edge lights
Bracket
Working light module H3
Bracket
Reading light
Decals
Air conditioning
Compressor module
Hose kit Compressor
Hose kit AC
Condensor module
Evaporator module
Hose kit AC
4812269036 Heater model
Asphalt temperature meter
Fire extinguisher/First Aid Cushion
Fire extinguisher assembly
Edge cutter
Edge cutter, module
4700390998 Edge cutter, cpl
4700390999 Holder
4700391009 Bearing unit
4700387275 Hydraulic cylinder
Cutting disc module
Pressing roller, module
Hydraulic valve module
Hydraulic valve
4700391018 Hydraulic valve
Disc/Roller holder
1
2
3
3
4
4
5
5
6
6
6
7
10
11
12
12
Позиция на иллюстрации
Заводской номер детали
Название детали
1
4700395924
Hydraulic valve
2
4700910162
Measuring nipple
3
4700791823
Adapter
4
4700791743
Straight connector orfs
5
4700791799
Straight connector orfs
6
4700791409
Straight connector orfs
7
4700791744
Adapter
10
4700791401
Elbow 90, O-ring with swivel
11
4700358732
Wire
12
4700635061
Hair clip
Содержащиеся в справочниках-каталогах запасные части и детали не предлагаются к продаже, а носят исключительно информационный характер
Дополнительная информация
×
Название:
Номер:
Примечание: