Каталог запасных частей к технике: DYNAPAC Dynapac CC422. Sprinkler systems, tanks
1
1
1
2
2
2
3
3
4
4
5
5
6
7
8
9
9
9
9
10
11
11
12
13
13
13
13
14
14
15
15
15
15
15
15
16
16
16
16
17
17
18
18
19
19
20
20
21
21
22
22
23
23
24
24
25
26
27
27
28
28
29
29
30
30
31
31
32
32
33
33
34
34
35
35
36
36
37
37
38
38
39
39
40
40
41
42
43
43
44
44
45
45
46
47
48
49
50
50
51
52
53
54
55
55
56
56
56
56
57
57
57
58
58
59
59
60
60
61
61
62
62
63
63
63
64
65
66
67
67
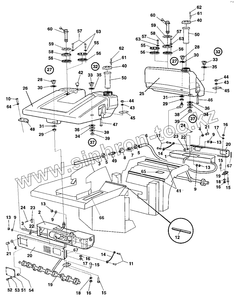
| Позиция на иллюстрации | Заводской номер детали | Название детали | |
|---|---|---|---|
| 1 | Sprinklersystem | Sprinkler system | |
| 1 | Sprinklersystem | Sprinkler system | |
| 2 | Sprinklersystem | Sprinkler system | |
| 2 | Sprinklersystem | Sprinkler system | |
| 3 | 904878 | Hose reinforced | |
| 4 | 904913 | Washer | |
| 5 | 313002 | Hose clamp | |
| 6 | 904878 | Hose reinforced | |
| 7 | 924544 | Hose connection | |
| 8 | 925599 | Valve | |
| 9 | 904229 | Washer 8,4x16x1,5 | |
| 10 | 500022 | Screw | |
| 11 | 500053 | Screw | |
| 12 | 202041 | Rubber strip | |
| 13 | 586003 | Lock nut M8 | |
| 14 | 381619 | Wire | |
| 15 | 513012 | Screw | |
| 15 | 928784 | Screw | |
| 16 | 586002 | Lock nut M6 | |
| 17 | 928467 | Washer | |
| 18 | 904228 | Washer 6,4x12x1,5 | |
| 19 | 928041 | Hinge | |
| 20 | 385341 | Cover | |
| 21 | 904914 | Tap | |
| 22 | 903342 | Retaining ring | |
| 23 | 903344 | Lock | |
| 24 | 923253 | Rivet | |
| 25 | 359047 | Sprinkling tank, front | |
| 26 | 359048 | Sprinkling tank, rear | |
| 27 | 902916 | Adapter kit | |
| 28 | Connector | Connector | |
| 29 | Nut | Nut | |
| 30 | Sealing | Sealing | |
| 31 | Washer | Washer | |
| 32 | 902917 | Adapter kit | |
| 33 | Connector | Connector | |
| 34 | Nut | Nut | |
| 35 | Sealing | Sealing | |
| 36 | Washer | Washer | |
| 37 | 902918 | Plug kit | |
| 38 | Gasket | Gasket | |
| 39 | Plug | Plug connector see engine Gr. 9 | |
| 40 | 359003 | Cap | |
| 41 | 202041 | Rubber strip | |
| 42 | 384959 | Ventilating filter | |
| 43 | 904232 | Washer 17x30x3 | |
| 44 | 570008 | Hex. nut | |
| 45 | 359444 | Holder, cpl | |
| 46 | 904405 | Screw | |
| 47 | 903523 | Screw | |
| 48 | 359446 | Holder | |
| 49 | 924544 | Hose connection | |
| 50 | 358846 | Strainer | |
| 51 | 374545 | Cover | |
| 52 | 791916 | Screw | |
| 53 | Notusedonthismodel | Not used on this model | |
| 54 | Notusedonthismodel | Not used on this model | |
| 55 | 370747 | Cover | |
| 56 | 370746 | Gasket | |
| 57 | 904206 | Screw | |
| 58 | 370745 | Flange, cpl | |
| 59 | 372718 | Lid | |
| 60 | 382157 | Level sender | |
| 61 | 370699 | Lock | |
| 62 | 370794 | Key | |
| 63 | 904228 | Washer 6,4x12x1,5 | |
| 64 | 904556 | Washer 8,4x16x3,0 | |
| 65 | 381665 | Cellular plastic sheet | |
| 66 | 381666 | Cellular plastic sheet | |
| 67 | 297018 | Rubber strip |
Содержащиеся в справочниках-каталогах запасные части и детали не предлагаются к продаже, а носят исключительно информационный характер